RESOLUCIÓN 859 DE 2006
(abril 25)
Diario Oficial No. 46.261 de 7 de mayo de 2006
MINISTERIO DE LA PROTECCIÓN SOCIAL
MINISTERIO DE COMERCIO, INDUSTRIA Y TURISMO
<NOTA DE VIGENCIA: Resolución derogada por el artículo 2 de la Resolución 939 de 2018>
Por la cual se expide el Reglamento Técnico aplicable a los artefactos Refrigeradores, Congeladores, combinación Refrigeradores-Congeladores para uso doméstico, tanto de fabricación nacional como importados, para su comercialización en Colombia.
EL MINISTRO DE LA PROTECCIÓN SOCIAL,
en ejercicio de sus facultades legales y en especial las conferidas en el Título X de la Ley 09 de 1979, el artículo 2o del Decreto 205 de 2003,
EL MINISTRO DE COMERCIO, INDUSTRIA Y TURISMO,
en ejercicio de sus facultades constitucionales y legales y en especial las conferidas en el artículo 78 de la Constitución Política de Colombia, en la Ley 155 de 1959, artículo 3o; en el Decreto 2269 de 1993, artículos 7o y 8o; Decreto 300 de 1995, en las Decisiones 376, 419, 506 y 562 de la Comisión de la Comunidad Andina, y en el Decreto-ley 210 de 2003, artículo 2o, numeral 4o, y
CONSIDERANDO:
Que de acuerdo con lo previsto en el artículo 78 de la Constitución Política de Colombia, serán responsables, de acuerdo con la ley, quienes en la producción y en la comercialización de bienes y servicios, atenten contra la salud, la seguridad y el adecuado aprovisionamiento a consumidores y usuarios;
Que el Acuerdo sobre Obstáculos Técnicos al Comercio de la Organización Mundial del Comercio, al cual adhirió Colombia a través de la Ley 170 de 1994 y la Decisión 419 de la Comisión de la Comunidad Andina, establecen que los países tienen derecho a adoptar las medidas necesarias para asegurar la calidad de sus exportaciones, o para la protección de la salud y la vida de las personas, para la protección del medio ambiente, o para la prevención de prácticas que pueden inducir a error, para lo cual pueden adoptar reglamentos técnicos que incluyan prescripciones en materia de terminología, símbolos, embalaje, marcado o etiquetado aplicable a productos;
Que tal como se contempla en el numeral 2.2 del artículo 2o del Acuerdo sobre Obstáculos Técnicos al Comercio de la Organización Mundial del Comercio; en el artículo 14-01 del Tratado de Libre Comercio con los Estados Unidos Mexicanos y la República de Venezuela; y, en el artículo 26 de la Decisión Andina 376 de 1995, los Reglamentos Técnicos se establecen para garantizar, entre otros, los siguientes objetivos legítimos: los imperativos de la seguridad nacional; la protección de la salud o seguridad humanas, de la vida o la salud animal o vegetal, o del medio ambiente y la prevención de prácticas que puedan inducir a error a los consumidores;
Que la Decisión 506 de 2001 expedida por la Comisión de la Comunidad Andina decidió sobre el reconocimiento y aceptación de certificados de productos a ser comercializados en la Comunidad Andina y que la Decisión 562 del 25 de junio de 2003 de la Comisión de la Comunidad Andina, aprobó directrices para la elaboración, adopción y aplicación de Reglamentos Técnicos en los países miembros de la Comunidad Andina y a Nivel Comunitario;
Que en el artículo 3o de la Ley 155 de 1959 se establece que le corresponde al Gobierno Nacional intervenir en la fijación de normas sobre calidad de los productos, con miras a defender el interés de los consumidores y de los productores de materias primas;
Que conforme se dispone en los artículos 7o y 8o del Decreto 2269 de 1993, en correspondencia con el Decreto 300 de 1995, se deberá demostrar la conformidad de un bien o servicio con norma obligatoria o reglamento técnico a que se encuentre sujeto antes de su comercialización, independientemente que se produzcan en Colombia o que se importen, de acuerdo con el procedimiento establecido para el efecto;
Que mediante el Decreto 300 de febrero 10 de 1995, el Gobierno Nacional estableció el procedimiento para verificar el cumplimiento de las normas técnicas colombianas oficiales y los Reglamentos Técnicos en los productos importados;
Que la dependencia y el aumento progresivo del consumo de la electricidad en la vida actual involucran riesgos que obligan establecer exigencias y especificaciones que garanticen la seguridad eléctrica de los Refrigeradores, Congeladores, combinación Refrigeradores-Congeladores para uso doméstico, para proteger a las personas y el medio que los rodea;
Que los Refrigeradores, Congeladores, combinación Refrigeradores-Congeladores para uso doméstico se deben construir de forma tal que, en condiciones normales de funcionamiento, sean seguros, para evitar el riesgo de accidentes a las personas por electrocución;
Que el consumidor de los productos cobijados por el presente Reglamento Técnico necesita saber, previo a su adquisición, las características o los parámetros básicos de los artefactos y las instrucciones precisas de manejo, suministrados por los fabricantes y/o importadores mediante un etiquetado;
Que el sector afectado por la expedición de este Reglamento Técnico son los fabricantes e importadores de Refrigeradores, Congeladores, combinación Refrigeradores-Congeladores para uso doméstico. Se determinó el sector de personas que son afectadas por el presente reglamento y, en tal sentido, el texto del mismo, previamente a su expedición, se puso a disposición de las partes interesadas;
Que el Proyecto de Reglamento Técnico aplicable a los Refrigeradores, Congeladores, combinación Refrigeradores-Congeladores para uso doméstico fue notificado internacionalmente a los países con los cuales Colombia ha suscrito Acuerdos así:
Ante la Organización Mundial de Comercio, OMC, el 21 de julio de 2004 con la identificación G/TBT/N/COL/56.
Ante la Secretaría de la Comunidad Andina-CAN el 19 de julio de 2004.
Ante el Grupo de los Tres – G3 el 5 de agosto de 2004.
Con base en lo expuesto,
RESUELVEN:
ARTÍCULO 1o. EXPEDICIÓN. <Resolución derogada por el artículo 2 de la Resolución 939 de 2018> Expedir el presente Reglamento Técnico que debe ser aplicado a los Refrigeradores, Congeladores, combinación Refrigeradores-Congeladores para uso doméstico, tanto de fabricación nacional como importados, para su comercialización en Colombia.
ARTÍCULO 2o. OBJETO - FINALIDAD Y OBJETIVOS LEGÍTIMOS. <Resolución derogada por el artículo 2 de la Resolución 939 de 2018> El objeto fundamental del presente Reglamento Técnico es el de establecer medidas que garanticen la seguridad de las personas, previniendo riesgos de origen eléctrico, como electrocución o heridas, o de prácticas que puedan inducir a error a los consumidores, dentro del ámbito del funcionamiento normal de los Refrigeradores, Congeladores, combinación Refrigeradores-Congeladores para uso doméstico.
ARTÍCULO 3o. CAMPO DE APLICACIÓN. <Resolución derogada por el artículo 2 de la Resolución 939 de 2018> Este Reglamento Técnico se aplica a Refrigeradores, Congeladores, combinación Refrigeradores-Congeladores para uso doméstico, monofásicos, tanto de fabricación nacional como importados, cuya tensión nominal no supere los 250 voltios de corriente alterna.
El presente Reglamento Técnico aplica a los Refrigeradores, Congeladores, combinación Refrigeradores-Congeladores para uso doméstico cobijados por las siguientes Subpartidas Arancelarias:
<Códigos sustituidos por el artículo 1 de la Resolución 1334 de 2010. El nuevo texto es el siguiente:>
| No | Código / subpartida | Designación de la mercancía / Texto de la Subpartida |
| 1 | 8418.10.10.00 | Combinaciones de refrigerador y congelador con puertas exteriores separadas: de volumen inferior a 184 l (litros). |
| 2 | 8418.10.20.00 | Combinaciones de refrigerador y congelador con puertas exteriores separadas: de volumen superior o igual a 184 l (litros) pero inferior a 269 l (litros). |
| 3 | 8418.10.30.00 | Combinaciones de refrigerador y congelador con puertas exteriores separadas: de volumen superior o igual a 269 l (litros) pero inferior a 382 l (litros). |
| 4 | 8418.10.90.00 | Los demás, combinaciones de refrigerador y congelador con puertas exteriores separadas. |
| 5 | 8418.21.10.00 | Refrigeradores domésticos, de compresión, de volumen inferior a 184 l (litros). |
| 6 | 8418.21.20.00 | Refrigeradores domésticos, de compresión, de volumen superior o igual a 184 l (litros) pero inferior a 269 l (litros). |
| 7 | 8418.21.30.00 | Refrigeradores domésticos, de compresión, de volumen superior o igual a 269 l (litros) pero inferior a 382 l (litros). |
| 8 | 8418.21.90.00 | Los demás refrigeradores domésticos, de compresión. |
PARÁGRAFO. <Parágrafo modificado por el artículo 1 de la Resolución 1966 de 2007. El nuevo texto es el siguiente:> Este Reglamento Técnico se aplica también a todos los productos clasificados por la Subpartida Arancelaria 84.18.29.90.00, que corresponden al texto de subpartida '- - - los demás', que sean considerados dentro del grupo de Refrigeradores, Congeladores, combinación Refrigeradores-Congeladores para uso doméstico, monofásicos, tanto de fabricación nacional como importados, y cuya tensión nominal no supere los 250 voltios de corriente alterna.
ARTÍCULO 4o. DEFINICIONES. <Resolución derogada por el artículo 2 de la Resolución 939 de 2018> Para la correcta aplicación e interpretación del presente Reglamento Técnico se debe tener en cuenta las definiciones que se dan a continuación y los contenidos de las NTC 2183 Quinta Actualización del 27 de abril de 2005, en adelante NTC 2183, y en la NTC 2252 Tercera Actualización del 24 de agosto de 2005, en adelante NTC 2252, mencionadas en los Anexos 1 y 2, y en el Anexo No 3, del presente Reglamento Técnico.
Artefacto: Hace alusión a Refrigeradores, Congeladores, combinación Refrigeradores-Congeladores para uso doméstico, dentro del Campo de Aplicación establecido en este Reglamento.
Importación: Es la introducción de mercancías de procedencia extranjera al territorio aduanero nacional. También se considera importación la introducción de mercancías procedentes de Zona Franca Industrial de Bienes y de Servicios, al resto del territorio aduanero nacional en los términos previstos en este decreto.
Levante: Es el acto por el cual la autoridad aduanera permite a los interesados la disposición de la mercancía, previo el cumplimiento de los requisitos legales o el otorgamiento de garantía, cuando a ello haya lugar.
Refrigerador Doméstico. Denominado “refrigerador”: Es un Gabinete aislado con el equipo y volumen adecuado para uso doméstico, enfriado por una o más fuentes de energía, y con uno o más compartimientos previstos para la conservación de alimentos, al menos uno de ellos adecuado para el almacenamiento de alimentos frescos. Desde el punto de vista de la instalación, existen diferentes tipos de refrigeradores domésticos, por ejemplo, de colocación libre, montados en la pared, empotrados, etc.
Artefacto Congelador doméstico para alimentos, denominado “Congelador”: Gabinete aislado, con el volumen y equipo adecuado para uso doméstico, enfriado por medios que consumen energía y con uno o más compartimientos para congelar alimentos frescos. El congelador es apto para congelar, desde + 25 oC hasta –18 oC para artefactos clase SN, N y ST, y desde +32 oC hasta –18 oC para artefactos clase T.
Combinación Refrigerador-Congelador doméstico sin escarcha, denominado “Refrigerador-Congelador”: Artefacto sin escarcha que tiene dos o más compartimientos. Al menos un compartimiento (el compartimiento para almacenar alimentos frescos) es apropiado para almacenar comida fresca, y al menos un compartimiento (el compartimiento de congelación de alimentos) es apropiado para la congelación de alimentos frescos y para el almacenamiento de alimentos congelados bajo condiciones de almacenamiento especificadas en la Tabla 2 de dicha NTC.
Artefacto tipo compresión: Artefacto en el cual la refrigeración se efectúa mediante la vaporización a baja presión de un refrigerante líquido en un intercambiador de calor (evaporador); el vapor resultante vuelve al estado líquido por compresión mecánica a una presión más alta y se enfría de nuevo en otro intercambiador de calor (condensador).
Sistema de calentamiento: Elemento calentador con componentes asociados, como temporizadores, interruptores, termostatos y otros controles.
Artefacto tipo absorción: Artefacto en el cual la refrigeración se efectúa por la evaporación de un refrigerante en estado líquido, en un intercambiador de calor (evaporador), y luego el vapor resultante es asimilado por un medio absorbente y expulsado después por calentamiento a una presión parcial de vapor más alta y licuado por enfriamiento en otro intercambiador de calor (condensador).
Condensador: Intercambiador de calor en el cual, después de la compresión, el refrigerante vaporizado se condensa expulsando calor a un medio de enfriamiento externo.
Evaporador: Intercambiador de calor en el cual, después de una reducción en la presión, el refrigerante líquido se vaporiza absorbiendo calor del medio a refrigerar.
Valor Nominal: Para efectos de este Reglamento Técnico, es el valor o valores de parámetros eléctricos suministrados por el fabricante y/o importador, de funcionamiento del artefacto. Cuando se usan los términos tensión y corriente, estos implican valor eficaz, a menos que se especifique algo diferente.
Condiciones Normales de Funcionamiento: Cuando los artefactos cumplan simultáneamente con las siguientes premisas indicadas específicamente por el fabricante y/o importador:
a) Estén correctamente instalados física y eléctricamente;
b) Se utilicen con el suministro eléctrico indicado en el etiquetado y/o instrucciones de manejo;
c) Se utilicen de acuerdo con los fines de uso previstos.
Funcionamiento normal: Condiciones bajo las cuales funciona el artefacto en servicio normal cuando está conectado a la red de alimentación
Parte Activa: Parte de un artefacto que está energizada eléctricamente.
Dieléctrico: Material aislante de la corriente eléctrica.
Corriente de fuga: Corriente que circula en una trayectoria diferente a la deseada y que se origina debido a imperfecciones en el aislamiento.
Rigidez dieléctrica: Tensión máxima aplic ada entre partes conductivas sin que se presente disrupción eléctrica, bajo condiciones de ensayo prescritas.
Temperatura de operación: Es la temperatura a la cual un artefacto opera normalmente.
Fusible: Cortacircuito, dispositivo de protección contra tensiones o corrientes excesivas.
Electrocución: Consecuencia perjudicial ocasionada por el contacto accidental con la energía eléctrica, cuyos parámetros eléctricos exceden los soportados por las personas.
Etiqueta: Marca, rótulo, placa o marbete impreso, con información específica sobre un artefacto.
Etiquetado: Colocación o fijación de la etiqueta en algún sitio del cuerpo del artefacto.
Etiqueta adherida: Etiqueta pegada.
Letras legibles a simple vista: Letras que se pueden ver sin ayuda de instrumentos ópticos especiales como lupas, microscopios o gafas distintas a las recetadas a la persona.
Sitio visible: Sitio destacado de un artefacto.
Durabilidad de las letras: Permanencia de las letras que se escriben en una etiqueta.
Inspección directa: Evaluación de la conformidad por medio de observación y dictamen, acompañada cuando sea apropiado por medición, ensayo/prueba o comparación con patrones.
Siglas: Las siglas que aparecen a continuación tienen el siguiente significado y así deben ser interpretadas:
RT Reglamento Técnico
NTC Norma Técnica Colombiana
IEC International Electrotechnical Commission
ISO International Standard Organization
OMC Organización Mundial del Comercio
CAN Comunidad Andina de Naciones
OTC Obstáculos Técnicos al Comercio
MINPROTECCION Ministerio de la Protección Social
MINCOMERCIO Ministerio de Comercio, Industria y Turismo
SIC Superintendencia de Industria y Comercio
ARTÍCULO 5o. REQUISITOS APLICABLES A LOS REFRIGERADORES, CONGELADORES, COMBINACIÓN REFRIGERADORES-CONGELADORES PARA USO DOMÉSTICO. <Resolución derogada por el artículo 2 de la Resolución 939 de 2018> Teniendo en cuenta el literal e) del artículo 2o del Decreto 2269 de 1993 y el literal c) del numeral 3 del artículo 9o de la Decisión 562 de la Comisión de la Comunidad Andina, la veracidad de la información suministrada por los fabricantes en Colombia e importadores, y las demás prescripciones contenidas en el presente Reglamento Técnico, serán de obligatorio cumplimiento, aplicable a los Refrigeradores, Congeladores, combinación Refrigeradores-Congeladores para uso doméstico, dentro del campo de aplicación especificado por el presente Reglamento Técnico.
5.1 Requisitos de Etiquetado e Instrucciones: El cumplimiento de estos requisitos busca prevenir la inducción a error al consumidor, al indicarle al usuario el manejo seguro del artefacto, de manera que todo artefacto de fabricación en Colombia como importado, previo a la comercialización en Colombia, deberá tener grabada, impresa o adherida en el artefacto y/o en su empaque, la información requerida por el presente etiquetado.
5.1.1 Información del etiquetado: La información del etiquetado que suministre el fabricante en Colombia como el importador deberá ser legible a simple vista, estar colocada en un sitio visible del artefacto, y debe contener al menos los siguientes datos, que podrán estar en una o más etiquetas:
1. País de Origen: Es el país en donde fue fabricado el artefacto.
2. Nombre del Fabricante y/o Importador: Correspondiente al nombre comercial de la empresa fabricante y/o importadora del artefacto.
3. Modelo o Referencia Comercial: Correspondiente al modelo o referencia comercial dada por el fabricante para el artefacto.
4. Tensión nominal de operación: Correspondiente al valor eficaz o RMS (a menos que se especifique valor diferente) de la tensión eléctrica expresada en voltios de corriente alterna con la cual funciona el artefacto.
5. Corriente nominal de operación: Correspondiente al valor eficaz o RMS (a menos que se especifique valor diferente) de la corriente eléctrica expresada en Amperios de corriente alterna con la cual funciona el artefacto; o la Potencia Nominal siguiente:
6. Potencia nominal de operación: Correspondiente al valor eficaz o RMS (a menos que se especifique valor diferente) de la potencia eléctrica expresada en Watios que consume el artefacto en condiciones normales de funcionamiento.
7. Frecuencia nominal de operación: Correspondiente al valor de la frecuencia de la corriente eléctrica expresada en Hertz con la cual funciona el artefacto.
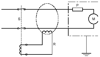
8. Diagrama Eléctrico: Es el diagrama circuital general de conexiones eléctricas del artefacto.
9. Temperatura de Operación: Es la temperatura de trabajo a la cual funciona el artefacto en condiciones normales de funcionamiento.
10. Instrucciones para el consumidor: Que serán las de uso y/o instalación, restricciones, prohibiciones, cuidados especiales, así como los fines de uso previstos por el fabricante, correspondiente al modelo o referencia comercial dada por el fabricante para el artefacto. Estas instrucciones podrán informarse mediante guía o manual de usuario, diferente a la etiqueta, que debe entregarse al consumidor.
Cuando por diseño no se permita imprimir o grabar en el etiquetado del artefacto la información aquí requerida o la complementaria del fabricante e importador, la información que no sea la específica de parámetros eléctricos, habrá de imprimirse en su empaque y/o informarse mediante una etiqueta sujetada al artefacto o adherida a su empaque, o mediante un Manual de Usuario que debe entregarse al consumidor.
<Inciso modificado por el artículo 2 de la Resolución 2501 de 2006. El nuevo texto es el siguiente:> La información del numeral 10, instrucciones para el consumidor, deberá estar como mínimo en idioma español, excepto aquella que no sea posible su traducción al español. La información de la etiqueta deberá estar como mínimo en alfabeto latino.
5.1.2 Ensayos que deben realizarse para verificar este Requisito de Etiquetado: Inspección directa al etiquetado y a las instrucciones para el consumidor. La comprobación de la durabilidad de los parámetros eléctricos que tienen que ver con etiquetado, se hará mediante los ensayos correspondientes descritos en el numeral 7.14 de la NTC 2183 y en el Anexo No 3 a este Reglamento.
Otros etiquetados exigidos por las demás Entidades Gubernamentales Colombianas podrán compartir el etiquetado exigido en este Reglamento Técnico.
5.2 Requisitos de Seguridad Eléctrica: El cumplimiento de estos requisitos busca prevenir a las personas riesgos de origen eléctrico, como electrocución o heridas.
5.2.1 Requisito Técnico Específico No 1 (R1) - Protección para evitar acceso a partes activas: Los artefactos se deben construir de tal forma que en condiciones normales de funcionamiento se evite el contacto accidental de las personas con las partes activas de los artefactos, que les produzca electrocución o heridas.
5.2.1.1 Numeral que contempla los parámetros técnicos del R1: Numeral 8 de la NTC 2183, teniendo en cuenta la descripción general, las adiciones, modificaciones, reemplazos o anulaciones planteadas en el numeral 8 de la NTC 2252.
5.2.1.2 Ensayos para verificar el Requisito Técnico Específico No 1: Inspección directa al artefacto y realización de los Ensayos de los numerales 8.1.1 a 8.1.5 descritos en la NTC 2183, teniendo en cuenta la descripción general, las adiciones, modificaciones, reemplazos o anulaciones planteadas en el numeral 8 de la NTC 2252.
5.2.2 Requisito Técnico Específico No 2 (R2) - Protección para evitar quemaduras por sobrecalentamiento: Los artefactos y el ambiente que los rodea no deben alcanzar temperaturas excesivas en servicio normal de funcionamiento.
5.2.2.1 Numeral que contempla los parámetros técnicos del R2: Numera l 11 de la NTC 2183, teniendo en cuenta la descripción general, las adiciones, modificaciones, reemplazos o anulaciones planteadas en el numeral 11 de la NTC 2252.
5.2.2.2 Ensayos para verificar el Requisito Técnico Específico No 2: Medición de acuerdo con los Ensayos descritos en los numerales 11.2 a 11.3 y 11.5 a 11.7 de la NTC 2183 y en los numerales 11.101 a 11.103 de la NTC 2252.
5.2.3 Requisito Técnico Específico No 3 (R3) – Protección para evitar saltos de corriente eléctrica o chispa o arco hacia las partes metálicas del artefacto. - Corriente de fuga y Rigidez dieléctrica: Tanto a la temperatura de operación como a la temperatura ambiente, los parámetros de corriente de fuga y de rigidez dieléctrica no deben superar los valores que por este Reglamento Técnico se establezcan.
5.2.3.1 numerales que contemplan los parámetros técnicos del R3: numerales 13 y 16 de la NTC 2183, teniendo en cuenta la descripción general, las adiciones, modificaciones, reemplazos o anulaciones planteadas en los numerales 13 y 16 de la NTC 2252.
5.2.3.2 Ensayos para verificar el Requisito Técnico Específico No 3: Ensayos de los numerales 13.2 y 13.3, 16.2 y 16.3 descritos en la NTC 2183, teniendo en cuenta la descripción general, las adiciones, modificaciones, reemplazos o anulaciones planteadas en los numerales 13 y 16 de la NTC 2252.
5.2.4 Requisito Técnico Específico No 4 (R4) - Protección para evitar electrocución - Dispositivos para Conexión a Tierra: Las partes metálicas accesibles de los artefactos clase 0I y I que puedan volverse activas en caso de fallas del aislamiento, se deben conectar de forma permanente y confiable a un terminal a tierra dentro del artefacto o al contacto a tierra de la entrada del mismo.
Los terminales a tierra y los contactos a tierra no se deben conectar al terminal neutro. Los artefactos clase 0, II y III no deben tener medios de conexión a tierra.
<Inciso derogado por el artículo 7 de la Resolución 2501 de 2006.>
5.2.4.1 numerales que contemplan los parámetros técnicos del R4: numerales 27.1, 27.2, 27.3, 27.4, 27.5, 27.6 de la NTC 2183, teniendo en cuenta la descripción general, las adiciones, modificaciones, reemplazos o anulaciones planteadas en el Numeral 27 de la NTC 2252.
5.2.4.2 Ensayos para verificar el Requisito Técnico Específico No 4: Inspección directa al artefacto y medición de acuerdo con los Ensayos descritos en los numerales 27.5 y 27.6 de la NTC 2183.
ARTÍCULO 6o. REFERENCIA A NORMAS TÉCNICAS COLOMBIANAS NTC. <Resolución derogada por el artículo 2 de la Resolución 939 de 2018> De acuerdo con el Numeral 2.4 del artículo 2o del Acuerdo sobre Obstáculos Técnicos al Comercio, OTC, con la OMC y de conformidad con el artículo 8o de la Decisión 562 de la Comisión de la Comunidad Andina, el presente Reglamento Técnico tiene como base las siguientes Normas Técnicas Colombianas, NTC:
6.1 NTC 2183 Quinta Actualización del 27 de Abril de 2005. - Anexo 1 a este Reglamento. - SEGURIDAD DE ARTEFACTOS ELECTRODOMESTICOS Y ARTEFACTOS ELECTRICOS SIMILARES. PARTE 1. REQUISITOS GENERALES. Esta norma es modificada (MOD) con respecto a su documento de referencia la norma IEC 60335-1. - DOCUMENTOS DE REFERENCIA: INTERNATIONAL ELECTROTECHNICAL COMMISION. Household and Similar Electrical Appliances. Safety. Geneve, 2001. 253 p, il. (IEC 60335-1). INTERNATIONAL ELECTROTECHNICAL COMMISION. Household and Similar Electrical Appliances. Safety. Geneve, Amendment 1, 2004. 59 p, il. (IEC 60335-1, Amendment 1). INTERNATIONAL ELECTROTECHNICAL COMMISION. Household and Similar Electrical Appliances. Safety. Geneve, Corrigendum 1, 2002. 1 p. (IEC 60335-1, Corrigendum 1).
6.2 NTC 2252 Tercera Actualización del 24 de agosto de 2005, Anexo 2 a este Reglamento. SEGURIDAD DE ARTEFACTOS ELECTRODOMESTICOS Y ARTEFACTOS SIMILARES. PARTE 2. REQUISITOS PARTICULARES PARA REFRIGERADORES, CONGELADORES DE ALIMENTOS, FABRICADORES DE HIELO Y HELADO. - CORRESPONDENCIA: Esta norma es una adopción idéntica (IDT) por traducción de la norma IEC60335-2-24.
PARÁGRAFO. - Equivalencias entre Normas Técnicas. Las equivalencias entre las Normas Técnicas Colombianas en las que este Reglamento se basa, con otras Normas Técnicas, serán establecidas por el Regulador.
PARÁGRAFO. <Parágrafo adicionado por el artículo 1 de la Resolución 124 de 2009. El nuevo texto es el siguiente:> Para efectos del cumplimiento del presente Reglamento Técnico, se aceptarán como equivalentes los requisitos, ensayos y resultados de los procedimientos de evaluación de la conformidad basados en la Norma UL-250 de Underwriters Laboratories de los Estados Unidos de América.
ARTÍCULO 7o. <Resolución derogada por el artículo 2 de la Resolución 939 de 2018> REQUISITOS TÉCNICOS, NUMERALES Y ENSAYOS APLICABLES. El Gráfico No 1 resume los Requisitos Técnicos, Numerales y Ensayos contemplados en el artículo 5o del presente Reglamento Técnico.
<Gráfico modificado por el artículo 5 de la Resolución 2501 de 2006. El nuevo texto es el siguiente:>
<Ver nuevo gráfico en la Resolución 2501 de 2006>
<El texto original de la Resolución 859 de 2006 es el siguiente:>
No | Requisitos Aplicables | Numeral(es) de la NTC 2183 y lo correspondiente en la NTC 2252 | Ensayo(s) y Método(s) de Verificación contemplados en la NTC 2183 y lo correspondiente en la NTC 2252. |
1 | Etiquetado e Instrucciones: Esta medida busca prevenir la inducción a error al consumidor y garantizar el manejo seguro del artefacto, de manera que todo artefacto nacional e importado que se comercialice en el país deberá tener adherida, impresa o grabada en el artefacto y/o en su empaque la información requerida por el presente Reglamento. | 7 | Inspección directa al etiquetado e instrucciones y la comprobación de los parámetros técnicos y de durabilidad mediante el ensayo descrito en el numeral 7.14 de la NTC 2183 y en el Anexo 3 a este Reglamento Técnico. |
2 | Requisito Técnico Específico No 1 (R1) - Protección para evitar acceso a partes activas: Los artefactos se deben construir de tal forma que en condiciones normales de funcionamiento se evite el contacto accidental de las personas con las partes activas de los artefactos, que les produzca electrocución o heridas. | Numeral que contempla los parámetros técnicos del R1: Numeral 8 de la NTC 2183, teniendo en cuenta la descripción general, las adiciones, modificaciones, reemplazos o anulaciones planteadas en el Numeral 8 de la NTC 2252 | Ensayos para verificar el Requisito Técnico Específico No 1: Inspección directa al artefacto y realización de los Ensayos de los numerales 8.1.1 a 8.1.5 descritos en la NTC 2183, teniendo en cuenta la descripción general, las adiciones, modificaciones, reemplazos o anulaciones planteadas en el Numeral 8 de la NTC 2252. |
3 | Requisito Técnico Específico No 2 (R2) - Protección para evitar quemaduras por sobrecalentamiento: Los artefactos y el ambiente que los rodea no deben alcanzar temperaturas excesivas en servicio normal de funcionamiento. | Numeral que contempla los parámetros técnicos del R2: Numeral 11 de la NTC 2183, teniendo en cuenta la descripción general, las adiciones, modificaciones, reemplazos o anulaciones planteadas en el Numeral 11 de la NTC 2252 | Ensayos para verificar el Requisito Técnico Específico No 2: Medición de acuerdo con los Ensayos descritos en los numerales 11.2 a 11.3 y 11.5 a 11.7 de la NTC 2183 y en los numerales 11.101 a 11.103. de la NTC 2252. |
4 | Requisito Técnico Específico No 3 (R3) – Protección para evitar saltos de corriente eléctrica o chispa o arco hacia las partes metálicas del artefacto. - Corriente de fuga y Rigidez dieléctrica: Tanto a la temperatura de operación como a la temperatura ambiente, los parámetros de corriente de fuga y de rigidez dieléctrica no deben superar los valores que por este Reglamento Técnico se establezcan. | Numerales que contemplan los parámetros técnicos del R3: numerales 13 y 16 de la NTC 2183, teniendo en cuenta la descripción general, las adiciones, modificaciones, reemplazos o anulaciones planteadas en los numerales 13 y 16 de la NTC 2252 | Ensayos para verificar el Requisito Técnico Específico No 3: Ensayos de los numerales 13.2 y 13.3, 16.2 y 16.3 descritos en la NTC 2183, teniendo en cuenta la descripción general, las adiciones, modificaciones, reemplazos o anulaciones planteadas en los numerales 13 y 16 de la NTC 2252. |
5 | 5.2.4 Requisito Técnico Específico No 4 (R4) - Protección para evitar electrocución - Dispositivos para Conexión a Tierra: Las partes metálicas accesibles de los artefactos clase 0I y I que puedan volverse activas en caso de fallas del aislamiento, se deben conectar de forma permanente y confiable a un terminal a tierra dentro del artefacto o al contacto a tierra de la entrada del mismo. Los terminales a tierra y los contactos a tierra no se deben conectar al terminal neutro. Los artefactos clase 0, II y III no deben tener medios de conexión a tierra. En caso de avería, por contacto accidental de una fase con la carcasa metálica de un artefacto, cuando aplique, el cable de línea a tierra debe poder soportar la corriente necesaria para fundir el fusible de protección del artefacto y aislar el circuito averiado, evitando de esta forma que el usuario pueda sufrir daño por electrocución. | Numerales que contemplan los parámetros técnicos del R4: numerales 27.1, 27.2, 27.3, 27.4, 27.5, 27.6 de la NTC 2183, teniendo en cuenta la descripción general, las adiciones, modificaciones, reemplazos o anulaciones planteadas en el Numeral 27 de la NTC 2252 | Ensayos para verificar el Requisito Técnico Específico No 4: Inspección directa al artefacto y medición de acuerdo con los Ensayos descritos en los numerales 27.5 y 27.6 de la NTC 2183. |
Gráfico No 1 RTrefriFeb8de06Res.doc
ARTÍCULO 8o. PROCEDIMIENTO PARA EVALUAR LA CONFORMIDAD. <Resolución derogada por el artículo 2 de la Resolución 939 de 2018>
<Inciso modificado por el artículo 4 de la Resolución 2501 de 2006. El nuevo texto es el siguiente:> Previo a su comercialización en Colombia, los fabricantes nacionales así como los importadores de refrigeradores, congeladores, combinación refrigeradores-congeladores para uso doméstico, sometidos al presente Reglamento Técnico, deberán, según sea su caso, obtener para estos productos el respectivo Certificado de Conformidad de producto que cubra los Requisitos de Seguridad Eléctrica (numeral 5.2), expedido por uno de los siguientes Organismos:
a) Un Organismo de Certificación Acreditado por la Superintendencia de Industria y Comercio, SIC, para los efectos de certificación aquí considerados.
Este Organismo de Certificación Acreditado que expida el Certificado de Conformidad requerido por el presente Reglamento Técnico, deberá soportar dicho Certificado en resultados de Ensayos realizados en Laboratorio Acreditado ante la Superintendencia de Industria y Comercio. También podrá apoyarse en Organismo de Inspección Acreditado por esta misma Superintendencia;
b) Un Organismo de Certificación Acreditado por la Entidad Acreditadora del país de origen de estos productos, siempre y cuando dicho País mantenga vigente con Colombia Acuerdo de Reconocimiento Mutuo, para los efectos de certificación aquí considerados;
c) Un Organismo de Certificación Acreditado por la Entidad Acreditadora del país de origen de estos productos, siempre y cuando exista Acuerdo de Reconocimiento Mutuo vigente entre Acreditadores;
d) Un Organismo de Certificación Acreditado por la Superintendencia de Industria y Comercio – SIC para los efectos de certificación aquí considerados, que expida el Certificado de Confo rmidad requerido por este Reglamento Técnico, con base en los Procedimientos de Evaluación de la Conformidad adelantados por un Organismo de Certificación extranjero, Acreditado por la Entidad Acreditadora del País de origen de estos productos, con el cual se haya celebrado un Acuerdo de Reconocimiento Mutuo, ARM, entre Certificadores. En este caso, el Organismo de Certificación Acreditado por la Superintendencia de Industria y Comercio deberá verificar que el ARM debe ser recíproco y operativo en ambos países.
PARÁGRAFO 1o. El Laboratorio Acreditado por la SIC, deberá realizar los Ensayos descritos en el presente Reglamento, contenidos en las Normas Técnicas Colombianas NTC 2183 Quinta Actualización del 27 de abril de 2005 y en la NTC 2252 Tercera Actualización del 24 de Agosto de 2005, Anexos 1 y 2 a este Reglamento, o también realizar otros ensayos basados en Normas Técnicas, para las cuales se haya expedido el respectivo Concepto de Equivalencia.
Para los efectos de cumplimiento de este artículo, el Regulador podrá autorizar uno o más Laboratorios, en los cuales se pueda soportar el Organismo de Certificación.
Si no existen en Colombia Organismos de Inspección Acreditados y que se requieran para soportar la Certificación de Conformidad establecida por el presente Reglamento Técnico, el Regulador podrá autorizar uno o más Organismos de Inspección.
Las condiciones y el alcance de la Autorización del Laboratorio o del Organismo de Inspección se establecerán en el respectivo documento de autorización.
PARÁGRAFO. <Parágrafo adicionado por el artículo 2 de la Resolución 124 de 2009. El nuevo texto es el siguiente:> De conformidad con lo establecido en este Reglamento Técnico, siempre y cuando se haya suscrito un acuerdo o convenio entre un organismo de certificación acreditado en Colombia con Underwriters Laboratories, desígnese al laboratorio de Underwriters Laboratories - UL de los Estados Unidos de América para que los resultados de sus pruebas y ensayos sirvan de soporte a dicho organismo de certificación colombiano para efectos de certificar el cumplimiento del procedimiento de evaluación de la conformidad establecido en el presente Reglamento Técnico.
ARTÍCULO 9o. CERTIFICACIÓN PARA DEMOSTRAR LA CONFORMIDAD. <Resolución derogada por el artículo 2 de la Resolución 939 de 2018> <Artículo modificado por el artículo 2 de la Resolución 1966 de 2007. El nuevo texto es el siguiente:> Los fabricantes en Colombia así como los importadores, previamente a la comercialización de Refrigeradores, Congela dores, combinación Refrigeradores-Congeladores para uso doméstico, sometidos al presente Reglamento Técnico, en consideración a los riesgos que se pretenden prevenir o mitigar, deberán poder demostrar la veracidad de la información suministrada y el cumplimiento de los demás requisitos aquí exigidos, a través de uno cualquiera de los siguientes Certificados de Conformidad, expedidos de acuerdo con el artículo 8o del presente Reglamento.
1. Certificado inicial de Lote, válido únicamente para el lote muestreado.
2. Marca o sello de conformidad, que permitirá ingresar al país los artefactos mientras el sello o marca esté vigente de acuerdo con las condiciones de su expedición, cualquiera que sea su cantidad y frecuencia.
3. Certificado de Tipo, válido hasta por dieciocho (18) meses desde su expedición, el cual debe ser expedido siguiendo las directrices contempladas en el numeral 4.2 de la Guía Técnica Colombiana GTC-ISO-IEC 53 del 14 de septiembre de 2005.
ARTÍCULO 10. INFORMACIÓN DE ORGANISMOS DE CERTIFICACIÓN, INSPECCIÓN Y LABORATORIOS. <Resolución derogada por el artículo 2 de la Resolución 939 de 2018> La Superintendencia de Industria y Comercio - SIC será la Entidad encargada de suministrar la información sobre los Organismos de Certificación Acreditados o Reconocidos, de los Organismos de Inspección Acreditados, así como de los Laboratorios de Ensayos y Calibración Acreditados, de su competencia, relacionados con el presente Reglamento Técnico.
ARTÍCULO 11. ENTIDADES DE VIGILANCIA Y CONTROL. <Resolución derogada por el artículo 2 de la Resolución 939 de 2018> La Dirección de Impuestos y Aduanas Nacionales, DIAN, según lo estipulado en los Decretos 300 de 1995 y 2685 de 1999, es la Entidad competente para realizar la verificación de lo dispuesto en este Reglamento Técnico en cuanto a las importaciones, previo al levante aduanero de las mercancías.
La Superintendencia de Industria y Comercio, SIC, en ejercicio de las facultades de vigilancia y control establecidas en los Decretos 3466 de 1982 y 2153 de 1992, es la Entidad competente para inspeccionar la información del Etiquetado suministrada por los fabricantes y/o importadores, y verificar su veracidad, así como para supervisar y hacer cumplir las demás prescripciones contenidas en el presente Reglamento Técnico.
La Dirección de Comercio Exterior, del Ministerio de Comercio, Industria y Turismo, de acuerdo con las facultades señaladas en los Decretos 300 de 1995 y 210 de 203, es la dependencia competente para hacer cumplir lo preceptuado en el presente Reglamento Técnico, previo al Registro de Importación de los productos controlados en este Reglamento.
ARTÍCULO 12. RÉGIMEN SANCIONATORIO. <Resolución derogada por el artículo 2 de la Resolución 939 de 2018> No se permitirá la comercialización dentro del territorio Colombiano de los Artefactos cobijados por el presente Reglamento Técnico, si para tales productos no se satisface la veracidad de la información suministrada y no se cumple con los demás Requisitos Técnicos aquí establecidos, con fundamento en los Procedimientos de Evaluación de la Conformidad definidos en este Reglamento.
Las importaciones temporales o de muestras sin valor comercial se sujetarán a las normas vigentes que rigen la materia.
No obstante lo anterior, el incumplimiento de lo establecido en este Reglamento Técnico dará lugar a las sanciones previstas en los Decretos 3466 de 1982, 2153 de 1992, 2269 de 1993 y en las demás disposiciones legales aplicables que las adicionen, modifiquen o complementen.
PARÁGRAFO. Responsabilidad. La responsabilidad civil, penal y/o fiscal originada en la inobservancia de las disposiciones contenidas en el presente Reglamento Técnico, será la que determinen las disposiciones legales vigentes y recaerá en forma individual en los fabricantes en Colombia y/o en los importadores y en el Organismo de Certificación que dio la conformidad a los productos objeto de este Reglamento Técnico, sin que se cumplieran las prescripciones contenidas en el presente Reglamento Técnico.
ARTÍCULO 13. REVISIÓN Y ACTUALIZACIÓN. <Resolución derogada por el artículo 2 de la Resolución 939 de 2018> El presente Reglamento Técnico podrá ser revisado y/o actualizado, en cualquier tiempo, durante su vigencia, por parte del Regulador.
ARTÍCULO 14. PREVENCIÓN POR DISPOSICIONES SIMILARES DE OTRAS ENTIDADES GUBERNAMENTALES. <Resolución derogada por el artículo 2 de la Resolución 939 de 2018> Los fabricantes en Colombia, comercializadores e importadores de los productos incluidos en el artículo 3o de este Reglamento Técnico, deberán verificar las disposiciones que para tales productos hayan establecido otras entidades Gubernamentales.
ARTÍCULO 15. REGISTRO DE FABRICANTES E IMPORTADORES. <Resolución derogada por el artículo 2 de la Resolución 939 de 2018> Para poder importar o comercializar los productos incluidos en el artículo 3o de este Reglamento Técnico, los fabricantes en Colombia como los importadores de tales productos, deberán estar inscritos en el Registro de Fabricantes e Importadores de productos o servicios sujetos al cumplimiento de Reglamentos Técnicos, establecido por la Superintendencia de Industria y Comercio, SIC.
ARTÍCULO 16. ANEXOS. <Resolución derogada por el artículo 2 de la Resolución 939 de 2018> Hacen parte integrante del texto de la presente Resolución los textos de los siguientes Anexos:
16.1 Anexo No 1: NTC 2183 Quinta Actualización del 27 de abril de 2005.
16.2 Anexo No 2: NTC 2252 Tercera Actualización del 24 de agosto de 2005.
16.3 Anexo No 3: Indelebilidad del marcado e indicaciones de la NTC 4982.
16.4 Anexo No 4: Conceptos Básicos de Electricidad.
ARTÍCULO 17. VIGENCIA Y ENTRADA EN VIGOR O EN VIGENCIA. <Resolución derogada por el artículo 2 de la Resolución 939 de 2018> <Ver Notas de Vigencia> De conformidad con lo señalado en el numeral 2.12 del Acuerdo sobre Obstáculo s Técnicos al Comercio con la OMC y con el numeral 5 del artículo 9o de la Decisión 562 de la Comisión de la Comunidad Andina, el presente Reglamento Técnico entrará en vigor o en vigencia seis (6) meses después de la fecha de publicación de esta resolución en el Diario Oficial, para que los fabricantes, comercializadores e importadores de los productos objeto de este Reglamento Técnico y los demás sectores afectados, puedan adaptar tales productos, sus métodos de producción y/o sus procedimientos de supervisión, a las prescripciones establecidas por el presente Reglamento Técnico.
ARTÍCULO 18. DEROGATORIAS. <Resolución derogada por el artículo 2 de la Resolución 939 de 2018> A partir de la fecha de entrada en vigor o en vigencia del presente Reglamento Técnico, esta resolución deroga las disposiciones que le sean contrarias.
ARTÍCULO 19. TRANSITORIO. <Resolución derogada por el artículo 2 de la Resolución 939 de 2018> <Artículo adicionado por el artículo 6 de la Resolución 2501 de 2006. El nuevo texto es el siguiente:> El presente Reglamento Técnico no aplicará a los productos nacionales o importados, que antes de su entrada en vigencia, hayan sido facturados y despachados por el productor al importador o primer distribuidor en Colombia.
Publíquese y cúmplase.
Dada en Bogotá, D. C., a 25 de abril de 2006.
El Ministro de la Protección Social,
DIEGO PALACIO BETANCOURT.
El Ministro de Comercio, Industria y Turismo,
JORGE H. BOTERO.
NORMA TECNICA NTC
COLOMBIANA 2183
2005-04-27.
SEGURIDAD DE ARTEFACTOS ELECTRODOMESTICOS
Y ARTEFACTOS ELECTRICOS SIMILARES.
PARTE 1. REQUISITOS GENERALES
E: HOUSEHOLD AND SIMILAR ELECTRICAL. SAFETY. GENERAL REQUIREMENTS
CORRESPONDENCIA: Esta norma es modificada (MOD) con respecto a su documento de referencia la norma IEC 60335-1
DESCRIPTORES: electrodomésticos - seguridad; aparatos eléctricos - seguri-dad.
I.C.S.: 97.030.00
Editada por el Instituto Colombiano de Normas Técnicas y Certificación (ICONTEC) Apartado 14237 Bogotá, D.C. - Tel. 6078888 - Fax 2221435
Prohibida su reproducción Quinta actualización
Editada 2005-05-06
NORMA TECNICA COLOMBIANA
NTC 2183 (Quinta actualización, 2005-04-27)
PROLOGO
El Instituto Colombiano de Normas Técnicas y Certificación, ICONTEC, es el organismo nacional de normalización, según el Decreto 2269 de 1993.
El ICONTEC es una entidad de carácter privado, sin ánimo de lucro, cuya Misión es fundamental para brindar soporte y desarrollo al productor y protección al consumidor. Colabora con el sector gubernamental y apoya al sector privado del país, para lograr ventajas competitivas en los mercados interno y externo.
La representación de todos los sectores involucrados en el proceso de Normalización Técnica está garantizada por los Comités Técnicos y el período de Consulta Pública, este último caracterizado por la participación del público en general.
La NTC 2183 (Quinta actualización) fue ratificada por el Consejo Directivo del 2005-04-27.
Esta norma está sujeta a ser actualizada permanentemente con el objeto de que responda en todo momento a las necesidades y exigencias actuales.
A continuación se relacionan las empresas que colaboraron en el estudio de esta norma a través de su participación en el Comité Técnico 138 Electrodomésticos.
ANDI CEDSA CENTELSA CHALLENGER CONDUBLEX ELECTROLUX GROUPE SEB COLOMBIA INCELT INDUSEL INDUSTRIAS CIMSA | INDUSTRIAS HACEB MABE COLOMBIA MINISTERIO DE COMERCIO, INDUSTRIA Y TURISMO MINISTERIO DE MINAS Y ENERGIA PROCABLES SAMSUNG UNIDAD DE PLANEACION MINERO ENERGETICA, UPME WHIRLPOOL |
Además de las anteriores, en Consulta Pública el Proyecto se puso a consideración de las siguientes empresas:
CONFEDERACION COLOMBIANA DE CONSUMIDORES CORPORACION UNIVERSITARIA DE LA COSTA CORPORACION UNIVERSITARIA TECNOLOGICA DE BOLIVAR DAEWOO ELECTRONICS DISEÑOS, MONTAJES ELECTRICOS, COMUNICACIONES DISTRIBUIDORA ANDINA LTDA. UNIVERSIDAD DEL NORTE UNIVERSIDAD NACIONAL UNIVERSIDAD PEDAGOGICA Y TECNOLOGICA DE COLOMBIA | ESCUELA COLOMBIANA DE INGENIERIA JULIO GARAVITO INDUSTRIAS PHILIPS DE COLOMBIA S.A. LG ELECTRONICS SUPERINTENDENCIA DE INDUSTRIA Y COMERCIO UNIVERSIDAD COOPERATIVA DE COLOMBIA UNIVERSIDAD DE ANTIOQUIA UNIVERSIDAD DE LA SALLE UNIVERSIDAD DE LOS ANDES UNIVERSIDAD PONTIFICIA BOLIVARIANA UNIVERSIDAD TECNOLOGICA DE PEREIRA |
El ICONTEC cuenta con un Centro de Información que pone a disposición de los interesados normas internacionales, regionales y nacionales.
DIRECCION DE NORMALIZACION
CONTENIDO
INTRODUCCION
1. OBJETO
2. REFERENCIAS NORMATIVAS
3. DEFINICIONES
4. REQUISITOS GENERALES
5. CONDICIONES GENERALES PARA LOS ENSAYOS
6. CLASIFICACION
7. ROTULADO E INSTRUCCIONES
8. PROTECCION CONTRA ACCESO A PARTES ACTIVAS
9. ARRANQUE DE LOS ARTEFACTOS A MOTOR
10. POTENCIA DE ENTRADA Y CORRIENTE
11. CALENTAMIENTO
12. SIN INFORMACION
13. CORRIENTE DE FUGA Y RIGIDEZ DIELECTRICA A LA TEMPERATURA DE OPERACION
14. SOBRETENSIONES TRANSITORIAS
15. RESISTENCIA A LA HUMEDAD
16. CORRIENTE DE FUGA Y RIGIDEZ DIELECTRICA
17. PROTECCION CONTRA SOBRECARGA DE LOS TRANSFORMADORES Y CIRCUITOS ASOCIADOS
18. DURACION
19. OPERACION ANORMAL
21. RESISTENCIA MECANICA
22. CONSTRUCCION
23. CABLEADO INTERNO
24. COMPONENTES
25. CONEXIóN A LA RED DE ALIMENTACIóN Y CORDONES FLEXIBLES EXTERNOS
26. TERMINALES PARA CONDUCTORES EXTERNOS
27. DISPOSICIONES PARA CONEXION A TIERRA
28. TORNILLOS Y CONEXIONES
29. DISTANCIAS DE AISLAMIENTO, DISTANCIAS DE FUGA Y AISLAMIENTO SOLIDO
30. RESISTENCIA AL CALOR Y AL FUEGO
31. RESISTENCIA A LA OXIDACION
32. RAD IACIóN, TOXICIDAD Y RIESGOS SIMILARES
ANEXO A (Informativo) ENSAYOS DE RUTINA
ANEXO B (Normativo) ARTEFACTOS ALIMENTADOS POR BATERIAS RECARGABLES
ANEXO C (Normativo) ENSAYO DE ENVEJECIMIENTO DE LOS MOTORES
ANEXO D (Normativo) PROTECTORES TERMICOS PARA MOTORES
ANEXO E (Normativo) ENSAYO DE LLAMA
ANEXO F (Normativo) CONDENSADORES
ANEXO G (Normativo) TRANSFORMADORES DE AISLAMIENTO DE SEGURIDAD
ANEXO H (Normativo) INTERRUPTORES
ANEXO I (Normativo) MOTORES CON AISLAMIENTO BASICO QUE ES INADECUADO PARA LA TENSION NOMINAL DEL ARTEFACTO
ANEXO J (Normativo) TARJETAS DE CIRCUITO IMPRESAS RECUBIERTAS
ANEXO K (Normativo) CATEGORIAS DE SOBRETENSIONES
ANEXO L (Normativo) GUIA PARA LA MEDICION DE DISTANCIAS DE AISLAMIENTO Y DISTANCIAS DE FUGA
ANEXO M (Normativo) GRADO DE CONTAMINACION
ANEXO N (Normativo) ENSAYO DE RESISTENCIA A LA FORMACION DE CAMINOS CONDUCTORES
ANEXO O (Informativo) SELECCION Y SECUENCIA DE LOS ENSAYOS DEL NUMERAL 30
ANEXO P (Informativo) GUIA PARA LA APLICACION DE ESTA NORMA EN ARTEFACTOS USADOS EN CLIMA CALIDO Y HUMEDAD CONSTANTE
ANEXO Q (Informativo) SECUENCIA DE ENSAYOS PARA LA EVALUACION DE CIRCUITOS ELECTRONICOS
ANEXO R (Normativo) EVALUACION DEL SOFTWARE
ANEXO S (Normativo) CIRCUITO PARA MEDIR LAS CORRIENTES DE FUGA
ANEXO T (Normativo) TENSION DE ENSAYO DE IMPULSO
BIBLIOGRAFIA
INDICE DE LOS TERMINOS DEFINIDOS
DOCUMENTO DE REFERENCIA
SEGURIDAD DE ARTEFACTOS ELECTRODOMESTICOS Y ARTEFACTOS ELECTRICOS SIMILARES.
PARTE 1. REQUISITOS GENERALES
0. INTRODUCCION
La NTC 2183 (Parte 1) se debe usar conjuntamente con las Partes 2 apropiadas, que contiene numerales para complementar o modificar los numerales correspondientes de la NTC 2183 (Parte 1) ó para presentar los requisitos pertinentes para cada tipo de producto.
Es probable que cada país desee considerar su aplicación, en cuanto sea razonable, para aparatos no mencionados en la Parte 2, y a aparatos diseñados con principios nuevos.
Si las funciones de un aparato se tratan en diferentes Partes 2 (lEC 335), la Parte 2 pertinente se aplica a cada función separadamente, en cuanto sea razonable. Si es aplicable, la influencia de una función sobre otra, esta se debe tener en cuenta.
En el Anexo A se dan referencias normativas de otras normas ISO e IEC y NTC
Todos los anexos son normativos, excepto el H.
Las diferencias existentes entre algunos países se dan en el Anexo T
1. Objeto
Esta norma se aplica a la seguridad de los aparatos eléctricos para uso doméstico y propósitos similares, cuya tensión nominal no sea mayor de 250 V para aparatos monofásicos y 480 V, para otros aparatos.
Los aparatos pueden incorporar motores, elementos de calefacción, o una combinación de ellos.
Instrumentos musicales electrónicos; accesorios electrónicos como generadores de ritmo, generadores autónomos de tono, sintonizadores de música y aparatos similares para uso con instrumentos musicales, sean electrónicos o no.
Dentro del alcance de esta norma están los aparatos no destinados a uso normal, pero que pueden ser fuente de peligro para el público, tales como los que están previstos para ser utilizados por personal no especializado, en tiendas, industria eléctrica y fincas.
Nota 1. Ejemplos de tales aplicaciones son equipos de suministro de alimentos, de limpieza para uso industrial y comercial y aparatos para salones de belleza.
Hasta donde es posible, esta norma trata sobre los riesgos comunes que las personas encuentran en los aparatos domésticos. Sin embargo, esta norma, en general, no toma en cuenta:
El uso de aparatos por parte de niños o personas discapacitadas, sin supervisión.
El uso que los niños hagan con los aparatos para jugar.
Notas:
2. Se hace notar que:
Para aparatos previstos para uso en vehículos o a bordo de barcos o aeronaves, pueden ser necesarios requisitos especiales.
Pueden exist ir requisitos especiales, establecidos por las autoridades nacionales de salud, las autoridades nacionales responsables de la protección laboral, las autoridades responsables del suministro de agua y otras autoridades similares.
3. Esta norma no se aplica a:
Aparatos diseñados exclusivamente para propósitos industriales.
Aparatos previstos para ser usados en sitios donde prevalezcan condiciones especiales, tales como la presencia de atmósferas corrosivas o explosivas (polvo, vapor o gas).
Receptores de radio y televisión, equipos de sonido y equipos similares (véase la norma IEC 65).
Aparatos para equipos médicos (véase la norma IEC 601).
Herramientas eléctricas a motor, operadas manualmente (véase la norma IEC 745).
Computadores personales y equipos similares (véase la norma IEC 950).
Herramientas eléctricas transportables a motor (véase la norma IEC 1029).
2. Definiciones
Para los propósitos de esta norma, se aplican las siguientes definiciones:
2.1 Cuando se usan los términos tensión y corriente, estos implican valor eficaz, a menos que se especifique algo diferente.
2.2 Eléctricas
2.2.1 Tensión nominal: valor eficaz de tensión con el cual se designa un sistema o equipo y a la cual se refieren determinadas características de operación.
Nota. Para aparatos trifásicos, es la tensión entre fases.
2.2.2 Intervalo de tensión nominal: intervalo de tensión que el fabricante asigna al aparato, expresado por sus límites inferior y superior.
2.2.3 Tensión de servicio: tensión máxima a la cual se somete la parte en cuestión, cuando el aparato está funcionando a su tensión nominal bajo condiciones normales de operación.
Nota. Cuando se deduce la tensión de servicio, se ignora el efecto de las tensiones transitorias.
2.2.4 Potencia nominal de entrada: potencia de entrada que el fabricante asigna al aparato.
2.2.5 Intervalo de potencia nominal de entrada: intervalo de potencia de entrada que el fabricante asigna al aparato, expresada por sus límites superior e inferior.
2.2.6 Corriente nominal: corriente que el fabricante asigna al aparato.
Nota. Si no hay una corriente asignada al aparato, la corriente nominal será:
Para aparatos de calefacción, la corriente calculada a partir de la potencia nominal de entrada y la tensión nominal.
Para aparatos a motor, la corriente medida cuando el aparato está funcionando bajo condiciones normales, a la tensión nominal.
Para aparatos combinados, la corriente medida cuando están funcionando bajo condiciones normales, a la tensión nominal suministrada.
2.2.7 Frecuencia nominal: frecuencia que el fabricante asigna al aparato.
2.2.8 Intervalo de frecuencia nominal: intervalo de frecuencia que el fabricante asigna al aparato, expresado por sus límites superior e inferior.
2.2.9 Funcionamiento normal: condiciones bajo las cuales funciona el aparato en servicio normal cuando está conectado a la red de alimentación.
2.3 Cables
2.3.1 Cable no fijo: cable flexible o cuerda, para alimentación u otros propósitos diseñado para ser conectado al aparato mediante un acople adecuado.
2.3.2 Cable de interconexión: cable externo, flexible, previsto como parte de un aparato completo para propósitos distintos de la conexión a la red de alimentación.
Nota. Ejemplos de cables de interconexión son, un dispositivo conmutador manual remoto, una interconexión interna entre dos partes de un aparato y un cable que conecta un accesorio al aparato o a un circuito de señalización.
2.3.3 Cable de alimentación: conjunto de conductores flexibles, para propósito de alimentación, fijo a, o ensamblado con el aparato de acuerdo con uno de los siguientes métodos:
2.3.4 Fijación tipo X: método de fijación del cable de alimentación que se puede reemplazar fácilmente sin la ayuda de herramientas especiales.
Notas:
1. El cable de alimentación puede prepararse especialmente y estar disponible sólo con el fabricante o su agente de servicio.
2. Un cable preparado especialmente puede considerarse como una parte del aparato.
2.3.5 Fijación tipo Y: Método de fijación del cable de alimentación, tal que cualquier reemplazo debe estar previsto por el fabricante, su agente de servicio u otra persona calificada.
Nota. La fijación tipo Y se puede usar con un cable flexible común o con uno especial.
2.3.6 Fijación tipo Z: Método de fijación del cable de alimentación, tal que este no se puede reemplazar sin romper o destruir el aparato.
2.3.7 Conductores de alimentación: Conjunto de conductores previstos para conectar el aparato a una conexión fija, acomodados en un compartimiento dentro del aparato o asegurado a este.
2.4 Aislamiento
2.4.1 Aislamiento básico: Aislamiento aplicado a las partes activas para proporcionarles protección básica contra choque eléctrico.
Nota. El aislamiento básico no incluye necesariamente el aislamiento usado exclusivamente para propósitos funcionales.
2.4.2 Aislamiento suplementario: Aislamiento independiente que se aplica además del básico, para proteger contra choque eléctrico en el evento de una falla en el aislamiento básico.
2.4.3 Aislamiento doble: Sistema de aislamiento que comprende tanto el aislamiento básico, como el suplementario.
2.4.4 Aislamiento reforzado: Aislamiento único que se aplica a las partes activas, que proporciona un grado de protección contra choque eléctrico, equivalente al aislamiento doble bajo las condiciones especificadas en esta norma.
Nota. No está implícito que el aislamiento sea una pieza homogénea. Puede incluir varias capas que no se pueden ensayar por separado como aislamiento suplementario o básico.
2.4.5 Aparato Clase O: Aparato en el cual el aislamiento básico proporciona la protección contra choque eléctrico; esto implica que no existen medios para conectar las partes conductivas accesibles, si las hay, al conductor de protección en el alambrado fijo de la instalación. En el caso de una falla en el aislamiento básico, la protección es proporcionada por el ambiente.
Nota. Los aparatos Clase 0 pueden tener ya sea un encerramiento de material aislante, el cual puede formar parte total o parcial del aislamiento básico, o bien un encerramiento metálico, que esté aislado de las partes activas por un aislamiento apropiado. Si un aparato con encerramiento de material aislante tiene conexiones para poner a tierra las partes internas, este se considera como una construcción Clase I o de Clase OI.
Los aparatos Clase O pueden tener partes con aislamiento doble o aislamiento reforzado o partes operando a extra-baja te nsión de seguridad.
2.4.6 Aparato Clase OI: Aparato que tiene al menos un aislamiento básico en todas sus partes y dispone de un terminal a tierra, pero con un cable de alimentación sin conductor a tierra y un enchufe sin contacto a tierra.
Nota. Los aparatos Clase OI pueden tener partes con aislamiento doble o aislamiento reforzado o partes que operen a extra-baja tensión de seguridad.
2.4.7 Aparato Clase I: Aparato en el que la protección contra choque eléctrico no es proporcionada por el aislamiento básico únicamente, sino que incluye una medida de protección adicional, en la que las partes activas accesibles están conectadas al conductor de puesta a tierra en el alambrado fijo de la instalación, de tal forma que las partes conductoras accesibles no sean peligrosas en el evento de una falla en el aislamiento básico.
Nota. Los aparatos Clase I pueden tener partes con aislamiento doble o aislamiento reforzado, o partes operando a extra-baja tensión de seguridad.
Para los aparatos usados con cable, esta disposición incluye un conductor de protección como parte del cable.
2.4.8 Aparato Clase II: Aparato en el que la protección contra choque eléctrico no es proporcionada sólo por el aislamiento básico, sino que dispone de unas medidas adicionales de protección, como aislamiento doble o reforzado. No contiene protección a tierra ni depende de las condiciones de instalación.
Notas:
1. Tales aparatos pueden ser de uno de los siguientes tipos:
a) Un aparato que tenga un encerramiento durable o sustancialmente continuo de material aislante, que protege todas las partes metálicas, excepto las pequeñas, como placas, tornillos y remaches, que están aisladas de las partes activas mediante un aislamiento al menos equivalente al reforzado; tales aparatos se denominan de cubierta aislante Clase II;
b) Un aparato que tenga un encerramiento metálico sustancialmente continuo, en el cual se utiliza completamente aislamiento doble o reforzado; tales aparatos se denominan de cubierta metálica Clase II;
c) Un aparato que sea una combinación de los tipos a) y b).
2. El encerramiento de un aparato Clase II con cubierta aislante puede formar parte total y parcial del aislamiento suplementario o del reforzado.
3. Si un aparato con aislamiento doble o reforzado totalmente, dispone de un terminal a tierra, se considera de Clase I o OI.
2.4.9 Construcción Clase II: Parte de un aparato para la cual la protección contra choque eléctrico es proporcionada por el aislamiento doble o reforzado.
2.4.10 Aparato Clase III: Aparato en el cual la protección contra choque eléctrico es proporcionada a tensión extra baja y en el que no se generan tensiones más altas que aquélla.
Nota. Los aparatos previstos para funcionar a tensión extra baja y que tienen circuitos internos que funcionan a una tensión distinta de aquélla, no están incluidos en la clasificación y están sometidos a requisitos adicionales.
2.4.11 Construcción Clase III: Parte de un aparato para la cual la protección contra choque eléctrico es proporcionada por tensión extra baja de seguridad y en la cual no se generan tensiones más altas que aquélla.
2.4.12 Distancia de fuga: Vía más corta entre dos partes activas o entre una parte activa y la superficie accesible del aparato, medida a lo largo de la superficie del material aislante.
2.4.13 Distancia en el aire: Distancia más corta entre dos partes activas o entre una parte activa y la superficie accesible del aparato, medida a través del aire.
2.5 Tensión
2.5.1 Extra baja tensión: Tensión suministrada por una fuente interna del aparato, que no excede los 50 V entre conductores O entre estos y tierra cuando el aparato está funcionando a la tensión nominal o en el caso de alimentación trifásica, no excede los 24 V entre conductores y neutro, estando separados el circuito de extra baja tensión y las demás mediante aislamiento básico solamente con el aparato funcionando a tensión nominal.
2.5.2 Tensión extra baja de seguridad: Tensión no superior a 42 V entre conductores y entre estos y tierra, la tensión sin carga no es superior a 50 V.
Cuando la tensión extra baja de seguridad se obtiene de la red de alimentación, debe ser a través de un transformador de seguridad o un convertidor con bobinas separadas, cuyo aislamiento cumpla los requisitos de doble aislamiento o aislamiento reforzado.
Nota. Los límites de tensión que se especifican se basan en el supuesto de que el transformador de seguridad se entrega a la tensión nominal.
2.5.3 Transformador de seguridad: Transformador cuyo bobinado de entrada está eléctricamente separado del de salida, mediante un aislamiento al menos equivalente al doble o reforzado, y que está diseñado para alimentar un aparato o circuito a tensión extra baja de seguridad.
2.6 Tipos de aparatos y operación
2.6.1 Aparato portátil: Un aparato previsto para ser movido mientras está funcionando, o un aparato que no sea fijo, que tiene una masa inferior a 18 kg.
2.6.2 Aparato manual: Aparato portátil previsto para ser sostenido en la mano durante su uso normal y en el que el motor, si lo hay, forma parte integral del aparato.
2.6.3 Aparato estático: Puede ser un aparato fijo o no portátil.
2.6.4 Aparato fijo: Aparato previsto para ser usado mientras esté asegurado a un soporte o sujeto de otra forma en una situación específica.
Nota. Los adhesivos no se reconocen como medio para sujetar un aparato fijo a un soporte.
2.6.5 Aparato empotrado: Aparato fijo previsto para ser instalado en una caja, en una cavidad de una pared o ubicación similar.
2.7 Partes
2.7.1 Parte no desmontable: Parte que sólo se puede retirar o abrir con ayuda de una herramienta, o parte que cumple satisfactoriamente el ensayo indicado en el numeral 22.11.
2.7.2 Parte desmontable: Parte que se puede retirar sin ayuda de una herramienta, parte que se retira de acuerdo con las instrucciones de uso, aún si se necesita una herramienta para retirarla, o parte que no cumple los requisitos del ensayo indicado en el numeral 22.11.
Notas:
1. Si es preciso retirar una parte con propósitos de instalación, esta parte no se debe considerar desmontable, aún si las instrucciones especifican que se debe retirar.
2. Los componentes que se pueden retirar sin ayuda de una herramienta se consideran partes desmontables.
3. Una parte que se puede abrir se considera como una parte que se puede desmontar.
2.7.3 Herramienta: Destornillador, moneda u otro objeto que se pueda usar para maniobrar un tornillo o medio de fijación similar.
2.8 Dispositivos de control
2.8.1 Termostato: Dispositivo sensor de la temperatura, cuya temperatura de servicio se puede fijar o ajustar y que durante su funcionamiento mantiene la temperatura de la parte controlada entre ciertos límites, abriendo y cerrando automáticamente un circuito eléctrico.
2.8.2 Limitador de temperatura: Dispositivo sensor de la temperatura, cuya temperatura de servicio se puede fijar o ajustar y que durante su funcionamiento normal abre o cierra un circuito cuando la temperatura de la parte controlada alcanza un valor predeterminado.
Nota. Este dispositivo no hace la operación inversa durante el ciclo normal de servicio del aparato. Puede requerir o no reposición manual.
2.8.3 Interruptor térmico: Dispositivo que durante su funcionamiento anormal limita la temperatura de la parte controlada, abriendo el circuito automáticamente, o reduciendo la corriente, y que está construido de forma que no puede ser desajustado por el usuario.
2.8.4 Interruptor térmico de reposición automática: interruptor térmico que restablece automáticamente la corriente, después que la parte correspondiente del aparato se ha enfriado lo suficiente.
2.8.5 Interruptor térmico de reposición manual: Interruptor térmico que requiere una operación manual para reponer o reemplazar una parte, con el fin de restablecer la corriente.
Nota. Quién efectúe la operación manual debe realizar la desconexión de la red de alimentación.
2.8.6 Dispositivo de protección: Dispositivo cuyo funcionamiento evita situaciones peligrosas bajo condiciones anormales de operación.
2.8.7 Protector térmico: Interruptor térmico que funciona sólo una vez y luego requiere reemplazo total o parcial.
2.9.1 Desconexión total: Para aparatos monofásicos, es la desconexión de ambos conductores de la red de alimentación, mediante una sola acción de desconexión o, para aparatos trifásicos, la desconexión de todos los conductores, excepto el de puesta a tierra, mediante una sola acción de desconexión.
Nota. El conductor de puesta a tierra no se considera conductor de alimentación.
2.9.2 Posición apagado: Posición estable de un interruptor, en la cual el circuito que este controla, se desconecta de su red de alimentación.
Nota. La posición apagado (off) no implica desconexión total.
2.9.3 Parte accesible: Parte o superficie que se puede tocar con el dedo de ensayo que se ilustra en la Figura 1, incluyendo cualquier parte conductora conectada a las partes metálicas accesibles.
2.9.4 Parte activa: Cualquier conductor o parte conductiva prevista para ser energizada en servicio normal, incluyendo un conductor neutro pero, por convención, no un conductor PEN.
Notas:
1. Las partes, accesibles o no, que cumplan con lo indicado en el numeral 8.1.4, no se consideran activas.
2. Un conductor PEN es un conductor neutro puesto a tierra, que combina las funciones tanto del conductor de protección como del neutro.
2.9.5 Elemento radiante de calentamiento: Elemento de calentamiento que es parcial o totalmente visible desde el exterior del aparato y tiene una temperatura de al menos 650 oC, cuando el aparato se ha utilizado bajo condiciones normales a la potencia nominal de entrada, hasta que se hayan alcanzado condiciones estables.
2.9.6 Aparato de calentamiento: Aparato que incorpora elementos de calentamiento, pero sin motor.
2.9.7 Aparato a motor: Aparato que incorpora motores, pero sin elemento de calentamiento.
Nota. Los aparatos magnéticos se consideran como aparatos a motor.
2.9.8 Aparato combinado: Aparato que incorpora elementos de calentamiento y motores.
2.9.9 Mantenimiento para el usuario: Cualquier operación de mant enimiento indicada en las instrucciones de uso o marcada en el aparato, prevista por el fabricante para que el usuario la realice.
2.10.1 Componente electrónico: Parte en que la conducción se logra principalmente por electrones que se mueven en el vacío, en un gas o en un semiconductor.
Nota. Los indicadores de neón no se consideran componentes electrónicos.
2.10.2 Circuito electrónico: Circuito que incorpora al menos un componente electrónico.
2.10.3 Impedancia de protección: Impedancia conectada entre partes activas y partes conductivas accesibles de construcciones Clase II, tales que la corriente, en servicio normal y bajo condiciones similares a las de falla en el aparato, se limitan a un valor seguro.
2.10.4 Elemento de calentamiento CTP: Elemento previsto para calentamiento, que consta principalmente de resistencias con un coeficiente de temperatura positivo, térmicamente sensible y que tienen un rápido aumento no lineal en la resistencia cuando la temperatura se eleva dentro de un intervalo particular (no es protector térmico).
3. Requisitos generales
Los aparatos se deben construir de forma que en servicio normal funcionen de manera segura, para no causar peligro a las personas o al ambiente circundante, aun en el evento de que se utilicen descuidadamente.
En general, este principio se logra cumpliendo los requisitos pertinentes que se especifican en esta norma y la conformidad se verifica realizando los ensayos correspondientes.
Notas:
1. Un producto que cumple lo indicado en esta norma, puede no cumplir necesariamente los principios de seguridad que ella establece si, cuando se examina y ensaya, se encuentra que tiene otras características que comprometen el nivel de seguridad que cubren estos requisitos.
2. Un producto en el que se emplean materiales o que tiene formas de construcción diferentes de las que se indican en esta norma, se puede examinar y ensayar de acuerdo con los requisitos y, si se encuentra que es sustancialmente equivalente, se puede considerar que satisface los requisitos que establece esta norma.
3. Esta norma reconoce el nivel de protección que se acepta internacionalmente, contra riesgos como los eléctricos, mecánicos, térmicos, de fuego y radiación, de los aparatos eléctricos y similares, cuando se hacen funcionar como en servicio normal, tomando en cuenta las instrucciones del fabricante; también cubre situaciones anormales que se puedan encontrar en la práctica.
4. Condiciones generales para los ensayos
A menos que se especifique algo diferente, los ensayos se llevan a cabo de acuerdo con lo especificado en este numeral.
4.1 Los ensayos realizados de acuerdo con lo indicado en esta norma son ensayos tipo.
4.2 Los ensayos se realizan en un solo aparato el cual debe soportar todos los ensayos pertinentes. Sin embargo, los ensayos que se indican en los numerales 20, 22 (excepto 22.11 y 22.18) a 26, 28, 30 y 31 se pueden realizar en aparatos separados.
Notas:
1. Se pueden requerir muestras adicionales, por ejemplo si el aparato puede tener diferentes tensiones.
Si es preciso realizar el ensayo indicado en el Anexo C se necesitan 6 muestras del motor.
El ensayo de los componentes puede requerir muestras adicionales de estos componentes.
Si se llevan a cabo los ensayos indicados en el numeral 24.1.3, se necesitan tres interruptores o tres aparatos adicionales.
Si una parte debilitada intencionalmente entra en cortocircuito durante los ensayos indicados en el numeral 19, se necesita un aparato adicional.
Si se llevan a cabo los ensayos indicados en el Anexo R, se necesitan cuatro transformadores adicionales.
2. Se debe evitar el esfuerzo acumulativo que resulta de realizar ensayos sucesivos en los circuitos electrónicos. Puede ser necesario reemplazar componentes o usar muestras adicionales. El número de estas se debe mantener reducido al mínimo mediante evaluación de los circuitos electrónicos relevantes.
3. Si es necesario desmontar un aparato para realizar un ensayo, se debe tener cuidado de garantizar que se reensamble en su posición original. En caso de duda, se pueden realizar ensayos posteriores en una muestra aparte.
4.3 Los ensayos se realizan en el orden de los numerales de esta norma. Sin embargo, el ensayo que se especifica en el numeral 22.11 sobre el aparato a temperatura ambiente, se realiza antes del indicado en el numeral 8.
Si es evidente al ver el diseño del aparato, que no es aplicable un ensayo particular, este no se debe realizar.
4.4 Cuando se ensayen aparatos que también sean alimentados por otras fuentes de energía, como gas, se debe tomar en cuenta la influencia de su consumo.
4.5 Los ensayos se realizan estando el aparato o cualquier parte desmontable, colocados en la posición más desfavorable que pueda presentarse en el uso normal del aparato.
4.6 Los aparatos provistos de controles o interruptores, se ensayan con estos dispositivos conectados en la forma más desfavorable, si la instalación puede ser alterada por el usuario.
Notas:
1. Si el medio de ajuste del control es accesible sin ayuda de una herramienta, este numeral se aplica si la instalación puede ser alterada manualmente o con ayuda de una herramienta; si no está previsto que el usuario altere la instalación, este numeral no se aplica.
2. Se considera que un sello adecuado previene la alteración de la instalación por parte del usuario.
4.7 Los ensayos se deben realizar en un s itio libre de corrientes de aire y, en general a una temperatura ambiente de 20 oC ± 5 oC.
Si la temperatura que alcanza cualquier parte en ensayo está limitada por un dispositivo sensor de temperatura, o es influenciada por la temperatura a la cual ocurre un cambio de estado, por ejemplo cuando el agua hierve, la temperatura ambiente se debe mantener a 23 oC ± 2 oC en caso de duda.
4.8 Condiciones eléctricas de ensayo
4.8.1 Los aparatos para c.a. se ensayan con c.a. a frecuencia nominal, si está indicada, y los de c.a./c.d. se ensayan con la alimentación más desfavorable.
Los aparatos para c.a. que no tienen marcada la frecuencia nominal, o que tienen marcada una entre 50 Hz y 60 Hz, se ensayan a cualquiera de ellas, la que sea más desfavorable.
4.8.2 Los aparatos diseñados para más de una tensión nominal, se ensayan con base en la más desfavorable.
Para aparatos a motor y combinados que tengan especificado un intervalo de tensión nominal, cuando esté especificado que la tensión de alimentación sea igual a la nominal multiplicada por un factor, la tensión de alimentación es igual a:
El límite superior del intervalo de tensión nominal multiplicado por este factor, si es mayor que 1.
El límite inferior del intervalo de tensión nominal multiplicado por este factor, si es menor que 1.
Cuando no esté especificado un factor, la tensión de alimentación será la más desfavorable dentro del intervalo de tensión nominal.
Notas:
1. Si un aparato de calefacción está diseñado para un intervalo de tensión nominal, el límite superior del intervalo será la tensión más desfavorable dentro de dicho intervalo.
2. Para aparatos combinados y a motor y para los que están diseñados para más de un intervalo de tensión nominal, puede ser necesario hacer algunos ensayos a los valores mínimos, promedio y máximos de la tensión nominal o del intervalo de tensión nominal, con el fin de establecer la tensión más desfavorable.
4.8.3 Para aparatos de calefacción y combinados, rotulados con un intervalo de potencia nominal de entrada, cuando esté especificado que esa potencia sea igual a la nominal, multiplicada por un factor, la potencia de entrada será igual a:
El límite superior del intervalo de potencia nominal multiplicado por este factor, si es mayor que 1.
El límite inferior del intervalo de potencia nomi nal multiplicado por este factor, si es menor que 1.
Cuando no esté especificado un factor, la potencia de entrada será la más desfavorable dentro del intervalo de potencia de entrada.
4.8.4 Para aparatos rotulados con un intervalo de tensión nominal y una tensión nominal de entrada correspondiente al promedio del intervalo de tensión nominal, cuando esté especificado que la potencia de entrada sea igual a la nominal multiplicada por un factor, la potencia de entrada será igual a:
La potencia de entrada calculada, correspondiente al límite superior del intervalo de tensión nominal multiplicado por este factor, si es mayor que 1.
La potencia de entrada calculada, correspondiente al límite inferior del intervalo de tensión nominal multiplicado por este factor, si es menor que 1.
Cuando no esté especificado un factor, la potencia de entrada corresponderá a la potencia de entrada a la tensión más desfavorable dentro del intervalo de tensión nominal.
4.9 Cuando el fabricante suministra elementos o accesorios alternativos de calefacción, el aparato se ensaya con los elementos o accesorios que den los resultados más desfavorables.
4.10 Los ensayos se realizan en el aparato tal como lo entrega el fabricante. Sin embargo, un producto diseñado como un aparato único, pero que se entregue como varias unidades, se ensaya después de ensamblado según las instrucciones del fabricante.
Los aparatos empotrados y los fijos se instalan de acuerdo con las instrucciones del fabricante antes del ensayo.
4.11 Los aparatos previstos para ser alimentados mediante un cable flexible, se ensayan con el cable apropiado conectado al aparato.
4.12 Para aparatos combinados y de calefacción, cuando esté especificado que el aparato funcione a una potencia de entrada multiplicada por un factor, esto se aplica sólo a los elementos de calefacción que no tengan un coeficiente apreciable de resistencia por temperatura positiva.
Para otros elementos de calefacción, distintos de los elementos CTP, la tensión de alimentación se determina suministrando la tensión nominal hasta que el elemento de calefacción alcance su temperatura de operación. La tensión de alimentación se eleva rápidamente al valor necesario para dar la potencia de entrada requerida para el ensayo pertinente, y este valor de tensión nominal se mantiene durante todo el ensayo.
Nota. En general, el coeficiente de temperatura se considera apreciable si, a la tensión nominal, la potencia de entrada del aparato cuando está frío, difiere más de 25% de la potencia de entrada a la temperatura de servicio.
4.13 Los ensayos para aparatos con elementos de calefacción CTP, se realizan a una tensi ón correspondiente a la potencia de entrada especificada. Cuando esté especificada una potencia de entrada mayor que la nominal, el factor para multiplicar la tensión es igual a la raíz cuadrada del factor para multiplicar la potencia de entrada.
4.14 Si los aparatos Clase OI o I tienen partes metálicas accesibles que no estén puestas a tierra y no separadas de las partes activas por una parte metálica intermedia que esté puesta a tierra, tales partes se revisan para verificar su conformidad con los requisitos apropiados especificados para la construcción Clase II.
Si los aparatos Clase OI o Clase I tienen partes no metálicas accesibles, tales partes se deben revisar para verificar su conformidad con los requisitos apropiados especificados para la construcción Clase II, a menos que estas partes estén separadas de las activas mediante una parte metálica puesta a tierra.
4.15 Si los aparatos tienen partes que funcionan a tensión extra baja de seguridad, tales partes se revisan para verificar su conformidad con los requisitos apropiados especificados para la construcción Clase III.
4.16 Cuando se ensayan circuitos electrónicos, la alimentación debe estar libre de alteraciones provenientes de fuentes externas que puedan influir en los resultados de los ensayos.
4.17 Artefactos alimentados por baterías recargables son ensayados de acuerdo con el Anexo B.
5. Tensión nominal
La tensión nominal debe estar acorde con lo especificado en la NTC 1340.
6. Clasificación
6.1 Los aparatos deben pertenecer a una de las siguientes clases con respecto a la protección contra choque eléctrico:
Clase O, Clase OI, Clase I, Clase II, Clase III.
La conformidad se verifica mediante inspección y por los ensayos relevantes.
6.2 Los aparatos deben tener el grado apropiado de protección contra el ingreso nocivo de agua.
La conformidad se verifica mediante inspección y por los ensayos relevantes.
Nota. Los grados de protección contra ingreso nocivo de agua se dan en la NTC 3279 (IEC 529).
7. Rotulado e instrucciones
7.1 Los aparatos deben rotularse con:
La tensión no minal o el intervalo de tensión nominal, en voltios.
Un símbolo para la naturaleza de la alimentación, a menos que esté marcada la frecuencia nominal.
La potencia nominal de entrada en vatios o kilovatios, o la corriente nominal en amperios.
El nombre, marca registrada o identificación del fabricante o vendedor responsable.
Referencia del modelo o tipo.
Símbolo para construcción Clase II, sólo para aparatos Clase II.
Número IP de acuerdo con el grado de protección contra entrada de agua, distinto del IPXO.
La conformidad se verifica mediante inspección.
(Véase en el numeral 7.6 para lo relacionado con símbolos).
Notas:
1. No es necesario marcar el primer numeral del IP sobre el aparato.
2. Se permiten marcas adicionales si no producen confusión.
3. Si los componentes están rotulados por separado, el rotulado del aparato y el de los componentes debe ser tal, que no quede duda con respecto al rotulado del aparato mismo.
7.2 Los aparatos estáticos para alimentación múltiple se deben rotular con la siguiente:
Advertencia: Antes de tener acceso a los terminales, todos los circuitos de alimentación se deben desconectar.
Esta advertencia se debe colocar próxima a la cubierta del terminal.
La conformidad se verifica mediante inspección.
7.3 Los aparatos que tengan un intervalo de valores nominales y que puedan accionarse sin ajuste por todo el intervalo, se deben rotular con los límites superior e inferior del intervalo separados por un guión.
Nota. Ejemplo: 120 V - 240 V: el aparato es apto para cualquier valor dentro del intervalo rotulado (un enrollamiento de hierro con un elemento de calefacción CTP).
Los aparatos que tengan diferentes valores nominales y que deban ser ajustados para uso a un valor particular por el usuario o instalador, se deben rotular con los diferentes valores separados por una línea oblicua.
Notas:
2. Ejemplo: 120/240 V: el aparato es apto sólo para los valores marcados (una máquina de afeitar con un selector).
3. Este requisito se aplica también a aparatos que dispongan de medios para conexión a alimentaciones monofásicas y polifásicas.
La conformidad se verifica mediante inspección.
7.4 Si el aparato se puede ajustar para diferentes tensiones nominales, la tensión a la cual se ajuste debe ser claramente identificable.
Nota. Para aparatos en los que no se requiera un cambio frecuente en el ajuste de la tensión, este requisito se considera satisfecho si la tensión nominal a la cual se ajusta el aparato, se puede determinar a partir de un diagrama de conexiones fijo al aparato; este diagrama puede estar en el interior de una cubierta que se debe retirar para conectar los conductores de alimentación. El diagrama no debe estar sobre una etiqueta fijada de forma poco segura al aparato.
La conformidad se verifica mediante inspección.
7.5 Para aparatos rotulados con más de una tensión nominal o con más de un intervalo de tensión nominal, se debe marcar la potencia nominal de entrada para cada una de estas tensiones o intervalos. Sin embargo, si la diferencia entre los límites de un intervalo de tensión nominal no es mayor de 10% del valor promedio, la marca para la potencia nominal de entrada puede corresponder al valor promedio del intervalo.
Los límites superior e inferior de la potencia nominal se deben marcar en el aparato, de forma que la relación entre la potencia y la tensión sea clara.
La conformidad se verifica mediante inspección.
7.6 Cuando se utilizan símbolos, deben ser como se indica a continuación:
| V | Voltios |
| A | Amperios |
| Hz | Hercios |
| W | Vatios |
| F | Faradios |
| L | Litros |
| G | Gramos |
| Pa | Pascales |
| Bar | Bares |
| H | Horas |
| Min | Minutos |
| s | Segundos |
| ______ o.c.d ------ | corriente directa |
| corriente alterna | |
| 2 | corriente alterna con 2 fases |
| 2N | corriente alterna con 2 fases con neutro |
| 3 | corriente alterna trifásica |
| 3N | corriente alterna trifásica con neutro |
| | corriente nominal del fusible correspondiente en amperios |
| | fusible miniatura con función temporizada donde X es el símbolo para la característica corriente tiempo, tal como se indica en la norma IEC 127 |
| | protección a tierra |
| | aparato Clase II |
| IPXX | número IP |
| | símbolo No, 1641 de ISO 7000....lea las instrucciones |
| | símbolo No, 0434 de ISO 7000....precaución |
Si se omite el primer numeral de IP, se debe reemplazar por la letra X, por ejemplo, IPX3.
El símbolo para la naturaleza de la alimentación se debe colocar al lado de la marca de la tensión nominal.
Las dimensiones para el símbolo de aparatos Clase II deben ser tales, que la longitud de los lados del cuadrado exterior sea alrededor de 2 veces la longitud de los lados del cuadrado interno.
El símbolo para aparatos Clase II se debe colocar de forma que sea evidente que es parte de la información técnica y que no se pueda confundir con ninguna otra marca.
Cuando se utilicen otras unidades, estas y sus símbolos deben ser los del sistema internacional normalizado.
La conformidad se verifica mediante inspección.
Notas:
1. Se permiten las unidades y sus múltiplos y submúltiplos.
2. Se permiten símbolos adicionales si no dan lugar a confusiones.
3. Se pueden utilizar los símbolos que se especifican en la norma IEC 417.
4. Se pueden utilizar bares pero sólo junto con pascales y colocados entre paréntesis.
7.7 Los aparatos que se deban conectar a más de 2 conductores de alimentación y aparatos. para alimentación múltiple, deben tener un diagrama de conexión asegurado a ellos, a menos que el modo correcto de conexión sea obvio.
La conformidad se verifica mediante inspección.
Notas:
1. El modo correcto de conexión se considera obvio en los aparatos trifásicos, si los terminales para los conductores de alimentación están indicados por flechas que señalan hacia los terminales. El conductor a tierra no es un conductor de alimentación.
2. Las palabras se consideran un medio aceptable para indicar el modo correcto de conexión.
3. El diagrama de conexión puede ser como el que se indica en el numeral 7.4.
7.8 Excepto por los dispositivos de fijación tipo Z, los terminales que se usan para conexión a la alimentación se deben señalar como se indica a continuación:
Los terminales previstos exclusivamente para el conductor neutro se deben indicar con la letra N
Los terminales de protección a tierra se deben indicar con el símbolo ![]()
Estas indicaciones no se deben colocar sobre tornillos, arandelas removibles u otras partes que se puedan retirar cuando se conectan los conductores.
Para aparatos monofásicos Clase I, destinados a estar conectados permanentemente a una conexión fija, si se inserta un protector unipolar en el conductor dentro del aparato, el terminal correspondiente debe estar indicado con claridad.
7.9 A menos que sea obviamente innecesario, los interruptores que puedan presentar riesgos cuando funcionan, se deben marcar o colocar de forma que sea claro qué parte del aparato controlan.
Las indicaciones que se emplean para este propósito, deben ser comprensibles sin necesidad de un conocimiento de idiomas o normas internacionales.
La conformidad se verifica mediante inspección.
7.10 Las diferentes posiciones de los interruptores en los aparatos estáticos, y las diferentes posiciones de los controles en los aparatos, se deben indicar mediante figuras, letras u otros medios visuales.
Nota. Este requisito también se aplica a interruptores que forman parte de un control.
Si se usan cifras para indicar las diferentes posiciones, la posición apagado (OFF) se debe indicar con la cifra O y la posición para una mayor salida, entrada, velocidad, efecto de enfriamiento, etc., se debe indicar mediante una cifra mayor.
La cifra O no se debe utilizar para ninguna otra indicación, a menos que esté colocada y asociada con otros números, de forma que no dé lugar a confusión con la indicación de la posición apagado (OFF).
La conformidad se verifica mediante inspección.
Nota 2. La cifra O se puede usar, por ejemplo, sobre un teclado de programación digital.
7.11 Los controles destinados a ser ajustados durante la instalación o durante el servicio normal, deben tener una indicación para la dirección del ajuste.
La conformidad se verifica mediante inspección.
Nota. Es suficiente con una indicación de + y -.
7.12 Junto con el aparato se deben suministrar instrucciones de uso, de forma que el aparato se pueda utilizar de manera segura.
La conformidad se verifica mediante inspección.
Nota. Las instrucciones de uso se pueden marcar sobre el aparato si quedan visibles en el servicio normal.
7.12.1 Si es necesario tomar precauciones especiales para la instalación o mantenimiento por parte del usuario, se deben suministrar detalles al respecto.
La conformidad se verifica mediante inspección.
7.12.2 Si un aparato estacionario no dispone de cable de alimentación y enchufe u otro medio de desconexión de la red, con una separación de contactos de al menos 3 mm en todos los polos, las instrucciones deben indicar que tales medios de desconexión se deben incorporar al alambrado fijo de acuerdo con las normas de cableado.
La conformidad se verifica mediante inspección.
7.12.3 Si el aislamiento de los conductores de alimentación de un aparato previsto para estar conectado permanentemente a un cableado fijo, pueden entrar en contacto con partes en las que la temperatura aumente más de 50 K durante el ensayo que se indica en el numeral 11, las instrucciones deben indicar que el aparato se debe conectar mediante conductores que tengan una marcación T adecuada.
La conformidad se verifica mediante inspección y durante el ensayo indicado en el numeral 11.
Nota. Este requisito se hará aplicable cuando exista una norma para cables y conductores para alta temperatura.
7.12.4 Las instrucciones para aparatos empotrados deben incluir información clara respecto a:
Las dimensiones del espacio que se debe dar al aparato.
Las dimensiones y posición del medio de soporte y fijación del aparato dentro de su espacio.
Las distancias mínimas entre las diferentes partes del aparato y las partes del encerramiento próximas a este.
Las dimensiones mínimas de las aberturas de ventilación y su correspondiente disposición.
La conexión del aparato a la red de alimentación y la interconexión de cualquier componente separado.
La necesidad de tener un enchufe disponible después de la instalación, a menos que el aparato disponga de un interruptor que cumpla los requisitos indicados en el numeral 24.3.
La conformidad se verifica mediante inspección.
7.12.5 Las instrucciones deben contener la siguiente información:
Para aparatos con fijación tipo X que tengan un cable separado: Si el cable de alimentación está dañado, se debe reemplazar por uno especial o un ensamble disponible con el fabricante o su agente de ventas.
Para aparatos con fijación tipo Y:
Si el cable de alimentación está dañado, el fabricante o su agente de ventas o una persona igualmente calificada, lo debe reemplazar para evitar riesgos.
Para aparatos con fijación tipo Z:
El cable de alimentación no se puede reemplazar. Si se daña, el aparato se debe rechazar.
La conformidad se verifica mediante inspección.
7.13 Los manuales de instrucciones y otros textos requeridos por esta norma serán escritos en el idioma del país en el que es vendido el aparato.
Donde se usen símbolos serán los indicados en esta norma.
El cumplimiento de los requisitos de los numerales 7.1 a 7.13, se verifica mediante inspección.
7.14 Las marcas que se especifican como requisitos en esta norma deben ser durables y fácilm ente legibles.
La conformidad se verifica mediante inspección y frotando la marca con la mano durante 15 s con un paño humedecido en agua y de nuevo durante 15 s con un paño humedecido con esencia de petróleo.
Después de los ensayos indicados en esta norma, la marca debe ser legible fácilmente, las placas de rotulado no deben poder retirarse y no debe haber curvaturas.
Notas:
1. Al considerar la durabilidad del rotulado, se debe tener en cuenta el efecto del uso normal. Por ejemplo, la marcación con pintura o esmalte que no sea vítreo, sobre contenedores que se deban limpiar con frecuencia, no se considera durable.
2. La esencia de petróleo que se debe utilizar para el ensayo es un hexano con solvente alifático que tenga un contenido máximo de aromáticos de 0,1% por volumen, un valor de kauri-butanol de 29, un punto inicial de ebullición de aproximadamente 65 oC, un punto seco de aproximadamente 69 oC y una masa específica de aproximadamente 0,66 kg/l.
7.15 Las marcas que se especifican en los numerales 7.1 a 7.5 deben estar en una parte principal del aparato.
Las marcas sobre el aparato deben poder identificarse claramente desde el exterior de este, pero si es necesario, después de retirar una cubierta. Para aparatos portátiles, debe ser posible retirar o abrir esta cubierta sin ayuda de una herramienta.
Para aparatos estacionarios, al menos el nombre o marca o identificación del fabricante o vendedor responsable, así como la referencia del modelo o tipo, deben ser visibles cuando se instala el aparato como en el servicio normal. Estas marcas deben estar bajo una cubierta desmontable. Otras marcas pueden estar bajo una cubierta sólo si están cerca de los terminales.
Para aparatos fijos, este requisito se aplica después que el aparato se ha instalado según las instrucciones del fabricante.
Las indicaciones para interruptores y controles se deben colocar sobre o cerca de estos componentes; no deben estar colocadas sobre partes que, al ser colocadas o reubicadas, dañen o alteren la marca.
La conformidad se verifica mediante inspección.
7.16 Si la conformidad con esta norma depende de la operación de un fusible térmico reemplazable, el número de referencia u otro medio de identificación de dicho fusible, se debe marcar en un sitio en el que quede claramente visible cuando el componente se haya desmontado para reemplazarlo.
Nota. La marcación sobre el fusible se permite siempre que quede legible después que el fusible haya funcionado.
Este requisito no se aplica a fusibles que sólo se puedan reemplazar junto con una parte del aparato.
La conformidad se verifica mediante inspección.
8. Protección contra acceso a partes activas
8.1 Los aparatos se deben construir y cubrir de forma que haya una protección adecuada contra contacto accidental con las partes activas.
La conformidad se verifica mediante inspección y mediante los ensayos indicados en los numerales 8. 1.1 a 8.1.3 según sea aplicable, tomando en cuenta los numerales 8.1.4 y 8.1.5.
8.1.1 El requisito anterior se aplica para todas las posiciones del aparato cuando funciona como en servicio normal, aún después de abrir las puertas y tapas y de retirar las partes desmontables.
Nota. Esto excluye el uso de fusibles tipo tornillo e interruptores miniatura de circuito, tipo tornillo, accesibles sin ayuda de una herramienta.
Las lámparas que se colocan detrás de una cubierta desmontable no se deben retirar, si el aparato se puede aislar de la red de alimentación mediante un enchufe o interruptor multipolar. Sin embargo, durante la inserción o remoción de las lámparas ubicadas detrás de la cubierta desmontable, se debe garantizar la protección contra el contacto con partes activas del casquillo de la lámpara.
El dedo de ensayo que se ilustra en la Figura 1 se aplica sin fuerza apreciable, aplicada en todas las posiciones posibles, con la excepción de que los aparatos que se usan normalmente sobre el piso y cuya masa sea mayor de 40 kg no se deben inclinar. A través de las aberturas, el dedo se aplica a cualquier profundidad posible y se hace girar o avanzar, antes, durante y después de la inserción en cualquier posición. Si la abertura no permite la entrada del dedo, la fuerza ejercida sobre este en la posición recta se aumenta a 20 N. Si el dedo entra en la abertura, se repite el ensayo colocándolo en ángulo.
No debe ser posible tocar con el dedo de ensayo partes activas o partes activas que estén protegidas solo con laca, esmalte, papel ordinario, algodón, una película de óxido, o compuestos sellantes, excepto resinas autoendurecidas.
8.1.2 La aguja de ensayo que se ilustra en la Figura 2 se aplica sin fuerza apreciable a través de las aberturas en los aparatos de Clase O, aparatos de Clase II o construcciones de Clase II, excepto para los que dan acceso a un casquillo de lámpara y a partes activas en tomacorrientes.
No debe ser posible tocar las partes activas con la aguja de ensayo.
La aguja de ensayo también se aplica entre las aberturas en las cubiertas metálicas conectadas a tierra que tengan un recubrimiento no conductor tal como esmalte o laca.
Nota. Las salidas de los aparatos no se consideran salidas de tomacorrientes.
8.1.3 En lugar del dedo y la aguja de ensayo, para aparatos diferentes de los de Clase II, la sonda de ensayo que se ilustra en la Figura 3, se aplica sin fuerza apreciable a las partes activas de los elementos calefactores radiantes, cuyos polos se deben poder desconectar mediante una sola acción de interrupción. La sonda también se aplica a partes que sostengan dichos elementos, si es evidente desde el exterior del aparato, sin retirar las cubiertas y partes similares, que las partes de soporte están en contacto con el elemento.
No debe ser posible tocar las partes activas.
Nota. Para aparatos provistos de cable de alimentación y que no tengan un dispositivo interruptor en su circuito de alimentación, retirar el enchufe de una toma se considera una sola acción de desconexión.
8.1.4 Una parte accesible no se considera activa si:
Tiene tensión extra baja de seguridad, siempre que:
. para c.a. el valor pico de la tensión no sea mayor de 42,4 V.
. la tensión para c.d. no sea mayor de 42,4 V.
o si:
Está separada de las partes activas por impedancia de protección.
En el caso de la impedancia de protección, la corriente entre la parte y la fuente de alimentación no debe ser mayor de 2 mA para c.d. y su valor pico no debe ser mayor de 0,7 mA para c.a. Además:
Para tensiones cuyo valor pico sea mayor de 42,4 V hasta 450 V inclusive, la capacitancia no debe ser mayor de 0, 1 µmF.
Para tensiones cuyo valor pico sea mayor de 450 V hasta 15 kV inclusive, la descarga no debe ser mayor de 45 µmC.
La conformidad se verifica mediante medición con el aparato a la tensión nominal.
Las tensiones y corrientes se miden entre las partes relevantes y cada polo de la fuente de alimentación. Las descargas se miden inmediatamente después de la interrupción de la a limentación.
Nota. En el Anexo G se dan detalles de un circuito de medición adecuado para corriente de fuga.
8.1.5 Las partes activas de los aparatos empotrados, fijos y los que se entregan en unidades separadas, deben estar protegidas al menos por el aislamiento básico antes de la instalación o ensamble.
La conformidad se verifica mediante inspección y mediante el ensayo indicado en el numeral 8.1.1.
8.2 Los aparatos y construcciones Clase II se deben construir y cubrir de forma que queden adecuadamente protegidos contra contacto accidental con el aislamiento básico y las partes metálicas separadas de las activas sólo por el aislamiento básico.
Sólo debe ser posible tocar las partes que estén separadas de las activas por aislamiento doble o reforzado.
La conformidad se verifica mediante inspección y aplicando el dedo de ensayo que se ilustra en la Figura 1, como se describe en el numeral 8.1.1.
Notas:
1. Este requisito se aplica para todas las posiciones del aparato cuando está funcionando como en servicio normal, aun después de abrir las tapas y puertas y de retirar las partes desmontables.
2. Los aparatos empotrados y fijos se ensayan después de la instalación.
9. Arranque de los aparatos a motor
Los requisitos y ensayos se especifican en la Parte 2 cuando sea necesario.
10. Potencia de entrada y corriente
10.1 La potencia de entrada del aparato a la tensión normal y a la temperatura normal de operación, no debe desviarse de la nominal más de la desviación que se indica en la Tabla 1.
Tabla 1. Variación de la potencia de entrada
Tipo de aparato | Potencia nominal de entrada W | Variación |
Todos los aparatos | £ 25 | +20 % |
Aparatos de calefacción y combinados | > 25 y £ 200 | ±10 % |
> 200 | + 5% ó 20 W (la que sea mayor) - 10 % | |
Aparatos a motor | > 25 y £ 300 | + 20 % |
> 300 | + 15% ó 60 W (la que sea mayor) |
La desviación para aparatos a motor se aplica para los aparatos combinados si la potencia de entrada de los motores es mayor de 50% de la potencia de entrada nominal total.
Nota 1. En caso de duda, la potencia de entrada del motor se mide por separado.
La conformidad se verifica mediante medición cuando se ha estabilizado la potencia de entrada:
Estando en funcionamiento todos los circuitos que puedan funcionar simultáneamente.
Estando el aparato alimentado a la tensión nominal.
Estando el aparato funcionando bajo condiciones normales de operación.
Si la potencia de entrada varía durante el ciclo de operación, se determina como el promedio de los valores que se presenten durante un período representativo.
Notas:
2. El ensayo se realiza tanto al límite superior como al inferior de los intervalos, para aparatos marcados sólo con uno o más intervalos de tensión nominal, a menos que la marcación de la potencia nominal de entrada corresponda al valor promedio del intervalo de tensión relevante, en cuyo caso el ensayo se realiza a una tensión igual al valor promedio de ese intervalo.
3. Las desviaciones permisibles se aplican para ambos límites del intervalo en ensayos con aparatos marcados con un intervalo de tensión nominal cuyos límites difieran más de 10% del valor promedio del intervalo.
4. La desviación negativa no está limitada para aparatos a motor y para los que tengan una potencia nominal de entrada de 25 W o menos.
10.2 Si un aparato está marcado con una corriente nominal, la corriente a la temperatura normal de operación no debe variar de la nominal más de la desviación correspondiente que se indica en la Tabla 2.
Tabla 2. Variación de la corriente
Tipo de aparato | Corriente nominal A | Variación |
Todos los aparatos | £ 0,2 | + 20 % |
Aparatos de calefacción y combinados | > 0,2 y £ 1,0 | ± 10 % |
> 1,0 | + 5% ó 0,10 A (la que sea mayor) - 10 % | |
Aparatos a motor | > 0,2 y £ 1,5 | + 20 % |
> 1,5 | + 15% ó 0,30 A ( la que sea mayor) |
La conformidad se verifica mediante medición cuando la corriente se ha estabilizado:
Estando en funcionamiento todos los circuitos que puedan funcionar simultáneamente.
Estando el aparato alimentado a la tensión nominal.
Estando el aparato en funcionamiento bajo condiciones normales de operación.
Si la corriente varía durante el ciclo de operación, se determina como el promedio de los valores de corriente que se presenten durante un período representativo.
Notas:
1. Para aparatos marcados con uno o más intervalos de tensión nominal, el ensayo se realiza tanto al límite superior como al inferior de estos, a menos que la marcación de la corriente nominal corresponda al valor promedio del intervalo de tensión relevante, en cuyo caso el ensayo se realiza a una tensión igual al valor promedio de ese intervalo.
2. Las desviaciones permisibles se aplican para ambos límites del intervalo para aparatos marcados con un intervalo de tensión nominal cuyos límites difieran más de 10% del valor promedio del intervalo.
3. La desviación negativa no está limitada para aparatos a motor y para los que tengan una corriente nominal de 0,2 A o menos.
11. Calentamiento
11.1 Los aparatos y el ambiente que los rodea no deben alcanzar temperaturas excesivas en servicio normal.
La conformidad se verifica determinando el aumento de la temperatura de diferentes partes bajo las condiciones especificadas en los numerales 11.2 a 11.7; pero si el aumento de temperatura del bobinado del motor excede el valor que se especifica en la Tabla 3, o si hay duda en relación con la clasificación del sistema de aislamiento que se ha empleado en un motor, el aumento de temperatura se determina mediante los ensayos que se indican en el Anexo C.
11.2 Los aparatos manuales se deben sostener en su posición normal de servicio.
Los aparatos de empotrar se instalan de acuerdo con las instrucciones del fabricante.
Otros aparatos de calefacción y combinados se colocan en una esquina de pruebas como se indica a continuación:
Los aparatos que se colocan normalmente sobre el piso o sobre una mesa cuando están en servicio, se deben colocar sobre el piso, lo más cerca posible de las paredes.
Los aparatos que se fijan normalmente a una pared, se sujetan sobre una de las paredes, tan cerca de la otra y del piso o del suelo como ocurra normalmente durante el servicio normal, a menos que el fabricante haya dado otras instrucciones sobre la instalación.
Los aparatos que normalmente se fijan a un techo, se sujetan al techo, tan cerca de las paredes como ocurra normalmente durante el servicio normal.
Otros aparatos a motor se colocan como se indica a continuación:
Los aparatos que normalmente se colocan sobre el piso o sobre una mesa, se montan sobre un soporte horizontal.
Los aparatos que normalmente se fijan a una pared, se montan sobre un soporte vertical.
Los aparatos que normalmente se fijan al techo, se instalan bajo un soporte horizontal.
Para la esquina de pruebas, los soportes y la instalación de los aparatos de empotrar, se utiliza una contraplaca pintada de negro, de aproximadamente 20 mm de espesor.
Para aparatos provistos de dispositivos que enrollan automáticamente los cables, se desenrolla un tercio de la longitud total del cable. El aumento de la temperatura del revestimiento del cable se determina lo más cerca posible del dispositivo de enrollamiento y también entre las dos capas más externas del cable sobre el dispositivo.
Para dispositivos de almacenamiento distintos de los de enrollamiento automático, previstos para acomodar el cable parcialmente mientras el aparato está funcionando, se desenrollan 500 mm de cable. El aumento de la temperatura de la parte almacenada del cable se determina en el sitio más desfavorable.
11.3 Los aumentos de temperatura distintos de los bobinados, se determinan mediante termocuplas de alambre fino, colocadas de forma que tengan un efecto mínimo sobre la temperatura de la parte que se está ensayando.
Nota. Las termocuplas que tengan alambres cuyo diámetro no sea mayor de 0,3 mm se consideran termocuplas de alambre fino.
Las termocuplas que se utilizan para determinar el aumento de temperatura de la superficie de las paredes, techos y pisos, se sujetan al respaldo de discos negros de cobre o latón, de 15 mm de diámetro y 1 mm de espesor. La parte frontal del disco se debe nivelar con la superficie del panel.
Hasta donde sea posible, el aparato se coloca de forma que las termocuplas detecten las temperaturas más altas.
El incremento de la temperatura del aislamiento eléctrico, distinto del de los bobinados, se determina sobre la superficie del aislamiento, en los sitios en que la falla pueda causar un corto-circuito, un contacto entre las partes activas y las partes metálicas accesibles, o reducir las distancias de fuga o las distancias de descarga, a valores inferiores a los que se especifican en el numeral 29.1
El aumento de la temperatura de los bobinados se determina mediante el método de resistencia, a menos que los bobinados no sean uniformes o que sea difí cil hacer las conexiones necesarias, en cuyo caso el incremento se determina por medio de las termocuplas.
Notas:
1. Si es necesario desmontar el aparato para colocar las termocuplas, se debe tener cuidado de garantizar que el aparato se reensamble correctamente y que la potencia de entrada se mida de nuevo.
2. El punto de separación de los núcleos de un cable multinúcleo y el punto en el que los alambres aislados entran en los portalámparas, son ejemplos de lugares en los que se colocan las termocuplas.
11.4 Los aparatos de calefacción se hacen funcionar bajo condiciones normales, a 1,15 veces la potencia nominal de entrada.
11.5 Los aparatos a motor se hacen funcionar bajo condiciones normales de operación, alimentados a la tensión más desfavorable entre 0,94 veces y 1,06 veces la tensión nominal.
11.6 Los aparatos combinados se hacen funcionar bajo condiciones normales de operación, alimentados a la tensión más desfavorable entre 0,94 veces y 1,06 veces la tensión nominal.
11.7 El aparato se hace funcionar durante un período correspondiente a las condiciones más desfavorables del uso normal.
Nota. La duración del ensayo puede consistir en más de un ciclo de operación.
11.8 Durante el ensayo se monitorean continuamente los incrementos de temperatura y no deben exceder los valores que se dan en la Tabla 3; los dispositivos protectores no deben funcionar y el compuesto sellante no debe fluir.
Tabla 3. Incrementos máximos normales de la temperatura
Parte | Incremento de temperatura, K |
Bobinados1) si el aislamiento del bobinado según la NTC 276 (IEC 85) es:
- Clase A | 75(65) |
- Clase E | 90(80) |
- Clase B | 95(85) |
- Clase F | 115 |
- Clase H | 140 |
- Clase 200 | 160 |
- Clase 220 | 180 |
- Clase 250 | 210 |
Patas de los conectores:
- Para condiciones muy calientes | 130 |
- Para condiciones calientes | 95 |
- Para condiciones frías | 45 |
Terminales, incluyendo los de tierra, para conductores externos de
aparatos estáticos, a menos que tengan cable de alimentación
60
Ambiente de los interruptores, termostatos y limitadores de temperatura 2):
- Sin marca T | 30 |
- Con marca T | T-25 |
Aislamiento de policloruro de vinilo o caucho, del alambrado
interno y externo, incluyendo cables de alimentación:
- Sin marca T3) | 50 |
- Con marca T | T-25 |
Cubiertas del cable utilizadas como aislamiento suplementario | 35 |
Contactos deslizantes de los dispositivos de enrollamiento de los cables | 65 |
Caucho, no sintético, utilizado para empaques u otras partes,
cuyo deterioro podría afectar la seguridad:
- Cuando se utiliza como aislamiento suplementario o reforzado | 40 |
- En otros casos | 50 |
Portalámparas E27:
- Tipo metálico o de cerámica | 160 |
- Tipo aislado, no cerámico | 120 |
- Con marca T | T-25 |
Parte | Incremento de temperatura, K |
Portalámparas con marca T9):
- B 15 y B22 marcados T1 | 140 |
- B 15 y B22 marcados T2 | 185 |
- otros portalámparas | T-25 |
Portalámparas sin marca T9).:
- E 14 y B15 | 110 |
- B 22 y E27 | 140 |
- Otros portalámparas y portaencendedores para lámparas fluorescentes | 55 |
Material utilizado como aislante, distinto del especificado para
alambres y bobinados 4)
Textil, papel o cartón impregando o barnizado | 70 |
- Laminados aglomerados con:
. Resinas de melamine formaldehído, fenol formaldehído o fenolfurfural | 85(175) |
. Resina de úrea formaldehído | 65(150) |
Circuitos impresos pegados con resina epóxica | 120 |
Materiales moldeados de:
- Fenol formaldehído con sellantes de celulosa | 85 (175) |
- Fenol formaldehído con sellantes minerales | 100 (200) |
- Melamine formaldehído | 75 (150) |
- Urea formaldehído | 65 (150) |
Poliéster con refuerzo de fibra de vidrio | 110 |
Caucho con silicota | 145 |
Politetrafluoretileno | 265 |
Mica pura y material cerámico fuertemente sinterizado, cuando se usan como aislamiento suplementario o reforzado | 400 |
| Material termoplástico5) | - |
Madera en general6) | 65 |
- Soportes, paredes, techos y pisos de madera de la esquina de
ensayo y gabinetes de madera:
- Aparatos estacionarios que se pueden operar continuamente por períodos largos | 60 |
- otros aparatos | 65 |
Superficie externa de los condensadores7):
- con marca de temperatura máxima de operación (T)8) | T-25 |
- sin marca de temperatura máxima de operación:
. pequeños capacitores de cerámica para supresión de interferencia de radio y T.V. | 50 |
. condensadores que cumplen lo indicado en la norma IEC 60384-14 | 50 |
. otros condensadores | 20 |
Encerramientos externos de aparatos a motor, excepto manijas que se sostienen en el servicio normal | 60 |
Manijas, perillas, ganchos y partes similares que se sostienen
continuamente sólo en servicio normal (por ejemplo pinzas de soldadura):
- de metal | 30 |
- de porcelana o material vítreo | 40 |
- de material moldeado, caucho o madera | 50 |
Manijas, perillas, ganchos y partes similares que se sostienen
continuamente por períodos cortos sólo en servicio normal
(por ejemplo interruptores):
- de metal | 35 |
- de porcelana o material vítreo | 45 |
- de material moldeado, caucho o madera | 60 |
Parte | Incremento de temperatura, K |
Partes en contacto con aceite, cuyo punto de llama sea de t oC | t-50 |
Cualquier punto en que el aislamiento de los alambres pueda
entrar en contacto con partes de un bloque terminal o
compartimiento para el bobinado fijo de un aparato estacionario
sin cable de alimentación:
- cuando las instrucciones requieren el uso de alambres de alimentación con marca T | T-25 |
- en otros casos3) | 50 |
Notas:
1. Para permitir que la temperatura promedio de los bobinados de motores universales, relés, solenoides y componentes similares, esté usualmente por encima de la temperatura en los puntos de los bobinados cuando no haya termocuplas colocadas, las figuras sin paréntesis se aplican cuando se usa el método de resistencia y las que están dentro de los paréntesis se aplican cuando se usan las termocuplas. Para bobinados de vibradores y motores de c.a., las figuras sin paréntesis se aplican en ambos casos.
Para motores construidos de forma que se evite la circulación de aire entre el interior y el exterior de la cubierta, pero que pueden no estar suficientemente encerrados para considerarse herméticos al aire, los límites de aumento de temperatura se pueden aumentar en 5 K.
2. T significa la máxima temperatura ambiente del aire en el punto más caliente a una distancia de 5 mm desde la superficie del componente en cuestión.
Para efectos de este ensayo, los interruptores y termostatos marcados con sus características individuales, se pueden considerar como no marcados con la indicación de la temperatura máxima de funcionamiento, si el fabricante del aparato lo solicita. Sin embargo, si un termostato o limitador de la temperatura se monta en una parte conductora de calor, el límite de temperatura declarado de la superficie de montaje (Ts) también es aplicable. Por lo tanto, se debe medir el aumento de temperatura de la superficie de montaje.
3. Este límite se aplica a cables y alambres que cumplen con lo indicado en las normas IEC o NTC relevantes, para otros puede ser diferente.
4. Los valores que se anotan en paréntesis se aplican si el material se usa para manijas, perillas, ganchos y partes similares y si está en contacto con metal caliente.
5. No existe un límite específico para el material termoplástico. Sin embargo, el incremento en la temperatura se debe determinar para poder realizar los ensayos indicados en el numeral 30.1.
6. El límite especificado concierne al deterioro de la madera y no toma en cuenta el deterioro de los acabados de las superficies.
7. No existe un límite para el incremento en la temperatura de los condensadores que estén en cortocircuito según indica el numeral 19.11.
8. La marca de temperatura para condensadores montados sobre circuitos impresos puede estar en la ficha técnica.
Si se usan estos u otros materiales, no se deben someter a temperaturas que excedan su capacidad térmica, determinada por los ensayos de envejecimiento que se realizan sobre los materiales mismos.
9. Los sitios para medir los aumentos de temperatura se especifican en la Tabla 12.1 de la NTC 2230 (IEC 60598-1).
Notas:
1. Los valores que se dan en la Tabla se basan en una temperatura ambiente, que normalmente no excede los 25 oC, pero ocasionalmente alcanza los 35 oC. Sin embargo, los valores de incremento de la temperatura que se especifican se basan en 25 oC.
2. El incremento de la temperatura de un bobinado se calcula a partir de la fórmula:
![]()
Donde:
Dt es el incremento de la temperatura del bobinado
R1 es la resistencia al comienzo del ensayo
R2 es la resistencia al final del ensayo
k es igual a 234,5 para bobinados de cobre y 225 para bobinados de aluminio
t1 es la temperatura ambiente al comienzo del ensayo
t2 es la temperatura ambiente al final del ensayo
3. El límite de aumento de la temperatura para metal se aplica a las partes que tienen recubrimiento metálico al menos de 0,1 mm de espesor y a las partes metálicas que tienen un recubrimiento plástico con un espesor menor que 0,3 mm.
4. La temperatura de los terminales de los interruptores se mide si el interruptor se ensaya de acuerdo con lo indicado en el Anexo S.
Al comienzo del ensayo, los bobinado s deben estar a temperatura ambiente. Se recomienda que la resistencia de los bobinados al final del ensayo se determine tomando mediciones de resistencia, tan pronto sea posible después de abrir el circuito y luego a intervalos cortos, de forma que se pueda trazar una curva de resistencia contra tiempo para determinar la resistencia en el momento de abrir el circuito.
12. Sin información (contenido en las partes 2, cuando sea aplicable)
13. Corriente de fuga y rigidez dieléctrica a la temperatura de operación
13.1 A la temperatura de operación, la corriente de fuga del aparato no debe ser excesiva y su rigidez dieléctrica debe ser la adecuada.
La conformidad se verifica mediante los ensayos indicados en los numerales 13.2 y 13.3.
El aparato se hace funcionar bajo las condiciones normales de funcionamiento durante el período que se especifica en el numeral 11.7.
Los aparatos de calefacción se hacen funcionar a 1, 15 veces la potencia nominal de entrada. Los aparatos a motor y los combinados se ensayan a 1,06 veces la tensión nominal.
Los aparatos trifásicos que, de acuerdo con las instrucciones del fabricante, también sean aptos para alimentación monofásica, se ensayan como monofásicos con los 3 circuitos conectados en paralelo.
La impedancia de protección y los filtros para radiointerferencia se desconectan antes de realizar los ensayos.
13.2 La corriente de fuga se mide mediante el circuito que se describe en el Anexo G, entre cualquier polo de la alimentación y las partes metálicas accesibles conectadas a una lámina metálica, cuya área no sea mayor de 20 cm x 10 cm, la cual hace contacto con las superficies accesibles de los materiales aislantes.
Para los aparatos monofásicos, el circuito de medición se ilustra en las siguientes Figuras:
Si son de Clase II, Figura 4.
Si son de otra clase, Figura 5.
La corriente de fuga se mide con el selector en cada una de las posiciones 1 y 2.
Para aparatos monofásicos que tengan una tensión nominal superior a 130 V y para aparatos trifásicos no adaptabes como monofásicos.
Si son de Clase II, véase la Figura 6.
Si son de otra clase, véase la Figura 7.
Los aparatos monofásicos que tengan una tensión nominal superior a 130 V se conectarán a dos de las fases, sin usar la fase restante.
El circuito de medición tiene una resistencia total de 1 750 W ± 250 W puesta en paralelo con un condensador, de tal forma que la constante de tiempo del circuito sea de 225 µms ± 15 µms.
El ensayo se realizará con c.a., a menos que el aparato sea para c.d. solamente, en cuyo caso el ensayo se realizará con c.d.
Los aparatos monofásicos que tengan una tensión nominal superior o igual a 130 V y para aparatos trifásicos ensayados como monofásicos, la corriente de fuga se medirá con el interruptor selector mostrado en las Figuras 4 y 5, en cada una de las posiciones 1 y 2.
Para otros aparatos, la corriente de fuga se medirá con los interruptores a, b y c, mostrados en las Figuras 6 y 7, cerrados;
Para aparatos trifásicos que no puedan adaptarse monofásicamente, las mediciones se repiten con cada uno de los interruptores a, b y c abiertos, estando cerrados los otros dos; para aparatos monofásicos, las mediciones se repiten con uno de los interruptores abiertos.
Después de un tiempo de operación, como el especificado en el numeral 11.7, la corriente de fuga no sobrepasará los siguientes valores:
Para aparatos Clase O, OI y III 0,5 mA
Para aparatos portátiles Clase I 0,75 mA
Para aparatos estacionarios a motor, Clase I 3,5 mA
Para aparatos estacionarios calefacción, Clase I 0,75 mA, o 0,75 mA por kW de
entrada nominal, la que sea mayor,
a 5 mA máximo
Para aparatos Clase II 0,25 mA
Para aparatos combinados, la corriente total de fuga puede estar dentro de los límites especificados para aparatos de calefacción o a motor, la que sea mayor, pero los dos límites no se adicionan.
Si el aparato incluye condensadores y un interruptor unipolar, las mediciones se repiten estando este en posición apagado.
Si el aparato incluye un control térmico que funciona durante el ensayo indicado en el numeral 11, la corriente de fuga se mide inmediatamente antes de que el control abra el circuito.
Notas:
1. El ensayo con el interruptor en la posición apagado se realiza para verificar que los condensadores conectados al interruptor unipolar no causen una corriente de fuga excesiva.
2. Se recomienda ensayar el aparato con un transformador de aislamiento; si no es así, debe aislarse de tierra.
3. La lámina metálica debe tener la mayor área posible sobre la superficie bajo ensayo, sin exceder las dimensiones especificadas. Si el área es más pequeña, se debe mover para ensayar todas las partes de la superficie.
La disipación de calor del aparato no se debe ver afectada por la lámina de metal.
13.3 El aislamiento se somete durante 1 min a una tensión de forma de onda sinusoidal, con una frecuencia de 50 Hz o 60 Hz. Para aparatos monofásicos, las conexiones se indican en la Figura 8. Los motores y aparatos trifásicos se ensayan inmediatamente después que e l aparato se ha desconectado de la red de alimentación.
La tensión de ensayo se aplica entre las partes activas y las partes accesibles, las partes no metálicas, serán cubiertas con una lámina de metal. Para construcciones Clase II, que tengan metal intermedio entre las partes activas y las accesibles, la tensión se aplica a través del aislamiento básico y el aislamiento suplementario.
El valor de la tensión de ensayo es:
500 V para aislamiento básico sujeto a tensión extrabaja de seguridad en uso normal.
1 000 V para otro aislamiento básico.
2 750 V para aislamiento suplementario
3 750 V para aislamiento reforzado
Inicialmente, no se aplica más de la mitad de la tensión prescrita, luego se aumenta gradualmente al valor total.
Durante el ensayo no debe ocurrir ninguna chispa.
Notas:
1. Las descargas luminosas sin caída de tensión no se toman en cuenta.
2. La fuente de alta tensión que se usa para el ensayo debe poder suministrar una corriente de cortocircuito Is, entre los terminales de salida después que se ha ajustado la tensión de salida a la tensión de ensayo U. La liberación de sobrecarga del circuito no se debe activar para ninguna corriente inferior a la de disparo Ir. El voltímetro que se usa para medir el valor eficaz de la tensión de ensayo debe ser, al menos, de clase 2.5, según indica la norma IEC 51-2. Los valores de Is e Ir se dan en la Tabla 4 para varias fuentes de alta tensión.
Tabla 4. Características de las fuentes de alta tensión
Tensión de ensayo U, en V | Corriente máxima, en mA | |
Is | Ir | |
U < 4 000 4 000 £ U < 10 000 10 000 £ U < 20 000 | 200 80 40 | 100 40 20 |
1. Las corrientes se calculan con base en energías de cortocircuito y liberación de 800 VA y 400 VA respectivamente, al límite superior del intervalo de tensiones.
2. La aproximación de la alta tensión no debe ser mayor de ± 3% de la tensión medida para una corriente de fuga de hasta 50% de Ir.
3. Si el bobinado secundario del transformador de aislamiento no tiene una derivación en medio, el bobinado de salida del transformador de alta tensión se puede conectar a la parte media del potenciómetro que tenga una resistencia total no mayor de 2 000 W y al bobinado de salida del transformador de aislamiento.
4. Se debe tener cuidado de evitar sobrecargar los componentes de los circuitos electrónicos.
5. “Aumento rápido” se entiende cuando se encuentra a una velocidad cercana a 1 000 V/s.
14. Sin información (contenido en las partes 2 cuando sea aplicable)
15. Resistencia a la humedad
15.1 El encerramiento del aparato debe dar el grado de protección contra la humedad de acuerdo con la clasificación del aparato.
La conformidad se verifica como se indica en el numeral 15.1.1, tomando en cuenta el numeral 15.1.2, estando el aparato desconectado de la red de alimentación.
Inmediatamente después del tratamiento apropiado, el aparato debe soportar la rigidez dieléctrica de ensayo que se especifica en el numeral 16.3 y la inspección debe mostrar que no hay rastros de agua en el aislamiento, que pueda reducir las distancias de fuga y distancias en el aire, más allá de los valores especificados en el numeral 29.1.
Nota. El encerramiento externo se limpia cuidadosamente para retirar cualquier residuo de agua antes de la inspección. Se debe tener cuidado al desmantelar para evitar el desplazamiento de agua dentro del artefacto.
15.1.1 Los aparatos distintos de IPXO se someten a los ensayos que se indican en la NTC 3279 (IEC 529) como se establece a continuación:
Aparatos IPX1, como se describe en el numeral 14.2.1.
Aparatos IPX2, como se describe en el numeral 14.2.2.
Aparatos IPX3, como se describe en el numeral 14.2.3a).
Aparatos IPX4, como se describe en el numeral 14.2.4a).
Aparatos IPX5, como se describe en el numeral 14.2.5.
Aparatos IPX6, como se describe en el numeral 14.2.6.
Aparatos IPX7, como se describe en el numeral 14.2.7.
Para este ensayo los aparatos se sumergen en agua que contenga aproximadamente 1% de NaCI.
Nota. La boquilla atomizadora para sostener en la mano se puede usar para ensayar aparatos que no se puedan colocar bajo el tubo oscilante especificado en la NTC 3279 (IEC 60529).
15.1.2 Los aparatos portátiles se voltean continuamente en las posiciones más desfavorables durante el ensayo.
Los aparatos empotrados se instalan de acuerdo con las instrucciones del fabricante.
Los aparatos que normalmente se usan sobre el piso o sobre una mesa, se colocan sobre un soporte horizontal no perforado, que tenga un diámetro de 2 veces el radio del tubo oscilante, menos 15 cm.
Los aparatos que normalmente se fijan a una pared, se montan como en el servicio normal, en el centro de un panel de madera cuyas dimensiones sean 150 mm ± 50 mm más que la proyección ortogonal del aparato sobre el panel. Este se coloca en el centro del tubo oscilante.
Para aparatos IPX3, la base de los aparatos montados sobre una pared, se coloca al mismo nivel que el eje de oscilación del tubo.
Para aparatos IPX4, la línea central horizontal del aparato se alinea con el eje del tubo oscilante. Sin embargo, para aparatos que se usan normalmente sobre el suelo o sobre una mesa, el movimiento se limita a 2 veces 90o desde el vertical por un período de 5 min y el soporte se coloca al nivel del eje del tubo oscilante.
Si, para aparatos montados en la pared, el fabricante indica que el aparato se debe colocar cerca del nivel del piso y especifica una distancia, se coloca un cartón bajo el aparato, a esa distancia. Las dimensiones del cartón son 150 mm más que la proyección horizontal del aparato.
Los aparatos con fijaciones tipo X, excepto los que tienen un cable preparado especialmente, deben tener el tipo más liviano posible de cable flexible, con el área transversal más pequeña de las que se especifican en la Tabla 11.
Las partes desmontables se retiran y se someten, si es necesario, al tratamiento pertinente junto con la parte principal. Sin embargo, si las instrucciones declaran que una parte se debe retirar para recibir mantenimiento por parte del usuario y se necesita una herramienta, esta parte no se retira.
15.2 Los aparatos que se someten a salpicaduras de líquido en servicio normal, se deben construir de forma que la salpicadura no afecte su aislamiento eléctrico.
La conformidad se verifica mediante el siguiente ensayo:
Los aparatos que tienen fijación tipo X, excepto los que tienen un cable preparado especialmente, deben tener el tipo más liviano posible de cable flexible, con el área transversal más pequeña de las que se especifican en la Tabla 11.
Los aparatos que tienen una toma, se ensayan con o sin un conector adecuado, lo que sea más desfavorable.
Las partes desmontables se retiran.
El contenedor de líquido del aparato se llena completamente con agua que contenga aproximadamente 1% NaCI y se vierte uniformemente otra cantidad, igual a 15% de la capacidad del contenedor, o 0,25 I, la que sea mayor, durante un período de 1 min.
Inmediatamente después de este tratamiento, el aparato debe soportar el ensayo de rigidez dieléctrica que se indica en el numeral 16.3 y la inspección debe mostrar que no hay rastros de agua en el aislamiento que pueda producir una reducción en las distancias de fuga y de las distancias en el aire, más allá de los valores que se especifican en el numeral 29.1.
15.3 Los aparatos deben ser a prueba de las condiciones de humedad que se puedan encontrar en el servicio normal.
La conformidad se verifica mediante el siguiente tratamiento higroscópico.
Los aparatos que se someten a los ensayos indicados en los numerales 15.1 ó 15.2 se mantienen en una cámara de ensayo con una atmósfera normal durante 24 h antes de someterlos a ensayo.
Las entradas de los conductores, si las hay, se dejan abiertas; si existen entradas que se puedan abrir, una de ellas se abre.
Las partes desmontables se retiran y se someten, si es necesario, al tratamiento higroscópico junto con la parte principal.
El tratamiento higroscópico se realiza durante 48 h en una cámara húmeda que contenga aire con una humedad relativa de (93 ± 3) %. La temperatura del aire se mantiene dentro de 1 K de cualquier valor conveniente t, entre 20 oC y 30 oC. Antes de colocar la muestra en la cámara de humedad, se debe elevar a una temperatura de oC
Inmediatamente después de este tratamiento, el aparato debe soportar los ensayos indicados en el numeral 16, en la cámara de humedad o en donde haya estado la muestra a la temperatura prescrita después de reensamblar las partes que se hayan retirado.
Notas:
1. En la mayoría de los casos, la muestra se puede calentar a la temperatura especificada, manteniéndola a esta temperatura durante 4 h como mínimo antes del tratamiento higroscópico.
2. Una humedad relativa de (93 ± 3)% se puede obtener colocando, en la cámara de humedad, una solución saturada de Na2SO4 o KNO3, en agua, cuidando que el contenedor tenga una superficie suficientemente larga en contacto con el aire.
3. Las condiciones especificadas se pueden alcanzar garantizando una ci rculación constante de aire dentro de una cámara térmicamente aislada.
16. Corriente de fuga y rigidez dieléctrica
16.1 La corriente de fuga del aparato no debe ser excesiva y la rigidez dieléctrica debe ser la adecuada.
La conformidad se verifica mediante los ensayos que se indican en los numerales 16.2 y 16.3.
La impedancia de protección se desconecta de las partes activas antes de realizar los ensayos.
Los ensayos se llevan a cabo sobre el aparato a temperatura ambiente y desconectado de la red de alimentación.
16.2 A los ítems 1 y 3 de la Tabla 5 se aplica una tensión de ensayo c.a.; la lámina de metal debe tener un tamaño no mayor de 200 mm x 100 mm y se debe mover, si es necesario, de forma que se ensayen todas las partes de la superficie.
La tensión de ensayo es:
- 1,06 veces la tensión nominal para aparatos monofásicos,
- 1,06 veces la tensión nominal, dividida por, para aparatos trifásicos.
La corriente de fuga se mide dentro de un período de 5 s después de aplicar la tensión de ensayo.
La corriente de fuga no debe exceder los siguientes valores:
Para aparatos Clase O, OI y III 0,5 mA
Para aparatos portátiles Clase I 0,75 mA
Para aparatos estacionarios a motor, Clase I 3,5 mA
Para aparatos estacionarios de calefacción,
Clase I 0,75 mA, ó 0,75 mA
por kW, la que sea
mayor, a 5 mA máximo
Para aparatos Clase II 0,25 mA
Estos valores se doblan si todos los controles tienen una posición apagado (OFF) en todos los polos. También, si
El aparato no tiene más control que un fusible térmico.
Todos los termostatos, limitadores de temperatura y reguladores de energía no tienen posición apagado.
El aparato tiene filtros de radiointerferencia. En este caso, la corriente de fuga con el filtro desconectado, no debe exceder los límites especificados.
Para aparatos combinados, la corriente total de fuga puede estar dentro de los límites especificados para los aparatos de calefacción o a motor, la que sea mayor, pero los 2 límites no se deben adicionar.
16.3 Inmediatamente después de realizar el ensayo indicado en el numeral 16.2, el aislamiento se somete durante 1 min a una tensión de forma de onda sinusoidal, que tenga una frecuencia de 50 Hz ó 60 Hz. El valor de la tensión de ensayo y los puntos de aplicación se indican en la Tabla 5.
Las partes accesibles del material aislante se cubren con una lámina metálica.
El valor de 1 250 V se reduce a 1 000 V para aparatos cuya tensión nominal no sea mayor de 130 V.
Inicialmente, no se aplica más de la mitad de la tensión prescrita, luego se aumenta gradualmente hasta el valor total.
No debe ocurrir chispa durante el ensayo.
Tabla 5. Tensiones de ensayo
Puntos de aplicación | Tensión de ensayo, V | ||
Aparatos y construcciones Clase III | Aparatos y construcciones Clase II | Otros aparatos | |
1. Entre partes activas y partes accesibles separadas de las activas por: | |||
- sólo aislamiento básico | 500 | - | 1 250 |
| - aislamiento reforzado | - | 3 750 | 3 750 |
2. Para partes con aislamiento doble, entre part es metálicas separadas de las activas sólo por aislamiento básico y | |||
- partes activas | - | 1 250 | 1 250 |
| - partes accesibles | - | 2 500 | 2 500 |
3. Entre encerramientos metálicos o revestidos de material aislante y lámina metálica en contacto con la superficie interior del revestimiento. Si la distancia entre las partes activas y los encerramientos metálicos, medida a través del revestimiento, es menor que la tolerancia apropiada que se especifica en el numeral 29.1 | - | 2 500 | 1 250 |
4. Entre láminas metálicas en contacto con manijas, perillas, ganchos y partes similares y sus ejes, si estos pueden convertirse en activos en caso de falla del aislamiento1) | - | 2 500 | 2 500 (1 250) |
5. Entre partes accesibles y el cable de alimentación revestido con una lámina metálica, donde el cable tiene material aislante, protector, anclajes y partes similares en los bujes de las entradas2), 3) | - | 2 500 | 1 250 |
| 6. Entre el punto en que se conectan un bobinado y un condensador, si ocurre una tensión de resonancia U entre este punto y cualquier terminal para conductores externos y | |||
- partes accesibles | - | - | 2 U + 1 000 |
- partes metálicas separadas de las activas sólo por aislamiento básico 4) | 2 U + 1 000 | ||
1. El valor en paréntesis se aplica a aparatos Clase O.
2. La superficie externa del protector de cable no está recubierta de lámina metálica.
3. El torque que se aplica a los tornillos fijadores de los anclajes del cable es 2/3 del torque especificado en el numeral 28.1.
4. El ensayo entre el punto donde se conectan un bobinado y un condensador y las partes accesibles o metálicas, sólo se puede realizar cuando el aislamiento se somete a la tensión de resonancia bajo condiciones normales. Otras partes se desconectan y el condensador se hace entrar en cortocircuito.
Notas:
1. Se debe tener cuidado de colocar la lámina metálica de forma que no ocurra flameo en los bordes del aislamiento.
2. La fuente de alta tensión que se use, debe ser la que se describe en la nota 2 del numeral 13.3.
3. Para construcciones Clase II que incorporen aislamiento reforzado y doble, se debe tener cuidado de que la tensión aplicada al aislamiento reforzado no sobrecargue el básico o el suplementario.
4. En construcciones en que el aislamiento básico y el suplementario no se puedan ensayar por separado, el aislamiento suministrado se somete a las tensiones de ensayo que se especifican para el reforzado.
5. Cuando se ensayan los revestimientos aislantes, la lámina metálica se puede presionar contra el aislamiento mediante una bolsa de arena, de forma que la presión sea de, aproximadamente 5 kPa. El ensayo se puede limitar a los lugares en que el aislamiento parezca débil, por ejemplo, donde haya bordes metálicos bajo él.
6. Si e s posible, los revestimientos aislantes se ensayan por separado.
7. Se debe tener cuidado de evitar sobreesfuerzos a los componentes de los circuitos electrónicos.
8. “Aumento rápido” se entiende cuando se encuentra a una velocidad cercana a 1 000 V/s
17. Protección contra sobrecarga de los transformadores y circuitos asociados
Los aparatos que incorporan circuitos alimentados por un transformador, se deben construir de forma que, en el caso de cortocircuitos que puedan ocurrir en el servicio normal, no se presenten temperaturas excesivas en el transformador o en los circuitos asociados con él.
La conformidad se verifica aplicando el cortocircuito o la sobrecarga más desfavorables que puedan ocurrir en el servicio normal, estando el aparato alimentado con 1,06 veces o 0,94 veces la tensión nominal, la que sea más desfavorable.
El incremento de temperatura del aislamiento de los conductores de los circuitos de tensión extra baja de seguridad, no debe exceder el valor que se especifica en la Tabla 3 por más de 15 K.
La temperatura del bobinado no debe exceder los valores que se especifican en la Tabla 6. Sin embargo, estos límites no se aplican a transformadores de seguridad ante fallas que cumplen los requisitos indicados en el numeral 15.5 de la norma IEC 61558-1.
Notas:
1. Ejemplos de cortocircuitos que pueden ocurrir en el servicio normal, son los de conductores de circuitos de tensión extra baja de seguridad, desnudos o aislados inadecuadamente, que sean accesibles.
2. La falla en el aislamiento básico no se considera de posible ocurrencia en el servicio normal.
3. La protección de los bobinados de los transformadores se puede obtener por la impedancia inherente del bobinado o mediante fusibles, controles automáticos, interruptor térmico o dispositivos similares incorporados al transformador o colocados dentro del aparato, si son accesibles sólo con ayuda de una herramienta.
18. Duración
Los requisitos y ensayos se especifican en la Parte 2, cuando sea necesario.
19. Operación anormal
19.1 Los aparatos se deben construir de forma que se solucione hasta donde sea posible, el riesgo de fuego, daño mecánico que afecte la seguridad o protección contra choque eléctrico como resultado de manejo anormal o descuidado.
Los circuitos electrónicos se deben diseñar y aplicar de forma que una condición de falla no produzca un aparato inseguro respecto a choque eléctrico, riesgo de incendio, riesgo mecánico o mal funcionamiento peligroso.
Los aparatos que incorporan elementos de calefacción se someten a los ensayos indicados en los numerales 19.2 y 19.3. Además, los aparatos que tengan control de temperatura durante el ensayo que se describe en el numeral 11, se someten a los ensayos que se indican en el numeral 19.4 y, cuando sea aplicable, al que se describe en el numeral 19.5. Los aparatos que incorporan elementos de calefacción CTP, también se someten a los ensayos que se indican en el numeral 19.6.
Los aparatos con motor incluido, se someten a los ensayos indicados en los numerales 19.7 a 19.10, según sea aplicable.
Los aparatos que incorporan circuitos electrónicos también se someten a los ensayos indicados en los numera les 19.11 y 19.12, según sea aplicable.
A menos que se especifique otra cosa, los ensayos continúan hasta que se active un interruptor de circuito de reposición no automática, o hasta que se presenten condiciones estables. Si un elemento de calefacción o una parte intencionalmente débil tiene un circuito abierto permanentemente, se repite el ensayo pertinente en una segunda muestra. Este segundo ensayo se debe terminar del mismo modo, a menos que se pueda terminar satisfactoriamente de otra forma.
Sólo se debe simular una condición anormal cada vez.
A menos que se especifique algo diferente, la conformidad con los ensayos indicados en este numeral, se verifica como se describe en el numeral 19.13.
Notas:
1. Una parte intencionalmente débil es una parte diseñada para ceder bajo condiciones de funcionamiento anormal, para evitar que ocurra una condición insegura en el sentido que se determina en esta norma. Tales partes deben ser componentes reemplazables, como una resistencia o condensador, o una parte de un componente que se vaya a reemplazar, tal como un fusible térmico inaccesible incorporado a un motor.
2. Los fusibles, interruptores térmicos, dispositivos protectores contra sobrecorriente o similares, incorporados en el aparato, se pueden utilizar para suministrar la protección necesaria. El dispositivo protector en el alambrado fijo no da la protección necesaria.
3. Si más de uno de estos ensayos son aplicables para el mismo aparato, estos ensayos se realizan consecutivamente después que el aparato se ha enfriado a la temperatura ambiente.
4. Para aparatos combinados, los ensayos se realizan con los motores y elementos de calefacción funcionando simultáneamente bajo condiciones normales de operación, aplicando los ensayos apropiados, uno a la vez, a cada uno al motor como al elemento calefactor.
5. Cuando se establece que un control está en cortocircuito, se considera inexistente.
19.2 Los aparatos con elementos de calefacción se ensayan bajo las condiciones normales que se especifican en el numeral 11, pero con una disipación de calor restringida. La tensión de alimentación, determinada antes del ensayo, es la que se requiere para proporcionar una potencia de entrada de 0,85 veces la nominal, bajo condiciones normales de operación, cuando la potencia de entrada se ha estabilizado. Esta tensión se mantiene durante todo el ensayo.
19.3 El ensayo anterior se repite, pero con una tensión de alimentación determinada antes del ensayo, igual a la que se requiere para dar una potencia de entrada de 1,24 veces la potencia nominal bajo condiciones normales de operación, cuando la potencia de entrada se ha estabilizado. Esta tensión se mantiene durante todo el ensayo.
19.4 El aparato se ensaya bajo las condiciones que se especifican en el numeral 11, siendo la potencia de entrada 1,15 veces la nominal. Cualquier control que limite la temperatura durante el ensayo indicado en el numeral 11 debe estar en cortocircuito.
Nota. Si el aparato tiene más de un control, los que tenga se conectan en cortocircuito sucesivamente.
19.5 El ensayo indicado en el numeral 19.4 se repite en los aparatos Clase OI y Clase I, que incorporen elementos de calefacción tubulares, blindados o revestidos. Sin embargo, los controles no se conectan en cortocircuito, sino que un extremo del elemento se conecta al revestimiento del elemento de calefacción.
Este ensayo se repite con la polaridad de la fuente de alimentación al aparato conectada a la inversa y con el otro extremo del elemento conectado al revestimiento.
Este ensayo no se realiza en aparatos destinados a estar conectados permanentemente a un alambrado fijo, ni en aparatos en los que ocurra desconexión en todos los polos durante el ensayo indicado en el numeral 19.4.
Notas:
1. Los aparatos que tengan un neutro se ensayan estando este conectado al revestimiento.
2. Para elementos de calefacción revestidos, el encerramiento metálico se considera como revestimiento.
19.6 Los aparatos que tengan elementos de calefacción CTP, son alimentados a la tensión nominal hasta que las condiciones de potencia de entrada y temperatura sean estables.
La tensión de servicio del elemento de calefacción CTP se incrementa entonces en 5% y el aparato se hace funcionar hasta que las condiciones vuelvan a ser estables. Luego se incrementa la tensión en pasos similares hasta que se alcanza una tensión de 1,5 veces la de servicio, o hasta que se rompe el elemento de calefacción, lo que ocurra primero.
19.7 El aparato se hace funcionar bajo condiciones de bloqueo:
Bloqueando el rotor si el torque del rotor bloqueado es menor que el torque de plena carga.
Bloqueando las partes móviles de otros aparatos.
Notas:
1. Si un aparato tiene más de un motor, el ensayo se debe realizar para cada uno por separado.
2. En el Anexo D se dan ensayos alternativos para unidades con motor protegido.
Los aparatos que incorporan motores y tienen condensadores en el circuito de un devanado auxiliar, se hacen funcionar con el rotor bloqueado, estando los condensadores en circuito abierto, uno a la vez. El ensayo se repite con los condensadores en cortocircuito, uno a la vez, a menos que sean de la Clase P2 de la norma IEC 60252.
Nota 3. Este ensayo se realiza con el rotor bloqueado porque ciertos motores con condensadores pueden arrancar o no, de modo que se pueden obtener resultados variables.
Para cada uno de los ensayos, los aparatos provistos de temporizador o controlador de programa son alimentados a la tensión nominal por un período igual al máximo permitido por el temporizador o controlador de programa.
Otros aparatos se alimentan a la tensión nominal por un período:
De 30 s para:
Aparatos manuales
Aparatos que se deban mantener energizados con la mano o el pie
Aparatos que se cargan continuamente en forma manual
De 5 min para otros aparatos accionados mientras se supervisan;
Hasta que se estabilicen las condiciones, para los otros aparatos.
Nota 4. Los aparatos que se ensayan por 5 min se indican en la Parte 2 correspondiente.
Durante el ensayo, la temperatura de los bobinados no debe exceder los valores que se indican en la Tabla 6.
19.8 Una fase de los aparatos que incorporan motores trifásicos se debe desconectar. El aparato se hace funcionar luego bajo condiciones normales de operación y se alimenta a la tensión nominal durante el período que se especifica en el numeral 19.7.
19.9 Se realiza un ensayo de funcionamiento bajo sobrecarga, en aparatos que incorporen motores destinados bien sea a ser controlados automáticamente o a control remoto, o que se puedan hacer funcionar continuamente.
Tabla 6. Temperatura máxima del bobinado
Tipo de aparato | Temperatura, oC | |||||||
Clase A | Clase E | ClaseB | Clase F | Clase H | Clase 200 | Clase 220 | Clase 250 | |
Aparatos distintos de los que están funcionando hasta que se estabilizan las condiciones | 200 | 215 | 225 | 240 | 260 | 280 | 300 | 330 |
Aparatos que funcionan hasta que se estabilizan las condiciones | ||||||||
- si están protegidos por impedancia | 150 | 165 | 175 | 190 | 210 | 230 | 250 | 280 |
- si tienen dispositivos de protección | ||||||||
durante la primera hora, valor máximo | 200 | 215 | 225 | 240 | 260 | 280 | 300 | 330 |
después de la primera hora, valor máximo | 175 | 190 | 200 | 215 | 235 | 255 | 275 | 305 |
después de la primera hora, promedio aritmético | 150 | 165 | 175 | 190 | 210 | 230 | 250 | 280 |
El aparato se hace funcionar bajo condiciones normales de operación a la tensión nominal, hasta que las condiciones se estabilicen. Luego se aumenta la carga de forma que la corriente en los bobinados del motor se incremente en 10% y se hace funcionar de nuevo el aparato hasta que las condiciones se estabilicen, manteniendo la tensión de alimentación en su valor original. La carga se aumenta de nuevo y se repite el ensayo hasta que el dispositivo de protección se active o el motor se pare.
Durante los ensayos, la temperatura del bobinado no debe ser mayor de:
140 oC para Clase A;
155 oC para Clase E;
165 oC para Clase B;
180 oC para Clase F;
200 oC para Clase H;
220 oC para Clase 200;
240 oC para Clase 220;
270 oC para Clase 250.
Notas:
1. Si la carga no se puede incrementar en los pasos apropiados, el motor se retira del aparato y se ensaya por separado.
2. En el Anexo D se dan ensayos alternativos para unidades con motor protegido.
19.10 Los aparatos que incorporan motores en serie, se hacen funcionar con la carga más baja posible y alimentados a 1,3 veces la tensión nominal, durante 1 min.
Durante el ensayo, las partes no deben ser expulsadas del aparato.
19.11 La conformidad para los circuitos eléctricos se verifica mediante evaluación de las condiciones de falla especificadas en el numeral 19.11.2 para todos los circuitos o partes de circuitos, a menos que cumplan con las condiciones que se especifican en el numeral 19.11. 1.
Si la seguridad del aparato bajo cualquiera de las condiciones de falla depende del funcionamiento de un fusible miniatura que cumple los requisitos establecidos en la norma IEC 127, se debe realizar el ensayo indicado en el numeral 19.12.
Durante y después de cada ensayo, la temperatura de los bobinados no debe superar los valores que se especifican en la Tabla 6. Sin embargo, estos límites no se aplican a los transformadores de seguridad ante falla que cumplen las condiciones especificadas en el numeral 15.5 de la norma IEC 61558-1. El aparato debe reunir las condiciones especificadas en el numeral 19.13. Ninguna corriente que fluya a través de la impedancia de protección debe exceder los límites especificados en el numeral 8.1.4.
Si se abre un conductor de un circuito impreso, se considera que el aparato ha aprobado el ensayo particular, si se cumplen todas las siguientes condiciones:
El material del circuito impreso soporta el ensayo de ignición que se indica en el numeral 20.1 de la norma IEC 65.
Cualquier conductor flojo no reduce las distancias de fuga o distancias en el aire entre partes activas y partes metálicas accesibles, a un valor inferior a los que se especifican en el numeral 29
El aparato soporta los ensayos indicados en el numeral 19.11.2 con el conductor en puente.
Notas:
1. A menos que sea necesario reemplazar componentes después de cualquiera de los ensayos, sólo es necesario realizar el ensayo de rigidez dieléctrica que se indica en el numeral 19.13 después del ensayo final en el circuito electrónico.
2. En general, el examen del aparato y su diagrama de circuitos rev ela las condiciones de falla que se deben simular, de forma que el ensayo se pueda limitar a los casos que se puede esperar que den los resultados más desfavorables.
19.11.1 Las condiciones de falla a) a f) que se especifican en el numeral 19.11.2 no se aplican a circuitos o partes de ellos en que se cumplan las siguientes condiciones:
El circuito electrónico es un circuito de baja potencia como se describe a continuación.
La protección contra choque eléctrico, riesgo de incendio, riesgo mecánico o mal funcionamiento en otras partes del aparato no reside en el funcionamiento correcto del circuito electrónico.
Un circuito de baja potencia se determina como se indica a continuación; en la Figura 9 se muestra un ejemplo.
El aparato se alimenta a la tensión nominal y una resistencia variable ajustada a su resistencia máxima se conecta entre el punto que se va a investigar y el polo opuesto de la fuente de alimentación.
Luego la resistencia se disminuye hasta que la potencia consumida por la resistencia alcanza el máximo. Los puntos más cercanos a la alimentación, en los cuales la potencia máxima para esta resistencia no excede los 15 W después de 5 s, se llaman puntos de baja potencia. La parte del circuito más distante de la fuente de alimentación con un punto de baja potencia, se considera un circuito de baja potencia.
Notas:
1. Las mediciones se hacen desde un solo polo de la fuente de alimentación, preferiblemente la que da el menor número de puntos de baja potencia.
2. Cuando se determinan los puntos de baja potencia, se recomienda empezar con los puntos que están cerca de la fuente de alimentación.
3. La potencia consumida por la resistencia variable se mide con un vatímetro.
19.11.2 Las siguientes condiciones de falla se consideran, y si es necesario se aplican, una a la vez. Las fallas resultantes se deben tomar en consideración.
a) Cortocircuito de distancias de fuga y distancias en el aire entre las partes activas de diferente potencial, si estas distancias son menores que los valores especificados en el numeral 29.1 a menos que la parte correspondiente está adecuadamente encapsulada;
b) Circuitos abiertos en los terminales de cualquier componente;
c) Cortocircuito de los condensadores, a menos que cumplan con lo indicado en la norma IEC 60384-14;
d) Cortocircuito de cualquiera de los dos terminales de un componente eléctrico, distintos de los circuitos integrados. Esta condición de falla no se aplica entre los 2 circuitos de una fotocupla;
e) Falla de triacs en el modo de diodo;
f) Falla de un circuito integrado. En este caso se evalúan las posibles situaciones de riesgo del aparato, para garantizar que la seguridad no reside en el funcionamiento correcto de dicho componente.
Todas las posibles señales de salida se consideran bajo condiciones de falla dentro del circuito integrado. Si se puede demostrar que es improbable que se presente una señal de salida particular, la falla correspondiente no se debe tener en cuenta.
Notas:
1. Los componentes como tiristores y triacs se someten a las condiciones de falla b) y d).
2. Los microprocesadores se ensayan como circuitos integrados.
Además, cada circuito de baja potencia se coloca en cortocircuito conectando el punto de baja potencia al polo de la alimentación del que se tomaron las mediciones.
Para simular las condiciones de falla, el aparato se hace funcionar bajo las condiciones que se especif ican en el numeral 11, pero alimentado a la tensión nominal. Cuando se simula cualquiera de las condiciones de falla, la duración del ensayo es:
Como se especifica en el numeral 11.7 pero sólo por un ciclo de operación y solo si el usuario no puede reconocer la falla, por ejemplo, el cambio de temperatura.
Como se especifica en el numeral 19.7, si el usuario puede reconocer la falla, por ejemplo, cuando un motor de un aparato de cocina se detiene.
Hasta que se han estabilizado las condiciones, para circuitos conectados continuamente a la red de alimentación, por ejemplo los circuitos en espera.
En cada caso, el ensayo termina si ocurre una interrupción de la alimentación dentro del aparato.
Si el aparato incorpora un circuito electrónico que funciona para garantizar la conformidad con el numeral 19, el ensayo pertinente se repite con una sola falla simulada, como se indica en los literales a) a f).
La condición de falla 9 se aplica a los componentes encapsulados y similares si los circuitos no se pueden evaluar por otros métodos.
Las resistencias con un coeficiente de temperatura positiva (CTP), con coeficiente de temperatura negativa (CTN) y las dependientes de la tensión (VDR), no se colocan en cortocircuito si se usan dentro de las especificaciones que da el fabricante.
19.12 Si, para cualquiera de las condiciones de falla que se especifican en el numeral 19.11.2 La seguridad del aparato depende de la operación de un fusible miniatura que cumpla los requisitos indicados en la norma IEC 127, el ensayo se repite pero reemplazando el fusible por un amperímetro.
Si la corriente medida no es mayor de 2,1 veces la corriente nominal del fusible, no se considera el fusible como protegido adecuadamente y el ensayo se realiza estando este en cortocircuito.
Si la corriente medida es al menos 2,75 veces la corriente nominal del fusible, el circuito se considera protegido adecuadamente.
Si la corriente medida es mayor de 2,1 veces la corriente nominal del fusible, pero no mayor de 2,75 veces esta corriente, el fusible se coloca en cortocircuito y el ensayo se realiza:
Para fusibles de acción rápida, durante el período correspondiente o durante 30 min, el que sea más corto;
Para fusibles con funcionamiento temporizado, por el período correspondiente o por 2 min, el que sea más corto.
Notas:
1. En caso de duda, la resistencia máxima del fusible se debe tomar en consideración al determinar la corriente.
2. La verificación para saber si el fusible actúa como dispositivo protector se basa en las características de fusión que se especifican en la norma IEC 127, que también da información necesaria para calcular la resistencia máxima del fusible.
3. Otros fusibles se consideran partes intencionalmente débiles de acuerdo con lo indicado en el numeral 19.1.
19.13 Durante los ensayos el aparato no debe emitir llamas, metal fundido, gas venenoso ni inflamable en cantidades peligrosas y el incremento en la temperatura no debe superar los valores que se indican en la Tabla 7.
Después de los ensayos y cuando el aparato se ha enfriado aproximadamente a la temperatura ambiente, los encerramientos no se deben haber deformado hasta afectar la conformidad con lo indicado en el numeral 8 y, si el aparato aún se puede hacer funcionar, debe cumplir los requisitos indicados en el numeral 20.2.
Tabla 7. Incremento anormal máximo de la temperatura
Parte | Incremento de la temperatura, K |
Soportes, paredes, pisos y techos de madera de la esquina de ensayo y gabinetes de madera1) | 150 |
Aislamiento del cable de alimentación1) | 150 |
Aislamiento suplementario y reforzado, distintos de los materiales termoplásticos3) | 1,5 veces el valor correspondiente especificado en la Tabla 32) |
Notas:
1. Para aparatos a motor, no están determinados estos incrementos.
2. Este valor está en estudio.
3. No existe un límite específico para el aislamiento suplementario y e reforzado del material termoplástico. Sin embargo, el incremento se debe determinar de forma que se pueda realizar el ensayo indicado en el numeral 30.1
Después de los ensayos, el aislamiento distinto del de los aparatos Clase III, cuando se ha enfriado a aproximadamente la temperatura ambiente, debe soportar el ensayo de rigidez dieléctrica que se indica en el numeral 16.3, siendo la tensión de ensayo:
1 000 V para aislamiento básico.
2 750 V para aislamiento suplementario;
3 750 V para aislamiento reforzado.
Para aparatos inmersos en, o llenados con un líquido conductor en uso normal, el aparato se sumerge en agua o se llena con ella, durante 24 h antes de realizar el ensayo de rigidez dieléctrica.
Nota. No se aplica el tratamiento higroscópico indicado en el numeral 15.3 antes del ensayo de rigidez dieléctrica.
20. Estabilidad y riesgos mecánicos
20.1 Los aparatos que no sean fijos o manuales, destinados a uso sobre una superficie como el piso o una mesa, deben tener la estabilidad adecuada.
La conformidad se verifica mediante el siguiente ensayo, para los aparatos previstos de un dispositivo de entrada de corriente, que tengan un conector apropiado y un cable flexible.
El aparato se coloca en cualquier posición normal de uso sobre un plano inclinado a un ángulo de 10o con la horizontal, con el cable de alimentación sobre el plano inclinado en la posición más desfavorable. Sin embargo, si una parte de un aparato entra en contacto con la superficie de soporte horizontal cuando el aparato se inclina en un ángulo de 10o, el aparato se coloca sobre un soporte horizontal y se inclina en la dirección más desfavorable en un ángulo de 10o.
Notas:
1. El aparato no debe estar conectado a la red de alimentación.
2. El ensayo sobre el soporte horizontal puede ser necesario para aparatos con rodillos, rodachines o patas.
Los aparatos provistos de puertas se ensayan estando estas abiertas o cerradas, lo que sea más desfavorable.
Los aparatos previstos para que el usuario los llene con líquido en uso normal, se ensayan vacíos, o llenos con la cantidad más desfavorable de agua, hasta la capacidad indicada por el fabricante.
El aparato no se debe voltear.
El ensayo se repite en aparatos con elementos de calefacción aumentando el ángulo de inclinación a 15o. Si el aparato se voltea en una o más posiciones, se somete a los ensayos indicados en el numeral 11 en cada una de estas posiciones.
Durante este ensayo, los incrementos de temperatura no deben exceder los valores indicados en la Tabla 7.
Nota 3. Las ruedas o rodachines se bloquean para evitar que el aparato ruede.
20.2 Las partes móviles de aparatos a motor, en la medida en que sean compatibles con el uso y el funcionamiento de este, deben colocarse o encerrarse de forma que den protección adecuada contra daño personal en uso normal.
Las cubiertas prote ctoras, fundas y partes similares deben ser partes no desmontables y tener la resistencia mecánica adecuada.
La reposición inesperada de los interruptores térmicos autorreajustables y de los dispositivos protectores, no debe producir riesgo.
La conformidad se verifica mediante inspección, por los ensayos indicados en el numeral 21 y aplicando una fuerza no mayor de 5 N con un dedo de ensayo similar al que se ilustra en la Figura 1, pero que tenga una cara circular de detención con un diámetro de 50 mm, en lugar de la cara no circular.
Para aparatos provistos de dispositivos móviles como los destinados a variar la tensión de las correas, el ensayo con el dedo se realiza con estos dispositivos ajustados en la posición más desfavorable dentro de su intervalo de posiciones; si es necesario, se retiran las correas.
No debe ser posible tocar las partes móviles peligrosas con este dedo.
Notas:
1. Para algunos aparatos es imposible la protección completa, por ejemplo, las máquinas de coser, mezcladores de alimentos y cuchillos eléctricos.
2. Ejemplos de aparatos en los que los interruptores térmicos automáticos y los protectores contra sobrecorriente pueden causar riesgo, son los mezcladores de alimentos y los rodillos exprimidores de ropa.
3. Los encerramientos que se pueden abrir anulando un interbloqueo mediante la aplicación del dedo de ensayo se consideran como partes desmontables.
21. Resistencia mecánica
Los aparatos deben tener resistencia mecánica adecuada y se deben construir para que soporten el manejo rudo que se puede esperar en el uso normal.
La conformidad se verifica aplicando golpes al aparato mediante el martillo operado por resortes como se especifica en la NTC 3446 o IEC 60068-2-75.
El aparato se sostiene de forma rígida y se aplican 3 golpes a cada punto del encerramiento que parezca débil, con una energía de impacto de 0,5 J ± 0,04 J.
Si es necesario, los golpes también se aplican a las manijas, palancas, perillas y partes similares y a las lámparas de señalización y sus encerramientos, pero solo si estas sobresalen de la cubierta del aparato más de 10 mm o si su superficie es mayor de 4 cm2. Las lámparas que quedan dentro del aparato y sus cubiertas, se ensayan solo si es probable que se dañen en uso normal.
Después del ensayo, el aparato no debe mostrar daño en el sentido de esta norma; en especial, no se debe ver afectada la conformidad con los numerales 8.1, 15.1 y 29.1. En caso de duda, el aislamiento suplementario o reforzado se somete al ensayo de rigidez dieléctrica que se indica en el numeral 16.3.
Si se sospecha que se haya presentado un defecto por la aplicación de los golpes mencionados, este defecto se puede despreciar y se aplica el conjunto de 3 golpes al mismo lugar en una nueva muestra, que debe soportar el ensayo.
Notas:
1. Cuando se aplica el cono que libera el resorte cargado a la protección de un elemento de calefacción visiblemente incandescente, se debe tener cuidado de que el martillo no golpee el elemento al pasar a través de la protección.
2. Los daños en el acabado, pequeñas mellas que no reduzcan las distancias de fuga y las distancias en el aire más allá de los valores especificados en el numeral 29.1 y las pequeñas astillas que no afecten la protección contra choque eléctrico o contra la humedad se pueden ignorar.
3. Se puede ignorar una fractura en una cubierta decorativa que tenga como respaldo otra cubierta interna, si la cubierta interna soporta el ensayo después de retirar la cubierta decorativa.
4. Para garantizar que el aparato esté apoyado con rigidez, puede ser necesario colocarlo contra una pared sólida de ladrillo, concreto u otro material similar, cubierta por una lámina de poliamyde firmemente asegurada a ella; se debe tener cuidado de que no haya espacios entre la lámina y la pared. La lámina debe tener una dureza Rockwell de HR 100, un espesor de al menos 8 mm y un área tal que ninguna parte del aparato se vea sometida a un sobre esfuerzo mecánico debido a un área de apoyo insuficiente.
22. Construcción
22.1 Si el aparato está marcado con el primer numeral del sistema IP, debe satisfacer los requisitos pertinentes indicados en la NTC 3279 (IEC 529).
La conformidad se verifica mediante los ensayos pertinentes.
22.2 Los aparatos estacionarios, deben estar provistos de medios que garanticen la desconexión de todos los polos de la red de alimentación. Tales medios deben ser uno de los siguientes:
Un cable de alimentación con un enchufe.
Un interruptor que cumpla los requisitos indicados en el numeral 24,3.
Una declaración en la hoja de instrucciones de que se ha incorporado un dispositivo de desconexión en el alambrado fijo.
Un conector.
Si un aparato monofásico Clase I con elementos de calefacción, previsto para estar conectado permanentemente al alambrado fijo, incorpora interruptores o dispositivos de protección unipolares destinados a desconectar el elemento de calefacción de la red de alimentación, estos se deben conectar al conductor de fase.
La conformidad se verifica mediante inspección.
22.3 Los aparatos provistos de clavijas para inserción en tomacorrientes no deben producir esfuerzos excesivos en ellos.
La conformidad se verifica insertando las clavijas, como en uso normal, en una toma sin contacto a tierra. El tomacorriente tiene un pivote horizontal a una distancia de 8 mm detrás de su superficie de fijación y en el plano de los tubos de contacto.
El torque que se debe aplicar para mantener la superficie de fijación del tomacorriente en el plano vertical, no debe exceder de 0,25 Nm.
Nota. El torque que se debe aplicar al tomacorriente sin el aparato, no se incluye en este valor.
22.4 Los aparatos para calentar líquidos y los que causen una vibración indebida, no deben estar provistos de clavijas para inserción en tomacorrientes.
La conformidad se verifica mediante inspección.
22.5 Los aparatos que se conectan a la red de alimentación mediante un enchufe, se deben construir de forma que en uso normal, no haya riesgo de choque eléctrico proveniente de los condensadores cargados cuando tocan las clavijas del enchufe.
La conformidad se verifica mediante el siguiente ensayo, que se debe realizar 10 veces.
El aparato es alimentado a la tensión nominal. Todos los interruptores se colocan en la posición apagado y se desconecta el aparato de la red de alimentación. Un segundo después de la desconexión, se mide la tensión entre las clavijas del enchufe, con un instrumento que no afecte apreciablemente el valor que se va a medir.
La tensión no debe ser mayor de 34 V.
Nota. No se considera que los condensadores que tengan una capacitancia menor o igual que 0,1 µmF, produzcan riesgo de choque eléctrico.
22.6 Los aparatos se deben construir de forma que su aislamiento eléctrico no se vea afectado por el agua que se puede condensar sobre las superficies frías, o por líquidos que puedan gotear de los contenedores, mangueras, acoples y partes similares del aparato. Además, el aislamiento eléctrico de los aparatos y construcciones de Clase II, no debe verse afectado si una manguera se rompe o un sello gotea.
La conformidad se verifica mediante inspección y en caso de duda, mediante el siguiente ensayo:
Con una jeringa se aplican gotas de una solución de agua coloreada, a las partes dentro del aparato donde haya ocurrido filtración de líquido y haya afectado el aislamiento eléctrico. El aparato puede estar funcionando o en reposo, lo que sea más desfavorable.
Después de este ensayo, la inspección debe mostrar que no hay rastro de líquido en los bobinados o en el aislamiento, que puedan producir una reducción de las distancias en el aire, más allá de los valores especificados en el numeral 29.1.
22.7 Los aparatos que contengan líquidos o gases en uso normal, o que estén provistos de dispositivos productores de vapor, deben incorporar protección adecuada contra el riesgo de presión excesiva.
La conformidad se verifica mediante inspección y, si es necesario, mediante el ensayo apropiado.
22.8 Para aparatos que tengan compartimientos a los cuales se pueda tener acceso sin ayuda de una herramienta y que se puedan limpiar en uso normal, las conexiones eléctricas deben estar dispuestas de forma que no se puedan halar durante la limpieza.
La conformidad se verifica mediante inspección y ensayo manual.
22.9 Los aparatos se deben construir de forma que partes como aislamiento, cableado interno, bobinados, conmutadores y anillos de ajuste, no estén expuestos al aceite, grasa o sustancias similares.
Sin embargo, si la construcción permite que el aislamiento esté expuesto a tales sustancias, la sustancia debe tener propiedades aislantes adecuadas, para que no se vea afectada la conformidad con la norma.
La conformidad se verifica mediante inspección y con los ensayos indicados en esta norma.
22.10 Los botones de los controles que no tienen reposición automática, deben estar colocados o protegidos de forma que solo sea probable una reposición accidental si esta no produce riesgo.
La conformidad se verifica mediante inspección.
Nota. Este requisito excluye, por ejemplo, los botones de reposición colocados detrás de un aparato, de forma que este se pueda reposicionar empujando el aparato contra la pared.
22.11 Las partes no desmontables que dan el grado de protección necesaria contra choque eléctrico, humedad o contacto con partes móviles, deben estar fijas y soportar el esfuerzo mecánico que se presenta durante el uso normal.
Los dispositivos de fijación para estas partes deben tener una posición de bloqueo evidente. Las propiedades de fijación de los dispositivos empleados en partes removibles durante la instalación o servicio no deben deteriorarse.
La conformidad se verifica mediante los siguientes ensayos.
Las partes que se puedan retirar para instalación o durante el servicio, se desensamblan y ensamblan 10 veces antes de realizar el ensayo.
Nota. El servicio incluye reemplazo del cable de alimentación.
El aparato debe estar a temperatura ambiente. Sin embargo, en casos en que la conformidad se pueda ver afectada por la temperatura, el ensayo se realiza inmediatamente después que el aparato se ha hecho funcionar bajo las condiciones que se especifican en el numeral 11.
El ensayo se aplica a todas las partes que se puedan desmontar, tengan o no tornillos, arandelas o partes similares.
Se aplica una fuerza durante 10 s en la dirección más desfavorable, sin sacudidas, a las áreas de la cubierta o parte que parezca débil. La fuerza debe ser:
Fuerza de empuje 50 N
Fuerza de tracción
a) Si la forma de la parte es tal que las puntas de los dedos no pueden
deslizarse fácilmente 50 N
b) Si la proyección de la parte asegurada es menor de 10 mm en la
dirección de la remoción 30 N
La fuerza de empuje se aplica mediante un dedo de ensayo rígido, similar en dimensiones al dedo normalizado que se ilustra en la Figura 1.
La fuerza de tracción se aplica por un medio adecuado como una copa de succión, de forma que los resultados de los ensayos no se vean afectados.
Mientras se está aplicando el ensayo de tracción de a) o b), la uña del dedo de ensayo que se muestra en la Figura 10, se inserta en cualquier apertura o junta, con una fuerza de 10 N; no se debe retorcer o usar como palanca.
Si la forma de la parte es tal que no permite una tracción axial, no se aplica fuerza de tracción, pero la uña de ensayo se inserta en cualquier abertura o junta con una fuerza de 10 N y luego se hala durante 10 s con una fuerza de 30 N en la dirección de remoción.
Si la cubierta o la parte se pueden someter a una fuerza de torsión, se aplica un torque como se detalla a continuación, al mismo tiempo que la fuerza de empuje o tracción:
Para dimensiones hasta 50 mm inclusive 2 Nm.
Para dimensiones superiores a 50 mm 4 Nm.
Este torque se aplica también cuando la uña de ensayo se hala.
Si la proyección de la parte asegurada es menor de 10 mm, el torque anterior se reduce a 50% del valor.
Las partes no se deben desmontar y deben permanecer aseguradas.
22.12 Las manijas, perillas, ganchos, palancas y partes similares, se deben fijar de manera segura para que no se aflojen durante el uso normal, si el aflojamiento es peligroso.
Si las manijas, perillas y partes similares se usan para indicar la posición de los interruptores o componentes similares; no debe ser posible fijarlas en una posición incorrecta, si esto produce riesgos.
La conformidad se verifica mediante inspección, por ensayo manual y tratando de retirar la manija, perilla, gancho o palanca, aplicándoles durante 1 min una fuerza axial como se indica a continuación:
Si la forma de estas partes es tal que en uso normal no se les pueda aplicar una tracción axial, la fuerza debe ser de 15 N
Si la forma es tal que sea probable aplicarles una tracción axial, la fuerza debe ser de 30 N.
Nota. Los compuestos sellados y materiales similares, distintos de resinas autoendurecidas, no se consideran adecuados para evitar aflojamiento.
22.13 Las manijas se deben construir de forma que, cuando están aseguradas como en uso normal, no sea posible el contacto entre la mano del operador y las partes cuyo incremento de temperatura sea mayor del valor especificado para manijas que se deban sostener sólo por períodos cortos en uso normal.
La conformidad se verifica mediante inspección y, si es necesario, determinando el incremento de la temperatura.
22.14 Los aparatos no deben tener bordes cortantes o agudos, distintos de los necesarios para el funcionamiento del aparato o accesorio, que puedan crear riesgo para el usuario en uso normal o durante el mantenimiento.
No debe haber puntas expuestas de tornillos u otros dispositivos de fijación que el usuario pueda tocar durante el uso normal o el mantenimiento.
La conformidad se verifica mediante inspección.
22.15 Los ganchos y dispositivos análogos para almacenar los cables, deben ser suaves y bien redondeados.
La conformidad se verifica mediante inspección.
22.16 Los dispositivos automáticos para enrollamiento de los cables se deben fabricar de forma que:
No causen abrasión o daño en el revestimiento del cable flexible.
No rompan el trenzado de los conductores.
No desgasten indebidamente los contactos.
La conformidad se verifica mediante el siguiente ensayo, que se realiza sin pasar corriente por el cable.
Se desenrollan dos terceras partes de la longitud total del cable. Luego se desenrolla una longitud adicional de 750 mm y se permite que el dispositivo la enrolle de nuevo 6 000 veces a una frecuencia aproximada de 30 veces por minuto o a la frecuencia máxima que permita el diseño del dispositivo, si es menor.
El cable se hala en una dirección tal, que ocurra la mayor abrasión al revestimiento, tomando en cuenta la posición normal de uso del aparato. En el punto donde el cable sale del aparato, el ángulo entre el eje del cable durante el ensayo y su eje cuando se desenrolla sin resistencia, debe ser aproximadamente de 60o.
Notas:
1. Si el cable no se enrolla a un ángulo de 60o, este ángulo se ajusta al máximo que permita enrollamiento.
2. Puede ser necesario interrumpir el ensayo para permitir que el cable se enfríe.
Si la longitud total del cable es menos de 2,25 m, este se debe desenrollar inicialmente hasta que queden 750 mm enrollados. Luego, esta longitud se ensaya como se especificó.
Después del ensayo, se inspecciona tanto el cable como el dispositivo de enrollamiento. En caso de duda, el cable se somete al ensayo de resistencia dieléctrica indicado en el numeral 16.3, aplicando una tensión de ensayo de 1 000 V entre los conductores del cable conectados entre sí y una lámina de metal envuelta alrededor del cable.
22.17 Los espaciadores previstos para evitar que el aparato sobrecaliente las paredes, se deben fijar de tal modo que no sea posible retirarlos de la parte exterior del aparato, manualmente o por medio de un destornillador.
La conformidad se verifica mediante inspección y por ensayo manual.
22.18 Las partes que transportan corriente y otras partes metálicas, cuya corrosión pueda resultar peligrosa, deben ser resistentes a la corrosión bajo condiciones normales de uso.
La conformidad se verifica inspeccionando después de los ensayos indicados en el numeral 19, que las partes en cuestión no muestran señal de corrosión.
Notas:
1. Se debe poner atención a la compatibilidad de los materiales de los terminales y terminaciones, así como al efecto del calentamiento.
2. El acero inoxidable y aleaciones similares resistentes a la corrosión, y el acero laminado, se consideran satisfactorios para el propósito de este requisito.
22.19 Las correas de transmisión de potencia no se consideran elementos a los que se pueda confiar el nivel requerido de aislamiento.
Este requisito no se aplica, si el aparato incorpora una correa cuyo diseño no permita realizar un reemplazo en forma inadecuada.
La conformidad se verifica mediante inspección.
22.20 Se debe evitar de manera efectiva el contacto directo entre partes activas y el aislamiento térmico, a menos que el material empleado no sea corrosivo, no higroscópico ni combustible.
La conformidad se verifica mediante inspección y, si es necesario, mediante los ensayos apropiados.
Notas:
1. La lana de vidrio es un ejemplo de aislamiento térmico satisfactorio para efectos de este requisito.
2. La lana de mineral no impregnada es un ejemplo de aislamiento térmico corrosivo.
22.21 La madera, el algodón, la seda, el papel ordinario y las fibras similares o material higroscópico, no se deben usar como aislante, a menos que estén impregnados.
Notas.
1. El material aislante se considera impregnado, si los intersticios entre sus fibras están llenos de un aislamiento adecuado.
La conformidad se verifica mediante inspección.
22.22 Los aparatos no deben contener asbestos.
La conformidad se verifica mediante inspección.
Nota. El objeto de este requisito es evitar el riesgo asociado con la inhalación de fibras o polvo de asbesto.
22.23 Los aceites que contienen bifenil policlorinato (PCB) no se deben usar en los aparatos.
La conformidad se verifica mediante inspección.
22.24 Los elementos calefactores desnudos deben tener un soporte que evite que, si se rompen, el conductor de calefacción entre en contacto con las partes metálicas puestas a tierra, o con partes metálicas accesibles.
La conformidad se verifica mediante inspección, después de cortar el conductor en el sitio más desfavorable.
Notas:
1. No se debe aplicar fuerza al conductor después de cortarlo.
2. Este ensayo se realiza después de los que se indican en el numeral 29.
22.25 Los aparatos que no sean de Clase III se deben fabricar de modo que los conductores de calefacción no puedan hacer contacto con las partes metálicas accesibles.
La conformidad se verifica mediante inspección.
Nota. Este requisito se puede cumplir suministrando aislamiento suplementario, o un núcleo que evite efectivamente la distensión del conductor.
22.26 Los aparatos de Clase II que tengan partes de construcciones Clase III, se deben fabricar de modo que el aislamiento entre las partes que funcionan a tensión extra baja y otras partes activas, cumpla los requisitos para aislamiento doble o reforzado.
La conformidad se verifica mediante los ensayos especificados para aislamiento doble o reforzado.
22.27 Las partes conectadas para impedancia de protección deben estar separadas por un aislamiento doble o reforzado.
La conformidad se verifica mediante los ensayos especificados para aislamiento doble o reforzado.
22.28 Para aparatos Clase II conectados en uso normal a redes de alimentación de gas o de agua, las partes metálicas conductivas conectadas a tubos de gas, o que estén en contacto con el agua, se deben separar de las partes activas por un aislamiento doble o reforzado.
La conformidad se verifica mediante inspección.
22.29 Los aparatos Clase II previstos para estar permanentemente conectados a alambrados fijos, se deben fabricar de forma que después de la instalación del aparato, se mantenga el grado requerido de protección contra choque eléctrico.
La conformidad se verifica mediante inspección.
Nota. La protección contra choque eléctrico se puede ver afectada por ejemplo, por la instalación de conductos metálicos o cables recubiertos de metal.
22.30 Las partes de construcciones Clase II que sirvan como aislamiento suplementario o reforzado y que se puedan omitir durante el reensamble después de las operaciones de mantenimiento, deben:
Fijarse de forma que no se puedan retirar sin sufrir un daño severo;
Construirse de forma que no se puedan reubicar en una posición incorrecta y, que si se omiten, el aparato no se pueda hacer funcionar o quede evidentemente incompleto.
La conformidad se verifica mediante inspección y ensayo manual.
Nota. Las operaciones de mantenimiento incluyen reemplazo de todos los componentes como interruptores y cables.
22.31 Las distancias de fuga y las distancias en el aire en un aislamiento suplementario o reforzado, no se deben reducir más allá de los valores que se especifican en el numeral 29.1 como resultado del desgaste. Si algún alambre, tornillo, tuerca, arandela, resorte o parte similar se afloja o se sale de su posición, las distancias mencionadas no se deben reducir más allá del 50% del valor especificado en el numeral 29. 1.
La conformidad se verifica mediante inspección, por medición y por ensayo manual.
Nota. Para los propósitos de este requisito:
Sólo se toma en cuenta la posición normal de uso del aparato.
No se espera que dos dispositivos de fijación se aflojen al mismo tiempo.
Las partes que se fijan mediante tornillos o tuercas provistas de arandelas de bloqueo, no se consideran susceptibles de aflojarse si no es necesario retirar las tuercas o tornillos durante el reemplazo del cable u otra operación de mantenimiento.
Los alambres conectados por soldadura no se consideran adecuadamente asegurados, a menos que se mantengan en su lugar cerca de los terminales, independientemente de la soldadura.
Los alambres conectados a terminales no se consideran asegurados adecuadamente, a menos que cerca del terminal se proporcione una fijación adicional, de forma que en caso de conductores trenzados, dicha fijación asegure tanto el aislamiento como el conductor.
Los alambres cortos, rígidos, no se consideran susceptibles de separarse del terminal si permanecen en posición cuando se afloja el tornillo del terminal.
22.32 El aislamiento suplementario y reforzado se deben diseñar o proteger de forma que si se deposita polvo o suciedad proveniente del desgaste de las partes dentro del aparato, esto no reduzca las distancias de fuga y las distancias en el aire más allá de los valores especificados en el numeral 29.1.
El material cerámico que no esté fuertemente sinterizado, los materiales similares o los aislantes solos, no se deben emplear como aislamiento suplementario o reforzado.
Las partes de caucho sintético o natural que se empleen como aislamiento suplementario, deben ser resistentes al envejecimiento o se deben disponer y se les deben asign ar dimensiones para que no se reduzcan las distancias de fuga ni las distancias en el aire, más allá de los valores que se especifican en el numeral 29.1, aun en caso de que ocurran agrietamientos.
Nota 1. El material aislante en el que se encierran conductores de calefacción, se considera aislamiento básico y no reforzado.
La conformidad se verifica mediante inspección, por medición y, para el caucho, mediante el siguiente ensayo.
Las partes de caucho se envejecen en una atmósfera de oxígeno bajo presión. Las muestras se suspenden libremente en una bomba de oxígeno cuya capacidad efectiva sea al menos 10 veces el volumen de las muestras. La bomba se llena con oxígeno comercial cuya pureza no sea inferior al 97 %, a una presión de 2,1 MPa ± 0,07 MPa.
Las muestras se mantienen en la bomba a una temperatura de 70 oC ± 1 oC durante 96 h. Inmediatamente después se retiran de ella y se dejan a temperatura ambiente, evitando la luz directa, durante 16 h al menos.
Después del ensayo, las muestras se examinan y no deben mostrar agrietamiento visible a simple vista.
Notas:
2. En caso de duda respecto a los materiales distintos del caucho, se pueden realizar otros ensayos.
3. El uso de las bombas de oxígeno presenta algún peligro, a menos que se manejen con cuidado. Se deben tomar precauciones para evitar el riesgo de explosión debida a una oxidación repentina.
4. En caso de duda se realiza el siguiente ensayo para determinar si el material cerámico está fuertemente comprimido
El material cerámico se rompe en pedazos que se sumergen en una solución compuesta por 1 g de fucsina para 100 g de alcohol desnaturalizado. La solución se conserva bajo una presión no inferior a 15 MPa (150 bars) durante un período tal que el producto del período de prueba, en horas, por la presión de prueba en MPa, no sea inferior a 180.
Los pedazos se retiran de la solución, se enjuagan, se secan y se trituran en pequeños trozos.
Las superficies recién trituradas se examinan y no deben presentar indicios de la tintura.
22.33 Los líquidos conductores que sean o puedan ser accesibles en uso normal no deben encontrarse en contacto directo con las partes activas. Los electrodos no deben utilizarse para calentar líquidos.
Para construcciones Clase II, los líquidos conductores que son o puedan ser accesibles en uso normal no deben encontrarse en contacto directo con un aislamiento básico o aislamiento reforzado.
Para las construcciones de Clase II, los líquidos conductores que están en contacto con las partes activas no deben tener contacto directo con un aislamiento reforzado.
Notas:
1. Los líquidos que están en contacto con las partes metálicas accesibles no puestas a tierra, son considerados accesibles.
2. Una capa de aire no se considera suficiente como una de las capas de aislamiento doble si es probable que se forme un puente por una fuga de líquido.
La conformidad se verifica mediante inspección.
22.34 Los ejes de las perillas, manijas, palancas y partes similares no deben estar activos, a menos que no sean accesibles al retirar la parte.
La conformidad se verifica mediante inspección y aplicando el dedo de ensayo como se especifica en el numeral 8.1 después de retirar la parte, aun si es con ayuda de una herramienta.
22.35 Para construcciones distintas de las de Clase III, las manijas, palancas y perillas que se sostienen o maniobran en uso normal, no deben volverse activas en caso de una falla en el aislamiento. Si son de metal y sus ejes o fijaciones son susceptibles de hacerse activos en caso de falla en el aislamiento, deben estar adecuadamente recubiertas de material aislante, o sus partes accesibles deben estar separadas de sus ejes o fijaciones mediante un aislamiento suplementario.
Nota. El material aislante se considera adecuado si cumple el ensayo indicado en el numeral 16.3, Tabla 5, numeral 4.
Para aparatos estacionarios este requisito no se aplica a las manijas, palancas y perillas distintas de las de los componentes eléctricos, si se pueden conectar a un terminal o contacto a tierra, o si están separadas de las partes activas por partes metálicas puestas a tierra.
La conformidad se verifica mediante inspección y si es necesario, por los ensayos pertinentes.
22.36 Para aparatos distintos de los Clase III, las manijas que se sostienen continuamente en la mano durante el uso normal, se deben fabricar de modo que cuando están sostenidas como en uso normal, la mano del operario no toque partes metálicas, a menos que estén separadas de las activas por un aislamiento doble o reforzado.
La conformidad se verifica mediante inspección.
22.37 Para aparatos Clase II, los condensadores no se deben conectar a partes metálicas accesibles y sus cubiertas, si son metálicas, deben estar separadas de dichas partes por un aislamiento suplementario.
Este requisito no se aplica a condensadores que cumplan los requisitos para impedancia de protección que se especifican en el numeral 22.42.
La conformidad se verifica mediante inspección y por los ensayos pertinentes.
22.38 Los condensadores no se deben conectar entre contactos de un interruptor térmico de circuito.
La conformidad se verifica mediante inspección.
22.39 Los portalámparas se deben usar sólo para la conexión de lámparas.
La conformidad se verifica mediante inspección.
22.40 Los aparatos a motor y combinados, destinados a ser movidos durante su funcionamiento o los que tengan partes móviles accesibles, deben tener un interruptor que controle el motor. El miembro activador del interruptor debe ser fácilmente visible y accesible.
La conformidad se verifica mediante inspección.
22.41 Los interruptores de mercurio se deben montar de forma que la cápsula de mercurio no pueda salirse de su posición ni dañarse con los medios de fijación y deben disponerse de forma que si la cápsula se rompe, no se libere mercurio líquido ni gaseoso que pueda contaminar los alrededores.
La conformidad se verifica mediante inspección.
22.42 La impedancia de protección debe tener al menos, dos componentes separados cuya impedancia no cambie significativamente durante la vida útil del aparato. Si uno de los componentes está en cortocircuito o si sus circuitos están abiertos, no se deben exceder los valores especificados en el numeral 8.1.4.
La conformidad se verifica mediante inspección y medición.
Notas:
1. Las resistencias que cumplan los requisitos indicados en el ensayo a) del numeral 14.1 de la norma IEC 60065 y los condensadores que cumplan los requisitos indicados en la norma IEC 60384-14 se consideran componentes que tienen una impedancia suficientemente estable.
2. Los condensadores Clase X especificados en la norma IEC 60384-14 no se consideran adecuados para uso como impedancia de protección.
22.43 Los aparatos que se puedan ajustar a distintas tensiones, se deben fabricar de forma que no ocurra un cambio accidental.
La conf ormidad se verifica mediante ensayo manual.
22.44 Los aparatos no deben tener un encerramiento cuya forma y decoración permitan que se le trate como un juguete para niños.
La conformidad se verifica mediante inspección.
Nota. Ejemplos son los encerramientos que representan animales o personas, o se parecen a modelos a escala.
22.45 Los componentes que puedan requerir reemplazo, como interruptores y condensadores, estarán fijados de modo que con la ayuda de una herramienta puedan ser removidos o reemplazados posteriormente.
La conformidad se realiza mediante inspección y, si es necesario, por prueba manual.
Nota. La fijación por soldadura es sólo permitida para resistencias, condensadores e inductancias pequeñas, si estos componentes pueden ser adecuadamente fijados por sus medios de conexión. La fijación con remaches es permitida.
22.46 No se podrá lograr acceso, sin la ayuda de una herramienta, a las escobillas mientras estén activas.
Las escobillas con casquillo roscado se asegurarán con un mínimo de tres vueltas completas.
El cumplimiento del requisito del numeral 22.46 se debe verificar por inspección, mediante prueba manual y, para escobillas roscadas accesibles desde el exterior del aparato, por el ensayo del numeral 21.
23. Cableado interno
23.1 Los conductos para los cables deben ser suaves y libres de bordes agudos.
Los cables deben estar protegidos para que no entren en contacto con asperezas, aletas de enfriamiento o bordes similares que puedan dañar su aislamiento.
Los orificios en el metal a través de los cuales pasan los cables aislados deben tener superficies suaves, bien redondeadas, o estar provistos de bujes.
Se debe evitar que el cableado entre en contacto con las partes móviles.
La conformidad se verifica mediante inspección.
23.2 Los aisladores cerámicos sobre alambres activos se deben fijar o sostener de forma que su posición no pueda cambiar; no deben quedar sobre bordes o esquinas afiladas. Si están dentro de los conductos metálicos flexibles, deben estar dentro de una funda aislante, a menos que el conducto no se pueda mover durante el uso normal.
La conformidad se verifica mediante inspección y ensayo manual.
23.3 Las diferentes partes de un aparato que puedan moverse en uso normal o durante las operaciones de mantenimiento, no deben causar esfuerzos excesivos a las conexiones eléctricas y conductores internos, incluyendo los que garantizan la continuidad de tierra. Los tubos metálicos flexibles no deben dañar el aislamiento de los conductores que están dentro de ellos. Los resortes de espiral abierto no se deben usar para proteger el cableado. Si se usa para esto un resorte cuyas espiras se tocan, debe disponer de un aislamiento adicional al de los conductores.
La conformidad se verifica mediante inspección y por el siguiente ensayo.
Si ocurre flexión en uso normal, el aparato se coloca en la posición normal de uso y se alimenta a la tensión nominal bajo condiciones normales de operación.
Las partes móviles se mueven adelante y atrás, de manera que el conductor se flexione en el ángulo más amplio posible que permita el diseño. El número de flexiones para conductores que se flexionan en uso normal es 10 000 y la frecuencia de flexión es 30 por min; para conductores que se flexionan durante el mantenimiento, el número es 100, con la misma frecuencia de flexión.
Después del ensayo, el aparat o no debe mostrar daño en el sentido de esta norma, ni deterioro para su uso posterior. En especial, el cableado y sus conexiones deben soportar los ensayos de rigidez dieléctrica que se indican en el numeral 16.3 reduciendo la tensión de ensayo a 1 000 V y aplicándola sólo entre las partes activas y otras partes metálicas.
Notas:
1. Una flexión es un movimiento hacia adelante o hacia atrás.
2. El revestimiento de un cable flexible que cumpla los requisitos que establecen las normas IEC 227 o IEC 245 se considera un recubrimiento aislante adecuado.
23.4 El cableado interno desnudo debe ser rígido y estar fijado de tal manera, que en uso normal no se reduzcan las distancias de fuga ni las tolerancias, más allá de los valores especificados en el numeral 29.1.
La conformidad se verifica durante el ensayo indicado en el numeral 29.1.
23.5 El aislamiento del cableado interno debe soportar el esfuerzo eléctrico que pueda ocurrir en uso normal.
La conformidad se verifica de la siguiente manera:
El aislamiento básico debe ser eléctricamente equivalente al de los cables que satisfacen los requisitos indicados en las normas IEC 227, IEC 245 o NTC 2356, o aprobar el siguiente ensayo de rigidez dieléctrica:
Se aplica una tensión de 2 000 V durante 15 min. entre el conductor y la lámina metálica envuelta alrededor del aislamiento básico. No debe producirse falla de aislamiento.
Notas:
1. Si el aislamiento del conductor no cumple una de estas condiciones, el conductor se considera desnudo.
2. El ensayo sólo se aplica al cableado sometido a la tensión de la red de alimentación.
3. Para construcciones Clase II se aplican los requisitos sobre aislamiento complementario y aislamiento reforzado, excepto que el revestimiento de un cable conforme con lo especificado en las normas IEC 60227, IEC 60245 o NTC 2356 puede proveer aislamiento complementario.
23.6 Cuando se usa una funda como aislamiento suplementario en el cableado interno, se debe mantener en posición por medios eficaces.
La conformidad se verifica mediante inspección y ensayo manual.
Nota. Una funda se considera fijada eficazmente si sólo se puede retirar mediante rompimiento o corte, o si está asegurada en ambos extremos.
23.7 Los conductores identificados por la combinación de colores verde/amarillo, sólo se deben usar para conductores puestos a tierra.
La conformidad se verifica mediante inspección.
23.8 No se deben usar cables de aluminio para cableado interno.
La conformidad se verifica mediante inspección.
Nota. Los bobinados de un motor no se consideran cableado interno.
23.9 Los conductores trenzados no se deben reforzar con soldadura de estaño en sitios en que estén sujetos a presión de contacto, a menos que el diseño del dispositivo de fijación no permite riesgo de mal contacto debido a flujo frío de la soldadura.
La conformidad se verifica mediante inspección.
Notas:
1. Los requisitos se pueden cumplir usando terminales elásticos. El solo aseguramiento de los tornillos no se considera adecuado.
2. Se permite la soldadura de la punta de un conductor trenzado.
24. Componentes
24.1 Los componentes deben cumplir los requisitos de seguridad que se especifican en las normas relevantes IEC o NTC, hasta donde sea razonablemente aplicable.
La conformidad se verifica mediante inspección y por los ensayos indicados en los numerales 24.1.1 a 24.1.5.
Notas:
1. La conformidad con la norma IEC para los componentes relevantes no garantiza necesariamente la conformidad con los requisitos establecidos en esta norma.
2. A menos que se especifique algo diferente, los requisitos indicados en el numeral 29 se aplican entre partes activas de componentes y partes accesibles del aparato.
24.1.1 Los condensadores que probablemente permanezcan sujetos a la tensión de suministro de la red de distribución y se usen para supresión de radiointerferencia o para división de tensión deben cumplir los requisitos que establece el Anexo Q.
Nota. Ejemplos de condensadores que puedan permanecer sujetos a la tensión de suministro de la red de distribución son los que se encuentran incorporados en aparatos, para los cuales:
Es aplicable lo especificado en el numeral 30.2.3.
Es aplicable lo especificado en el numeral 30.2.2, a menos que el condensador se desconecte del suministro mediante un interruptor de apagado-encendido. Este interruptor debe ser bipolar si el condensador se conecta a tierra.
Los portalámparas pequeños similares a los E10, deben cumplir los requisitos para estos portalámparas; no es necesario que se adapten a una lámpara con casquillo E10 conforme con la edición actual de la Hoja Estándar 7004-22 de la norma IEC 61-1.
Los conectores para aparatos lPX0 deben cumplir los requisitos que establece la norma IEC 320. Otros conectores deben cumplir los requisitos que establece la norma IEC 309.
Los controles automáticos deben cumplir los requisitos que establece la norma IEC 730, a menos que se ensayen junto con el aparato.
Los interruptores deben cumplir los requisitos que establece la norma IEC 61058-1, a menos que se ensayen junto con el aparato.
24.1.2 Los controles automáticos que no deban ser ensayados por separado y que cumplan los requisitos que establece la norma IEC 730, se deben ensayar de acuerdo con lo que indica esta norma y con los numerales 11.3.5 a 11.3.8 y 17 de la norma IEC 730 como controles tipo 1.
Los ensayos conforme a la norma IEC 730 se realizan bajo las condiciones que se presentan en el aparato.
Para los ensayos indicados en el numeral 17 de la norma IEC 730, el número de ciclos de operación es:
Termostatos 10 000
Limitadores de temperatura 1 000
Interruptores de circuito de reposición automática 300
Interruptores de circuito de reposición manual 30
Temporizadores 3 000
Reguladores de energía 10 000
Notas:
1. Los ensayos que se indican en los numerales 12, 13 y 14 no se deben realizar antes que los que indica el numeral 17 de la norma IEC 730.
2. Los ensayos indicados en el numeral 17 de la norma IEC 730 no se realizan en controles automáticos que funcionan como se indica en el numeral 11, si el aparato cumple los requisitos de esta norma cuando los controles están en cortocircuito.
3. Los controles automáticos se pueden ensayar independientemente del aparato.
24.1.3 Los interruptores que no se hayan ensayado por separado y encontrado conformes con los requisitos que establece la norma IEC 61058-1 bajo condiciones que cubren las que ocurren en el aparato, deben ser conformes con lo especificado en el Anexo S.
El ensayo indicado en el numeral 17.2.7 de la norma IEC 61058-1 se realiza por 10 000 ciclos de operación.
Los interruptores destinados para operar sin carga y que se puedan operar sólo con la ayuda de una herramienta no están sujetos a los ensayos indicados en el numeral 17 de la norma IEC 61058-1. Esto se aplica también para interruptores operados manualmente, interbloqueados de tal forma que no se puedan operar bajo carga, pero los interruptores sin este interbloqueo se someten al ensayo indicado en el numeral 17.2.7 de la norma IEC 16058-1 por 100 ciclos de operación.
Nota. El ensayo indicado en el numeral 17.2.7 de la norma IEC 61058-1 se lleva a cabo en los interruptores que especifica esta norma.
24.1.4 Si los componentes están marcados con sus características de operación, las condiciones bajo las que se usan en el aparato deben estar conforme con la marcación, a menos que se especifique algo diferente.
Nota. Para controles automáticos, el término “marcado” incluye documentación y declaración como se especifica en el numeral 7 de la norma IEC 730.
El ensayo de los componentes que deben cumplir con los requisitos de otras normas, se realiza, en general, por separado, de acuerdo con lo indicado en la norma pertinente.
Si el componente se usa dentro de los límites de su marcación, se ensaya de acuerdo con las condiciones que se presenten en el aparato; el número de muestras debe ser el que establece la norma pertinente.
Cuando no exista norma NTC o IEC para el componente, cuando no esté marcado o no se use de acuerdo con su marcación, se ensaya bajo las condiciones que ocurren en el aparato; el número de muestras es, por lo general, el que se requiere según una especificación similar.
Los componentes que no se mencionan en la Tabla 3 se ensayan como parte del aparato, tomando en cuenta su marca T, si la tienen.
24.1.5 Para condensadores conectados en serie con un devanado de motor, se verifica que, cuando el aparato se alimenta a 1,1 veces la tensión nominal bajo carga mínima, la tensión en el condensador no debe ser mayor de 1, 1 veces la nominal.
Los condensadores en aparatos para los cuales es aplicable lo especificado en el numeral 30.2.3 y que están permanentemente conectados en serie con un devanado de motor deben ser de Clase P1 o P2, tal como se indica en la norma IEC 60252.
Nota. Los condensadores en los devanados auxiliares de los motores se consideran marcados con su tensión nominal y su capacitancia nominal.
24.2 Los aparatos no deben estar provistos de:
Interruptores o controles automáticos en cables flexibles.
Dispositivos que hagan que se active el dispositivo protector en el devanado fijo en caso de falla en el aparato.
Interruptores térmicos de circuito que se puedan reposicionar mediante una operación de soldadura.
Nota. Se permite el uso de soldadura que tenga un punto de fusión de 230 oC como mínimo.
La conformidad se verifica mediante inspección.
24.3 Los interruptores destinados a garantizar la desconexión de todos los polos de los aparatos estacionarios, como se indica en el numeral 22.2, se deben conectar directamente a los terminales de alimentación y deben tener los contactos separados al menos 3 mm en cada polo.
La conformidad se verifica mediante inspección y medición.
24.4 Los enchufes que se usen como terminales para elementos de calefacción y los que se usen en circuitos de tensión extra baja, no deben ser intercambiables con los que se enumeran en las normas IEC 60083 o IEC 60906-1, o con los conectores y entradas del aparato que cumplan los requisitos que establece la norma IEC 320.
La conformidad se verifica mediante inspección.
24.5 Los enchufes y otros dispositivos de conexión para cables de interconexión, no deben ser intercambiables con los que se enumeran en las normas IEC 60083 o 60906-1, ni con conectores que cumplan con los requisitos de la norma IEC 320, si la alimentación directa a estas partes desde la red de alimentación puede ser peligrosa.
La conformidad se verifica mediante inspección y ensayo manual.
24.6 Los motores conectados a la red de alimentación y que tengan aislamiento básico inadecuado para la tensión nominal del aparato, deben cumplir con los requisitos indicados en el Anexo F. La conformidad se verifica mediante los ensayos indicados en el Anexo F.
25. Conexión a la red de alimentación y cables flexibles externos
25.1 Los aparatos no destinados a estar conectados permanentemente a un cableado fijo, deben disponer de uno de los siguientes medios de conexión a la red de alimentación:
Cable con enchufe.
Conductores de entrada que tengan al menos el mismo grado de protección contra la humedad que se requiere para el aparato.
Clavijas para inserción en los tomacorrientes.
La conformidad se verifica mediante inspección.
25.2 Los aparatos no estacionarios para alimentación múltiple, no deben tener más de un medio de conexión a la red de alimentación. Los aparatos estacionarios para alimentación múltiple pueden tener más de un medio de conexión, si los circuitos correspondientes se aislan adecuadamente uno de otro. La conformidad se verifica mediante inspección y por el siguiente ensayo.
Se aplica una tensión de 1 250 V, con forma de onda sinusoidal, con una frecuencia de 50 Hz o 60 Hz, durante 1 min, entre cada medio de conexión a la red de alimentación, estando los interruptores en la posición más desfavorable. Durante este ensayo, no debe ocurrir ninguna ruptura.
Notas:
1. Una alimentación múltiple es, por ejemplo, la que se prescribe para la alimentación durante el día y la noche a diferentes tarifas.
2. Este ensayo se puede combinar con el que se indica en el numeral 16.3.
25.3 Los aparatos destinados a estar conectados permanentemente al cableado fijo deben permitir la conexión de cables de alimentación después que el aparato se ha asegurado a su soporte y deben tener uno de los siguientes medios de conexión a la red de alimentación
Un conjunto de terminales para conectar los cables del alambrado fijo, que tengan áreas nominales como se especifica en el numeral 26.3.
Un conjunto de terminales para conectar un cable flexible.
Nota 1. En este caso se permite conectar el cable de alimentación antes de asegurar el aparato en su soporte. El aparato puede tener un cable flexible.
Un conjunto de conductores de alimentación acomodados en un compartimiento adecuado
Un conjunto de terminales y entradas para cables, conductos, entradas, agujeros ciegos o prensaestopas, para conectar los tipos apropiados de cables o conductores.
Nota 2. Si un aparato fijo tiene partes removibles para facilitar la instalación, el requisito se considera satisfecho si es posible conectar los cables de alimentación sin dificultad después que una parte del aparato se ha fijado a su soporte. En este caso, las partes removibles se deben fabricar de modo que se puedan reensamblar fácilmente a la parte que ha quedado fija en su posición, sin riesgo de que el reensamble quede hecho de forma incorrecta, ni de daño al cableado y sin exponer este a un esfuerzo que dañe los terminales o el aislamiento del cableado.
La conformidad se verifica mediante inspección y, si es necesario, haciendo las conexiones apropiadas.
25.4 Para aparatos que tengan una corriente nominal no mayor de 16 A, las entradas para cables y los conductos deben ser adecuadas para los que tengan un diámetro total máximo que se indica en la Tabla 8.
Tabla 8. Diámetro de los cables y conductos
Número de conductores incluyendo los que están puestos a tierra | Diámetro máximo total, mm | |
Cable | Conducto1) | |
2 | 13,0 | 16,0(23,0) |
3 | 14,0 | 16,0(23,0) |
4 | 14,5 | 20,0(23,0) |
5 | 15,5 | 20,0(29,0) |
1) Los diámetros que se dan en paréntesis son para uso en Canadá y Estados Unidos.
Las entradas para conductos, para cables y agujeros ciegos, se deben fabricar o colocar de forma que la introducción del conducto o cable no afecte la protección contra choque eléctrico ni reducir las distancias de fuga y las distancias en el aire más allá de los valores que se especifican en el numeral 29.1.
La conformidad se verifica mediante inspección y medición.
25.5 Los cables de alimentación se deben ensamblar con el aparato mediante uno de los siguientes métodos:
Fijación tipo X.
Fijación tipo Y.
Fijación tipo Z, si está permitido en la Parte 2.
La fijación tipo X que no tenga un cable preparado especialmente, no se debe usar para cables de hilos dobles.
La conformidad se verifica mediante inspección.
25.6 Las clavijas o enchufes no deben tener más de un cable de alimentación de potencia
La conformidad se verifica mediante inspección.
25.7 Los cables de alimentación de potencia no serán de menores especificaciones que:
El cable con cubierta trenzada (código de designación 245 IEC 51).
El cable con revestimiento de caucho ordinario (código de designación 245 IEC 53).
El cable de hilos dobles (código de designación 227 IEC 41).
el cable con revestimiento de PVC liviano (código de designación 227 IEC 52), para aparatos cuya masa no sea mayor de 3 kg.
El cable con revestimiento de PVC ordinario (código de designación 227 IEC 53), para aparatos cuya masa sea mayor de 3 kg.
Los conductores contemplados en la NTC 2356.
Nota 1. Los cables trenzados y los de hilos dobles sólo se pueden usar si está permitido en la Parte 2.
Los cables con revestimiento de PVC no se deben utilizar donde el aumento de temperatura de las partes metálicas externas sea mayor de 75 K durante el ensayo indicado en el numeral 11. Sin embargo, se pueden usar si:
El diseño del aparato no permite que el cable de alimentación toque las partes metálicas en uso normal.
El cable de alimentación es adecuado para temperaturas elevadas. En este caso, se deben usar fijaciones tipo Y o tipo Z.
La conformidad se verifica mediante inspección y mediciones.
Nota 2. Un número más bajo en el código de designación del cable en las normas IEC 227 ó IEC 245 indican un tipo más liviano.
25.8 Los conductores de los cables de alimentación deben tener un área de sección transversal nominal no menor de la que se indica en la Tabla 9.
Tabla 9.
Corriente nominal del aparato, A | Area nominal, mm2 |
£ 0,2 | Cable de hilos dobles1) |
> 0,2 y £ 3 | 0,51) |
> 3 y £ 6 | 0,75 |
> 6 y £ 10 | 1 |
> 10 y £ 16 | 1,5 |
> 16 y £ 25 | 2,5 |
> 25 y £ 32 | 4 |
> 32 y £ 40 | 6 |
> 40 y £ 63 | 10 |
1. Estos cables sólo se pueden usar si su longitud no es mayor de 2 m entre el punto en que el cable o la guarda del cable entra en el aparato y la entrada al enchufe.
La conformidad se verifica mediante medición.
25.9 Los cables de alimentación no deben entrar en contacto con puntas ni bordes agudos de los aparatos.
La conformidad se verifica mediante inspección.
25.10 El cable de alimentación de los aparatos Clase I debe tener un cable de color verde/amarillo conectado al terminal a tierra del aparato y al contacto a tierra del enchufe.
La conformidad se verifica mediante inspección.
25.11 Los conductores de los cables de alimentación no deben estar soldados en los sitios donde se someten a presión de contacto, a menos que el dispositivo de fijación no permita riesgo de malos contactos debidos al flujo frío de soldadura.
La conformidad se verifica mediante inspección.
Notas:
1. El requisito se puede cumplir usando terminales elásticos. El solo aseguramiento de los tornillos no se considera adecuado.
2. Se permite la soldadura de la punta de un conductor trenzado.
25.12 El aislamiento del cable de alimentación no se debe dañar cuando se moldea el cable sobre una parte del encerramiento del aparato.
La conformidad se verifica mediante inspección.
25.13 Las aberturas de entrada deben tener un buje o estar construidas de forma que el revestimiento del cable de alimentación se pueda introducir sin riesgo de daño.
La conformidad se verifica mediante inspección y ensayo manual.
25.13.1 Los bujes de entrada:
Deben tener una forma que evite el daño del cable de alimentación.
No deben ser partes desmontables.
La conformidad se verifica mediante inspección y ensayo manual.
25.13.2 En las aberturas de entrada, el aislamiento entre el conductor de un cable de alimentación y el encerramiento del aparato debe constar del aislamiento del conductor más:
Al menos un aislamiento separado para aparatos Clase 0.
Al menos dos aislamientos separados para otros aparatos.
Sólo se requiere de un aislamiento separado si la cubierta de la abertura de entrada es de material aislante.
El aislamiento separado debe constar de:
El revestimiento de un cable de alimentación equivalente al menos al de un cable que cumpla los requisitos que indican las normas IEC 227 o IEC 245, o
Un forro de material aislante que cumpla los requisitos indicados en el numeral 29.2 para aislamiento suplementario.
La conformidad se verifica mediante inspección.
25.14 Los aparatos provistos de un cable de alimentación, que se mueven mientras están funcionando, deben fabricarse de forma que el cable esté adecuadamente protegido contra flexión excesiva en el sitio donde entra al aparato.
Nota 1. Esto no se aplica a los aparatos que tienen poleas para enrollado automático de los cables, que se ensayan como se indica en el numeral 22.16.
La conformidad se verifica mediante el siguiente ensayo, que se realiza en un aparato que tenga un miembro oscilante como se ilustra en la Figura 11.
La parte del aparato que contiene la entrada del cable, ajustado con la funda, si la hay, y el cable de alimentación, se debe fijar al miembro oscilante de modo que, cuando este se encuentre en la mitad de su recorrido, el eje del cable, en el punto donde entra en su funda o entrada, sea vertical y pase a través del eje de oscilación. El eje mayor de la sección de los cables planos debe ser paralelo al eje de oscilación. El cable se carga de forma que la fuerza aplicada sea:
10 N para cables cuya área nominal sea mayor de 0,75 mm2.
5 N para otros cables.
La distancia A como se muestra en la Figura, entre el eje de oscilación y el punto en que el cable o su funda entre al aparato, se ajusta de forma que cuando el miembro oscilante se mueva sobre su intervalo completo, el cable y la carga hagan el mínimo movimiento lateral.
El miembro oscilante se mueve en un ángulo de 90o (45o en cada lado del vertical); el número de flexiones para fijaciones tipo Z es 20 000 y para otras fijaciones 10 000. La frecuencia de las flexiones es 60 por minuto.
Nota 2. Una flexión es un movimiento de 90o.
El cable y sus partes asociadas se hacen girar en un ángulo de 90o después de haber efectuado la mitad del número de flexiones, a menos que el cable sea plano.
Durante el ensayo, los conductores se cargan con la corriente nominal del aparato a la tensión nominal.
Nota 3. La corriente no se hace pasar a través del conductor de tierra.
El ensayo no debe producir:
Cortocircuito entre los conductores.
Ruptura de más del 10% de los hilos de un conductor.
Separación del conductor de su terminal.
Aflojamiento de la funda de un cable.
Daño, en el sentido de esta norma, del cable o su funda.
Hilos rotos que perforen el aislamiento y queden accesibles.
Notas:
4. Los conductores incluyen conductores a tierra.
5. Se considera que ha ocurrido un cortocircuito entre conductores de un cable, si la corriente sobrepasa un valor igual a dos veces la corriente nominal del aparato.
25.15 Los aparatos provistos de un cable de alimentación, deben tener medios de fijación que alivien el esfuerzo en los conductores, incluida la torsión, cuando se conectan dentro del aparato y protejan el aislamiento de los conductores de la abrasión. Este requisito también se apli ca a los aparatos destinados a estar permanentemente conectados al cableado fijo mediante un cable flexible.
No debe ser posible empujar el cable al interior del aparato hasta una extensión que pueda dañar el cable o las partes internas del aparato.
La conformidad se verifica mediante inspección, por ensayo manual y por el siguiente ensayo.
Se hace una marca en el cable mientras está sujeto a la fuerza de tracción que se indica en la Tabla 10, a una distancia aproximada de 2 cm. desde el medio de fijación del cable u otro punto adecuado.
Luego se hala el cable 25 veces con la misma fuerza, en la dirección más desfavorable, sin sacudidas, durante 1 s cada vez.
El cable que no sea de enrollamiento automático se somete inmediatamente a un torque que se aplica lo más cerca posible del aparato. El torque debe ser como se especifica en la Tabla 10 y se aplica durante 1 min.
Tabla 10. Fuerza de tracción y torque
Masa del aparato, kg | Fuerza de tracción, N | Torque, Nm |
£ 1 | 30 | 0,1 |
> 1 y £ 4 | 60 | 0,25 |
> 4 | 100 | 0,35 |
Durante los ensayos el cable no debe dañarse.
Después de los ensayos, el cable no debe desplazarse longitudinal mente más de 2 mm y los conductores no deben moverse en una distancia mayor de 1 mm en los terminales. No debe haber tensión apreciable en la conexión y las distancias de fuga y las distancias en el aire no se deben reducir más allá de los valores que se especifican en el numeral 29.1.
Nota. El desplazamiento de la marca sobre el cable en relación con el dispositivo de fijación u otro punto, se mide mientras se somete el cable a la tracción.
25.16 Los dispositivos de anclaje del cable para fijaciones tipo X se deben fabricar y colocar de forma que:
Se pueda reemplazar el cable fácilmente.
Sea claro cómo aliviar la tensión y evitar la torsión.
Sean adecuados para los diferentes tipos de cable a los que se puedan conectar, a menos que el cable sea preparado especialmente.
El cable no esté asegurado con un tornillo metálico que haga contacto directo con el cable.
Al menos una parte del dispositivo de anclaje del cable esté asegurada al aparato, a menos que sea parte de un cable preparado especialmente.
Los tornillos que se deban colocar cuando se reemplaza el cable no aseguren ningún otro componente. Sin embargo esto no se aplica si:
Los tornillos se omiten o los componentes se colocan incorrectamente y el aparato se hace inoperante o es claramente incompleto.
Las partes previstas para ser aseguradas con los tornillos no se pueden retirar sin ayuda de una herramienta durante el reemplazo del cable.
Si los laberintos se pueden pasar por alto, el ensayo indicado en el numeral 25.15 se considera aprobado.
Para aparatos Clase O, OI y I, los anclajes son de material aislante o están provistos de un forro aislante, a menos que una falla del aislamiento del cable evite el acceso a las partes metálicas activas.
Para aparatos Clase II, los anclajes son de material aislante o, si son de metal, están aislados de las partes metálicas accesibles mediante un aislamiento suplementario.
Notas:
1. Si el anclaje del cable para fijaciones tipo X contiene uno o más dispositivos de fijación, a los que se aplique presión mediante tuercas y pernos asegurados al aparato, se considera que el anclaje tiene una parte asegurada firmemente al aparato, aun si el dispositivo se puede retirar del aparato.
2. Si la presión sobre los dispositivos de fijación se aplica mediante uno o más tornillos con tuercas separadas o con una rosca en una parte integral del aparato, no se considera que el anclaje tenga una parte asegurada firmemente al aparato. Esto no se aplica si uno de los dispositivos de fijación se asegura al aparato o si la superficie del aparato es de material aislante y su diseño hace evidente que esta superficie es uno de los dispositivos de fijación.
3. En la Figura 13 se dan ejemplos de construcciones aceptables e inaceptables de anclajes de cables.
La conformidad se verifica mediante inspección y por el ensayo indicado en el numeral 25.15 bajo las siguientes condiciones.
Los ensayos se realizan con el tipo de cable más liviano posible, con el área más pequeña de las que se especifican en la Tabla 11 y luego con el tipo más pesado de cable que tenga el área más grande especificada. Sin embargo, si el aparato tiene un cable especial, el ensayo se realiza con este cable.
Los conductores se colocan en los terminales y los tornillos se aprietan solo lo suficiente para evitar que los conductores se salgan de su posición. Los tornillos de fijación del anclaje del cable se aprietan con dos terceras partes del torque especificado en el numeral 28.1. Los tornillos del material aislante que van directamente sobre el cable, se aseguran con dos terceras partes del torque especificado en la columna 1 de la Tabla 12; la longitud de la ranura en la cabeza de los tornillos se toma como el diámetro nominal del tornillo.
25.17 Para fijaciones tipo Y y tipo Z, los anclajes del cable deben ser los adecuados.
La conformidad se verifica mediante el ensayo que se indica en el numeral 25.15.
Nota. El ensayo se realiza en el cable que trae el aparato.
25.18 Los anclajes se deben disponer de forma que solo sean accesibles con ayuda de una herramienta o se deben fabricar de forma que el cable sólo se pueda sacar con ayuda de una herramienta.
La conformidad se verifica mediante inspección.
25.19 Para fijaciones tipo X, no se deben utilizar prensaestopas como anclajes en aparatos portátiles. No se permite atar el cable con una cuerda ni anudarlo.
La conformidad se verifica mediante inspección.
25.20 Los conductores aislados del cable de alimentación para fijaciones tipo Y y tipo Z, deben tener un aislamiento adicional de las partes metálicas accesibles, que puede ser un aislamiento básico para aparatos Clase O, OI y I, y un aislamiento suplementario para aparatos Clase II. Este aislamiento puede ser el forro del cable de alimentación u otro medio.
La conformidad se verifica mediante inspección y por los ensayos pertinentes.
25.21 El espacio reservado para la conexión de los cables de alimentación en cableados fijos o para la conexión del cable de alimentación en las fijaciones tipo X, se debe construir de fo rma que:
Permita verificar que los conductores de alimentación estén en la posición correcta y que se conecten antes de colocar cualquier cubierta.
Las cubiertas se puedan colocar sin riesgo de daño para los conductores o su aislamiento.
En aparatos portátiles, el extremo no aislado de un conductor, si se separa del terminal, no pueda entrar en contacto con partes metálicas accesibles, a menos que el diseño del extremo del cable impida que los conductores se salgan del terminal.
La conformidad se verifica mediante inspección y por un ensayo de instalación con cables que tengan la mayor área que se especifica en la Tabla 11.
Los aparatos portátiles se someten al siguiente ensayo adicional.
Para terminales en que el cable de alimentación no esté fijo a una distancia de 30 mm o menos desde el terminal y para otros terminales fijados con tornillos, estos o las tuercas se aflojan uno a uno. Luego se aplica una fuerza de 2 N al conductor en cualquier dirección en una posición adyacente al terminal. El extremo no aislado del conductor no debe entrar en contacto con partes metálicas accesibles.
Notas:
1. Este ensayo no se realiza en aparatos que tengan terminales en que el cable de alimentación esté asegurado a una distancia de 30 mm o menos desde el terminal.
2. El cable de alimentación se puede fijar con un anclaje.
25.22 Las entradas del aparato deben:
Estar localizadas o cubiertas de forma que las partes activas no sean accesibles durante la inserción o remoción del conector.
Estar colocadas de forma que el conector se pueda insertar sin dificultad.
Estar localizadas de forma que, después de la inserción del conector, el aparato no se apoye sobre el conector cuando este esté en la posición normal de uso o sobre una superficie plana.
No permitir la entrada del cable al aparato si el incremento de la temperatura de sus partes metálicas externas, supera los 75 K durante el ensayo que se indica en el numeral 11, a menos que el diseño del aparato impida que el cable toque esas partes durante el uso normal.
La conformidad se verifica mediante inspección.
Nota. Se considera que los aparatos provistos de entradas que cumplan los requisitos indicados en la norma IEC 320, cumplen el primer requisito.
25.23 Los cables de interconexión deben cumplir los requisitos para cables de alimentación, excepto que:
El área de la sección transversal de los conductores del cable de interconexión se determina con base en la corriente máxima que lleva el conductor durante el ensayo del numeral 11 y no en la corriente nominal del aparato;
El espesor del aislamiento del conductor se puede reducir si la tensión del conductor es menor que la tensión nominal.
La conformidad se verifica mediante inspección, medición y, si es necesario, con ensayos como el de rigidez dieléctrica que se indica en el numeral 16.3.
25.24 Los cables desmontables para interconexión entre diferentes partes de un aparato, no deben tener medios de conexión tales, que las partes metálicas accesibles se vuelvan activas si ocurre desconexión a causa de la separación de uno de ellos.
La conformidad se verifica mediante inspección y, si es necesario, mediante el dedo de ensayo que se ilustra en la Figura 1.
25.25 Los cables de interconexión no deben poder desmontarse sin ayuda de una herramienta, si la conformidad con esta norma se ve afectada al desconectarse estos cables.
La conformidad se verifica mediante inspección y, si es necesario, mediante los ensayos apropiados.
26. Terminales para conductores externos
26.1.1 Los aparatos que tengan fijación tipo X y los que están destinados a conexión a un cableado fijo, deben tener terminales en los que la conexión se realice mediante tornillos, tuercas o dispositivos similares. Este requisito no se aplica a aparatos que tengan conductores de alimentación o fijaciones tipo X con un cable preparado especialmente.
Los tornillos y tuercas no deben servir para fijar ningún otro componente, excepto conductores internos, si estos están dispuestos de forma que no se desplacen cuando se conectan los conductores de alimentación.
La conformidad se verifica mediante inspección.
Notas:
1. Los requisitos de seguridad para unidades de fijación tipo con y sin tornillo para conductores eléctricos de cobre, están en estudio. Las unidades sin tornillos conforme indica el numeral 3.10 de la norma IEC 60999-1, provistas de un elemento activador, se consideran igualmente efectivas.
2. En la norma IEC 60998-2-2 se dan los requisitos para terminales sin tornillos.
26.1.2 En aparatos con fijaciones tipo X, se puede usar soldadura para la conexión de conductores externos, si estos se colocan o se fijan, de forma que la soldadura no sea el único medio para mantenerlos en posición. Sin embargo, la soldadura sola se puede usar, siempre y cuando se proporcionen barreras, que eviten la reducción de las distancias de fuga y las distancias en el aire entre las partes activas y las partes metálicas, en más del 50% de los valores especificados en el numeral 29.1, en caso de que el conductor se suelte de la junta soldada.
Para aparatos con fijaciones tipo Y o tipo Z, se pueden emplear soldaduras con aporte, sin aporte, con reborde y conexiones similares para los conductores externos. Para aparatos Clase II, el conductor se debe colocar o fijar de forma que la soldadura no sea el único medio para mantenerlos en posición. Sin embargo, la soldadura sola se puede usar, siempre y cuando se proporcionen barreras, que eviten la reducción de las distancias de fuga y las distancias en el aire entre las partes activas y las partes metálicas, en más del 50% de los valores especificados en el numeral 29.1, en caso de que el conductor se suelte de la junta soldada.
La conformidad se verifica mediante inspección y medición.
Notas:
1. No se espera que dos fijaciones independientes se aflojen al mismo tiempo.
2. Los conductores conectados solo por soldadura no se consideran bien asegurados, a menos que se mantengan en su sitio cerca del terminal. Sin embargo, “engancharlos” antes de soldarlos, se considera un medio adecuado para mantener en posición conductores que no sean de hilos dobles, con la condición de que el agujero por el que pasan no sea demasiado grande.
3. Los conductores conectados a terminales por medios distintos no se consideran bien asegurados, a menos que dispongan de una fijación adicional cerca del terminal. Esta debe asegurar tanto el aislamiento como el conductor del cable.
4. Los terminales de un componente como un interruptor, se pueden usar como terminales para conductores externos, si cumplen con los requisitos indicados en este numeral.
26.2 Los terminales para fijaciones tipo X y para conexión a cableados fijos, deben permitir la conexión de conductores cuya área de sección transversal sea como se indica en la Tabla 11. Sin embargo, si se usa un cable preparado especialmente, los terminales solo deben ser adecuados para la con exión de ese cable.
Tabla 11. Area de la sección transversal de los conductores
Corriente nominal del aparato, A | Area nominal de la sección transversal mm2 | |||||
Cables flexibles | Cables para cableado fijo | |||||
£ 3 | 0,5 | y | 0,75 | 1 a 2,5 | ||
> 3 | y | £ 6 | 0,75 | y | 1 | 1 a 2,5 |
> 6 | y | £ 10 | 1 | y | 1,5 | 1 a 2,5 |
> 10 | y | £ 16 | 1,5 | y | 2,5 | 1,5 a 4 |
>16 | y | £ 25 | 2,5 | y | 4 | 2,5 a 6 |
>25 | y | £ 32 | 4 | y | 6 | 4 a 10 |
> 32 | y | £ 40 | 6 | y | 10 | 6 a 16 |
> 40 | y | £ 63 | 10 | y | 16 | 10 a 25 |
La conformidad se verifica mediante inspección, por medición y montando cables que tengan las áreas de sección transversal más pequeña y más grande de las que se especifican.
26.3 Los terminales para el cable de alimentación deben ser adecuados para ese propósito. Los terminales con y sin tornillos no se deben usar para la conexión de conductores de hilos dobles, a menos que los extremos de los conductores tengan un dispositivo adecuado para uso con terminales de tornillo.
La conformidad se verifica mediante inspección y aplicando una fuerza de 5 N a la conexió n.
Después del ensayo, la conexión no debe mostrar daño en el sentido de esta norma.
26.4 Los terminales para fijaciones tipo X y para conexión a un cableado fijo, se deben asegurar de forma que cuando el medio de fijación se apriete o se afloje:
El terminal no se afloje.
El bobinado interno no se vea sometido a esfuerzo.
Las distancias de fuga y las distancias en el aire no se reduzcan más allá de los valores especificados en el numeral 29.1.
La conformidad se verifica mediante inspección, aplicando un torque igual a dos terceras partes del torque especificado en el siguiente ensayo establecido en el numeral 9.6 de la IEC 999-1.
Notas:
1. Se puede evitar que los terminales se aflojen fijándolos con dos tornillos, fijando con un tornillo en un espacio tal que no se presente movimiento apreciable, o por otro medio adecuado.
2. Un recubrimiento con un compuesto sellante sin otro medio de fijación, no se considera suficiente. Sin embargo, las resinas autoendurecidas se pueden usar para asegurar terminales que no se sometan a torsión durante el uso normal.
26.5 Los terminales para fijación tipo X y para conexión a un cableado fijo, se deben fabricar de forma que aseguren el conductor entre las superficies metálicas con suficiente presión de contacto y sin dañarlo.
La conformidad se verifica mediante inspección de los terminales y conductores, después del ensayo indicado en el numeral 26.4.
26.6 Los terminales para fijación tipo X, excepto los que tienen un cable preparado especialmente y los destinados a conexión a un cableado fijo, no requieren preparación especial del conductor. Se deben fabricar o colocar de forma que el conductor no se pueda deslizar fuera de posición cuando se aprietan los tornillos o tuercas.
La conformidad se verifica mediante inspección de los conductores y terminales después del ensayo indicado en el numeral 26.4.
Notas:
1. El término “preparación especial del conductor” cubre la soldadura de hilos, el uso de guardacabos, ojetes o dispositivos similares, pero no la re-formación del conductor antes de introducirlo en el terminal o el retorcido de un conductor trenzado, para consolidar el extremo.
2. Los conductores se consideran dañados si muestran depresiones profundas o agudas.
26.7 Los terminales de tipo columna se deben fabricar y colocar de forma que el extremo de un conductor introducido en un orificio, sea visible o pueda pasar más allá del orificio roscado, por una distancia al menos igual a la mitad del diámetro nominal del tornillo, o 2,5 mm, la que sea mayor.
La conformidad se verifica mediante inspección y medición.
26.8 Los terminales, incluyendo el terminal a tierra, para la conexión de cableados fijos, se deben colocar cerca unos de otros.
La conformidad se verifica mediante inspección.
26.9 Los terminales para fijación tipo X deben ser accesibles después de la remoción de una cubierta o parte del encerramiento.
26.10 Los terminales solo deben ser accesibles después de retirar una parte no desmontable.
El cumplimiento es verificado por inspección y mediante ensayo manual.
26.11 Los dispositivos terminales de los aparatos con fijación tipo X estarán localizados de modo que si un hilo de un cable se suelta no haya riesgo de conexión accidental entre las partes activas y las partes metálicas accesibles y, en el caso de los aparatos Clase II, entre las partes activas y las partes metálicas s eparadas de las partes metálicas accesibles mediante aislamiento suplementario únicamente.
La conformidad se verifica mediante inspección y por el siguiente ensayo.
Se retira un aislamiento de 8 mm de longitud del extremo de un conductor flexible, cuya área nominal de sección transversal sea como se especifica en la Tabla 9.
Se libera un alambre del conductor trenzado y los otros se insertan completamente y se aseguran en el terminal.
El que está libre se dobla, sin romper el aislamiento, en todas las direcciones posibles, pero sin hacer doblados agudos alrededor de las barreras.
Nota. El ensayo se aplica también a los conductores a tierra.
26.12 Las clavijas utilizadas en los aparatos objeto de esta norma deben cumplir las especificaciones de la NTC 1650.
27. Dispositivos para conexión a tierra
27.1 Las partes metálicas accesibles de los aparatos Clase OI y I, que puedan volverse activas en caso de falla del aislamiento, se deben conectar de forma permanente y confiable a un terminal a tierra dentro del aparato o al contacto a tierra de la entrada del aparato.
Los terminales a tierra y los contactos a tierra no se deben conectar al terminal neutro.
Los aparatos Clase O, II y III no deben tener medios de conexión a tierra.
La conformidad se verifica mediante inspección.
Notas:
1. Las partes metálicas accesibles no se consideran susceptibles de volverse activas en caso de falla del aislamiento, si están separadas de las partes activas por partes metálicas conectadas al terminal a tierra o al contacto a tierra.
2. Las partes metálicas colocadas detrás de una cubierta decorativa que no soporte el ensayo indicado en el numeral 21, se consideran accesibles.
27.2 Los terminales para la conexión de conductores de fijación equipotencial externa, deben permitir la conexión de conductores que tengan áreas nominales de sección transversal entre 2,5 mm2 y 6 mm2 y no se deben usar para proporcionar continuidad de la puesta a tierra entre diferentes partes del aparato. No debe ser posible aflojar los conductores sin ayuda de una herramienta.
El dispositivo de fijación de los terminales a tierra debe protegerse adecuadamente para que no se afloje accidentalmente.
La conformidad se verifica mediante inspección y por ensayo manual.
Notas:
1. El conductor a tierra en un cable de alimentación no se considera un conductor de fijación equipotencial
2. En general, las construcciones que se usan normalmente para terminales que transportan corriente, distintos de algunos de tipo columna, garantizan suficiente elasticidad para cumplir con el último requisito. Para otras construcciones se deben tomar disposiciones especiales como el uso de una parte adecuadamente elástica que no se pueda retirar inadvertidamente.
27.3 Si una parte desmontable se enchufa en otra del aparato y tiene conexión a tierra, esta conexión se debe hacer antes de establecer las conexiones que transportan corriente, cuando se coloca la parte en su sitio y las conexiones que transportan corriente se deben separar antes de que se rompa la conexión a tierra cuando se desmonta la parte.
Para aparatos con cables de alimentación, la disposición de los terminales o la longitud de los conductores entre el anclaje del cable y los terminales, debe ser tal que los conductores que transportan corriente se tensionen antes que el conductor a tierra, si el cable se desliza fuera del anclaje del cable.
La conformidad se verifica mediante inspección y ensayo manual.
27.4 Ninguna de las partes del terminal a tierra destinadas a la conexión de conductores externos debe tener riesgo de corrosión por contacto entre estas partes y el cobre del conductor a tierra, o cualquier otro metal en contacto con ellas.
Las partes que permiten la continuidad de la conexión a tierra, distintas de los marcos o encerramientos metálicos, deben ser de un metal, recubierto o no, que tenga adecuada resistencia a la corrosión. Si tales partes son de acero, deben tener áreas esenciales con recubrimiento de electroplata, de un espesor de 5 µmm como mínimo.
Las partes de acero revestido o no, que solo están destinadas a dar o transmitir presión de contacto, deben estar adecuadamente protegidas contra la oxidación.
Si el cuerpo del terminal a tierra es parte de un marco o encerramiento de aluminio o una aleación de aluminio, se deben tomar precauciones para evitar el riesgo de corrosión proveniente del contacto entre el cobre y el aluminio o sus aleaciones.
La conformidad se verifica mediante inspección y medición.
Notas:
1. Las partes de cobre o aleaciones de cobre que contengan al menos 58% de este elemento para partes trabajadas en frío, y al menos 50% de cobre para otras partes y las partes de acero inoxidable que contengan al menos 13% de cromo, se consideran suficientemente resistentes a la corrosión.
2. Las partes sometidas a tratamiento como cromatización, en general no se consideran adecuadamente protegidas contra la corrosión, pero se pueden usar para hacer o transmitir presión de contacto.
3. En la Figura 14 se dan ejemplos de partes que permiten la continuidad de la conexión a tierra y partes que solo hacen o transmiten presión de contacto.
4. Las áreas esenciales de las partes de acero son, en especial, las que pueden transmitir una corriente de falla. Al evaluarlas, se debe tomar en cuenta el espesor del recubrimiento en relación con la forma de la parte. En caso de duda, el espesor del recubrimiento se mide como se indica en las normas ISO 2178 o en la ISO 1463.
27.5 La conexión entre el terminal a tierra o el contacto a tierra y las partes metálicas puestas a tierra, debe tener baja resistencia.
La conformidad se verifica mediante el siguiente ensayo.
Se hace pasar una corriente derivada de una fuente, con una tensión sin carga no mayor de 12 V (c.a. o c.c.) e igual a 1,5 veces la corriente nominal del aparato, o 25 A, la que sea mayor, entre el terminal o el contacto a tierra, y cada una de las partes metálicas accesibles, una a la vez.
Se debe medir la caída de tensión entre el terminal a tierra del aparato o el contacto a tierra de la entrada de este y las partes accesibles. La resistencia calculada a partir de la corriente y la caída de tensión, no debe ser mayor de 0,1 W.
Notas:
1. En caso de duda, el ensayo se realiza hasta que se alcancen condiciones estables.
2. La resistencia del cable de alimentación no se incluye en la medición.
3. Se debe tener cuidado de asegurar que la resistencia de contacto entre el extremo de la sonda de medición y la parte metálica en ensayo, no influya en los resultados de los ensayos.
27.6 Los conductores impresos de las tarjetas de circuitos impresos no se deben usar para dar continuidad a tierra en los aparatos que se sostienen en la mano. Se pueden usar para dar continuidad a tierra en otros artefactos si:
Se usan al menos 2 pistas con puntos de soldadura independientes y el aparato cumple lo especificado en el numeral 27.5 para cada circuito.
El material de la tarjeta de circuito impreso cumple lo especificado en la norma IEC 60249-2-4 o en la IEC 60249-2-5.
La conformidad se verifica mediante inspección y por los ensayos pertinentes.
28. Tornillos y conexiones
28.1 Las fijaciones, cuya falla pueda afectar la conformidad con esta norma, y las conexiones eléctricas normalizadas y las conexiones que proporcionan continuidad a tierra, deben soportar los esfuerzos mecánicos que se presenten durante el uso.
Los tornillos que se usan para estos propósitos no deben ser de un metal blando o sujeto a flexión, como el zinc o el aluminio. Si son de material aislante, deben tener un diámetro nominal de 3 mm como mínimo, y no se deben usar para ninguna conexión eléctrica o conexión que provea continuidad a tierra.
Los tornillos que se usan para conexiones eléctricas o para conexiones que provean continuidad a tierra se deben atornillar en el metal.
La conformidad se verifica mediante inspección y por el siguiente ensayo.
Los tornillos y tuercas se ensayan si:
Se usan para conexiones eléctricas.
Se usan para conexiones que provean continuidad a tierra, a menos que se usen por lo menos dos tornillos o tuercas.
Se puedan apretar:
Durante el mantenimiento por parte del usuario.
Cuando se reemplaza un cable de alimentación que tenga un accesorio tipo X.
Durante la instalación.
Cuando se ensayan los tornillos y tuercas de terminales, se coloca en el terminal un conductor o cable flexible que tenga la mayor área de sección transversal especificada en la Tabla 11. Se vuelve a colocar antes de cada vez que se ajuste el tornillo.
El ensayo se realiza con un destornillador o llave adecuada y aplicando un torque como se indica en la Tabla 12.
La columna I se aplica para tornillos metálicos sin cabeza, si el tornillo no sobresale del agujero cuando se aprieta.
La columna II se aplica:
Para otros tornillos metálicos y para tuercas
Para tornillos de material aislante:
Que tengan cabeza hexagonal y cuya dimensión sea mayor que el diámetro total de la rosca.
Que tengan cabeza cilíndrica y adaptador para llave, siendo la dimensión de este último mayor que el diámetro total de la rosca.
Que tengan cabeza ranurada o para destornillador de estrella, cuya longitud sea 1,5 veces el diámetro total de la rosca.
La columna III se aplica para otros tornillos de material aislante.
Tabla 12. Torque para el ensayo de tornillos y tuercas
| Diámetro nominal del tornillo (diámetro de la rosca externa) mm | a)Torque Nm | ||
| I | II | III | |
£ 2,8 | 0,2 | 0,4 | 0,4 |
| >2,8 y £ 3,0 | 0,25 | 0,5 | 0,5 |
| > 3 y £ 3,2 | 0,3 | 0,6 | 0,5 |
| > 3,2 y £ 3,6 | 0,4 | 0,8 | 0,6 |
| > 3,6 y £ 4,1 | 0,7 | 1,2 | 0,6 |
| > 4,1 y £ 4,7 | 0,8 | 1,8 | 0,9 |
| > 4,7 y £ 5,3 | 0,8 | 2,0 | 1,0 |
| > 5,3 | - | 2,5 | 1,25 |
No debe ocurrir deterioro que impida el uso posterior de las fijaciones o conexiones.
Nota. La forma de la pala del destornillador debe ajustar en la cabeza del tornillo.
28.2 Las conexiones eléctricas y conexiones que provean continuidad a tierra se deben fabricar de forma que la presión de contacto no se transmita a través del material aislante que sea susceptible de encogerse o deformarse, a menos que haya suficiente flexibilidad en las partes metálicas para compensar por cualquier posible encogimiento o distorsión del material aislante.
La conformidad se verifica mediante inspección.
Nota. El material cerámico no es susceptible de encogerse o deformarse.
Este requisito no se aplica a conexiones eléctricas en circuitos que transportan una corriente no mayor que 0,5 A.
28.3 Los tornillos con roscado espaciado (lámina metálica) no deben ser usados para la conexión de partes que llevan corriente, a menos que sujeten directamente estas partes una contra la otra.
Los tornillos autorroscantes no se deben usar para conexiones eléctricas, a menos que produzcan una rosca completamente normalizada de tornillo de máquina.
Estos tornillos no se deben utilizar si el usuario o instalador los pueden maniobrar,
a menos que la rosca se forme por acción de recalcar.
Los tornillos autorroscantes y los de lámina metálica se pueden usar para asegurar la continuidad a tierra, si no es necesario alterar las conexiones eléctricas en uso normal y si al menos dos de los tornillos se usan para cada conexión.
La conformidad se verifica mediante inspección.
28.4 Los tornillos y tuercas que hacen una conexión mecánica entre diferentes partes del aparato, se deben asegurar para que no se aflojen, si también hacen conexiones eléctricas o que proveen continuidad a la conexión a tierra.
Notas:
1. Este requisito no se aplica a tornillos en el circuito a tierra, si al menos dos de ellos se usan para la conexión, o si existe un circuito alterno a tierra.
2. Las arandelas elásticas, de presión y chavetas, como parte de la cabeza del tornillo, son un medio seguro de fijación.
3. Un compuesto sellante que se suaviza al calentarse, da una seguridad satisfactoria sólo para conexiones atornilladas no sometidas a torsión en uso normal.
Los remaches que se usan para conexiones eléctricas o para conexiones que provean continuidad a tierra se deben asegurar para que no se aflojen si estas conexiones se someten a torsión en uso normal.
Notas:
4. Este requisito no implica que sea necesario más de un remache para asegurar la continuidad de la conexión a tierra.
5. Puede ser suficiente con un eje no circular o una ranura apropiada.
La conformidad se verifica mediante inspección y por ensayo manual.
29. Distancias de fuga, distancias en el aire y distancias a través del aislamiento
29.1 Las distancias de fuga y las distancias en el aire no deben ser inferiores a los valores en milímetros que se dan en la Tabla 13.
29.2 Si ocurre una tensión razonable entre el punto en que un bobinado y un condensador se conectan juntos y las partes metálicas separadas de las partes activas solo por el aislamiento básico, las distancias de fuga y las distancias en el aire no deben ser inferiores a los valores especificados para el valor de la tensión producida por resonancia; estos valores se aumentan en 4 mm en el caso del aislamiento reforzado.
La conformidad se verifica mediante medición.
En los aparatos provistos de una entrada, la medición se hace con un conector insertado. Para aparatos con fijación tipo X que no tengan un cable preparado especialmente, las mediciones se hacen con conductores de alimentación que tengan la mayor área de sección transversal especificada en la Tabla 11 y también sin conductores. En otros aparatos, las mediciones se hacen en el aparato tal como se entrega al usuario.
En aparatos que tengan correas, las mediciones se hacen estando estas colocadas, y cualquier dispositivo previsto para variar la tensión de la correa, ajustado en la posición más desfavorable dentro de su intervalo de ajuste; también se hacen las mediciones sin las correas. Las partes móviles se colocan en la posición más desfavorable. Las tuercas y tornillos con cabezas no circulares se aprietan en la posición más desfavorable.
Las distancias en el aire entre terminales y partes metálicas accesibles, también se miden con los tornillos y tuercas desatornillados lo más posible, pero las distancias en el aire no deben ser menores del 50% de los valores que se dan en la Tabla 13.
Las distancias entre las ranuras o aberturas en las partes externas del material aislante, se miden en una lámina metálica colocada sobre la superficie accesible. La lámina se empuja en las esquinas y sitios similares mediante el dedo de ensayo que se ilustra en la Figura 1, pero no se presiona en las aberturas.
Si es necesario, se aplica una fuerza a cualquier punto en los conductores desnudos, distintos de los elementos de calefacción, a cualquier punto en los tubos metálicos capilares no aislados de los termostatos y dispositivos similares y al exterior de las cubiertas metálicas, con el fin de reducir las distancias de fuga y las distancias en el aire mientras se toman las mediciones.
La fuerza se aplica mediante un dedo de ensayo como el que se ilustra en la Figura 1 y tiene un valor de
2 N para conductores desnudos, capilares no aislados de termostatos, mangueras conductoras, láminas metálicas dentro del aparato y partes similares.
30 N para encerramientos.
Notas:
1. Los métodos de medición para las distancias de fuga y distancias en el aire son los que se indican en el Anexo E.
2. Las tolerancias se miden sobre las barreras. Si la barrera está en dos partes que no estén cementadas juntas, las distancias en el aire y distancias de fuga se miden a través de la junta.
3. En aparatos que tengan partes con aislamiento doble, donde no haya metal entre el aislamiento básico y el suplementario, las mediciones se hacen como si lo hubiera.
4. Al evaluar las distancias de fuga y las distancias en el air e, se debe tomar en consideración el efecto de los forros aislantes de las cubiertas y encerramientos metálicos.
5. Los medios para fijar el aparato a un soporte deben ser accesibles.
6. Los valores especificados en la tabla no se aplican a los puntos de convergencia de los devanados del motor.
Tabla 13. Distancias de fuga y distancias en el aire
| Distancias, mm | Aparatos y construcciones clase III | Otros aparatos | ||||||
| Tensión de servicio £ 130 V | Tensión de servicio > 130 V y £ 250 V | Tensión de servicio >250 V y £ 480 V | ||||||
| Distancia de fuga | Distancia en el aire | Distancia de fuga | Distancia en el aire | Distancia de fuga | Distancia en el aire | Distancia de fuga | Distancia en el aire | |
| Entre partes activas de diferente potencial1) | ||||||||
| - si están protegidas contra deposición de suciedad2) | 1,0 | 1,0 | 1,0 | 1,0 | 2,0 | 2,0 | 2,0 | 2,0 |
| - Si no lo están | 2,0 | 1,5 | 2,0 | 1,5 | 3,0 | 2,5 | 4,0 | 3,0 |
| - si los bobinados están lacados o esmaltados | 1,0 | 1,0 | 1,5 | 1,5 | 2,0 | 2,0 | 3,0 | 3,0 |
| - Para resistencias de coeficiente de temperatura positivo CTP incluyendo sus alambres de conexión, si están protegidos contra deposición de suciedad o humedad2) | - | - | 1,0 | 1,0 | 1,0 | 1,0 | - | - |
| Entre partes activas y otras partes metálicas sobre aislamiento básico: | ||||||||
| - si está protegido contra deposición de humedad2) | ||||||||
| si es de cerámica, mica pura o material similar. | 1,0 | 1,0 | 1,0 | 1,0 | 2,53) | 2,53) | - | - |
| si es de otro material | 1,5 | 1,0 | 1,5 | 1,0 | 3,0 | 2,5 3) | - | - |
| - si no está protegido contra deposición de suciedad | 2,0 | 1,5 | 2,0 | 1,5 | 4,0 | 3,0 | - | - |
| - si las partes activas son bobinados lacados o esmaltados | 1,0 | 1,0 | 1,5 | 1,5 | 2,0 | 2,0 | - | - |
| - en el extremo de los elementos tubulares de calefacción revestidos | - | - | 1,0 | 1,0 | 1,05) | 1,04) | - | - |
| Entre partes activas y otras partes metálicas sobre un aislamiento reforzado: | | |||||||
| - si las partes activas son bobinados lacados o esmaltados | - | - | 6,0 | 6,0 | 6,0 | 6,0 | - | - |
| - para otras partes activas | - | - | 8,0 | 8,0 | 8,0 | 8,0 | - | - |
| Entre partes metálicas separadas por aisla-miento suplementar io | - | - | 4,0 | 4,0 | 4,0 | 4,0 | - | - |
| Entre partes activas en espacios en la superficie de montaje del aparato y la superficie a la que se fija este | 2,0 | 2,0 | 6,0 | 6,0 | 6,0 | 6,0 | - | - |
Notas:
1. Las tolerancias especificadas no se aplican al espacio entre los contactos de controles automáticos, interruptores de microcorte y dispositivos similares o al espacio entre los miembros que transportan corriente de los dispositivos en que la tolerancia varía con el movimiento de los contactos.
2. En general, el interior de un aparato que tenga un encerramiento razonablemente protegido de la deposición de polvo, si el aparato no genera polvo en sí mismo; no se requiere sello hermético.
3. Si las partes son rígidas y colocadas por moldeo o si su diseño no permite reducción de las distancias por distorsión o movimiento de las partes, este valor se puede reducir a 2,0 mm.
4. Si está protegido contra deposición de suciedad*.
5. Si es sobre cerámica, mica pura y materiales similares, protegido contra deposición de suciedad*.
* Se autoriza la distancia de 1 mm, si se cumplen las siguientes condiciones:
El material aislante de la extremidad del elemento revestido en forma tubular debe resistir las corrientes de carga (IRC > 250), este material puede ser de polvo de magnesio o un material de relleno.
El espacio de la extremidad del elemento revestido en forma tubular está protegido por una tapa contra la polución. Esta tapa debe estar próxima a la extremidad del elemento pero no necesariamente en contacto con ella.
En general, el encerramiento del aparato no asegura una protección suficiente.
Si una cápsula o un tapón en cerámica o en caucho con silicona se coloca en la extremidad del elemento, las distancias de fuga y las distancias en el aire normales se aplican a la superficie externa de la cápsula o del tapón
Para patrones conductores en circuitos impresos, excepto en sus bordes, los valores indicados en la Tabla entre partes de diferente polaridad se pueden reducir si el valor pico de la tensión no sobrepasa:
150 V por mm con una distancia mínima de 0,2 mm, si están protegidos contra la suciedad;
100 V por mm con una distancia mínima de 0,5 mm, si no están protegidos contra la suciedad.
Para tensiones pico mayores de 50 V, las distancias reducidas de fuga solo se aplican si el índice de resistencia a la formación de caminos (PTI) del circuito impreso es mayor de 175 cuando se mide como indica el Anexo N.
Estas distancias se pueden reducir más si el aparato cumple con los requisitos indicados en el numeral 19 cuando las distancias se colocan en cortocircuito una a la vez.
Nota 7. Cuando los límites especificados anteriormente conducen a valores más altos que los indicados en la Tabla, se aplican los valores de esta.
No se miden las distancias de fuga y las distancias en el aire dentro de las fotocuplas.
Para partes activas de diferente potencial, separadas solo por aislamiento básico, se permiten las distancias de fuga y las distancias en el aire menores que las que se especifican en la Tabla, si se cumplen los requisitos indicados en el numeral 19 cuando estas distancias de fuga y distancias en el aire están en cortocircuito.
29.2 El aislamiento que protege el acceso a las partes activas con tensión de servicio máxima de 250 V debe tener un espesor no inferior a 1 mm si es un aislamiento suplementario, y de por lo menos 2 mm cuando se trata de un aislamiento reforzado.
La conformidad se verifica mediante inspección y medición.
Notas:
1. Esto no implica que la distancia debe ser solo a través de aislamiento sólido. El aislamiento puede constar de material sólido más una o más capas de aire.
2. Para aparatos con doble aislamiento, donde no haya metal entre el aislamiento básico y el suplementario, las mediciones se realizan como si lo hubiera.
29.2.1 Este requisito no se aplica si el aislamiento empleado está en forma de lámina delgada, distinta de la mica u otro material similar y
Para aislamiento suplementario, consta de al menos dos capas, si cada una de ellas soporta el ensayo de rigidez dieléctrica indicado en el numeral 16.3 para aislamiento suplementario.
Para aislamiento reforzado, consta de al menos tres capas, si cada dos capas juntas soporta el ensayo de rigidez dieléctrica indicado en el numeral 16.3 para aislamiento suplementario.
La conformidad se verifica mediante inspección.
29.2.2 Este requisito no se aplica si el aislamiento suplementario o el reforzado son inaccesibles y satisfacen una de las siguientes condiciones:
El incremento máximo de temperatura determinado durante los ensayos del numeral 19 no supera el valor especificado en el numeral 11.8.
El aislamiento, después de haber sido acondicionado durante 168 h en un horno mantenido a la temperatura igual a 50 K por encima del incremento máximo de temperatura determinado durante los ensayos del numeral 19, soporta los ensayos de rigidez dieléctrica del numeral 16,3, realizado en el aislamiento tanto a la temperatura del horno, como después de enfriarse aproximadamente a temperatura ambiente.
La conformidad se verifica mediante inspección y ensayo.
Para fotocuplas, el procedimiento de acondicionamiento se realiza a una temperatura de 50 K más del incremento máximo de la temperatura medido en la fotocupla durante los ensayos indicados en los numerales 11 ó 19, haciendo funcionar el aparato bajo las condiciones más desfavorables que ocurran durante los ensayos.
30. Resistencia al calor, fuego y formación de caminos conductores
Nota. Los ensayos que se indican en este numeral se basan en las normas IEC y NTC vigentes que tratan sobre este tema. Otros conceptos para determinar la resistencia al fuego, como ensayos de preselección, están en estudio.
El Anexo H muestra la selección y secuencia de los ensayos de este numeral.
30.1 Las partes externas de material no metálico, las de material aislante que sirven de soporte a partes activas, incluyendo conexiones y partes de material termoplástico que sirven como aislamiento suplementario o reforzado, cuyo deterioro pueda evitar que el aparato cumpla los requisitos que indica esta norma, deben ser suficientemente resistentes al calor.
La conformidad se verifica sometiendo la parte en cuestión al ensayo de la esfera de presión, que se realiza por medio del aparato que se ilustra en la Figura 12.
Antes de empezar el ensayo, la parte se mantiene durante 24 h en una atmósfera cuya temperatura oscile entre 15 oC y 35 oC y su humedad relativa oscile entre 45% y 75%.
Esta parte se apoya de forma que su superficie superior quede horizontal y la parte esférica del aparato quede presionada contra esta superficie con una fuerza de 20 N. El espesor de la parte bajo ensayo debe ser de 2,5 mm como mínimo.
Nota. Si es necesario, el espesor requerido se puede obtener usando dos o más secciones de esta parte.
El ensayo se realiza en una cámara de calefacción, a una temperatura de 40 oC ± 2 oC, más el máximo incremento de la temperatura determinado durante el ensayo del numeral 11, pero debe ser al menos:
Para partes externas 75 oC ± 2 oC;
Para partes que sostienen partes activas 125 oC ± 2 oC
Sin embargo, para partes de material termoplástico que sirvan de aislamiento suplementario o reforzado, el ensayo se realiza a una temperatura de 25 oC ± 2 oC más el incremento máximo de temperatura determinado durante los ensayos del numeral 19, si es mayor. Los incrementos de temperatura del numeral 19.4 no se toman en cuenta si el ensayo indicado en ese numeral se determina por la operación de un dispositivo protector de reposición no automática y es necesario retirar una cubierta o usar una herramienta para reposicionarlo.
Antes de iniciar el ensayo, el aparato de ensayo se lleva a la temperatura determinada anteriormente.
Después de 1 h el aparato se retira y la parte se sumerge inmediatamente en agua fría, de forma que se enfríe aproximadamente a la temperatura ambiente dentro de un período de 10s. El diámetro de la impresión no debe ser mayor de 2 mm.
Notas:
2. Para plantillas de devanado, sólo se someten a ensayo las partes que sostienen o retienen terminales en su posición.
3. El ensayo no se realiza en partes de material cerámico.
30.2 Las partes de material no metálico deben ser resistentes a la ignición y a la propagación de fuego.
Este requisito no se aplica a decoraciones, perillas y otras partes no susceptibles de ignición o propagación de llamas generadas en el interior del aparato.
La conformidad se verifica mediante los ensayos indicados en los numerales 30.2.11, 30.2.4 y 30.2.2 o 30.23, según sea aplicable.
30.2.1 Las muestras obtenidas por moldeado de las partes en cuestión, se someten al ensayo de combustión indicado en el Anexo J. Sin embargo, las partes correspondientes del aparato se someten en lugar de este ensayo, al de alambre incandescente indicado en el Anexo K, a una temperatura de 550 oC si:
No hay disponibles partes obtenidas separadamente por moldeado.
No hay evidencia de que el material soporte el ensayo de combustión.
Las muestras moldeadas por separado no soportan el ensayo de combustión.
30.2.2 Para aparatos que funcionan bajo supervisión, las partes de material aislante que sostienen conexiones que transportan una corriente mayor de 0,5 A durante la operación normal, se someten al ensayo de hilo incandescente indicado en el Anexo K, a una temperatura de 650oC. Este ensayo también se realiza en las partes en contacto co n o cercanas a tales conexiones.
Este ensayo no se realiza en aparatos manuales, ni en los que se deban mantener encendidos con la mano o el pie, ni en los que se cargan continuamente con la mano.
Notas:
1. El ensayo no se realiza en partes que sostengan conexiones soldadas.
2. “Cercano” se considera una distancia no mayor de 3 mm.
30.2.3 Para otros aparatos, las conexiones sostenidas por partes de material aislante, y que transportan una corriente mayor de 0,5 A durante la operación normal, se someten al ensayo de mala conexión que se indica en el Anexo L. Si no se puede realizar este ensayo debido al diseño de la conexión, las partes de material aislante que sostienen la conexión se someten al ensayo de hilo incandescente del Anexo K, a una temperatura de 750 oC. En este caso, el ensayo también se realiza en las partes en contacto con o cercanas a la conexión.
Notas:
1. El ensayo no se realiza en partes que sostengan conexiones soldadas.
2. “Cercano” se considera una distancia no mayor de 3 mm.
Durante la aplicación del alambre incandescente, se debe medir la altura y duración de las llamas.
Además, para partes que soportan el ensayo de alambre incandescente pero que se inflaman durante la aplicación de dicho alambre, las partes vecinas se someten al ensayo de llama indicado en el Anexo M por el período medido de la llama si:
Están colocadas dentro de una distancia igual a la altura de la llama.
Son susceptibles de que la llama incida sobre ellas.
Sin embargo, no se ensayan las partes separadas por una barrera que soporte el ensayo de llama.
El ensayo de llama no se realiza en partes hechas de material clasificado como FV-0 o FV-1, conforme a la norma IEC 707 (véase el Anexo A). La muestra de material sometido al ensayo indicado en dicha norma no debe ser más gruesa que la parte en cuestión.
Nota 3. Las partes susceptibles de que las llamas incidan en ellas, son las que están dentro de la cubierta de un cilindro vertical cuyo radio sea 10 mm y su altura sea igual a la de la llama, colocado sobre el punto de aplicación del alambre incandescente.
30.2.4 Si las partes no soportan el ensayo indicado en los numerales 30.2.2 o 30.23, se realiza el ensayo de llama en todas las otras partes de material no metálico que estén dentro de una distancia de 50 mm. Sin embargo, no se ensayan las partes separadas por una barrera que soporte el ensayo de llama.
El ensayo de llama no se realiza en partes hechas de material clasificado como FV-0 o FV-1 conforme con la norma IEC 707. La muestra de material sometido al ensayo indicado en dicha norma, no debe ser más gruesa que la parte en cuestión.
30.3 El material aislante en el cual puede ocurrir formación de caminos conductores, debe tener la resistencia adecuada a este defecto, tomando en cuenta la severidad de las condiciones de servicio del aparato.
Es posible que ocurra una formación de caminos conductores:
Entre partes activas de diferente potencial.
Entre partes activas y partes metálicas puestas a tierra.
A través del material aislante de colectores y portaescobillas.
La conformidad se verifica mediante el ensayo de resistencia a la formación de caminos conductores indicado en el Anexo N.
Las partes de material aislante que se usan bajo condiciones normales de trabajo y las partes de material cerámico, no se ensayan.
La tensión de ensayo es 175 V para partes de material aislante que se usen bajo condiciones de trabajo severas. Si el material no soporta este ensayo y no existe riesgo distinto del de fuego, las partes vecinas se someten al ensayo de llama especificado en el Anexo M.
La tensión de ensayo es 250 V para partes de material aislante que se usen bajo condiciones de trabajo extra severas. Si el material no soporta este ensayo sino con una tensión de 175V y no hay riesgo diferente del de fuego, las partes vecinas se someten al ensayo de llama especificado en el Anexo M.
El ensayo de llama no se realiza en partes hechas de material clasificado como FV-0 o FV-1 conforme con la norma IEC 707. La muestra de material sometido al ensayo indicado en dicha norma no debe ser más gruesa que la parte en cuestión.
Notas:
1. El ensayo de llama se realiza en partes de material no metálico, situadas dentro de una distancia de 50 mm desde cualquier lugar en que se puedan formar caminos. Sin embargo, las partes separadas por barreras que aprueben este ensayo no se someten a él.
2. La severidad de las condiciones de trabajo del material aislante se indica en el
Anexo P.
31. Resistencia a la oxidación
Las partes ferrosas, cuya oxidación pueda evitar que el aparato cumpla con los requisitos que establece esta norma, deben estar adecuadamente protegidas contra la oxidación.
Nota. Los ensayos se especifican en la parte 2 cuando sea necesario.
32. Radiación, toxicidad y riesgos similares
Los aparatos no deben emitir radiaciones peligrosas ni ser tóxicos o presentar riesgos similares.
Nota. Los ensayos se especifican en la Parte 2 cuando sea necesario.
Material: metal, excepto cuando se especifique algo diferente
Dimensiones lineales en mm
Tolerancias en las dimensiones sin tolerancia específica:
En ángulos: 0/-10'
En dimensiones lineales:
Hasta 25 mm: 0/-0,05
Más de 25 mm: ± 0,2
Las dos juntas permiten el movimiento en el mismo plano y la misma dirección en un ángulo de 90o con una tolerancia de entre 0o y + 10o.

Figura 1. Dedo de ensayo
Dimensiones en milímetros

Figura 2. Aguja de ensayo
Dimensiones en milímetros

Figura 3. Calibre cónico
Figura 4. Diagrama para medición de la corriente de fuga a temperatura de operación para conexiones monofásicas de aparatos Clase II

Figura 5. Diagrama para la medición de la corriente de fuga a temperatura de operación para conexiones monofásicas de aparatos que no sean Clase II

Figura 6. Diagrama para la medición de la corriente de fuga a la temperatura de operación para conexiones trifásicas de aparatos Clase II

Figura 7. Diagrama para la medición de las corrientes de fuga a la temperatura
de operación para conexiones trifásicas de aparatos que no sean Clase II

Figura 8. Diagrama para el ensayo de rigidez dieléctrica a la temperatura
de operación

D es el punto más distante de la fuente de alimentación donde la máxima potencia suministrada a una carga externa excede de 15 W.
A y B son los puntos más cercanos a la fuente de alimentación donde la máxima potencia suministrada a una carga externa no excede de 15 W. Estos son puntos de baja potencia.
Los puntos A y B se colocan en cortocircuito por separado con C.
Las condiciones de falla a) a f) que se especifican en el numeral 19.11.2 se aplican individualmente a Z1, Z2, Z3, Z6 y Z7, donde sea aplicable.
Figura 9. Ejemplo de un circuito electrónico con puntos de baja potencia

Figura 10. Uña de ensayo

Figura 11. Aparato para el ensayo de flexión

Figura 12. Aparato para el ensayo de esfera de presión
Figura 13. Representación esquemática de los anclajes de los cables

1. Parte que transporta corriente.
2. Parte que crea o transmite presión de contacto
Figura 14. Ejemplos de partes de terminales a tierra
Anexos
Anexo A. Referencias normativas
Anexo B. Aparatos alimentados por baterías recargables
Anexo C. Ensayo de envejecimiento de los motores
Anexo D. Requisitos alternos para motores protegidos
Anexo E. Medición de las distancias de fuga y distancias en el aire
Anexo F. Motores no aislados de la red de alimentación y cuyo aislamiento básico no está diseñado para la tensión nominal del aparato
Anexo G. Circuito para medir las corrientes de fuga
Anexo H. Selección y secuencia de los ensayos del numeral 30
Anexo J. Ensayo de combustión
Anexo K. Ensayo de alambre incandescente
Anexo L. Ensayo de mala conexión con calentadores
Anexo M. Ensayo de llama
Anexo N. Ensayo de resistencia a la formación de caminos conductores
Anexo P. Severidad de las condiciones de trabajo del material aislante con respecto al riesgo de formación de caminos conductores.
Anexo Q. Condensadores
Anexo R. Transformadores de seguridad y aislamiento
Anexo S. Interruptores
Anexo T. Diferencias existentes en algunos países
REFERENCIAS NORMATIVAS.
Las siguientes normas contienen disposiciones que, mediante su referencia en este texto constituyen disposiciones de él. Para referencias fechadas no se aplican las adendas o revisiones de estas publicaciones. Sin embargo, se estimula a las partes que realizan acuerdos con base en esta norma, a que investiguen la posibilidad de aplicar las ediciones más recientes de las siguientes normas. Para referencias no fechadas se aplica la edición más reciente del documento normativo en cuestión.
NTC 276:1997, Evaluación térmica y clasificación del aislamiento eléctrico (IEC 85)
NTC 3279:1993, Electrotecnia. Grados de protección dado por encerramiento de equipo eléctrico (Código IP). (IEC 529).
NTC 3446:1992, Electrotecnia. Aparato de ensayo de impacto operado con resorte y su calibración (IEC 817)
Normas IEC:
61-1:1969, Lamp Caps
65:1985, Safety Requirements for Mains Operated Electronic and Related Apparatus for Household and Similar General Use.
68-2-32:1975, Test ed: Free Fall
83:1975, Plugs and Socket-Outietsfor Domestic and Similar General Use. Standards.
112:1979, Method for Determining the Comparative and Proof Tracking Indices of Solid Insulating Materials Under Moist Conditions.
127:1974, Cartridge Fuse-Links for Miniature Fuses.
227:1979, Polyvinyl Chloride Insulated Cables of Rated Voltages up to and Including 450/750 V.
245:1985, Rubber Insulated Cables of Rated Voltages up to and Including 450/750 V.
252:1985, A.C. Motor Capacitors.
309:1988, Plugs, Socket-Outiets and Couplers for Industrial Purposes.
320:1981, Appliance Couplers for Household and Similar General Purposes.
328:1972, Switches for Appliances.
384-14:1981, Fixed Capacitors for Use in Electronic Equipment, Part 14: Sectional Specification: Fixed Capacitors for Radio Interference Suppression. Selection of Methods of Test and General Requirements.
685-2-1:1980, Connecting Devices (Junction and/or Tapping) for Household and Similar Fixed Electrical Installations, Part 2: Particular Requirements. Screwless Terminals for Connecting Copper Conductors without Special Preparation.
695-2-1:1980, Fire Azard Testing, Part 2: Test Methods. Glow-Wire test and Guidance.
695-2-11980, Needle-Flame Test.
695-2-3:1984, Bad-Connection Test with Heaters.
707:1981, Methods of Test for the Determination of the Flammability of Solid Electrical Insulating Materials when Exposed to an Igniting Source.
730: Automatic Electrical Controls for Household and Similar Use.
730-11: 1986, Part 1: General Requirements.
742: 1983, lsolating Transformers and Safety lsolating Transformers. Requirements.
999: 1990. Conecting Devices. Safety Requirements for Screw-Type and Screwless-Type Clamping Units for Electrical Copper Conductors.
A.1.1 Normas IEC
60051-2:1984, Direct Acting Indicating Analogue Electrical-measuring Instruments and Their Accesories - Part 2: Special Requirements for Ammeters and Voltmeters.
60061-1:1969, Lamp Caps and Holders Together with Gauges for the Control of Interchangeability and Safety - Part 1: Lamp Caps.
60065:1998, Safety Requirements for Mains Operated Electronic and Related Apparatus for Household and Similar General Use.
60068-2-75:1997, Environmental Testing. Part 2:75: Tests - Test Eh: Hammer Tests.
60085:1984, Thermal Evaluation and Classification of Electrical Insulation.
60112:1979, Method for Determining the Comparative and Proof Tracking Indices of Solid Insulating Materials Under Moist Conditions.
60127 (todas las partes), Miniature Fuses.
60227 (todas las partes), Polyvinyl Chloride Insulated Cables of Rated Voltages up to and Including 450/750 V.
60245 (todas las partes), Rubber Insulated Cables - Rated Voltages up to and Including 450/750 V.
60249-2-4:1987, Base Materials for Printed Circuits - Part 2: Specifications - Specification No 4: Epoxide Woven Glass Fabric Copper-clad Laminated Sheet, General Purpose Grade.
60249-2-5:1987, Base materials for printed circuits - Part 2: Specifications - Specification No 5:
Epoxide Woven Glass Fabric Copper-clad Laminated Sheet, of Defined Flammability (vertical Burning Test).
60252:1993, A.C. Motor Capacitors.
60335-1 Amend. 2 IEC:1999 (E)
60309 (todas las partes), Plugs, Socket-outlets and Couplers for Industrial Purposes.
60320 (todas las partes), Appliance Couplers for Household and Similar General Purposes.
60384-14:1993, Fixed Capacitors for use in Electronic Equipment - Part 14: Sectional Specification: Fixed Capacitors for Electromagnetic Interference Suppression and Connection to the Supply Mains.
60417:1973, Graphical Symbols for Use on Equipment - Index, Survey and Compilation of the Single Sheets.
60529:1989, Degrees of Protection Provided by Enclosures (IP Code).
60598-1:1996, Luminaires - Part 1: General Requirements and Tests.
60695-2-1/0:1994, Fire Hazard Testing - Part 2: Test Methods - Section 1/Sheet 0: Glow-wire Te st - General
60695-2-1/1:1994, Fire Hazard Testing - Part 2: Test Methods - Section 1/Sheet 1: Glow-wire End Product Test and Guidance.
60695-2-2:1991, Fire Hazard Testing - Part 2: Test Methods - Section 2: Needle-flame Test.
60695-2-3:1984, Fire Hazard Testing - Part 2: Test Methods - Bad-connection test with Heaters.
60707:1981, Methods of Test for the Determination of the Flammability of Solid Electrical Insulating Materials When Exposed to an Igniting Source.
60730 (todas las partes), Automatic Electrical Controls for Household and Similar Use.
60906-1:1986, IEC System of Plugs and Socket-outlets for Household and Similar Purposes - Part 1: Plugs and Socket outlets 16 A 250 V a.c.
60998-2-2:1991, Connecting Devices for Low Voltage Circuits for Household and Similar Purposes - Part 2-2: Particular Requirements for Connecting Devices as Separate Entities with Screwless-type Clamping Units.
60999-1:1990, Connecting Devices - Safety Requirements for Screw-type and Screwless-type Clamping Units for Electrical Copper Conductors.
61058-1:1996, Switches for Appliances - Part 1: General Requirements
61558-1:1997, Safety of Power Transformers, Power Supply Units and Similar - Part 1: General Requirements and Tests.
61558-2-6:1997, Safety of Power Transformers, Power Supply Units and Similar - Part 2: Particular Requirements for Safety Isolating Transformers for General use.
A.1.2 Normas ISO
1463: 1982, Metallic and Oxide Coatings - Measurement of Coating Thickness - Microscopical Method.
2178: 1982, Non-magnetic Coatings on Magnetic Substrates. Measurement of Coating Thickness. Magnetic Method.
7000:1989, Graphical Symbols for use on Equipment - Index and Synopsis.
A.2 Normas que deben consultarse
60083:1997, Plugs and Socket-outlets for Domestic and Similar General use Standardized in Member Countries of IEC.
APARATOS ALIMENTADOS POR BATERÍAS RECARGABLES.
B.1 Objetivo
Este anexo se aplica a aparatos alimentados por baterías recargables en el aparato mismo.
Nota. El presente anexo no es aplicable a cargadores de baterías (IEC 335-2-29)
Todos los artículos de la presente norma son aplicables a menos que se especifique otra cosa contraria en este anexo.
B.2 Definiciones
B.2.2.9 Condiciones de funcionamiento normal: los aparatos son operados bajo las siguientes condiciones:
El artefacto, alimentado por su batería completamente cargada, es operado como se indica en la Parte 2.
El artefacto se carga, estando la batería descargada inicialmente a tal punto que el artefacto no pueda funcionar más.
Si esto es posible, el artefacto es alimentado a partir de la fuente de alimentación con uso del cargador de baterías; inicialmente, la batería ha estado descargada a tal punto que el artefacto no puede ser operado. El artefacto es operado de acuerdo con la Parte 2.
B.2.7.2
Nota. Si una parte debe removerse para quitar la batería del artefacto antes de desecharlo, esta parte no debe considerarse inamovible, así las instrucciones estipulen que debe ser removida.
B.4 Condiciones generales para los ensayos
B.4.1 A menos que se especifique lo contrario, cuando los artefactos son alimentados a partir de la fuente principal, se debe probar de la misma forma que para los artefactos a motor.
B.7 Marcado e instrucciones
B.7.11 El compartimiento para las baterías en los artefactos que usan baterías que pueden ser cambiadas por el usuario deberá ser marcado con el voltaje de la batería y la polaridad de los terminales.
Notas:
1. Si se usan colores, el terminal positivo deberá identificarse con rojo y el terminal negativo, con negro.
2. El color no debe usarse únicamente para indicar la polaridad.
B.7.12 Las instrucciones deben dar información respecto a la operación de carga.
Las instrucciones para los aparatos que incorporan baterías con posibilidad de ser reemplazadas por el usuario deben incluir la siguiente información:
La referencia del tipo de batería
La orientación de la batería respecto a la polaridad
El método para cambiar la batería
Detalles concernientes a la eliminación segura de las baterías usadas
Peligro contra el uso de ciertas baterías
Cómo tratar las baterías con escape
Las instrucciones para artefactos que incorporan baterías que contienen materiales las cuales son peligrosas para el ambiente, deben dar detalles de como remover la batería y debe indicar que:
La batería debe ser removida del artefacto antes que este se deseche.
La batería debe retirarse en forma segura
El artefacto debe estar desconectado de la fuente de alimentación al retirar la batería.
B.7.15 Marcas
Diferentes a las asociadas con la batería, deberán colocarse en la parte del artefacto que tiene la conexión a la fuente de alimentación.
B.8 Protección contra el acceso a las partes activas
B.8.2 Los artefactos que tienen baterías que el usuario pueda reemplazar de acuerdo con las instrucciones de uso sólo necesitan aislamiento básico entre las partes activas y la superficie interna del compartimiento de la batería. Si el artefacto se puede operar sin baterías, se requiere doble aislamiento o aislamiento reforzado.
B.11 Recalentamiento
B.11.7 La batería es recargable por el período establecido en las instrucciones para uso o 24 h según el período más largo.< /p>
B.19 Funcionamiento anormal
B.19.1 Los artefactos están igualmente sujetos a los ensayos de B.19.101, B.19.102 y B.19.103.
B.19.10 No es aplicable
B.19.101 Los artefactos se alimentan al voltaje indicado y cargados durante 168 h.
B.19.102 Artefactos que tienen baterías las cuales pueden ser removidas sin ayuda de herramientas y cuyos terminales pueden ser interconectados por una barra delgada recta, los terminales de la batería estarán en cortocircuito, cuando la batería está totalmente cargada.
B.19.103 Artefactos que tengan baterías reemplazables por el usuario son alimentados al voltaje indicado y operado bajo las condiciones de funcionamiento normal pero con la batería separada o colocada en las posiciones permisibles por construcción.
B.21 Resistencia mecánica
B.21.101 Artefactos que tengan enchufes para tomacorrientes, deberán tener una resistencia mecánica suficiente.
La verificación se efectúa sometiendo la parte del artefacto que tiene los terminales para la prueba de caída libre, procedimiento 2 de la norma IEC 68-2-32.
El número de caídas es:
100 si la masa de la parte probada no excede 250 g
50 si la masa de la parte probada excede 250 g.
Después de la prueba, los requerimientos 8.1, 15.1.1, 16.29.1 deberán cumplirse.
B.22 Construcción
B.22.3
Nota. Los artefactos que tengan enchufe para tomacorrientes deben probarse totalmente ensamblados o lo más cercanamente posible a esta condición.
B.25 Conexión a la fuente y cable flexible externo
B.25.13.2
Nota. El requerimiento no es aplicable a los cables de interconexión sometidos a muy baja tensión de seguridad.
B.30 Resistencia al calor, al fuego y a la formación de caminos conductores
B.30.2 Para las partes del artefacto conectadas a la fuente de alimentación durante el período de carga, se aplica lo establecido en el numeral 30.2.3; para las otras partes se aplica lo establecido en el numeral 30.2.2.
ENSAYO DE ENVEJECIMIENTO DE LOS MOTORES.
Este ensayo se puede realizar cuando hay duda respecto a la clasificación del sistema de aislamiento del devanado de un motor, por ejemplo:
Cuando se usan de manera no convencional materiales aislantes bien conocidos.
Cuando se usan combinaciones de materiales de diferentes clases de temperatura, a una más alta de la permitida para la clase más baja que se usa.
Cuando se usan materiales con los cuales no hay suficiente experiencia, por ejemplo, en motores que tengan un aislamiento integral del núcleo.
Este ensayo se realiza en 6 muestras del motor.
El rotor de cada motor se bloquea y se pasa individualmente una corriente por el devanado del rotor y el estator. Esta corriente debe ser tal, que la temperatura del devanado en cuestión sea igual al máximo incremento de temperatura medido durante el ensayo indicado en el numeral 11, aumentado en 25 K. Esta temperatura se aumenta de nuevo en uno de los valores escogidos de la siguiente Tabla. El tiempo total correspondiente durante el cual se pasa la corriente está indicado en la Tabla.
| Incremento de temperatura, K | Tiempo total, h |
| 0 ± 3 | p1) |
| 10 ± 3 | 0,5 p |
| 20 ± 3 | 0,25 p |
| 30 ± 3 | 0,125 p |
1) p es 8 000 a menos que se especifique algo diferente en la Parte 2.
Nota 1. El incremento de la temperatura que se elija debe ser acordado por el fabricante.
El tiempo total se divide en 4 períodos iguales, cada uno de los cuales está seguido por un período de 48 h durante el cual el motor se somete a un tratamiento higroscópico como se especifica en el numeral 15.3. Después de este tratamiento, el aislamiento debe soportar un ensayo de rigidez dieléctrica como se especifica en el numeral 16.3; sin embargo, la tensión de ensayo se debe reducir a 50% del valor especificado en el numeral 1 de la Tabla 5.
Después de cada uno de los 4 períodos, y antes del subsecuente tratamiento higroscópico, la corriente de fuga del sistema de aislamiento se mide como se especifica en el numeral 13.2, habiendo desconectado cualquier componente que no forme parte del sistema de aislamiento bajo ensayo antes de tomar la medición.
La corriente de fuga no debe exceder de 0,5 mA.
Si se presenta una falla sólo en uno de los 6 motores durante el primero de los 4 períodos del ensayo, se puede ignorar.
Si uno de los 6 motores falla durante el segundo, tercero o cuarto período del ensayo, los otros 5 se someten a un quinto período seguido por el tratamiento higroscópico y el de rigidez dieléctrica.
Los 5 motores restantes deben terminar el ensayo.
Nota 2. Para verificar que el sistema de aislamiento esté dentro de la clase de temperatura que declara el fabricante, la temperatura del devanado para el ensayo debe ser igual al límite de temperatura para la clase de aislamiento, aumentado por el incremento de temperatura elegido de la Tabla.
REQUISITOS ALTERNOS PARA MOTORES PROTEGIDOS.
Los motores protegidos de aparatos destinados para usarlos sin supervisión, deben soportar los siguientes ensayos.
Un protector de motor que tenga reposición manual, debe tener un mecanismo de interrupción de disparo libre.
El ensayo indicado en el numeral 19.7 se realiza en una muestra separada, sea en el aparato o con un motor montado en un banco. La duración del ensayo debe ser como se indica a continuación:
Un motor con protector de autorreposición se pone en funcionamiento con un rotor bloqueado por 72 h para aparatos que tengan un período corto de esfuerzo eléctrico y por 432 h en aparatos con un período largo de esfuerzo eléctrico;
Un motor con un protector que se pueda reponer manualmente se hace funcionar 60 veces con el rotor bloqueado, reposicionando el protector lo antes posible después de cada operación por la que permanezca cerrado, pero en no menos de 30 s.
Las temperaturas se observan a intervalos regulares durante las primeras 72 h para motores con protectores de autorreposición o durante las primeras 10 operaciones para motores con protectores de reposición manual. Las temperaturas no deben superar los valores que se especifican en el numeral 19.7.
Durante el ensayo, el protector del motor debe funcionar de manera confiable y debe cumplir con los requisitos indicados en el numeral 8. No debe presentarse fuego.
Después del período especificado para la medición de la temperatura, el motor debe soportar el ensayo de rigidez dieléctrica indicado en el numeral 16.3; sin embargo, la tensión de ensayo debe ser como se especifica en el numeral 19.13.
MEDICIÓN DE LAS DISTANCIAS DE FUGA Y DISTANCIAS EN EL AIRE.
Los métodos para medir las distancias de fuga y las distancias en el aire que se especifican en el numeral 29.1, se indican en los casos 1 a 10.
En estos casos no se hace diferencia entre espacios y ranuras, o entre tipos de aislamiento.
Se hacen las siguientes suposiciones:
Una ranura puede tener lados paralelos, convergentes o divergentes.
Las ranuras que tengan lados divergentes, con un ancho mínimo mayor de 0,25 mm, una profundidad mayor de 1,5 mm y un ancho en el fondo igual o mayor de 1 mm, se considera como un espacio en el aire a través del cual no existe vía de fuga (caso 8).
Una esquina que incluya un ángulo de menos de 801 se considera que está en puente con un enlace aislante de 1 mm de ancho (0,25 mm para situaciones ausentes de polución), colocada en la posición más desfavorable (caso 3).
En casos en que la distancia sobre la parte superior de una ranura sea 1 mm (0,25 mm para situaciones libres de polución) o más, no existe distancia de fuga a través del espacio en el aire (caso 2).
Las distancias de fuga y las distancias en el aire medidas entre las partes que se mueven en relación una con la otra, se miden cuando estas partes están colocadas en sus posiciones estacionarias más desfavorables.
Un espacio en el aire con menos de 1 mm de ancho (0,25 mm para situaciones libres de polución) se ignora al calcular la distancia total en el aire.
Caso 1

Condición: La vía en cuestión incluye una ranura de caras paralelas o convergentes, de cualquier profundidad, con un ancho menor de 1 mm.
Regla. Las líneas de fuga y distancias en el aire se miden directamente a través de la ranura como se ilustra aquí.
Caso 2

Condición. La vía en cuestión incluye una ranura de caras paralelas de cualquier profundidad y con un ancho igual o mayor de 1 mm.
Regla. La vía de la línea de fuga es la distancia en línea recta. La vía de fuga sigue el contorno de la ranura.
Caso 3

Condición. La vía en cuestión incluye una ranura en forma de V con un ángulo interno de menos de 80o y un ancho mayor de 1 mm.
Regla. La distancia en el aire es la distancia en línea recta. La vía de fuga sigue el contorno de la ranura pero coloca en cortocircuito el fondo de la ranura por un enlace de 1 mm (0,25 mm para situaciones libres de polución).
Caso 4

Condición: la vía en cuestión incluye una protuberancia.
Regla. La distancia en el aire es la vía directa más corta sobre la parte superior de la ranura. La vía de fuga sigue el contorno de la protuberancia.
Caso 5

Condición: La vía en consideración incluye una junta no sellada con ranuras de menos de 1 mm de ancho en cada lado (0,25 mm para situaciones libres de polución).
Regla: El camino de la línea de fuga y la distancia en el aire es la distancia en línea recta.
Caso 6

Condición: La vía en cuestión incluye una junta no sellada con ranuras con un ancho igual o mayor que 1 mm a cada lado.
Regla. La distancia en el aire es la distancia en línea recta. La distancia de fuga sigue el contorno de las ranuras.
Caso 7

Condición: La vía en cuestión incluye una junta no sellada con una ranura en un lado, de un a ncho de menos de 1 mm, y una ranura en el otro lado, de un ancho igual o mayor de 1 mm.
Regla. Los caminos de la distancia en el aire y la línea de fuga son como se indica en la Figura.
Caso 8

Condición: La vía en cuestión incluye una ranura con un lado divergente de una profundidad igual o mayor de 1,5 mm y más de 0,25 mm de ancho en la parte más angosta, e igual o mayor de 1 mm en el fondo.
Regla. La distancia en el aire es la distancia de la línea de fuga. La distancia de fuga sigue el contorno de la ranura. El caso No 3 se aplica también a las esquinas internas si tienen menos de 80o.
Caso 9

Espacio entre la cabeza del tornillo y la pared del alojamiento, demasiado estrecho para tomarse en cuenta.
Caso 10

Espacio demasiado ancho entre la cabeza del tornillo y la pared del alojamiento para tenerse en cuenta.
MOTORES NO AISLADOS DE LA RED DE ALIMENTACIÓN Y CUYO AISLAMIENTO BÁSICO NO ESTÁ DISEÑADO PARA LA TENSIÓN NOMINAL DEL APARATO.
F.1 Objeto
F.1.1 Este Anexo se aplica a los motores que tengan una tensión nominal no mayor de 42 V, no aislados de la red de alimentación y cuyo aislamiento básico no está diseñado para la tensión nominal del aparato.
Todos los numerales de esta norma se aplican a estos motores, a menos que se especifique otra cosa.
F.8 La protección contra acceso a partes activas.
F.8.1
Nota. Las partes metálicas del motor se consideran partes activas desnudas.
F.11 Calentamiento
F.11.3 El aumento de la temperatura del cuerpo del motor, se determina en lugar del incremento de los devanados.
F.11.8 El aumento de la temperatura del cuerpo del motor, cuando está en
contacto con material aislante, no debe exceder de los valores que se indican en la Tabla 3 para el material aislante en cuestión.
F.16 Corriente de fuga y rigidez dieléctrica
F.16.3 El aislamiento entre partes activas del motor y sus otras partes metálicas no se somete a este ensayo.
F.19 Funcionamiento anormal
F.19.1 Los ensayos indicados en los numerales 19.7 a 19.9 no se realizan.
Los aparatos se someten también al ensayo indicado en el numeral F.19.101.
F.19.101 El aparato se hace funcionar a la tensión nominal con cada uno de los siguientes defectos:
Cortocircuito de los terminales del motor, incluyendo cualquier condensador incorporado en el circuito del motor.
Cortocircuito de cada diodo del rectificador;
Circuito abierto de cualquier resistencia en paralelo (shunt) durante el funcionamiento del motor.
Sólo se simula un defecto a la vez y los ensayos se realizan consecutivamente.
Nota. Los defectos se simulan como ilustra la Figura F.1.
F.22 Construcción
F.22.101 Para aparatos Clase I que incorporan un motor alimentado por un circuito de rectificación, el circuito c.d. se debe aislar de las partes accesibles del aparato por un aislamiento doble o reforzado.
La conformidad se verifica mediante los ensayos especificados para aislamiento doble y reforzado.
F.29 Distancias de fuga, distancias en el aire y distancias a través del aislamiento
F.29.1
Nota. Los valores especificados en la Tabla 13 no se aplican a las distancias entre partes activas del motor y sus otras partes metálicas.

conexión original
--- en corto circuito
» circuito abierto
A cortocircuito de los terminales del motor
B corto circuito de un diodo
C circuito abierto de la alimentación al motor
D circuito abierto de la resistencia en derivación (shunt)
CIRCUITO PARA MEDIR LAS CORRIENTES DE FUGA.
Las corrientes de fuga se miden utilizando el siguiente circuito

Figura G.1. Circuito para medir las corrientes de fuga
La corriente de fuga se calcula a partir de la lectura del voltímetro dividida por 500 .
Notas:
1. Esta red simula la impedancia del cuerpo humano y toma en cuenta la reacción fisiológica como una función de la frecuencia.
2. El voltímetro debe poder medir el verdadero valor eficaz desde cero hasta 1 MHz.
SELECCIÓN Y SECUENCIA DE LOS ENSAYOS DEL NUMERAL 30.

ENSAYO DE COMBUSTIÓN.
El ensayo de combustión se realiza como indica la norma IEC 707.
Para los propósitos de esta norma se usa el método FH: llama-espécimen horizontal.
Para la evaluación de los resultados de los ensayos, se aplica la categoría FH3; la frecuencia máxima de combustión es 40 mm/min.
Si más de un espécimen no soporta el ensayo, se rechaza el material.
Si un espécimen no soporta el ensayo, este se repite en otro conjunto de 5 especímenes, todos los cuales deben soportar el ensayo
ENSAYO DE ALAMBRE INCANDESCENTE.
Este ensayo se realiza de acuerdo con lo indicado en la norma IEC 695-2-1.
Para los propósitos de esta norma, se aplica lo siguiente:
4. Descripción de los aparatos de ensayo
El último párrafo antes de esta nota se debe reemplazar por:
En casos en que puedan caer partículas en combustión o incandescentes de la muestra sobre una superficie bajo el aparato, el ensayo se realiza con una pieza de madera de pino blanco, de aproximadamente 10 mm de espesor y cubierta con una capa de gasa, colocada a una distancia de 200 mm ± 5 mm por debajo del lugar en que se aplica la punta del alambre incandescente a la muestra.
Si el aparato se ensaya como unidad, se coloca en su posición normal de uso sobre la pieza de madera cubierta con la gasa. Antes de iniciar el ensayo, la pieza de madera se acondiciona como se describe en el numeral 7 para la muestra.
5. Grados de severidad
La duración de la aplicación de la punta de alambre incandescente al espécimen es 30 s ± 1 s.
10. Observaciones y mediciones
No se aplica el literal c).
ENSAYO DE MALA CONEXIÓN CON CALENTADORES.
El ensayo de mala conexión con calentadores se realiza como indica la norma IEC 695-2-3.
Para los propósitos de esta norma, se aplica lo siguiente:
3. Descripción general del ensayo
Se debe añadir lo siguiente: Las conexiones grafadas no se someten al ensayo si:
No es posible que una mala conexión produzca riesgo de incendio; la corriente continua es menor de 0,5 A;
Los conductores se eligen de acuerdo con la siguiente tabla y se usan junto con el conector correcto:
| Corriente continua, A | Area de sección transversal, mm2 | |
| a | b | |
| > 0,5 y 4,0 | - | 0,5 |
| > 4,0 y 6,0 | 0,75 | 1,0 |
| > 6,0 y 10,0 | 1,0 | 15 |
| > 10,0 y 16,0 | 1,5 | 2:5 |
| > 16,0 y 25,0 | 2,5 | 4,0 |
La columna a se aplica a los conductores trenzados estañados
La columna b se aplica a otros conductores
Las conexiones grafadas no se consideran productoras de riesgo de incendio si el aislamiento que las retiene en su sitio soporta el ensayo de alambre incandescente a las temperaturas de ensayo que se indican en los numerales 30.2.2 o 30.23, según sea aplicable.
Las fundas en los extremos de los conductores trenzados destinados a inserción en terminales con tornillo no se consideran conexiones grafadas.
Al establecer el valor de la corriente continua, no se tienen en cuenta las corrientes de entrada.
Descripción de los aparatos de ensayo
El último párrafo relativo a la evaluación de la posibilidad de que se propague el fuego, incluyendo los tres párrafos entre guiones y el primer párrafo de la nota se deben reemplazar por el siguiente:
En casos en que puedan caer partículas en combustión o incandescentes del espécimen sobre una superficie bajo el aparato, el ensayo se realiza con una pieza de madera de pino blanco, de aproximadamente 10 mm de espesor y cubierta con una capa de gasa, colocada a una distancia de 200 mm ± 5 mm por debajo del lugar en que se aplica la punta del alambre incandescente al espécimen. Si el aparato se ensaya como una unidad, se coloca en su posición normal de uso sobre la pieza de madera cubierta con la gasa. Antes de empezar el ensayo, la pieza de madera se acondiciona como se describe en el numeral 6 para el espécimen.
5. Grados de severidad
La duración de la aplicación de la potencia de ensayo es de 30 min ± 1 min.
8. Procedimiento de ensayo
Se debe reemplazar el texto del numeral 8.6 por el siguiente:
El ensayo se debe realizar en un espécimen. Si el espécimen no soporta el ensayo, este se debe repetir en otros dos especímenes, que deben soportar el ensayo.
11. Información que se debe incluir en la especificación correspondiente
El primer párrafo entre guiones bajo el literal h) no se aplica.
ENSAYO DE LLAMA.
Este ensayo se realiza como indica la norma IEC 695-2-2.
Para los propósitos de esta norma, se aplica lo siguiente:
Se debe reemplazar el texto del sexto párrafo por el siguiente:
4. Descripción de los aparatos de ensayo
En casos en que puedan caer partículas en combustión o incandescentes del espécimen sobre una superficie bajo el aparato, el ensayo se realiza con una pieza de madera de pino blanca, de aproximadamente 10 mm de espesor y cubierta con una capa de gasa, colocada a una distancia de 200 mm ± 5 mm por debajo del lugar en que se aplica la punta del alambre incandescente al espécimen. Si el aparato se ensaya como una unidad, se coloca en su posición normal de uso sobre la pieza de madera cubierta con la gasa. Antes de empezar el ensayo, la pieza de madera se acondiciona como se describe en el numeral 6 para el espécimen.
5. Grados de severidad
La duración de aplicación en la prueba de llama es de 30 s ± 1 s.
8. Procedimiento de ensayo
8.4 En el primer párrafo no se aplica la frase “o desde una fuente de ignición aplicada accidentalmente”.
Se deben reemplazar los dos últimos párrafos por los siguientes:
Al comienzo del ensayo, la llama de ensayo se aplica de forma que al menos la punta esté en contacto con la superficie del espécimen.
Durante la aplicación de la llama de ensayo no se debe retirar el mechero. La llama de ensayo se retira inmediatamente después del período especificado. En la
Figura 1 se dan ejemplos de posiciones de ensayo.
El numeral 8.5 se debe reemplazar por:
El ensayo se realiza en un espécimen. Si el espécimen no soporta el ensayo, este se repite en otros dos especímenes, que deben soportarlo.
10. Evaluación de los resultados de los ensayos
Se debe añadir:
Cuando se usa una capa de gasa, esta no debe inflamarse, ni la pieza de madera se debe astillar; se puede ignorar una leve decoloración de la pieza.
ENSAYO DE RESISTENCIA A LA FORMACIÓN DE CAMINOS CONDUCTORES.
Este ensayo se realiza como indica la norma IEC 112.
Para los propósitos de esta norma, se aplica lo siguiente:
3. Espécimen de ensayo
No se aplica la última frase del primer párrafo.
5. Aparatos de ensayo
No se aplica la nota del numeral 5.1.
La nota 4 del numeral 5.3 no se aplica y se usa la solución de ensayo A que se describe en el numeral 5.4.
6. Procedimiento
La tensión a la que se hace referencia en el numeral 5.3 se ajusta a 175 V o 250 V, según sea apropiado.
No se aplica el numeral 6.2 y el ensayo de resistencia a la formación de caminos conductores del numeral 6.3 se realiza 5 veces. Para este último ensayo, también se aplican las notas 2 y 3 del numeral 3.
SEVERIDAD DE LAS CONDICIONES DE TRABAJO DEL MATERIAL AISLANTE CON RESPECTO AL RIESGO DE FORMACIÓN DE CAMINOS CONDUCTORES.
La severidad de las condiciones de trabajo del material aislante con respecto al riesgo de formación de caminos conductores depende de la frecuencia de acumulación de cualquier depósito conductivo y del período durante el cual se somete el material aislante a esfuerzo eléctrico.
Para propósitos de este requisito, se reconocen las siguientes condiciones de trabajo.
1. Condiciones normales de trabajo: virtualmente no hay deposición de material conductivo junto con un período largo de esfuerzo eléctrico; o hay una ligera deposición de material conductivo y un período corto de esfuerzo eléctrico.
Los materiales aislantes que se usan en los aparatos eléctricos no se consideran sujetos a deposición de material conductivo.
Los materiales aislantes que se usan en motores que producen polvo de carbón o en interruptores, sometidos a deposición de material conductivo pero que soportan el ensayo correspondiente de rigidez dieléctrica después de un ensayo adecuado de duración, se consideran sometidos a una deposición leve de material conductivo.
Los materiales aislantes cuyo índice de resistencia a la formación de caminos es inferior a 175, se consideran adecuados para uso bajo condiciones normales de trabajo.
2. Condiciones severas de trabajo: hay una deposición leve de material conductivo y un período largo de esfuerzo eléctrico, o una deposición grande de material conductivo y un período corto de esfuerzo eléctrico.
Los materiales aislantes que se usan en aparatos de calefacción en que el aire del aparato sopla sobre estos materiales, por ejemplo en aparatos de aire acondicionado, se consideran sometidos a una deposición leve de material conductivo y un período largo de esfuerzo eléctrico.
3. Condici ones extraseveras de trabajo: hay una deposición grande de material conductivo y un período largo de esfuerzo eléctrico, o bien una deposición extragrande de material conductivo y un período corto de esfuerzo eléctrico.
Ejemplos de materiales aislantes empleados bajo condiciones de trabajo extraseveras son:
Materiales aislantes empleados para las partes de un refrigerador que están sometidas a condensación o a una pesada deposición de material conductivo, cuando el refrigerador está en circuito continuamente por un período muy largo.
Materiales aislantes empleados para las partes de una lavadora de ropa o de platos que están sometidas a contaminación por detergentes y a un corto período de esfuerzo eléctrico.
Nota. Se considera que entre las partes activas de potencial diferente y entre partes activas y partes metálicas puestas a tierra, existe un período largo de esfuerzo eléctrico en:
Aparatos destinados a operación continua.
El lado de entrada del interruptor de alimentación de los aparatos no previstos para operación continua.
Aparatos provistos de un interruptor unipolar o dispositivo similar y conectados a la red de alimentación por un enchufe no polarizado.
Si no hay interruptor unipolar, se asume que los aparatos no destinados a operación continua están desconectados en todos los polos de la red de alimentación por medio de un interruptor en el cableado fijo o un enchufe y por lo tanto, no ocurrirá un período largo de esfuerzo eléctrico.
CONDENSADORES.
Los siguientes numerales de la norma IEC 60384-14 se aplican a condensadores que pueden verse sometidos permanentemente a la tensión de alimentación de la red de suministro y se usan para la supresión de radiointerferencia o división de la tensión, con las siguientes modificaciones:
SECCION 1
Generalidades
1.5 Terminología
1.5.3 Este numeral es aplicable
Los condensadores Clase X se ensayan de acuerdo con lo especificado en el literal X.2.
1.5.4 Este numeral es aplicable.
1.6 Rotulado
Los ítems a) y b) de este numeral son aplicables.
a) Sección 3 - Procedimientos de evaluación de la calidad
3.4.3.2 Ensayos
La Tabla 2 es aplicable de la siguiente forma:
Grupo 0: numerales 4.1, 4.2.1 y 4.2.5
Grupo 1A: numeral 4.1.1
Grupo 2: numeral 4.12
Grupo 3: numerales 4.13 y 4.14
Grupo 6: numeral 4.17
Grupo 7: numeral 4.18
SECCION 4
Procedimientos de medición y ensayo
4.1 Examen visual y verificación de las dimensiones
Este numeral es aplicable.
4.2 Ensayos eléctricos
4.2.1 Este numeral es aplicable
4.2.5 Este numeral es aplicable
4.2.5.2 Sólo es aplicable la Tabla IX. Se aplican los valores para el ensayo A, aunque para condensadores en artefactos de calefacción se aplican los valores para ensayo B o C.
4.12 Este numeral es aplicable.
Nota. Solo se verifica la resistencia del aislamiento y la prueba de tensión (véase Tabla XIII).
4.13 Este numeral es aplicable
4.14 Este numeral es aplicable junto con sus numerales 4.14.1, 4.14.3, 4.14.4 y 4.14.7.
4.14.7 Adicionar
Nota. Solo se verifican la resistencia del aislamiento y la prueba de tensión (véase Tabla XIV) junto con un examen visual para asegurarse de que no haya daño visible.
4.17 Este numeral es aplicable.
4.18 Este numeral es aplicable.
TRANSFORMADORES DE SEGURIDAD Y AISLAMIENTO.
Los transformadores de seguridad y aislamiento que se ensayan con el artefacto deben ser conformes con esta norma y con los siguientes requisitos.
R.7 Rotulado e instrucciones
R.7.1 Los transformadores para uso específico deben ser marcados con:
El nombre, marca comercial o de identificación del fabricante o vendedor responsable.
Referencia del modelo o tipo.
Nota. La definición de transformadores para uso específico se da en la norma IEC 61558-1.
R.17 Protección contra sobrecarga de transformadores y circuitos asociados
Los transformadores de seguridad ante una falla deben cumplir los requisitos indicados en el numeral 15.5 de la norma IEC 61558-1.
Nota. Este ensayo se lleva a cabo en tres transformadores.
R.22 Construcción
Son aplicables los numerales 19.1 y 19.1.2 de la norma IEC 61558-2-6.
R.29 Distancias de fuga, distancias en el aire y distancias a través del aislamiento
R.29.1 Son aplicables las distancias especificadas en los ítems 2a, 2b y 3 de la Tabla 13 de la norma IEC 61558-1.
Nota. Son aplicables los valores declarados de contaminación normal.
INTERRUPTORES.
Los interruptores que se ensayan con el artefacto deben cumplir los requisitos de esta norma además de los siguientes numerales de la norma IEC 61058-1, tal como han sido modificados.
Los ensayos indicados en la norma IEC 61058-1 se llevan a cabo bajo las condiciones que se presentan en el artefacto.
Antes de ensayarlos, los interruptores se deben hacer funcionar 20 veces sin carga.
8. Rotulado y documentación
No es necesario marcar los interruptores, excepto que los interruptores incorporados deben llevar marcado el nombre o razón social del fabricante y tipo de referencia.
Nota. Un interruptor incorporado es el que se puede ensayar separado del artefacto.
13. Mecanismo
Este numeral es aplicable.
Nota. Los ensayos se pueden llevar a cabo en una muestra separada.
15. Resistencia de aislamiento y rigidez dieléctrica
Los numerales 15.1 y 15.2 no son aplicables.
El numeral 15.3 es aplicable para la desconexión completa y la microdesconexión.
Nota. Este ensayo se realiza inmediatamente después del de humedad indicado en el numeral 15.3 de la NTC 2183 (IEC 60335-1).
17. Capacidad de resistencia
Este numeral es aplicable.
La conformidad se verifica en tres artefactos o interruptores separados.
Al final de los ensayos el aumento de la temperatura de los terminales no debe haberse incrementado en más de 30 K por encima del aumento de temperatura medido en el numeral 11.
Nota. El texto del segundo ítem precedido de guión del numeral 17.3 no es aplicable.
20. Distancias en el aire, distancias de fuga y distancias a través del aislamiento
Este numeral es aplicable para distancias de fuga o distancias en el aire para partes activas de diferente potencial solamente, tal como se especifica en la Tabla 18 para aislamiento operativo y en la desconexión total y microdesconexión.
DIFERENCIAS EXISTENTES EN ALGUNOS PAÍSES.
En algunos países existen las siguientes diferencias:
2.5.2 La tensión extrabaja de seguridad no debe ser superior a 30 V (42,4 V pico en E.U.)
2.8.5 La desconexión de la alimentación no se considera una operación manual en Australia, Nueva Zelanda.
4.7 La temperatura ambiente de ensayo es 25 oC ± 10 oC en China, Japón y E.U.
4.17 Las partes metálicas accesibles que no son susceptibles de energizarse (como la placa metálica para identificación o una parte decorativa sobre una cubierta plástica) no necesitan ponerse a tierra. Las partes no metálicas accesibles solamente tienen que brindar un aislamiento básico en E.U.
6.1 No se permiten aparatos Clase 0 y 01 en Australia, Austria, Checoslovaquia, Finlandia, Francia, Alemania, Hungría, Irlanda, Italia, Países Bajos, Polonia, Singapur, Suecia, Reino Unido, Yugoslavia.
6.2 La protección contra ingreso peligroso de agua se determina por métodos diferentes de los presentados en la NTC 3279 (IEC 529) en E. U.
7.1 No es necesario rotular el número IP en E.U.
7.6 Algunos de estos símbolos no se usan en E.U.
7.8 Se permiten métodos adicionales para identificar terminales a tierra para conductores con neutro en E.U.
7.12.2 La separación de contactos de 3 mm no se aplica en Australia, Japón, Nueva Zelanda, E.U.
7.14 Se usan diferentes ensayos en E.U.
8.1.1 El ensayo no se repite necesariamente con una fuerza de 20 N en E. U.
8.1.1 No se requiere protección contra el contacto con partes energizadas de la capucha de la lámpara en E.U.
8.1.2 y 8.1.3 No se usan clavijas ni sondas de ensayo en E.U.
8.1.5 Antes de la instalación no es necesario proteger los aparatos empotrados, los fijos y los entregados en unidades separadas, con el aislamiento básico como mínimo en E.U.
9. Se requiere capacidad del motor para arrancar sin fundir un fusible de accionamiento rápido en E.U.
10.1 y 10.2 Se requieren límites positivos del 5% para aparatos de calentamiento y del 10% para aparatos a motor y en general no hay desviaciones negativas en E.U.
11.4, 11.5 y 11.6 Los aparatos de calentamiento y circuitos calefactores de aparatos combinados se operan a una entrada de alimentación nominal, o tensión nominal, de ellas la más severa. Todos los otros aparatos y circuitos se operan a tensión nominal en E.U.
11.8 Tabla 3. Los límites de elevación de temperatura para algunos materiales son diferentes en E.U.
13.2 Los límites para el circuito de ensayo y corriente de fuga son diferentes en E.U.
13.3 Los valores de algunas tensiones de ensayo son diferentes, dependiendo de la tensión nominal en E.U. Se usa un transformador de ensayo de 500 VA en E.U.
15.1.1 y 15.1.2 El sistema IP no se usa y los ensayos son diferentes en E.U.
15.3 El ensayo se realiza con una humedad relativa de (88 ± 2)% a una temperatura de 32 oC ± 2 oC en E.U.
16.2 El ensayo se realiza a la tensión de alimentación nominal y algunos de los valores de la corriente de fuga son diferentes en E. U.
16.3 Algunas tensiones de ensayo y métodos son diferentes en E.U.
19.1 Se permite que el dispositivo de protección del circuito preste la protección necesaria en E.U.
19.2 a 19.4 Generalmente los ensayos se realizan a la tensión de alimentación nominal o a la entrada de alimentación nominal en E.U.
19.13 Los límites de elevación de temperatura de la Tabla 7 no son aplicables en E.U.
20.1 No se realiza el ensayo de estabilidad a 15 oC y un aparato ensayado en posición volteada se juzga bajo criterios de ensayo anormales en E.U.
21. Se aplica fuerza de impacto con una esfera de acero que cae, en lugar del aparato de ensayo operado con resorte en E.U.
22.1 No se usa el sistema I P y los ensayos no son los mismos especificados en la NTC 3279 (IEC 529) en E.U.
22.2 No se puede cumplir con el segundo párrafo de este numeral que trata sobre aparatos Clase I monofásicos con elementos calefactores, debido al sistema de alimentación en Francia y Noruega.
22.2 Se requieren interruptores o dispositivos protectores de doble polo en Noruega.
22.2 No es necesario la desconexión del neutro para todos los aparatos estacionarios en E.U.
22.6 Este ensayo no se realiza en E.U.
22.11 Se requieren diferentes criterios para construcciones de resorte en E.U.
22.12 Se requieren formas positivas de aseguramiento en E.U.
22.14 Los bordes afiliados se evalúan por medio de un dispositivo de ensayo para bordes afiliados en E.U.
22.35 y 22.36 Generalmente no se requieren separar las partes metálicas mediante un aislamiento doble o reforzado en E.U.
23.5 Los requisitos para cableado interno aislado son diferentes en E.U.
23.7 Se puede usar cableado verde en lugar de verde/amarillo en Nueva Zelanda y en E.U.
24.1.2 Se requiere un número de ciclos diferentes y no se aplica la nota 2 en E.U.
24.1.3 La nota no se aplica en E.U.
24.3 El requisito para separación de contactos de 3 mm no se aplica en E.U.
25.1 No es necesario que el cordón de alimentación tenga una clavija en Irlanda y Reino Unido.
25.3 No se permite un grupo de conductores de alimentación (Noruega, Suecia, Dinamarca, Finlandia, Países Bajos).
25.8 Las áreas de sección transversales del conductor son diferentes (Australia, Nueva Zelanda y E.U.).
25.8 No se permiten cordones de alimentación de 0,5 mm2 para aparatos de Clase I (Australia y Nueva Zelanda).
25.10 También se permite un aislamiento verde (E.U.)
25.14.2 No se requiere más de un aislamiento separado (Australia)
25.16 Se permiten anclajes fríos completamente removibles (Australia)
25.16 Se aplica una tracción de 25 lb excepto para aparatos pequeños y generalmente no se usa el torque de ensayo (E.U.).
26.2 Las áreas de sección transversal se especifican de acuerdo con el American Wire Gauge (AWG) (E. U.)
DOCUMENTO DE REFERENCIA
INTERNATIONAL ELECTROTECHNICAL COMMISSION. Safety of Household and Similar Appliances. Part 1: General Requirements. Geneve 1991. 239 p (IEC 335-11: 1991).
INTERNATIONAL ELECTROTECHNICAL COMMISSION. Safety of Household and Similar Appliances. Part 1: General Requirements. Amendment 1, Geneve 1994. 9 p (Amendment 1, IEC 335-1).
INTERNATIONAL ELECTROTECHNICAL COMMISSION. Safety of Household and Similar Appliances. Part 1: General Requirements. Amendment 2, Geneve 1999. 12 p (Amendment 2, IEC 60335-1).
NORMA TECNICA NTC COLOMBIANA
2252 2005-08-24.
SEGURIDAD DE ARTEFACTOS ELECTRODOMESTICOS
Y ARTEFACTOS SIMILARES.
PARTE 2: REQUISITOS PARTICULARES PARA REFRIGERADORES, FABRICADORES DE HELADO Y FABRICADORES DE HIELO
E: HOUSEHOLD AND SIMILAR ELECTRICAL APPLIANCES - SAFETY - PART 2-24: PARTICULAR REQUIREMENTS FOR REFRIGERATING APPLIANCES, ICE-CREAM APPLIANCES AND ICE-MAKERS
CORRESPONDENCIA: Esta norma es una adopción idéntica (IDT) por traducción de la IEC 60335-2-24
DESCRIPTORES: Electrodomésticos - refrigeradores; refrigeradores - requisitos de seguridad; fabricadores de hielo - requisitos de seguridad; fabricadores de helado - requisitos de seguridad.
I.C.S.: 97.040.30
Editada por el Instituto Colombiano de Normas Técnicas y Certificación (ICONTEC) Apartado 14237 Bogotá, D. C. - Tel. 6078888 - Fax 2221435
Prohibida su reproducción Tercera actualización
Editada 2005-09-05
PROLOGO
El Instituto Colombiano de Normas Técnicas y Certificación, ICONTEC, es el organismo nacional de normalización, según el Decreto 2269 de 1993.
ICONTEC es una entidad de carácter privado, sin ánimo de lucro, cuya Misión es fundamental para brindar soporte y desarrollo al productor y protección al consumidor. Colabora con el sector gubernamental y apoya al sector privado del país, para lograr ventajas competitivas en los mercados interno y externo.
La representación de todos los sectores involucrados en el proceso de Normalización Técnica está garantizada por los Comités Técnicos y el período de Consulta Pública, este último caracterizado por la participación del público en general.
La NTC 2252 (Tercera actualización) fue ratificada por el Consejo Directivo de 2005-08-24.
Esta norma está sujeta a ser actualizada permanentemente con el objeto de que responda en todo momento a las necesidades y exigencias actuales.
A continuación se relacionan las empresas que colaboraron en el estudio de esta norma a través de su participación en el Comité Técnico 125 Maquinaria para uso doméstico e industrial para refrigeración.
CHALLENGER MABE COLOMBIA
HACEB SAMSUMG
INDUSEL
Además de las anteriores, en Consulta Pública el Proyecto se puso a consideración de las siguientes empresas:
ALUMINIO REYNOLDS SANTO DOMINGO S.A. INDUS TRIAS SUPER NORDICO
ANDI INTRAPLAST
BAVARIA INVERSIONES COLD STAR S.A.
BUNDY COLOMBIA S.A. LG ELECTRONICS COLOMBIA LTDA.
COINPLAST LTDA. REFRITERMO
COTECMAR RENTAFRIO S.A.
DOW QUIMICA UNIVERSIDAD CENTRAL
FRIOMIX UNIVERSIDAD NACIONAL DE COLOMBIA
SELLER UPME
INDUCOL WESTON LTDA.
INDUFRIAL WONDER
INDUSTRIAS PHILIPS DE COLOMBIA S.A.
ICONTEC cuenta con un Centro de Información que pone a disposición de los interesados normas internacionales, regionales y nacionales y otros documentos relacionados.
DIRECCION DE NORMALIZACION
SEGURIDAD DE ARTEFACTOS ELECTRODOMESTICOS Y ARTEFACTOS SIMILARES. PARTE 2: REQUISITOS PARTICULARES PARA REFRIGERADORES, FABRICADORES DE HELADO Y FABRICADORES DE HIELO.
0. Introducción
La NTC 2252 (Parte 2) se debe usar conjuntamente con la NTC 2183 (Parte 1), que contiene numerales para complementar o modificar los numerales correspondientes de la NTC 2252 (Parte 2) o para presentar los requisitos pertinentes para cada tipo de producto.
Los numerales del presente documento se adoptarán cuando especifiquen “Adición” o “Reemplazo” en consecuencia no será aplicable para esos efectos la NTC 2183 (Parte 1), cuando no aparece esta indicación se aplicará lo indicado en la NTC 2183 (Parte 1).
1. Objeto
Este numeral de la Parte 1 se reemplaza por:
Esta norma se aplica a la seguridad de los sigui entes artefactos, cuya tensión nominal no supera los 250 V para artefactos monofásicos, 480 V para otros artefactos y 24 V c.c. para artefactos accionados por baterías.
Refrigeradores para uso doméstico y similares.
Fabricadores de hielo que incorporan un motocompresor, y fabricadores de hielo destinados para incorporación en compartimientos de almacenamiento de alimentos congelados.
Refrigeradores y fabricadores de hielo para uso en camping, casas rodantes y botes de recreación.
Estos artefactos se pueden operar por red eléctrica, batería independiente o batería y red eléctrica.
Esta norma también trata sobre la seguridad de fabricadores de helados destinados para uso doméstico, cuya tensión nominal no sea mayor de 250 V para artefactos monofásicos y 480 V para otros artefactos.
También trata sobre artefactos tipo compresión para uso doméstico y similares, que emplean refrigerantes inflamables.
Esta norma no comprende características de fabricación y operación de los refrigeradores cubiertos por las normas NTC.
Los artefactos no destinados para uso doméstico normal pero que pueden generar
peligro para el público, como los que se utilizan en las tiendas, la pequeña industria y en el sector rural, están dentro del objeto de esta norma.
Hasta donde sea posible, esta norma trata los peligros comunes que presentan los artefactos que las personas encuentran dentro y alrededor de sus hogares. Sin embargo, en general, no trata:
El uso de artefactos por parte de niños pequeños o personas discapacitadas sin supervisión.
El hecho de que los niños jueguen con los artefactos.
NOTA 1 Se destaca lo siguiente:
Para los artefactos que se destinan a uso en vehículos, embarcaciones o aeronaves, pueden ser necesarios requisitos adicionales.
En muchos países, las autoridades nacionales de salud, de protección laboral y de transporte especifican requisitos adicionales.
NOTA 2 Esta norma no se aplica a:
Artefactos destinados para uso al aire libre.
Artefactos diseñados exclusivamente para propósitos industriales
Artefactos destinados para uso en sitios donde predominan condiciones especiales, como presencia de una atmósfera corrosiva o explosiva (polvo, vapor o gas).
Artefactos que incorporan una batería como fuente de alimentación de energía para la función de refrigeración.
Artefactos que el instalador ensambla en el sitio.
Artefactos con motocompresor remoto.
Motocompresores (IEC 60335-3-34).
Dispensadores comerciales y máquinas expendedoras (IEC 60335-2-75)
Fabricadores comerciales de helados.
2. Referencias normativas
Este numeral de la Parte 1 es aplicable, excepto en lo siguiente:
Adición:
IEC 60079 (todas las partes), Electrical Apparatus for Explosive Gas Atmospheres
IEC 60079-4A, Electrical Apparatus for Explosive Gas Atmospheres – Part 4: Method of Test for Ignition Temperature – First Supplement
IEC 60079-15:1987, Electrical Apparatus for Explosive Gas Atmospheres – Part 15: Electrical Apparatus with Type of Protection “n”
IEC 60079-20:1996, Electrical Apparatus for Explosive Gas Atmospheres – Part 20: Data for Flammable Gases and Vapors, Relating to the Use of Electrical Apparatus.
IEC 60335-2-34, Household and Similar Electrical Appliances – Safety – Part 2-34: Particular Requirements for Motor-compressors.
ISO 817:1974, Organic Refrigerants – Number Designation.
ISO 3864:1984, Safety Colours and Safety Signs
ISO 5149:1993, Mechanical Refrigerating Systems used for Cooling and Heating – Safety Requirements
3. Definiciones
Este numeral de la Parte 1 es aplicable, con excepción de lo siguiente:
3.1.9 Reemplazo
funcionamiento normal
Operación del artefacto bajo las siguientes condiciones:
3.2.9.101
Operación normal de un refrigerador
Operación a temperatura ambiente de acuerdo con el numeral 5.7, vacío, con las puertas y tapas cerradas. Los dispositivos de control de la temperatura ajustables por el usuario y que controlan la operación del motocompresor en los artefactos tipo compresor, se ponen en cortocircuito o se dejan inoperantes de alguna otra forma.
3.2.9.102
Operación normal de un fabricador de hielo
Operación a temperatura ambiente conforme con lo indicado en el numeral 57.7, con el suministro de agua a una temperatura de 15 oC ± 2 oC.
3.2.9.103
Operación normal de un fabricador de hielo incorporado
Operación a temperatura normal del compartimiento para almacenamiento de alimentos congelados, con el suministro de agua a una temperatura de 15 oC ± 2 oC.
3.2.9.104
Operación normal de un fabricador de helado
Operación del artefacto utilizando la máxima cantidad de mezcla de ingredientes indicados en las instrucciones. La mezcla utilizada será la que dé los resultados más desfavorables, y su temperatura inicial debe ser de 23 oC ± 2 oC.
3.101
Refrigerador
Artefacto cerrado, aislado térmicamente, con un volumen adecuado para uso doméstico, enfriado mediante un dispositivo incorporado, y con uno o más compartimientos para preservación de productos alimenticios.
3.102
Artefacto tipo compresión
Artefacto en el cual la refrigeración se efectúa mediante la vaporización a baja presión de un refrigerante líquido en un intercambiador de calor (evaporador); el vapor resultante vuelve al estado líquido por compresión mecánica a una presión más alta y se enfría de nuevo en otro intercambiador de calor (condensador).
3.103
Fabricador de hielo
Artefacto en el cual se fabrica hielo congelan do agua mediante un dispositivo que consume energía eléctrica y tiene un compartimiento para almacenar el hielo.
3.104
Fabricador de hielo incorporado
Fabricador de hielo especialmente diseñado para incorporarlo a un compartimiento de almacenamiento de alimentos congelados y sin medios independientes para congelar el agua.
3.105
Sistema calefactor
Elemento calefactor con componentes asociados, tales como temporizadores,
interruptores, termostatos y otros controles.
3.106
Artefacto tipo absorción
Artefacto en el cual la refrigeración se efectúa por la evaporación de un refrigerante en estado líquido, en un intercambiador de calor (evaporador), y luego el vapor resultante es asimilado por un medio absorbente y expulsado después por calefacción a una presión parcial de vapor más alta y licuado por enfriamiento en otro intercambiador de calor (condensador).
3.107
Condensador
Intercambiador de calor en el cual, después de la compresión, el refrigerante vaporizado se condensa expulsando calor a un medio de enfriamiento externo.
3.108
Evaporador
Intercambiador de calor en el cual, después de una reducción en la presión, el refrigerante líquido se vaporiza absorbiendo calor del medio por refrigerar.
3.109
Refrigerante inflamable
Refrigerante con una clasificación de inflamabilidad 2 ó 3, conforme con la norma
ISO 5149.
NOTA. Para mezclas refrigerantes que tienen más de una clasificación de inflamabilidad, se toma la clasificación más desfavorable para los propósitos de esta definición.
3.110
Fabricador de helados
Artefacto tipo compresión que se usa para fabricar helados.
3.111
Espacio libre
Espacio cuyo volumen es mayor de 60 I, en donde puede quedar atrapado un niño y al que se puede acceder después de abrir una puerta, tapa o cajón y retirar cualquier parte interna removible, incluidos anaqueles, contenedores o cajones removibles a los que sólo se tiene acceso después de abrir una puerta o tapa. Al calcular el volumen se ignora un espacio con una sola dimensión no mayor de 150 mm o dos dimensiones ortogonales, cada una de las cuales no exceda los 200 mm.
4. Requisitos generales
Este numeral de la Parte 1 es aplicable, con excepción de lo siguiente:
Adición:
NOTA 101. El uso de refrigerantes inflamables involucra peligros adicionales no asociados con artefactos que emplean refrigerantes no inflamables.
Esta norma trata los peligros por ignición de un refrigerante inflamable que haya escapado, provocados por fuentes potenciales de ignición asociadas con el artefacto.
El peligro debido a la ignición de una fuga de refrigerante inflamable por una fuente externa potencial de ignición asociada con el medio ambiente en el cual se instala el artefacto, se compensa con la baja probabilidad de ignición.
5. Condiciones generales para los ensayos
Es aplicable este numeral de la Parte 1, con excepción de lo siguiente:
5.2 Adición
Para los ensayos indicados en el numeral 22.107 se requiere al menos una muestra adicional preparada especialmente.
NOTA 101. Para el ensayo del numeral 19.1, a menos que el motocompresor cumpla con la IEC 60335-2-34, se puede requerir al menos una muestra adicional preparada especialmente.
NOTA 102. Para el ensayo del numeral 19.1, se puede requerir al menos una muestra adicional del motor del ventilador y de su protector térmico.
NOTA 103. El ensayo indicado en el numeral 22.7 se puede llevar a cabo en muestras separadas.
NOTA 104. Debido a la naturaleza potencialmente peligrosa de los ensayos indicados en los numerales 22.107, 22.108 y 22.109, pueden ser necesarias precauciones especiales al realizarlos.
5.3 Adición
Antes de empezar los ensayos:
Los fabricadores de helados se hacen funcionar vacíos, a la tensión nominal por 1 h, o la posición máxima de un temporizador incorporado, lo que sea menor.
Otros artefactos tipo compresión se deben hacer funcionar a la tensión nominal al menos por 24 h, luego se apagan y se dejan en reposo por lo menos durante 12 h.
El ensayo del numeral 11.102 se realiza inmediatamente después del ensayo indicado en el numeral 13.
El ensayo del numeral 15.105 se realiza inmediatamente después del indicado en el numeral 11.102.
Los ensayos de los numerales 15.102, 15.103 y 15.104 se realizan inmediatamente después del ensayo indicado en el numeral 15.2.
5.4 Reemplazo
Los ensayos se llevan a cabo utilizando una fuente de energía (electricidad, gas u otro combustible) a la vez. Para los artefactos de gas, la presión de suministro del combustible debe ser la nominal apropiada.
Adicionalmente, se realizan ensayos con todas las combinaciones de fuentes de energía alimentadas simultáneamente, a menos que haya dispositivos de interbloqueo que lo impidan.
5.7 Adición
Para fabricadores de helado, los ensayos especificados en los numerales 10, 11 y 13 se realizan a una temperatura ambiente de 23 oC ± 2 oC.
Para otros artefactos, los ensayos especificados en los numerales 10, 11, 13 y 19,103, se realizan a una temperatura de:
32 oC ± 1 oC en artefactos de clase templada extendida (SN) y templada (N).
38 oC ± 1 oC en artefactos de clase subtropical (ST).
43 oC ± 1 oC en artefactos de clase tropical (T).
Antes de empezar estos ensayos, el artefacto con las puertas o tapas abiertas se lleva a una temperatura dentro de 2K de la temperatura ambiente especificada.
Los artefactos clasificados para diferentes clases de clima se ensayan a la temperatura ambiente pertinente para la clase climática más elevada.
Otros ensayos se realizan a una temperatura ambiente de 20 oC ± 5 oC.
NOTA. Se considera que se han establecido condiciones de régimen estable cuando tres lecturas consecutivas de la temperatura, tomadas a intervalos de 60 min aproximadamente, en el mismo punto de un ciclo de operación, no difieren en más de 1K.
5.8.1 Adición
Los artefactos que se pueden operar con baterías se ensayan a la polaridad más desfavorable cuando los terminales de alimentación o dispositivos de conexión de la batería no tengan indicación para la polaridad.
5.9 Adición
Los artefactos que incorporan un fabr icador de hielo se ensayan con este funcionando para dar los resultados más desfavorables.
5.10 Adición
Para los ensayos indicados en los numerales 22.107, 22.108 y 22.109, el artefacto debe estar vacío e instalado como se describe a continuación:
Los artefactos empotrados se instalan conforme con las instrucciones de instalación.
Otros artefactos se colocan en un encerramiento de ensayo, con las paredes que los encierran lo más cerca posible de todos sus lados y su parte superior, a menos que el fabricante indique en las instrucciones de instalación que se debe guardar una distancia libre en relación con las paredes o el techo, en cuyo caso se respeta esta distancia durante el ensayo.
NOTA 101. Los herrajes de fijación disponibles comúnmente, tales como tornillos
y pernos, no es necesario que sean despachados con un artefacto fijo.
101.101 Los artefactos que están construidos de manera que se puede incorporar un fabricador de hielo, se ensayan con el fabricador de hielo previsto.
101.102 Los artefactos tipo compresión con sistemas de calefacción y los artefactos tipo Peltier se ensayan como artefactos combinados.
101.103 Artefactos tipo compresión que usan sistemas de calefacción, y que de acuerdo con las instrucciones, se pueden usar con otros artefactos eléctricos dentro de un compartimiento de almacenamiento de alimentos, se ensayan con estos artefactos recomendados incorporados y que operan como en uso normal.
NOTA. Ejemplos de tales artefactos eléctricos son los fabricadores de helados y
los desodorizantes.
6. Clasificación
Este numeral de la parte 1 es aplicable con excepción de lo siguiente:
6.101 Los artefactos, diferentes de los fabricadores de helados, deben ser de una o más de las siguientes clases climáticas:
Artefactos de clase templada extendida (SN).
Aparatos de clase templada (N).
Artefactos de clase subtropical (ST).
Artefactos de clase tropical (T).
La conformidad se verifica mediante inspección.
NOTA. Las clases de clima se especifican en las normas ISO.
7. Rotulado e instrucciones
Este numeral de la parte 1 es aplicable con excepción de lo siguiente:
7.1 Adición
Los artefactos también se deben marcar con:
La entrada de potencia, en vatios, de los sistemas de calefacción, si es mayor de 100 W.
La potencia de descongelación, en vatios, si es mayor que la correspondiente a la entrada de potencia nominal.
La entrada de potencia nominal en vatios, o la corriente nominal en amperios, excepto que los artefactos tipo compresión, distintos de los fabricadores de helados, se deben marcar sólo con la corriente nominal en amperios.
Las letras SN, N, ST o T, que indican la clase de clima del artefacto.
La máxima potencia nominal en vatios de las bombillas.
La masa total del refrigerante.
NOTA 101. Para artefactos tipo absorción que empleen amoniaco, la masa total del refrigerante se considera la masa del amoniaco utilizado.
Para refrigerantes de componente único, al menos uno de lo s siguientes datos:
El nombre químico.
La fórmula química.
El número del refrigerante.
Para refrigerantes mezclados, al menos uno de los siguientes datos:
El nombre químico y la proporción nominal de cada uno de los componentes.
La fórmula química y la proporción nominal de cada uno de los componentes.
El número del refrigerante y la proporción nominal de cada uno de los componentes.
El número de la mezcla refrigerante.
El nombre químico o número de refrigerante del componente principal del gas espumante de aislamiento.
NOTA 102. Los números de los refrigerantes se dan en la norma ISO 817.
Para artefactos tipo compresión, la entrada de potencia de descongelamiento en vatios se debe marcar por separado si la corriente correspondiente a la entrada de potencia de descongelamiento es mayor que la corriente nominal del artefacto.
Los artefactos que se pueden operar desde la red eléctrica y por batería deben llevar marcada la tensión de la batería.
Los artefactos que se pueden operar con batería se deben marcar con el tipo de batería, haciendo la distinción entre baterías recargables y no recargables, si es necesario, a menos que el tipo sea inaplicable para la operación del artefacto.
Los medios para conexión de cualquier suministro adicional de energía se deben marcar con la tensión y naturaleza del suministro.
Los artefactos diseñados para incorporarles un fabricador de hielo deben marcarse con la máxima potencia de entrada para un fabricador de hielo incorporado, si es mayor de 100 W.
Los fabricadores de hielo sin control automático del nivel de agua se deben marcar con el máximo nivel de agua permisible.
Los artefactos se deben marcar con detalles de la fuente de alimentación distinta de la eléctrica, si la hay.
Para sistemas de refrigeración tipo compresión, el artefacto también se debe marcar con la masa del refrigerante para cada circuito de refrigeración separado.
Los artefactos tipo compresión que emplean refrigerantes inflamables se deben marcar con el signo de advertencia B.3.2 de la norma ISO 3864.
7.6 Adición
La altura perpendicular del triángulo que contiene el signo de advertencia B.3.2 de la norma ISO 3864 debe ser 15 mm como mínimo.
7.10 Adición
NOTA 101. Como alternativa, los valores de temperatura en grados Celsius se pueden indicar sobre una escala de control.
7.12 Adición
Las instrucciones para los refrigeradores y fabricadores de hielo para camping o usos similares deben incluir sustancialmente lo siguiente:
Apto para uso en camping.
El artefacto se puede conectar a más de una fuente de energía.
NOTA 101. Este texto no es aplicable a artefactos destinados para ser alimentados por electricidad solamente.
El artefacto no se debe exponer a la lluvia.
NOTA 102. Este ítem no es aplicable a artefactos cuyo grado de protección contra el ingreso nocivo de agua sea al menos lPX4.
Para fabricadores de hielo no destinados para conexión al suministro de agua, las instrucciones deben llevar la siguiente advertencia:
ADVERTENCIA Llenar con agua potable solamente.
Para artefactos tipo compresión que empleen refrigerantes inflamables, las instrucciones deben incluir información sobre la instalación, manejo, reparaciones y disposición final del artefacto.
Las instrucciones también deben incluir en esencia las siguientes advertencias:
ADVERTENCIA. Mantener libres de obstrucción las aberturas de ventilación en la caja del artefacto o en la estructura empotrada.
ADVERTENCIA. No usar dispositivos mecánicos u otros medios para acelerar el proceso de descongelación, diferentes de los recomendados por el fabricante.
ADVERTENCIA. No dañar el circuito refrigerante.
NOTA 103. Esta advertencia sólo es aplicable a artefactos con circuitos de refrigeración accesibles para el usuario.
ADVERTENCIA. No usar artefactos eléctricos dentro de los compartimientos para almacenamiento de alimentos del artefacto, a menos que sean del tipo recomendado por el fabricante.
Para aparatos que usan gases espumantes de aislamiento inflamables, las instrucciones deben incluir información concerniente a la disposición final del artefacto.
Las instrucciones de los fabricadores de helados deben incluir los ingredientes y la máxima cantidad de mezclas que se pueden usar en el artefacto.
7.12.1 Adición
Las instrucciones deben incluir el método para reemplazar las bombillas de iluminación.
Las instrucciones de los artefactos diseñados para incorporarles fabricadores de hielo deben incluir los tipos de fabricadores de hielo que se les pueden incorporar.
Las instrucciones deben incluir información sobre la instalación de fabricadores de hielo incorporados que se encuentran disponibles como accesorios opcionales y destinados para que el usuario las instale. Si está previsto que sólo el fabricante o agente de servicio instale los fabricadores de hielo incorporados, esto se debe declarar.
Las instrucciones de los fabricadores de fabricar hielo destinados para conexión al suministro de agua deben indicar:
La máxima presión permisible de entrada de agua, en pascales o bares.
La mínima presión permisible de entrada de agua, en pascales o bares, si es necesario para la correcta operación del artefacto.
En esencia, la siguiente advertencia:
ADVERTENCIA. Conectar únicamente al suministro de agua potable.
Las instrucciones para artefactos fijos deben incluir, en esencia, la siguiente advertencia:
ADVERTENCIA. Para evitar peligros debido a la inestabilidad del artefacto, se debe fijar de acuerdo con las instrucciones.
4.4.4 Modificación
Este numeral también es aplicable a artefactos fijos.
7.15 Adición
El rotulado de la máxima potencia nominal en vatios de las bombillas de iluminación se debe distinguir fácilmente mientras se esté reemplazando la bombilla.
Para artefactos tipo compresión, la marca del tipo de refrigerante inflamable y del gas espumante inflamable de aislamiento, así como el signo de advertencia B.3.2 de la norma ISO 3864, deben ser visibles cuando se accede a los motocompresores.
Para otros artefactos, el rotulado del tipo de gas espumante inflamable de aislamiento debe estar en la cubierta externa.
7.101 Para artefactos que se pueden operar con baterías, los terminales de suministro o dispositiv os de conexión a la batería se deben indicar claramente mediante el símbolo “+” o el color rojo para la polaridad positiva y el símbolo “-” o el color negro para la polaridad negativa, a menos que la polaridad no tenga pertinencia.
La conformidad se verifica mediante inspección.
8. Protección contra acceso a partes activas
Este numeral de la Parte 1 es aplicable, con las siguientes excepciones:
8.1.1 Modificación
Reemplazar el segundo párrafo de la especificación de ensayo por el siguiente:
Las bombillas no se retiran si el artefacto se puede aislar del suministro por medio de un enchufe o un interruptor multipolar. Sin embargo, durante la inserción o remoción de las bombillas, se debe asegurar la protección contra el contacto con partes activas del casquillo de la bombilla.
9. Arranque de los artefactos operados por motor
Este numeral de la parte 1 no es aplicable.
10. Potencia de entrada y corriente
Este numeral de la Parte 1 es aplicable, con excepción de lo siguiente:
10.1 Modificación
Se reemplaza el tercer ítem del primer párrafo de la especificación de ensayo, por el siguiente:
El artefacto funciona bajo operación normal, excepto que los controles de temperatura ajustables por el usuario se ajustan para dar la temperatura más baja.
Adición
La potencia de entrada se considera estabilizada cuando se establecen condiciones estables o cuando los temporizadores incorporados se activan, lo que ocurra primero.
Un período representativo es el comprendido entre la conexión e interrupción del control de la temperatura, o entre los valores medidos de potencia más alto y más bajo, excluyendo la potencia de arranque, pero incluyendo la potencia de entrada del fabricador de hielo incorporado, si la hay.
NOTA 101. La potencia de entrada de un sistema descongelador que esté rotulado por separado en el artefacto no se toma en consideración durante el ensayo.
10.2 Modificación
Se reemplaza el tercer ítem del primer párrafo de la especificación de ensayo por el siguiente:
El artefacto funciona bajo operación normal, excepto que los controles de temperatura ajustables por el usuario se deben ajustar para dar la temperatura más baja.
Adición
El artefacto se hace funcionar por un período de 1 h o la máxima posición de un temporizador incorporado, lo que sea más corto. Excluyendo la corriente de encendido, se obtiene el máximo valor de la corriente, promediada en cualquier período de 5 min. El intervalo entre las mediciones de corriente no debe exceder de 30 s.
NOTA 101. La corriente de encendido se considera excluida si la primera medición de corriente se toma aproximadamente 1 min después de empezar.
10.101 La desviación en la potencia de entrada del sistema descongelador no debe diferir de la entrada de potencia de descongelación marcada en el artefacto más de lo indicado en la Tabla 1.
La conformidad se verifica accionando el artefacto a la tensión nominal y midiendo la potencia de entrada del sistema de descongelación después que la potencia de entrada se ha estabilizado.
10.102 La potencia de entrada de los sistemas calefactores no debe diferir de la potencia de estos sistemas marcada en el artefacto, en más de lo indicado en la Tabla 1.
La conformidad se verifica accionando el artefacto a la tensión nominal y midiendo la potencia de entrada del sistema calefactor después de que la potencia se ha estabilizado.
11. Calentamiento
Es aplicable este numeral de la Parte 1, con excepción de lo siguiente:
11.1 Modificación
La conformidad se verifica determinando el aumento de temperatura de varias partes bajo las condiciones especificadas en los numerales 11.2 a 11.7.
Si las temperaturas de los bobinados de los motocompresores exceden los valores indicados en la Tabla 101, la conformidad se verifica mediante el ensayo del numeral 11.101.
Las temperaturas de los bobinados de los motocompresores que cumplen los requisitos de la norma IEC 60335-2-34 (incluyendo su Anexo AA) no se miden.
11.2 Reemplazo
Los artefactos empotrados se instalan conforme con las instrucciones de instalación.
Los fabricadores de helados se colocan lo más cerca posible de las paredes de la esquina de ensayo, a menos que el fabricante indique en las instrucciones de uso que se debe conservar una distancia libre respecto a las paredes, en cuyo caso, se debe conservar esta distancia durante el ensayo. Si el fabricante suministra un medio de ventilación, este se debe montar como esté previsto.
Otros artefactos se colocan en un cerramiento de ensayo, con las paredes que los encierran lo más cerca posible de todos sus lados y su parte superior, a menos que el fabricante indique en las instrucciones para instalación que se debe observar una distancia libre desde las paredes o el techo, en cuyo caso se respeta esta distancia durante el ensayo.
Se usa madera terciada pintada de negro mate, con un espesor de 20 mm aproximadamente. para la esquina de ensayo, los soportes y la instalación de los artefactos empotrados y para el cerramiento de otros artefactos.
11.7 Reemplazo
El artefacto se hace funcionar hasta que se establezcan condiciones de régimen estable.
11.8 Modificación
Reemplazar el texto que precede a la Tabla 3, por el siguiente:
Durante el ensayo no deben operar dispositivos de protección distintos de los protectores térmicos del motor con autorreposición para motocompresores. Cuando se establezcan condiciones estables, dichos protectores no deben operar.
Durante el ensayo, el compuesto sellante, si lo hay, no debe derramarse.
Durante el ensayo se deben monitorear continuamente los aumentos de temperatura.
Para artefactos de clase templada extendida (SN) o templada (N), los aumentos de temperatura no deben exceder los valores indicados en la Tabla 3.
Para artefactos de clase climática subtropical (ST) o tropical (T), los aumentos de temperatura no deben exceder los valores indicados en la Tabla 3, reducidos en 7 K.
Adición
La entrada de la tabla 3 relacionada con el aumento de temperatura del encerramiento externo de los artefactos operados por motor es aplicable a todos los artefactos cubiertos por esta norma. Sin embargo, no es aplicable a las partes de la carcasa externa que:
Para artefactos empotrados, no queden accesibles después de instalarlas conforme con las instrucciones de instalación.
Para otros artefactos, estén situadas en la parte del artefacto que, conforme con las instrucciones de instalación, debe colocarse contra una pared, a una distancia libre no mayor de 75 mm.
Las temperaturas de:
Cerramientos de motocompresores distintos de los que tienen un cerramiento para el cual el aumento de temperatura se especifica en la Tabla 3.
Bobinados de motocompresores.
No deben exceder los valores indicados en la Tabla 101.
Para motocompresores que cumplen los requisitos de la norma IEC 60335-2-34, incluido su Anexo AA, no se miden las temperaturas de sus:
Cerramientos, distintos de los motocompresores que tienen un cerramiento para el cual el aumento de temperatura esté especificado en la Tabla 3.
Bobinados y otras partes.
Tabla 101. Temperaturas máximas para motocompresores
| Parte del motocompresor | Temperatura, oC |
| Bobinados con: - Aislamiento sintético - Aislamiento celulósico o similar Encerramiento externo | 140 130 150 |
11.101 Si las temperaturas de los bobinados de los motocompresores distintos de los que cumplen los requisitos de la nor ma IEC 60335-2-34, incluido su Anexo AA, superan los límites indicados en la Tabla 101, el ensayo se debe repetir con el termostato o dispositivo similar de control ajustado a la temperatura más baja y se debe retirar el cortocircuito del dispositivo de control de la temperatura regulable por el usuario.
Las temperaturas de los bobinados se miden al final del ciclo.
Las temperaturas no deben superar los límites indicados en la Tabla 101.
11.102 Ningún sistema de descongelación debe producir temperaturas excesivas.
La conformidad se verifica mediante el siguiente ensayo:
El artefacto se alimenta a la tensión que sea más desfavorable entre 0,94 y 1,06 veces la tensión nominal:
En el caso de los artefactos en los que la descongelación se controla manualmente, hasta que el evaporador esté cubierto de una capa de escarcha.
En el caso de los artefactos los en que la descongelación se controla de manera automática o semiautomática, hasta que el evaporador se encuentre cubierto con una capa de escarcha; sin embargo, esta capa no debe ser más gruesa que la que se produce en uso normal durante los intervalos entre operaciones sucesivas de descongelación automática o, para descongelación semiautomática, durante los intervalos entre las operaciones de descongelación recomendadas por el fabricante, si las hay.
NOTA 1. En el Anexo BB se presenta un método de acumulación de escarcha para refrigeradores.
Con el sistema de descongelación funcionando:
Para artefactos tipo absorción y para artefactos tipo compresión en los cuales el sistema de descongelación se puede energizar mientras el resto del artefacto está sin energizar, la tensión de suministro debe ser como se especifica en el numeral 11.4.
Para otros artefactos tipo compresión, la tensión de alimentación debe ser como se especifica en el numeral 11.6.
NOTA 2 . Se considera que el sistema de descongelación se puede energizar independientemente si para ello no se requiere el uso de herramientas.
Si el tiempo de descongelación se controla mediante un dispositivo ajustable, dicho dispositivo se debe ajustar al tiempo recomendado por el fabricante. Si se usa un dispositivo de control que detiene el descongelamiento a determinada temperatura o presión, el período de descongelamiento termina automáticamente cuando se acciona el control.
Para descongelación controlada manualmente, el ensayo continúa hasta que se establezcan condiciones de régimen estable; si no, continúa hasta que el período de descongelación termine automáticamente por acción de un dispositivo de control.
Las temperaturas de los materiales combustibles y los componentes eléctricos que pueden verse afectados por la operación de descongelación se miden con termocuplas.
Las temperaturas y aumentos de temperatura no deben superar los valores indicados en el numeral 11.8.
NOTA 3. Durante el período de recuperación después de la descongelación, se puede accionar el protector térmico contra sobrecargas del motocompresor.
11.103 Los sistemas calefactores distintos de los de descongelación, incorporados en un artefacto, no deben elevar excesivamente las temperaturas.
La conformidad se verifica mediante el siguiente ensayo:
Los sistemas calefactores distintos de los de descongelación se energizan de la siguiente forma:
Para artefactos tipo absorción y artef actos tipo compresión en los que el sistema calefactor se puede energizar mientras el resto del artefacto no está energizado, la tensión de alimentación es como se especifica en el numeral 11.4.
Para otros artefactos tipo compresión, la tensión de alimentación debe ser como se especifica en el numeral 11.6.
NOTA. Se considera que el sistema de descongelación se puede energizar independientemente si para ello no se requiere el uso de herramientas.
El ensayo continúa hasta que se establezcan condiciones de régimen estable.
Los aumentos de temperatura se miden por medio de termocuplas fijas sobre la superficie externa del aislamiento de los sistemas calefactores.
Los aumentos de temperatura no deben exceder los valores indicados en el numeral 11.8.
12. Vacío
13. Corriente de fuga y rigidez dieléctrica a la temperatura de operación
Este numeral de la Parte 1 es aplicable con excepción de lo siguiente:
13.1 Adición
El ensayo indicado en el numeral 13.2 no se aplica a los circuitos de batería.
13.2 Modificación
En lugar de los valores especificados para artefactos clase 0I y los diferentes tipos de artefactos clase l, se aplican los siguientes valores:
Para artefactos clase 0I 0,75 Ma
Para refrigeradores clase I Los valores especificados para los diferentes tipos de artefactos clase I
Para otros artefactos clase I 1,5 mA
13.3 Adición
La tensión de ensayo especificada en la Tabla 4 para aislamiento reforzado se aplica entre circuitos separados para la operación con batería y operación con la red eléctrica.
14. Sobretensiones transitorias
Se aplica este numeral de la Parte 1.
15. Resistencia a la humedad
Este numeral de la parte 1 es aplicable con excepción de lo siguiente:
15.2 Adición
Las cubiertas de las bombillas no se retiran.
15.101 Los artefactos sujetos a derrames de líquido de los contenedores sobre las paredes interiores del gabinete o compartimiento, o sobre la parte superior del gabinete, se deben construir de manera que el derrame no afecte su aislamiento eléctrico.
La conformidad se verifica mediante los ensayos pertinentes de los numerales 15.102, 15.103 y 15.104.
15.102 El aparato que ilustra la Figura 101 se llena con agua que contenga aproximadamente 1% NaCI y 0,6% de agente de enjuague ácido, como se especifica en el Anexo AA de la norma IEC 60335-2-5 hasta el nivel del borde, y el bloque de desplazamiento se sostiene apenas sobre el agua por medio de un mecanismo adecuado de desenganche y un soporte conveniente.
Se retiran todos los anaqueles y contenedores que sean removibles sin el uso de herramientas, y el artefacto se desconecta de la fuente de alimentación. No se retiran las cubiertas de las bombillas.
El ap arato se sostiene con su base horizontal y se coloca en una posición y altura tales que cuando se accione el mecanismo de desenganche, el agua se descargue sobre la pared posterior y las paredes interiores laterales del gabinete o compartimiento, incluido cualquier componente eléctrico montado en ellas, en la manera más desfavorable. El ensayo se hace sólo una vez con el aparato en cualquier posición, pero se puede repetir cuantas veces sea necesario en diferentes posiciones, siempre y cuando no haya residuos de agua sobre las partes mojadas en un ensayo anterior.
Inmediatamente después del ensayo, el artefacto debe soportar satisfactoriamente el ensayo de rigidez dieléctrica indicado en el numeral 16.3, y la inspección debe mostrar que no hay rastros de agua en el aislamiento que puedan producir una reducción de las distancias de fuga y distancias en el aire por debajo de los valores indicados en el numeral 29.
Además, si la inspección muestra que el agua está en contacto con el elemento calefactor de descongelación o su aislamiento, el artefacto debe pasar satisfactoriamente el ensayo indicado en el numeral 22.102.
15.103 Los artefactos distintos de los empotrados, los fabricadores de helados y los fabricadores de hielo, se inclinan en un ángulo de hasta 2o en relación con la posición de uso normal en la dirección que pueda ser la más desfavorable para este ensayo. Se vierte uniformemente medio litro de agua que contenga aproximadamente 1% NaCI y 0,6% de agente de enjuague ácido, sobre la parte superior del artefacto, en un tiempo aproximado de 60 s, en el sitio más desfavorable, desde una altura de 50 mm aproximadamente, con los controles en la posición de “encendido” y el artefacto desconectado de la fuente de alimentación.
Inmediatamente después del ensayo, el artefacto debe pasar satisfactoriamente el ensayo de rigidez dieléctrica indicado en el numeral 16.3, y la inspección debe mostrar que no hay rastros de agua en el aislamiento que puedan producir una reducción de las distancias de fuga y distancias en el aire más allá de los valores indicados en el numeral 29.
15.104 Para fabricadores de hielo que se conectan directamente al suministro de agua, el contenedor, o la parte del artefacto que sirve como contenedor, se llena con agua como en uso normal. La válvula de entrada se mantiene abierta y se continúa el llenado durante 1 min después de la primera evidencia de desbordamiento.
Cuando no ocurre desbordamiento debido a la operación de un dispositivo que lo evite, la válvula de entrada se deja abierta durante otros 5 min después de la operación de este dispositivo.
Inmediatamente después del ensayo, el artefacto debe pasar satisfactoriamente el ensayo de rigidez dieléctrica indicado del numeral 16.3, y la inspección debe mostrar que no hay rastros de agua en el aislamiento que puedan producir una reducción de las distancias de fuga y las distancias en el aire por debajo de los valores indicados en el numeral 29.
15.105 La operación de un sistema de descongelación no debe afectar el aislamiento eléctrico de los elementos calefactores de descongelación.
La conformidad se verifica mediante el siguiente ensayo:
Inmediatamente después del ensayo indicado en el numeral 11.102, el artefacto debe pasar satisfactoriamente el ensayo de rigidez dieléctrica indicado en el numeral 16.3, y la inspección debe mostrar que no hay rastros de agua en el aislamiento que puedan producir una reducción de las distancias de fuga y las distancias en el aire por debajo de los valores indicados en el numeral 29.
Además, si la inspección muestra que hay agua en contacto con el elemento calef actor de descongelación o su aislamiento, el artefacto debe pasar satisfactoriamente el ensayo indicado en el numeral 22.102.
16. Corriente de fuga y rigidez dieléctrica
Este numeral de la Parte 1 es aplicable con excepción de lo siguiente:
16.1 Adición
El ensayo indicado en el numeral 16.2 no se aplica a los circuitos de batería.
16.2 Modificación
En lugar de los valores especificados para artefactos clase 0I y los diferentes tipos de artefactos clase I, se aplican los siguientes valores:
Para artefactos clase 0I 0,75 Ma
Para refrigeradores clase I Los valores especificados para los diferentes tipos de artefactos clase I
Para otros artefactos clase I 1,5 mA
16.3 Adición
La tensión de ensayo especificada en la Tabla 7 para aislamiento reforzado se aplica entre circuitos separados para operación con batería y operación con la red eléctrica.
17. Protección contra sobrecarga de los transformadores y circuitos asociados
Es aplicable este numeral de la Parte 1.
18. Duración
Este numeral de la Parte 1 no es aplicable.
19. Operación anormal
Este numeral de la Parte 1 es aplicable con excepción de lo siguiente:
19.1 Adición
Los numerales 19.2 y 19.3 no se aplican a sistemas calefactores.
Además, los motores de los ventiladores y sus protectores térmicos, si los hay, se someten al ensayo especificado en el Anexo AA.
NOTA 101 Para cualquier tipo de motor de ventilador y combinación motor-protección térmica, este ensayo se lleva a cabo solamente una vez.
Los motocompresores que no cumplen con la IEC 60335-2-34 se someten a los ensayos especificados en la IEC 60335-2-34, 19.101 y 19.102, y también deben cumplir con el numeral 19.104 de esa norma.
NOTA 102 Para cualquier tipo de motocompresor, este ensayo se realiza solamente una vez.
Los motores de los ventiladores de los fabricadores de helados no se someten al ensayo de rotor bloqueado indicado en el Anexo AA.
19.7 Aplica la Parte 1 para los motores de los aparatos fabricadores de helado
Los motores de los ventiladores de los fabricadores de helados se ensayan durante 5 min.
19.8 Adición
Este ensayo no es aplicable a motocompresores trifásicos que cumplan los requisitos de la norma 60335-2-34.
19.9 No aplicable.
19.13 Adición
Para motocompresores distintos de los conformes con la norma IEC 60335-2-34, la temperatura de la carcasa se determina al final del período de ensayo y no debe exceder los 150 oC.
19.101 Los sistemas calefactores también deben estar dimensionados y ubicados de manera que no haya riesgo de incendio incluso en el caso de operación anormal.
La conformidad se verifica mediante inspección y por el siguiente ensayo:
Las puertas y la tapa del artefacto se cierran y el sistema de refrigeración se apaga.
Cualquier sistema calefactor destinado para que el usuario lo encienda y lo apague debe estar encendid o.
Los sistemas calefactores se energizan continuamente a una tensión igual a 1,1 veces su tensión de servicio hasta que se establezcan condiciones de régimen estable. Si hay más de un sistema calefactor, se opera uno a la vez, a menos que la falla de un solo componente haga que dos o más se accionen simultáneamente, en cuyo caso se ensayan en combinación.
NOTA. Puede ser necesario poner en cortocircuito uno o más componentes que funcionen durante la operación normal, para asegurar que los sistemas calefactores estén energizados continuamente. Los interruptores térmicos con reposicionamiento automático se ponen en cortocircuito a menos que cumplan con lo especificado en el numeral 24.1.2, siendo 100 000 el número de ciclos de operación.
El sistema de refrigeración no se apaga si esto impide la operación del sistema calefactor.
Durante y después del ensayo, el artefacto debe cumplir los requisitos del numeral 19.13.
19.102 Los fabricadores de helados y los fabricadores de hielo se deben fabricar de manera que no generen riesgo de incendio, peligro mecánico o choque eléctrico, aun en el caso de operación anormal.
La conformidad se verifica aplicando cualquier defecto que se pueda esperar en uso normal, mientras el fabricador de hielo, el fabricador de hielo incorporado o el fabricador de helado se accionan bajo operación normal a la tensión nominal. Sólo se reproduce una condición de falla a la vez y los ensayos se hacen consecutivamente.
Durante los ensayos, las temperaturas de los devanados de los fabricadores de hielo, los fabricadores de hielo incorporados y los fabricadores de helados, o de los artefactos que incorporen un fabricador de hielo, no deben exceder los valores indicados en la Tabla 8.
Durante y después de los ensayos, el artefacto debe cumplir los requisitos del numeral 19.13.
NOTA 1. Ejemplos de condiciones de falla son:
Detención del temporizador en cualquier posición.
Desconexión y reconexión de una o más fases de la alimentación durante cualquier parte del programa.
Apertura del circuito o puesta en cortocircuito de los componentes.
Falla de una válvula magnética.
Operación con un contenedor vacío.
NOTA 2. En general, los ensayos se limitan a los casos en que se puedan presentar los resultados más desfavorables.
NOTA 3. Los ensayos se hacen con la llave de paso cerrada o abierta, lo que dé el resultado más desfavorable.
NOTA 4. Para los propósitos de este ensayo los controles térmicos no se ponen en cortocircuito.
NOTA 5. No se ponen en cortocircuito ni se abren los circuitos de los componentes que cumplen con la norma IEC pertinente, siempre y cuando la norma apropiada cubra las condiciones que se dan en el artefacto.
NOTA 6. Los interruptores de nivel de agua que cumplen los requisitos de la norma IEC 61058-1 no se ponen en cortocircuito durante estos ensayos.
NOTA 7. El ensayo durante el cual se mantiene abierto el dispositivo de llenado automático ya ha sido realizado durante el ensayo del numeral 15.104.
19.103 Los artefactos destinados para camping y uso similar se deben construir de manera que se evite hasta donde sea posible el riesgo de incendio, peligro mecánico o choque eléctrico en caso de que el artefacto se accione mientras está inclinado.
La conformidad se verifica mediante el siguiente ensayo:
El artefacto se coloca sobre un soporte inclinado 5o en la posición más desfavorable y se hace funcionar bajo condiciones de operación normal a la tensión nominal hasta que se establezcan condiciones de régimen estable.
Durante el ensayo no se deben accionar los cortacircuitos sin reposicionamiento automático que son accesibles sólo con ayuda de una herramienta o que requieren reemplazo de una parte, y no se debe acumular gas inflamable en el artefacto.
Durante y después del ensayo, el artefacto debe cumplir los requisitos del numeral 19.13.
19.104 El equipo de iluminación no debe causar riesgo de incendio bajo condiciones de operación anormales.
La conformidad se verifica mediante el siguiente ensayo:
El artefacto completo con el equipo de iluminación, incluida su cubierta protectora, equipado con una bombilla del tipo recomendado por el fabricante, y con una potencia nominal en vatios igual a la máxima marcada en el artefacto, se hace funcionar durante 12 h a 1,06 veces la tensión nominal. El sistema de refrigeración debe estar apagado, el artefacto vacío y las puertas o tapas completamente abiertas.
Si la bombilla no alcanza la máxima potencia nominal en vatios a la tensión nominal, se debe variar la tensión hasta que se alcance dicha potencia máxima nominal, y luego se aumenta 1,06 veces este valor.
Durante y después del ensayo, el artefacto debe cumplir lo especificado en el numeral 19.13.
19.105 Los artefactos destinados para operar con baterías y que tienen la polaridad marcada en los terminales o dispositivos de conexión o adyacentes a ellos, se deben fabricar de manera que se evite el riesgo de incendio, peligro mecánico o choque eléctrico en el evento de una conexión con polaridad invertida.
La conformidad se verifica accionando el artefacto bajo las condiciones especificadas en el numeral 11 pero con una batería de 70 Ah plenamente cargada con polaridad invertida.
Durante y después del ensayo, el artefacto debe cumplir con lo especificado en el numeral 19.13.
20. Estabilidad y riesgos mecánicos
Este numeral de la Parte 1 es aplicable con la siguiente excepción:
20.1 Modificación
En lugar del requisito, se aplica lo siguiente:
Los fabricadores de helado deben tener estabilidad adecuada.
101.101 Los refrigeradores y los fabricadores de hielo deben tener estabilidad
adecuada. Si la estabilidad del artefacto se suministra mediante una puerta abierta, la puerta debe estar diseñada para brindar soporte.
Este requisito no se aplica a artefactos empotrados.
La conformidad se verifica mediante inspección y mediante los ensayos de los numerales 20.102, 20.103 y 20.104, que se llevan a cabo después de que el artefacto vacío ha sido desconectado de la fuente de alimentación, se ha colocado en un soporte horizontal y se ha nivelado de acuerdo con las instrucciones de instalación; la base con ruedas, si la hay, debe estar orientada y ajustada en la posición más desfavorable. Los artefactos fijos que poseen una altura superior a los 1,3 m se instalan de acuerdo con las instrucciones de instalación.
NOTA 1. Los aparatos fijos con una altura que no exceda los 1,3 m se ensayan como artefactos autoestables.
Durante estos ensayos, el aparato no se debe inclinar, y después de los ensayos, no se debe ver afectada la conformidad con los numerales 8, 16 y 29.
NOTA 2. Cualquier desplazamiento del artefacto de su posición horizontal en más de 2o se considera inclinación.
101.102 Los aparatos equipados con puertas se deben someter al siguiente ensayo:
A menos que se especifique algo diferente en esta norma, todos los anaqueles de las puertas, diferentes de los diseñados específicamente para guardar huevos, se deben cargar usando pesas cilíndricas de 80 mm de diámetro y una masa de 0,5 kg.
NOTA 1. Si la bandeja para huevos se puede retirar, el anaquel correspondiente no se considera diseñado específicamente para guardar huevos.
Los pesos se colocan sobre los anaqueles de la puerta, comenzando lo más lejos posible de la bisagra y tocándose entre sí a lo largo del anaquel, excepto por un espacio de menos de 80 mm de ancho al extremo del anaquel. Dos de estas pesas se colocan en cada posición sobre los anaqueles en donde se puede acomodar un recipiente con una altura de 170 mm, mientras que en todos los otros anaqueles se coloca una pesa en cada posición.
NOTA 2. Si el anaquel es demasiado estrecho para que las pesas queden horizontales, pueden sobresalir del anaquel o se pueden voltear.
Los recipientes para líquidos ubicados en la puerta se llenan con una cantidad de agua hasta la marca de llenado, o en ausencia de la marca, se llenan completamente.
Para artefactos con una puerta solamente, esta se abre en un ángulo de aproximadamente 90o y se coloca un peso de 2,3 kg a 40 mm del borde más alejado de la bisagra, en la parte superior de la puerta.
Para artefactos provistos de más de una puerta, se abren dos puertas cualquiera, en la combinación más desfavorable, a través de un ángulo de aproximadamente 90o. Los anaqueles de las puertas cerradas no se cargan. Se coloca un peso de 2,3 kg a 40 mm del borde más alejado de la bisagra, en la parte superior de una de las puertas abiertas, escogida por presentar las condiciones de ensayo más difíciles.
El ensayo se repite con la puerta o puertas abiertas a través de un ángulo de aproximadamente 180o o hasta el límite del tope de la puerta, lo que dé como resultado el menor ángulo de abertura.
En donde los artefactos están equipados con puertas reversibles, el ensayo con las puertas abiertas 180o o hasta el límite del tope de la puerta se repite con las puertas con bisagras en el otro lado, de acuerdo con las instrucciones, si esto da un resultado más desfavorable.
101.103 Los artefactos provistos de gavetas corredizas dentro de compartimientos para almacenamiento de alimentos se someten al siguiente ensayo:
Cada gaveta se carga con un peso distribuido uniformemente por volumen de almacenamiento unitario de la gaveta de 0,5 kg/l.
NOTA. El volumen de almacenamiento unitario es el volumen geométrico de la gaveta teniendo en cuenta la altura libre del espacio por encima de la gaveta.
En artefactos equipados con hasta tres gavetas corredizas dentro de los compartimientos de almacenamiento de alimentos, una de las gavetas seleccionadas para dar el resultado más desfavorable se saca hasta la posición más difícil o hasta sus topes, si los hay, con la puerta apropiada abierta un ángulo de aproximadamente 90o.
En artefactos equipados con más de tres gavetas corredizas dentro de los compartimientos de almacenamiento de alimentos, se sacan dos gavetas no adyacentes seleccionadas para dar el resultado, hasta la posición más difícil o hasta sus topes, si los hay, con cualquier puerta necesaria para acceder a las gavetas, abierta un ángulo de aproximadamente 90o.
Los anaqueles de las puertas se cargan de acuerdo con el numeral 20.102.
20.104 Los artefactos equipados con gavetas corredizas accesibles sin abrir alguna puerta, se someten al siguiente ensayo:
Cada gaveta se carga con un peso distribuido uniformemente por volumen de almacenamiento unitario de la gaveta de 0,5 kg/l.
NOTA. El volumen de almacenamiento unitario es el volumen geométrico de la gaveta teniendo en cuenta la altura libre del espacio por encima de la gaveta.
Una gaveta, seleccionada para dar el resultado más desfavorable, se saca hasta la posición más difícil o hasta sus topes, si los hay, y se coloca o suspende suavemente un peso de 23 kg desde el centro de la gaveta.
Si el artefacto también está equipado con una(s) puerta(s), a menos que se especifique algo diferente, los anaqueles de las puertas se cargan como se especifica en el numeral 20.102.
Para artefactos con una puerta solamente, esta se abre un ángulo de aproximadamente 90o y se coloca un peso de 2,3 kg a 40 mm del borde más alejado de la bisagra, en la parte superior de la puerta.
Para artefactos provistos de más de una puerta, se abren dos puertas cualquiera, en la combinación más desfavorable, a través de un ángulo de aproximadamente 90o. Los anaqueles de las puertas cerradas no se cargan. Se coloca un peso de 2,3 kg a 40 mm del borde más alejado de la bisagra, en la parte superior de una de las puertas abiertas, escogida por presentar las condiciones de ensayo más difíciles.
21. Resistencia mecánica
Este numeral de la Parte 1 es aplicable, con excepción de lo siguiente:
NOTA. 101 Se considera probable que las cubiertas de las bombillas dentro del artefacto se dañen durante el uso normal. Las bombillas no se someten a ensayo.
21.101 Los artefactos para camping o usos similares deben soportar los efectos de las caídas y las vibraciones.
La conformidad se verifica mediante el siguiente ensayo:
El artefacto se coloca sobre un panel horizontal de madera que se deja caer 50 veces desde una altura de 50 mm sobre una base sólida de madera.
El artefacto se asegura en su posición normal de uso, a un generador de vibración por medio de correas alrededor del cerramiento. El tipo de vibración es sinusoidal, la dirección es vertical y la severidad debe ser como se indica a continuación:
Duración 30 min.
Amplitud 0,35 mm
Rango de frecuencias de barrido 10 Hz, 55 Hz, 10 Hz
Velocidad de barrido aproximadamente una octava por minuto
Después del ensayo, el artefacto no debe presentar daños que afecten la seguridad; en particular, no se deben haber aflojado conexiones o partes, lo cual pueda afectar la seguridad.
21.102 Las bombillas se deben proteger contra choques mecánicos.
La conformidad se verifica aplicando, sin fuerza apreciable, una esfera de 75 mm ± 0,5 mm de diámetro e intentando tocar la bombilla con la cubierta de esta en su lugar.
La esfera no debe tocar la bombilla.
22. Construcción
Es aplicable este numeral de la Parte 1 con excepción de lo siguiente:
22.6 Adición
Los termostatos, con excepción de sus partes termosensibles, no deben entrar en contacto con el evaporador a menos que estén protegidos adecuadamente contra la condensación en las superficies frías y contra el efecto del agua que se forma durante el proceso de descongelación.
NOTA. 101 Se resalta el hecho de que los líquidos pueden fluir a lo largo de partes como el pie o el tubo de los termostatos.
22.7 Reemplazo
Los artefactos tipo compresión, incluidos los cerramientos protectores de un sistema de refrigeración protegido, que emplean refrigerantes inflamables, deben soportar:
Una presión de 3,5 veces la presión de vapor de saturación del refrigerante a 70 oC para partes expuestas al lado de alta presión durante la operación normal.
Una presión de 5 veces la presión de vapor de saturación del refrigerante a 20 oC para partes expuestas solamente al lado de baja presión durante la operación normal.
NOTA. 101 En el numeral 22.107 se dan requisitos específicos de fabricación de artefactos con un sistema refrigerante protegido.
NOTA. 102 Todas las presiones son manométricas.
La conformidad se verifica mediante el siguiente ensayo:
La parte apropiada del artefacto bajo ensayo se somete a una presión hidráulica que se incrementa de manera gradual hasta alcanzar la presión de ensayo requerida. Esta presión se mantiene por 1 min. La parte en ensayo no debe presentar fugas.
NOTA. 103 El ensayo no se realiza en motocompresores conformes con la norma IEC 60335-2-34.
22.17 El requisito no es aplicable a refrigeradores y a fabricadores de hielo.
22.33 Adición
Los conductores de calefacción que tienen una sola capa de aislamiento no deben estar en contacto directo con el agua o hielo durante el uso normal.
NOTA. 101 El agua congelada se considera un líquido conductor.
22.101 Los portalámparas se deben fijar de manera que no se aflojen en el uso normal.
NOTA. El uso normal incluye el reemplazo de las bombillas.
La conformidad se verifica mediante inspección y, si es necesario, sometiendo los portalámparas a un torque de 0,15 Nm para portalámparas E14 y B15, y de 0,25 Nm para portalámparas E27 y B22. Los portalámparas deben soportar una fuerza de empuje y luego una de tracción de 10 N ± 1N, cada una aplicada por 1 min. en la dirección del eje del portalámpara.
Después de los ensayos, los portalámparas no deben haber quedado flojos.
22.102 Los alambres de calefacción aislados y sus uniones ubicadas en el aislamiento térmico y en contacto integral con él, deben estar protegidos contra la entrada de agua.
Para verificar la conformidad se sumergen tres muestras del elemento calefactor completo en agua que contenga aproximadamente 1% NaCI y una temperatura de 20 oC ± 5 oC por un período de 24 h.
Luego se aplica una tensión de 1 250 V por 15 min entre las partes activas del elemento calefactor y el agua.
Durante el ensayo no debe ocurrir ninguna falla de aislamiento.
NOTA. Las conexiones a terminales eléctricos no se consideran como uniones.
22.103 Los fabricadores de hielo y los artefactos que incorporan estas máquinas deben soportar la presión del agua a la cual se pueden ver sometidas durante el uso normal.
La conformidad se verifica sometiendo durante 5 min las partes de los fabricadores de hielo y de los artefactos que incorporan estas máquinas, que están bajo presión de la red de suministro de agua, a una presión estática igual a dos veces la máxima presión permisible de agua en la entrada ó 1,2 MPa (12 bares), lo que sea mayor.
Durante el ensayo no debe haber fugas de ninguna parte, incluida la manguera de entrada de agua.
22.104 Los artefactos con dos o más dispositivos de control de temperatura que controlen el mismo motocompresor no deben provocar la operación indebida del protector térmico del motor del motocompresor.
La conformidad se verifica mediante el siguiente ensayo:
El artefacto se acciona a tensión nominal bajo condiciones de operación normal excepto que los dispositivos de control de la temperatura ajustables por el usuario se deben ajustar para dar una operación cíclica.
Cuando se establecen condiciones de régimen estable, e inmediatamente después que se desactiva el primer dispositivo de control, se activa el segundo. El protector térmico del motor del motocompresor no debe operar.
Para artefactos en los que máximo dos dispositivos de control pueden actuar en un motocompresor, el ensayo se realiza separadamente con cada combinación de dispositivos de control.
22.105 Para artefactos operados desde la red eléctrica, que también se puedan accionar con baterías, el circuito de la batería se debe aislar de las partes energizadas mediante un doble aislamiento o aislamiento reforzado.
Además, no debe ser posible tocar las partes energizadas al hacer las conexiones a la batería. Esto se aplica incluso si las cubiertas u otras partes que se deben retirar para hacer las conexiones, son partes no separables.
La conformidad se verifica mediante inspección y mediante los ensayos especificados para aislamiento doble o aislamiento reforzado.
22.106 La masa del refrigerante en los artefactos tipo compresión que emplean refrigerante inflamable en su sistema de refrigeración no debe exceder los 150 g en cada circuito refrigerante separado.
La conformidad se verifica mediante inspección.
22.107 Los artefactos tipo compresión con un sistema de refrigeración protegido y que emplean refrigerantes inflamables, se deben fabricar de manera que se evite cualquier peligro de incendio o explosión en el evento de una fuga de refrigerante del sistema de refrigeración.
NOTA 1. Los componentes separados, tales como los termostátos, que contienen menos de 0,5 g de gas inflamable, no se consideran posibles causantes de peligro de incendio o explosión en el evento de una fuga desde el propio componente.
NOTA 2. Los artefactos con sistemas de refrigeración protegidos son aquellos:
Que no tienen partes del sistema de refrigeración dentro de un compartimiento para almacenamiento de alimentos.
En los que cualquier parte del sistema de refrigeración ubicada dentro de un compartimiento para almacenamiento de alimentos están construidas de manera que el refrigerante se encuentre dentro de un cerramiento que tenga como mínimo dos capas de materiales metálicos separando el refrigerante del compartimiento para almacenar alimentos. Cada capa debe tener un espesor de 0,1 mm como mínimo. El cerramiento no debe tener juntas distintas de las costuras unidas del evaporador, donde la costura tiene un ancho de 6 mm como mínimo.
En los que cualquier parte del sistema de refrigeración que esté ubicada dentro de un compartimiento para almacenar alimentos contenga un refrigerante en un cerramiento que a su vez esté dentro de otro cerramiento protector separado. Si ocurre una fuga del cerramiento interno, el refrigerante que ha salido queda contenido dentro del cerramiento protector y el artefacto no funciona como en uso normal. El cerramiento protector también debe pasar satisfactoriamente el ensayo del numeral 22.7. Ningún punto crítico en el cerramiento protector debe estar ubicado dentro del compartimiento para almacenar alimentos.
NOTA 3. Los compartimientos separados con un circuito de aire común se consideran como un solo compartimiento.
La conformidad se verifica mediante inspección y mediante los ensayos de los numerales 22.107 y 22.107.2.
NOTA 4. Un artefacto con un sistema de refrigeración protegido que, al ensayarlo, se encuentre no conforme con los requisitos especificados para dichos sistemas, se puede considerar que tiene un sistema de refrigeración no protegido si se ensaya conforme con lo especificado en el numeral 22.108 y cumple con los requisitos para sistemas de refrigeración no protegidos.
22.107.1 Se simula una fuga en el punto más crítico del sistema de refrigeración.
NOTA 1. Los puntos críticos son sólo las juntas de interconexión entre partes del circuito refrigerante, incluido el empaque de un motocompresor semihermético. La soldadura de las juntas telescópicas del alojamiento del motocompresor, la soldadura de los tubos a través de dicho alojamiento y la soldadura del fundente* no se consideran juntas de la tubería. Para encontrar el punto más crítico del sistema de refrigeración puede ser necesario realizar más de un ensayo.
El método para simular una fuga es inyectar el vapor del líquido refrigerante a través de un tubo capilar en el punto crítico. El tubo capilar debe tener un diámetro de 0,7 mm ± 0,05 mm y una longitud entre 2 m y 3 m.
NOTA 2. Se debe tener cuidado de que la instalación del tubo capilar no influya indebidamente en los resultados de ensayo y que al formarse espuma esta no entre al tubo capilar. Puede ser necesario colocar el tubo capilar antes de la formación de espuma.
Durante este ensayo, el artefacto se ensaya con las puertas y tapas cerradas y se apaga o acciona bajo condiciones normales de operación a la tensión nominal, lo que produzca el resultado más desfavorable.
Durante un ensayo en el que el artefacto esté funcionando, la inyección de gas se inicia al mismo tiempo que el primer encendido del artefacto.
La cantidad de refrigerante por inyectar, del tipo que indique el fabricante, es igual al 80% de la carga nominal del refrigerante ± 1,5 g o el máximo que se pueda inyectar en una hora, la que sea menor.
La cantidad inyectada se toma de la parte con vapor de una botella de gas que debe contener suficiente líquido refrigerante para asegurar que al final del ensayo todavía quede líquido refrigerante en ella.
Si una mezcla se puede fraccionar, el ensayo se realiza utilizando la fracción que tenga el valor más pequeño del límite de explosión más bajo.
La botella de gas se mantiene a una temperatura de:
a) 32 oC ± 1 oC para simulacro de fuga en los circuitos del lado de baja presión;
b) 70 oC ± oC para simulacro de fuga en los circuitos del lado de alta presión.
NOTA 3. Se recomienda medir la cantidad de gas inyectado, pesando la botella.
La concentración de refrigerante se mide continuamente desde el comienzo del ensayo y al menos durante 1 h después de que se ha detenido la inyección de gas, dentro y fuera del compartimiento para almacenar alimentos, lo más cerca posible de los componentes eléctricos que durante la operación normal o la operación anormal produzcan chispas o arcos.
La concentración no se mide cerca de:
Dispositivos de protección de reposicionamiento no automático necesarios para la conformidad con el numeral 19, incluso si producen arcos o chispas durante la operación.
Partes intencionalmente débiles que llegan a estar en cortocircuito en forma permanente durante los ensayos del numeral 19, incluso si producen arcos o chispas durante la operación.
Los aparatos eléctricos que se han ensayado y se ha encontrado que cumplen al menos con:
La IEC 60079-15:1987, numeral 16, en el caso de luminarias.
La IEC 60079-15:1987, sección 4, en el caso de gases del grupo IIA o del refrigerante usado, si este aparato eléctrico produce arcos o chispas durante la operación.
NOTA 4. El instrumento usado para monitorear la concentración de gas, como los que emplean técnicas de detección infrarroja, deberían tener una respuesta rápida, típicamente de 2 s a 3 s, y no deberían influir indebidamente en el resultado del ensayo.
NOTA 5. Si se emplea cromatografía de gases, el muestreo de gas en áreas confinadas debería tener lugar a una velocidad no mayor de 2 ml cada 30 s.
NOTA 6. No se prohíbe utilizar otros instrumentos, siempre y cuando no influyan indebidamente en los resultados.
El valor medido no debe exceder el 75% del límite de explosión más bajo del refrigerante especificado en la Tabla 102, ni el 50% del límite de explosión más bajo del refrigerante especificado en dicha Tabla durante un período de más de 5 min.
NOTA 7. Para artefactos con un sistema de refrigeración protegido no existen requisitos adicionales aplicables a los componentes eléctricos ubicados dentro de los compartimientos para almacenamiento de alimentos.
22.107.2 Todas las superficies accesibles de los componentes de un sistema de refrigeración protegido, incluidas las que están en contacto directo con sistemas de refrigeración protegidos, se rayan con una herramienta cuya punta se ilustra en la Figura 102.
La herramienta se aplica utilizando los siguientes parámetros:
Fuerza en ángulo recto con la superficie por ensayar 35 N ± 3N.
Fuerza paralela a la superficie por ensayar no mayor de 250 N
Se traza una raya pasando la herramienta sobre la superficie por ensayar, a una velocidad de 1 mm/s aproximadamente.
La superficie por ensayar se raya en tres posiciones diferentes en ángulo recto con el eje del canal, y en tres posiciones diferentes sobre el canal, en dirección paralela a él. En este último caso, la longitud de la raya debe ser aproximadamente 50 mm.
Las rayas no deben cruzarse unas con otras.
La parte apropiada del artefacto debe pasar satisfactoriamente el ensayo del numeral 22.7, con la presión de ensayo reducida en un 50%.
22.108 Para artefactos tipo compresión con sistemas de refrigeración no protegidos y que emplean refrigerantes inflamables, se debe ensayar cualquier componente eléctrico ubicado dentro del compartimiento para almacenar alimentos, que durante la operación normal o la operación anormal, produzca arcos o chispas, y debe cumplir al menos con la norma IEC 60079-15:1987, sección 4, para gases del grupo IIA o para el refrigerante usado.
Este requisito no se aplica a:
Dispositivos de protección de reposicionamiento no automático necesarios para la conformidad con el numeral 19, incluso si producen arcos o chispas durante la operación, ni a.
Partes intencionalmente débiles que llegan a estar en cortocircuito en forma permanente durante los ensayos del numeral 19, incluso si producen arcos o chispas durante la operación.
Las luminarias deben cumplir al menos con la norma IEC 60079-15:1987, numeral
16, para gases del grupo IIA o para el refrigerante usado.
NOTA 1. Los componentes separados, tales como los termostatos, que contengan menos de 0,5 g de gas inflamable, no se consideran propensos a causar riesgo de incendio o explosión en el evento de una fuga desde el componente mismo.
NOTA 2. Los artefactos con sistema de refrigeración no protegido son aquellos en los que al menos una parte del sistema de refrigeración está en el interior de un compartimiento para almacenar alimentos, o aquellos que no cumplen los requisitos del numeral 22.107.
NOTA 3. También son aceptables otros tipos de protección para artefactos eléctricos utilizados en atmósferas potencialmente explosivas, cubiertos por la serie de normas IEC 60079.
NOTA 4. El cambio de una bombilla no se considera riesgo potencial de explosión, porque durante esta operación la puerta o tapa está abierta.
La conformidad se verifica mediante inspección, mediante los ensayos pertinentes de la norma IEC 60079-15 y mediante el siguiente ensayo.
NOTA 5. Los ensayos indicados en el numeral 4 de la norma IEC 60079-15 se pueden realizar utilizando la concentración estequiométrica del refrigerante empleado. Sin embargo, no es necesario ensayar los artefactos que se hayan ensayado independientemente y se hayan encontrado conformes con los requisitos de dicha norma, utilizando el gas especificado para el grupo llA.
NOTA 6. Independientemente del requisito del numeral 4.3 de la norma IEC 60079-15:1987, los límites de temperatura superficial se especifican en el numeral 22.110.
El ensayo se realiza en un sitio libre de corrientes de aire con el artefacto apagado o accionado bajo condiciones de operación normal a la tensión nominal, lo que produzca el resultado más desfavorable.
Durante un ensayo en el cual se opera el artefacto, la inyección de gas se inicia al mismo tiempo que se enciende el artefacto por primera vez.
El ensayo se lleva a cabo dos veces y se repite una tercera vez si uno de los primeros ensayos da más de 40% del límite de explosión más bajo.
A través de un orificio apropiado se inyecta el 80% de la carga nominal de refrigerante ± 1,5 g en estado de vapor, al interior de un compartimiento para almacenar alimentos, en un tiempo que no exceda 10 min. Luego se cierra el orificio. La inyección se debe hacer lo más cerca posible del centro de la pared posterior del compartimiento, a una distancia de la parte superior de este, aproximadamente igual a un tercio de su altura. 30 min después de haber completado la inyección, la puerta o tapa se abre a una velocidad uniforme en un tiempo entre 2 s y 4 s, a un ángulo de 90o o al máximo posible, el que sea menor.
Para artefactos que tengan más de una puerta o tapa, para abrir las tapas o puertas se emplea la secuencia o combinación que sea más desfavorable.
Para artefactos equipados con motores de ventiladores, el ensayo se realiza con la combinación más desfavorabl e de funcionamiento de los motores.
La concentración de refrigerante que ha escapado se mide continuamente desde el comienzo del ensayo, en posiciones lo más cercanas posibles a los componentes eléctricos. Sin embargo, no se mide en las posiciones de:
Dispositivos de protección de reposicionamiento no automático necesarios para la conformidad con el numeral 19, incluso si producen arcos o chispas durante la operación, ni a.
Partes intencionalmente débiles que llegan a estar en cortocircuito en forma permanente durante los ensayos del numeral 19, incluso si producen arcos o chispas durante la operación.
Los valores de concentración se registran durante un período de 15 min después de que se observa una reducción constante.
El valor medido no debe exceder el 75% del límite de explosión más bajo del refrigerante especificado en la Tabla 102, y no debe exceder el 50% del límite de explosión más bajo del refrigerante especificado en la Tabla 102 por un período mayor de 5 min.
El ensayo anterior se repite, excepto que la puerta o tapa se somete a una secuencia de abertura/cierre a una velocidad uniforme en un tiempo entre 2 s y 4 s, abriendo la puerta o tapa en un ángulo de 90o ó el máximo posible, lo que sea menor, y cerrándola durante la secuencia.
22.109 Los artefactos tipo compresión que emplean refrigerantes inflamables se deben fabricar de manera que el refrigerante que escapa no se estanque hasta el punto de causar peligro de incendio o explosión en áreas fuera de los compartimientos para almacenamiento de alimentos donde están montados los componentes que producen arcos o chispas, o donde están montadas las luminarias.
Este requisito no se aplica a áreas donde hay montados:
Dispositivos de protección de reposicionamiento no automático necesarios para la conformidad con el numeral 19,
Partes intencionalmente débiles que llegan a estar en cortocircuito en forma permanente durante los ensayos del numeral 19.
Incluso si producen arcos o chispas durante la operación.
NOTA 1. Los componentes separados, tales como termostatos, que contienen menos de 0,5 g de gas inflamable, no se consideran propensos a causar peligro de incendio o de explosión en el evento de una fuga del propio componente.
La conformidad se verifica mediante el siguiente ensayo, a menos que:
Los componentes que producen arcos o chispas durante la operación normal o anormal y que están montados en las áreas que se consideran, hayan sido ensayados y se haya encontrado que cumplen con la norma IEC 60079-15:1987, numeral 4 para gases del grupo IIA o para el refrigerante usado.
Las luminarias se hayan ensayado y se haya encontrado que cumplen al menos con la norma IEC 60079-15:1987, numeral 16.
NOTA 2. Independientemente del requisito del numeral 4.3 de la norma IEC 60079-15:1987, los límites de temperatura superficial se especifican en el numeral 22.110.
NOTA 3. También son aceptables otros tipos de protección para artefactos eléctricos utilizados en atmósferas potencialmente explosivas cubiertas por la serie de normas IEC 60079:1987.
El ensayo se realiza en un sitio libre de corrientes de aire, con el artefacto apagado u operado bajo condiciones de operación normal a tensión nominal, lo que dé el resultado más desfavorable.
Durante un ensayo en que el artefacto está en funcionamiento, la inyección de gas se inicia al mismo tiempo que se enciende el artefacto por primera vez.
Se inyecta una can tidad igual al 50% de la carga de refrigerante ± 1,5 g en el área en estudio.
La inyección debe hacerse a una velocidad constante en un período de 1 h y en el punto de mayor aproximación a:
Juntas de tubería en partes externas del circuito de refrigeración.
El empaque de los motocompresores semiherméticos.
Se debe evitar cualquier inyección directa a los componentes eléctricos en consideración.
NOTA 4. La soldadura de las juntas telescópicas del alojamiento del motocompresor, la soldadura de los tubos a través de dicho alojamiento y la soldadura del fundente no se consideran juntas de tubería.
La concentración del refrigerante que ha escapado lo más cerca posible del componente eléctrico se mide continuamente desde el comienzo del ensayo hasta que se observe una reducción continua.
El valor medido no debe exceder el 75% del límite de explosión más bajo del refrigerante, como se especifica en la Tabla 102, ni debe exceder el 50% del límite de explosión más bajo del refrigerante, como se especifica en la Tabla 102, por un período de más de 5 min.
22.110 Las temperaturas de las superficies que pueden estar expuestas a escapes de refrigerantes inflamables no deben exceder la temperatura de ignición del refrigerante, como se especifica en la Tabla 102, reducida en 100 K.
La conformidad se verifica midiendo las temperaturas superficiales apropiadas durante los ensayos de los numerales 11 y 19.
Las temperaturas de:
Los dispositivos de protección de reposicionamiento no automático que operan durante los ensayos especificados en el numeral 19, o
Las partes intencionalmente débiles que llegan a estar en cortocircuito en forma permanente durante los ensayos del numeral 19.
No se miden durante los ensayos del numeral 19 que hacen que estos dispositivos operen.
Tabla 102. Parámetros de inflamabilidad del refrigerante
| Número de refrigerante | Nombre del refrigerante | Fórmula del refrigerante | Tempe ratura de ignición del refrigerantea,c, oC | Límite de explosión más bajo del refrigeranteb c d |
| R50 | Metano | CH4 | 537 | 4,4 |
| R290 | Propano | CH3CH2 CH3 | 470 | 1,7 |
| R600 | n-butano | CH3 CH2 CH2 CH3 | 372 | 1,4 |
| R600a | Isobutano | CH (CH3 )3 | 494 | 1,8 |
a Los valores para otros refrigerantes inflamables se pueden obtener en las normas IEC 60079-4A e IEC60079-20
b Los valores para otros refrigerantes inflamables se pueden obtener en las norma IEC 60079-20 e ISO 5149.
C La norma IEC 60079-20 es la norma de referencia. La ISO 5149 se puede usar si los datos requeridos no se encuentran en la IEC 60079-20.
d Concentración del refrigerante en aire seco.
22.111 Las puertas y tapas de los compartimientos en los artefactos con espacio libre deben poder abrirse desde el interior.
La conformidad se verifica mediante el siguiente ensayo:
El artefacto vacío se desconecta de la fuente de alimentación, se coloca sobre un soporte horizontal y se nivela de acuerdo con las instrucciones de instalación, la base con ruedas ajustada o bloqueada de manera que se impida el movimiento del artefacto. Los seguros de las puertas o tapas, si los hay, se deben dejar abiertos.
Las puertas y tapas se cierran por un período de 15 min.
Se aplica una fuerza a un punto, equivalente a un punto interno accesible, de cada puerta o tapa del artefacto, en el punto medio del borde más distante del eje de la bisagra, en dirección perpendicular al plano de la puerta o tapa.
La fuerza se debe aplicar a una tasa no mayor de 15 N/s y la tapa o puerta se debe abrir antes de que la fuerza supere los 70 N.
NOTA 1. La fuerza se puede aplicar por medio de un dinamómetro con ayuda de una ventosa, si es necesario, al punto en la superficie externa de la puerta o tapa que corresponda al punto interno accesible.
NOTA 2. Si la manija de la puerta o tapa está en la mitad del borde más distante del eje de la bisagra, la fuerza se puede aplicar a la manija por medio de una balanza de resorte. En este caso, el valor de la fuerza requerida para abrir la puerta o tapa desde el interior se puede determinar mediante el cálculo proporcional de las distancias de la manija y el punto interno accesible respecto al eje de la bisagra.
22.112 Las gavetas que sean accesibles sólo después de abrir una puerta o tapa no deben contener espacio libre.
La conformidad se verifica por inspección y medición.
22.113 Las gavetas que sean accesibles sin abrir una puerta o tapa y que contengan un espacio libre deben:
Tener una abertura en su pared posterior, cuya altura mínima sea de 250 mm y un ancho mínimo de dos terceras partes del ancho interior de la gaveta.
Poder abrirse desde el interior.
La conformidad se verifica por inspección, medición y mediante el siguiente ensayo, que se lleva a cabo con un peso de 23 kg colocado en el interior de la gaveta.
El artefacto vacío se desconecta de la fuente de alimentación, se coloca sobre un soporte horizontal y se nivela de acuerdo con las instrucciones de instalación; la base con ruedas, si la hay, debe estar orientada, ajustada o bloqueada, de manera que se impida el movimiento del artefacto. Los seguros de las gavetas, si los hay, se deben dejar abiertos.
Los cajones se deben mantener cerrados por un período de 15 min.
Entonces se aplica una fuerza a la gaveta del artefacto en el centro geométrico del plano frontal de la gaveta, equivalente a un punto interno accesible, en la dirección perpendicular al plano frontal de la gaveta.
La fuerza se debe aplicar a una tasa que no exceda15 N/s y el cajón se debe abrir antes de que la fuerza exceda los 70 N.
22.114 En artefactos destinados para uso doméstico y que contienen compartimientos con espacio libre, ninguna puerta o gaveta que dé acceso a estos compartimientos debe tener una cerradura autoasegurante.
Los seguros que se operan con una llave deben requerir dos movimientos independientes para accionar el seguro, o deben ser de un tipo que libere automáticamente la llave cuando no esté activado.
NOTA. Empujar y girar se consideran ejemplos de dos movimientos independientes.
La conformidad se verifica por inspección y ensayo
22.115 Los medios de fijación para aparatos fijos deben tener una resistencia mecánica adecuada.
La conformidad se verifica utilizando el siguiente ensayo, que se lleva a cabo con el artefacto vacío e instalado de acuerdo con las instrucciones de instalación.
NOTA. Los artefactos que normalmente van montados en la pared o fijos en el techo, no se ensayan.
Se aplica horizontalmente una fuerza de 500 N en los puntos especificados, uno a la vez. La fuerza se debe mantener durante 5 min.
Los puntos de aplicación y dirección de la fuerza son una fuerza frontal en el punto más alto en el centro de la parte posterior del artefacto, y una fuerza lateral en el punto más alto en el centro de cada lado del artefacto. La fuerza se aplica sobre un área superficial de al menos 30 mm x 30 mm que no se proyecta sobre la superficie superior del artefacto.
El medio de fijación debe permanecer intacto y el artefacto no se debe inclinar más de 2o.
23. Cableado interno
Este numeral de la Parte 1 es aplicable, con excepción de lo siguiente:
23.3 Adición
NOTA 101. El requisito concerniente a los resortes de espiral abierto no se aplica
a los conductores externos.
24. Componentes
Este numeral de la Parte 1 es aplicable, con excepción de lo siguiente:
24.1 Adición
No es necesario ensayar los motocompresores por separado conforme con la norma IEC 60335-2-34, ni que cumplan los requisitos de ella, si cumplen los requisitos de la presente norma.
24.1.3 Adición
El número de operaciones para otros interruptores debe ser:
| - interruptores de congelación rápida | 300 |
| - interruptores de descongelación manuales y semiautomáticos | 300 |
| - interruptores de puerta | 50 000 |
| - interruptores encendido/apagado | 300 |
24.1.4 Adición
| - Cortacircuitos con reposicionamiento automático que pueden influir en los resultados del ensayo del numeral 19.101 y que no se ponen en cortocircuito durante dicho ensayo | 100.000 |
| - Termostatos que controlan el motocompresor | 100.000 |
| - Relés de arranque de los motocompresores | 100.000 |
| - Protectores térmicos automáticos para motocompresores tipo hermético y semihermético | mínimo 2.000, pero no menos del número de operaciones durante el ensayo con rotor bloqueado |
| - Protectores térmicos de reposicionamiento manual para motocompresores tipo hermético y semihermético | 50 |
| - Otros protectores térmicos automáticos para motores | 2 000 |
| - Otros protectores térmicos de reposicionamiento manual para motores | 30 |
24.3 Adici ón
Los interruptores de selección de tensión utilizados en artefactos para camping o propósitos similares deben asegurar una separación de contactos en todos los polos, que brinde una desconexión completa de la red de alimentación en condiciones de sobretensión de categoría III.
24.5 Adición
Para los condensadores de arranque, la tensión a través de estos no debe exceder 1,3 veces la tensión nominal del condensador cuando el artefacto opera a 1,1 veces la tensión nominal.
24.101 Los portalámparas deben ser de tipo aislado.
La conformidad se verifica mediante inspección.
25. Conexión a la red de alimentación y cables flexibles externos
Este numeral de la Parte 1 es aplicable con excepción de lo siguiente:
Adición
Este numeral de la Parte 1 no es aplicable a las partes relacionadas con motocompresores que tienen medios para conectar un cable de alimentación y que cumplen los requisitos apropiados de la norma IEC 60335-2-34.
25.2 Modificación
Reemplazar el requisito por el siguiente:
Los artefactos accionados por red eléctrica no deben tener más de un medio para conectarlos con el suministro a menos que:
El artefacto esté conformado por dos o más unidades completamente independientes construidas juntas en un mismo cerramiento.
Los circuitos en cuestión estén aislados adecuadamente unos de otros.
Los artefactos que se puedan operar tanto por baterías como por la red eléctrica deben tener un medio separado para la conexión de la red y la batería.
25.7 Modificación
Reemplazar los ítems cuatro y cinco por el siguiente:
Cable flexible con revestimiento protector de policloruro de vinilo liviano (designación de código 60227 IEC 52).
Adición
Este numeral no se aplica a los conductores o cables flexibles que se utilizan para conectar un artefacto a un suministro de potencia de tensión de seguridad extra baja.
25.13 Adición
Este numeral no se aplica a los conductores o cables flexibles que se utilizan para conectar un artefacto a un suministro de potencia de tensión de seguridad extra baja.
25.23 Adición
Para artefactos que se puedan accionar por batería, si esta se coloca en una caja separada el conductor o cable flexible que se use para conectar la caja al artefacto se considera un cable de interconexión.
25.101 Los artefactos que se pueden accionar por batería deben tener medios adecuados para conexión de la batería.
Los artefactos deben estar provistos de terminales o conductores flexibles, o de un cable flexible que, para conexión a los terminales de la batería, puede disponer de pinzas u otros dispositivos adecuados para usarlos con el tipo de batería marcado en el artefacto.
La conformidad se verifica mediante inspección.
26. Terminales para conductores externos
Este numeral de la Parte 1, es aplicable con excepción de lo siguiente:
Adición
Este numeral de la Parte 1 no es aplicable a las partes de los motocompresores que tienen medios para conectar un cable de alimentación y que cumplen con los requisitos pertinentes de la norma IEC 60335-2-34.
26.11 Adición
En un artefacto, los dispositivos terminales para conexión de conductores o cables flexibles con fijación tipo X, destinados para conectar una batería externa o caja de baterías externa, deben estar ubicados o protegidos de manera que no haya riesgo de conexión accidental entre los terminales de alimentación de la batería.
27. Disposición para conexión a tierra
Este numeral de la parte 1 es aplicable, con excepción de lo siguiente:
Adición
La conformidad no se verifica en partes relacionadas con los motocompresores, si estos cumplen con los requisitos de la norma IEC 60335-2-34.
28. Tornillos y conexiones
Este numeral de la Parte 1 es aplicable, con excepción de lo siguiente:
Adición
La conformidad no se verifica en partes relacionadas con los motocompresores, si estos cumplen con los requisitos de la norma IEC 60335-2-34.
29. Distancias de aislamiento sólido, distancias de fuga y aislamiento sólido en el aire
Este numeral de la Parte 1 es aplicable, con excepción de lo siguiente:
Adición
La conformidad no se verifica en partes relacionadas con los motocompresores si estos cumplen los requisitos de la norma IEC 60335-2-34. Para motocompresores que no cumplen con la Parte 2-34, son aplicables las adiciones o modificaciones
especificadas en la Parte 2-34.
29.1 Adición
A menos que el aislamiento esté encerrado o localizado de manera que no haya probabilidad de quedar expuesto a la contaminación por contaminación debido al uso normal del artefacto, el aislamiento en los artefactos para refrigeración y fabricadores de hielo se encuentra en un grado de contaminación 3 y debe tener un valor de CTI* no inferior a 250.
30. Resistencia al calor y al fuego
Este numeral de la parte 1 es aplicable, con excepción de lo siguiente:
30.1 Adición
NOTA 101 Las partes accesibles del material no metálico dentro del compartimiento para almacenamiento se consideran partes externas.
El ensayo de presión con una bola no se aplica a las partes relacionadas con el motocompresor si este cumple los requisitos de la norma IEC 60335-2-34.
NOTA 102 Los aumentos de temperatura alcanzados durante el ensayo indicado en el numeral 19.101 no se toman en cuenta.
Modificación
Para las partes accesibles del material no metálico dentro del compartimiento de almacenamiento, la temperatura de 75 oC ± 2 oC se reemplaza por 65 oC ± 2 oC.
30.2 Adición
Estos ensayos no se aplican a partes relacionadas con el motocompresor si este cumple con los requisitos de la norma IEC 60335-2-34, sin ignición.
30.2.2 No aplicable
31. Resistencia a la oxidación
Es aplicable este numeral de la parte 1.
32. Radiación, toxicidad y riesgos similares
Este numeral de la Parte 1 no es aplicable.

Dimensiones en mm
Convenciones:
A Bloque de desplazamiento
B Pasador de seguridad
C Soporte puente removible
Este bloque desplazable tiene un volumen de 140 ml ± 5 ml y una masa de 200 g ± 10 g. Sus dimensiones son aproximadamente 112 mm x 50 mm x 25 mm.
Las dimensiones del recipiente son las dimensiones internas y la tolerancia es ± 2.
Figura 101. Aparato para el ensayo de desbordamiento

Dimensiones en milímetros
Convenciones
A Punta de carburo con soldadura dura
B Dirección del movimiento
i)Figura 102. Detalle de la punta del instrumento para rayar
Los anexos de la Parte 1 son aplicables, con excepción de lo siguiente:
(NORMATIVO)
ENSAYO DE ENVEJECIMIENTO EN MOTORES.
Adición
Este anexo no se aplica a motocompresores.
REQUISITOS ALTERNATIVOS PARA UNIDADES DE MOTORES PROTEGIDAS.
Adición
Este anexo no se aplica a motocompresores o motores de ventiladores de condensadores.
(NORMATIVO)
ENSAYO DE ROTOR BLOQUEADO DE LOS MOTORES DE VENTILADORES.
El devanado de un motor de ventilador no debe alcanzar temperaturas excesivas si el motor se bloquea o se presenta una falla en el arranque.
La conformidad se verifica mediante el siguiente ensayo:
El ventilador y su m otor se montan sobre madera o un material similar. El rotor del motor se bloquea. Las aspas del ventilador y los soportes del motor no se retiran.
El motor se alimenta a tensión nominal. El circuito de alimentación se ilustra en la
Figura AA.1.
El ensamble debe operar bajo estas condiciones durante 15 d (360 h) o al menos 2 000 operaciones de los protectores térmicos automáticos del motor, lo que tome más tiempo, a menos que el circuito del dispositivo protector, si lo hay, abra permanentemente el circuito antes de la expiración de este período. En tal caso, se interrumpe el ensayo.
Si la temperatura de los devanados del motor permanece a menos de 90 oC, se interrumpe el ensayo cuando se establezcan condiciones de régimen estable.
Las temperaturas se miden bajo las condiciones especificadas en el numeral 11.3.
Durante el ensayo, las temperaturas de los devanados no deben exceder los valores indicados en la Tabla 8.
72 h después del comienzo del ensayo, el motor debe soportar el ensayo de rigidez dieléctrica indicado en el numeral 16.3.
Se conecta un dispositivo de corriente residual con una corriente residual nominal de 30 mA, de manera que desconecte la alimentación si se presenta una corriente de fuga a tierra excesiva.
Al final de este ensayo, se mide la corriente de fuga entre los devanados y el cuerpo a una tensión igual a dos veces la tensión nominal. Su valor no debe exceder los 2 mA.

S: Fuente de alimentación
H: Alojamiento
R: dispositivo de corriente residual (I n = 30 mA)
P: protector térmico del motor (externo o interno), si lo hay
M: motor
NOTA: 1. El circuito se debe modificar para motores de ventiladores trifásicos
NOTA: 2. Se debe tener cuidado de completar el sistema de puesta a tierra para permitir la correcta operación del dispositivo de corriente residual (RCCB/RCBO)
Figura AA.1. Circuito de alimentación para ensayo de rotor bloqueado de
un motor de ventilador monofásico
(INFORMATIVO)
METODO PARA ACUMULACION DE ESCARCHA.
La acumulación de escarcha puede producirse por el uso de un dispositivo que tenga una fuente de calor controlable dirigida sobre una cantidad medida de agua para propósitos de evaporar esta agua en un período predeterminado con un mínimo de pérdida de calor a través del gabinete del artefacto refrigerador.
Un modelo conveniente de este artefacto podría ser un bloque de material térmicamente aislante con un orificio vertical en su centro, que contenga una lámpara montada sobre un tapón inferior directamente debajo de un plato evaporador con una base que tenga una ligera conductividad térmica y paredes con baja conductividad térmica.
El dispositivo descrito se debería montar en el centro geométrico del gabinete del artefacto refrigerador y la conexión eléctrica se lleva al exterior para poder variar la tensión aplicada y medir la potencia de entrada con la puerta del artefacto refrigerador en posición cerrada.
Se introduce agua en el recipiente de evaporación a la velocidad requerida a través de un tramo de tubo con un diámetro interno pequeño que se introduce al gabinete. No se requiere un flujo continuo, pero se recomienda inyectar el agua a intervalos apropiados.
Se deberían tomar medidas (por ejemplo, para el control del suministro de energía eléctrica al dispositivo) para asegurar que la evaporación de agua bajo condiciones normales de uso se puede mantener a una tasa igual a 2 g de agua por litro de volumen bruto del gabinete por semana.
La energía eléctrica para el dispositivo no debería ser excesiva, pero sí suficiente para asegurar la completa evaporación del agua.
La cantidad de escarcha por acumular antes de iniciar el ensayo de descongelación se debería basar en esta tasa y en el intervalo entre dos descongelaciones sucesivas de acuerdo con las instrucciones.
NOTA. Por ejemplo, si las instrucciones recomiendan descongelar dos veces a la semana, un artefacto refrigerador con un volumen bruto de gabinete de 140 I requerirá:
2g x 140 /2 = 140 g de agua.
La tasa indicada se puede exceder en algunas circunstancias.
El aparato descrito tiene una tasa máxima de evaporación de aproximadamente 2 g/h cuando se opera con una entrada de 4W, y con el agua por evaporar, entrando a la temperatura del gabinete.

i. Convenciones
A. Material aislante
B. Placa de cobre
C. Tubo de cobre
D. Espuma aislante térmica
Figura BB-1. Diagrama del artefacto para evaporación de agua y para acumulación de escarcha


iii) Figura BB.2. Artefacto para evaporación de agua y acumulación de escarcha
DOCUMENTO DE REFERENCIA
INTERNATIONAL ELECTROTECHNICAL COMMISSION. Safety of Household and Similar Electrical Appliances - Part 2-24: Particular Requirements for Refrigerating Appliances and Ice-makers. Geneva: ISO, 2002. 48 p. il (IEC 60335-2-24)
ANEXO NO 3 (BASADO EN LA NTC 4982 DEL 2001-09-26).
Sección 1.2 Indelebilidad del marcado e indicaciones
A.1 Las marcas sobre los controles deben ser adecuadamente indelebles en razón de la seguridad, y por tanto deben clasificarse de acuerdo con los requisitos de indelebilidad.
A.1.1 Marcas obligatorias en el ámbito de esta norma.
A.1.2 Marcas obligatorias en el ámbito de esta norma, pero inaccesibles al usuario final tras el montaje o instalación del dispositivo de control en el equipo.
Estas marcas deben ser suficientemente indelebles para resistir las manipulaciones en los talleres del fabricante del dispositivo de control después de s u control final, durante el embalaje, el transporte hacia la fábrica del equipo y las manipulaciones en el transcurso de la instalación. Las marcas deben además permanecer legibles en caso de verse expuestas a vapores de disolventes u otros contaminantes.
A.1.3 Marcas obligatorias en el ámbito de esta norma, y accesibles al usuario después del montaje o instalación del dispositivo de control en el equipo como en uso normal.
Además de ser resistentes a las manipulaciones, etc., descritas en el literal A.1.2, este marcado debe ser resistente a manipulaciones y frotamientos que puedan surgir en el uso del equipo. Las indicaciones sobre perillas y otros controles deben ser resistentes a la continua manipulación y frotamiento como consecuencia de la activación manual. Los demás marcados deberían resistir la limpieza, brillado, etc.
A.1.4 La verificación de los requisitos de indelebilidad de marcas clasificadas de acuerdo con A.1.2 y A.1.3 de esta norma, se efectúa mediante los ensayos de los capítulos A.2 ó A.3 con la ayuda del aparato que se muestra en la Figura 8.
La parte principal de este aparato es un disco pulidor de fieltro blanco duro, cuyo diámetro es de 65 mm y espesor de 7,5 mm. Este disco está bloqueado contra la rotación y está dispuesto para moverse a través de la superficie por ensayar con un recorrido de 20 mm, y para ejercer una fuerza que pueda ser medida sobre dicha superficie. El ensayo normalizado consiste en 12 recorridos (es decir, 12 rotaciones de la excéntrica) efectuados en 15 s aproxi-madamente.
Durante el ensayo, la parte apropiada del disco de fieltro se cubre con una capa de lino absorbente blanco, con la cara suave situada en el exterior.
Los disolventes utilizados son:
Detergente neutro líquido obtenido por mezcla de sulfonato alquil benceno y detergentes no iónicos.
Destilado de petróleo (disolvente de hexano alifático con un contenido de aromáticos del 0,1% máximo en volumen, un valor Kauributanol de 29, punto de ebullición inicial de aproximadamente 65oC, punto seco de aproximadamente 69oC, y peso específico de aproximadamente 0,68g/cm3), y
Agua.
A.2 La verificación de los requisitos para la indelebilidad del marcado del numeral
A.1.2 se efectúa por los siguientes ensayos:
A.2.1 Las marcas deben resistir durante 4 h la acción de gotas de detergentes depositadas sobre la superficie marcada. Al final de este período, las “costras” de detergente se retiran mediante una fina aspersión de agua caliente a (40 ± 5) oC o frotando suavemente con un paño húmedo.
A.2.2 Se deja secar completamente la muestra a la temperatura ambiente (25 ± 5) oC.
A.2.3 La muestra se debe someter entonces a un ensayo de frotamiento en el aparato de la Figura 8, usando un paño seco y un peso de 250 g medidos según se indica.
A.2.4 La muestra se somete luego a un ensayo de frotamiento con un paño empapado en agua y un peso de 250 g.
A.2.5 Si la forma o la posición de la marca no permite emplear el aparato para frotar o blanquear (por ejemplo por el empotramiento de la superficie marcada), los ensayos de los numerales A.2.3 y A.2.4 no se aplican.
A.2.6 Después de estos ensayos el marcado debe permanecer legible.
A.3 La verificación de los requisitos de ind elebilidad de los marcados clasificados en el numeral A.1.3 se efectúa por los siguientes ensayos:
A.3.1 La marca se debe someter a un ensayo de frotamiento con el aparato de la Figura 8, frotando con un paño seco y un peso de 750 g.
A.3.2 La marca se somete enseguida a un ensayo de frotamiento con un paño embebido en agua y un peso de 750 g.
A.3.3 Las marcas deben resistir durante 4 h la acción de gotas de detergente depositadas sobre la superficie marcada. Al final de este período, las “costras” de detergente deben retirarse mediante una fina aspersión de agua caliente a (40 ± 5) oC o frotando suavemente con un paño húmedo.
A.3.4 Después de dejarse secar, la superficie así tratada, las marcas se someten a un ensayo de frotamiento con un paño empapado en detergente, con el aparato cargado con 750 g.
A.3.5 Después de eliminar el detergente, el ensayo de frotamiento se repite con un tejido empapado en destilado de petróleo y un peso de 750 g.
A.3.6 Para los ensayos de los literales A.3.1 a A.3.5 el espesor del disco de fieltro puede reducirse progresivamente a partir de 7,5 mm, para permitir llegar y frotar la marca por controlar. No obstante, el espesor mínimo será de 2,5 mm; si se reduce dicho espesor el peso de 750 g debe reducirse en proporción lineal.
A.3.7 Después de estos tratamientos, la marca debe permanecer legible.

Figura 8. Aparato para verificar la indelebilidad del marcado de etiquetas
CONCEPTOS BÁSICOS DE ELECTRICIDAD.
Corriente Eléctrica: Es el movimiento de electrones libres a lo largo de un conductor conectado a un circuito en el que hay una diferencia de potencial. Se mide en Amperios (A).
La corriente eléctrica fluye en tanto exista una diferencia de potencial. Si la polaridad de la diferencia de potencial no varía, la corriente siempre fluirá en una dirección y se llama corriente directa o continua, o simplemente DC (en Inglés).
Tensión Eléctrica: Conocida como diferencia de potencial, es la fuerza electromotriz que impulsa la corriente eléctrica. Se mide en Voltios (V).
Corriente alterna (CA o AC en inglés).- Existe un tipo de corriente eléctrica que no siempre fluye en la misma dirección, sino que fluye primero hacia una dirección y luego se invierte y fluye hacia la otra, alternadamente. A este tipo de corriente se le llama corriente alterna porque cambia repetidamente de polaridad, esto es, su voltaje instantáneo va cambiando en el tiempo desde cero (0) a un máximo positivo, vuelve a cero y continúa hasta otro máximo negativo y así sucesivamente.
La corriente alterna más comúnmente utilizada, cambia sus valores instantáneos de acuerdo con la función trigonométrica seno, de ahí su denominación de corriente alterna senoidal.
Fase: Para una instalación eléctrica doméstica, es cada uno de los conductores que transportan corriente eléctrica alterna.
Corriente trifásica: Compuesta por tres (3) fases, y la más común, es aquella cuyas fases están despla zadas 120 grados (desfase), una respecto de la otra fase.
Cuando solo se necesita suministro de una sola fase, es decir, monofásica, como sucede con el suministro doméstico, y la red de distribución es trifásica, esta consta de cuatro conductores, uno por cada fase y otro para el neutro.
Ciclo: Un ciclo de corriente alterna senoidal está compuesto por la alternancia positiva y por la alternancia negativa siguiente, correspondiendo a una forma de onda senoidal.
Frecuencia: Es el número de veces que se repite un ciclo de corriente alterna en un segundo. Se mide en Hertzios [Hz], en Colombia generalmente es de 60Hz.
Período: Es el tiempo que tarda en producirse un ciclo. En Colombia el Periodo de la Tensión de red para una frecuencia de 60 Hz es de 1/60 = 0,0166 segundos, es decir, cada 16.6 ms se repite la forma de onda.
El valor pico: Es la Amplitud o valor máximo de la tensión o la corriente alterna.
El valor pico-pico: Es el doble del valor pico.
El valor instantáneo: Es el valor de tensión o la corriente en un instante determinado.
El valor medio: Es el promedio de todos los valores instantáneos durante medio ciclo. El valor promedio es 0.637 veces el valor pico.
El Valor eficaz: Raíz cuadrática media (rcm) o valor cuadrático medio (RMS) Es igual a la raíz cuadrada del valor medio de los cuadrados de todos los valores instantá-neos de corriente o tensión alternos, durante medio ciclo. En una onda sinusoidal pura, el valor efectivo es 0.707 veces el valor pico.
Vrms = Valor de la Tensión o Corriente en AC que produce el mismo efecto de disipación de calor que su equivalente de Tensión o Corriente DC. Las Tensiones o Corrientes cuando son alternos se expresan de forma común con su valor efectivo o RMS (Root Mean Square – raíz media cuadrática)
La medida de una tensión de CA es tambien expresada algunas veces como su valor cuadrático medio (rms), que para una tensión sinusoidal es:

En donde Vp el Valor Pico de la Tensión AC.
El valor Vrms es útil para calcular la potencia consumida por una carga. Así, si una tensión de corriente continua (VCC) desarrolla una cierta potencia P en una carga resistiva dada, una tensión de CA de Vrms desarrollará la misma potencia P en la misma carga si Vrms = VCC.
Al valor cuadrático medio se le suele denominar, por ello, también valor eficaz.
Para ilustrar estos conceptos, vamos a poner un ejemplo práctico:
Cuando decimos que la red eléctrica doméstica en Colombia es de 120 voltios CA, estamos diciendo que su valor eficaz (al menos nominalmente) es de 120 V., lo que significa que tiene los mismos efectos caloríficos que una tensión de 120 V. de CC. El valor eficaz, llama do también efectivo, de una tensión o corriente alterna es el que, en un circuito que sólo contenga resistencia, produce la misma cantidad de calor que la producida por una tensión o corriente continua del mismo valor. Por lo tanto, una corriente alterna cuyo valor eficaz sea de 1 Amperio, genera el mismo calor en una resistencia de 10 ohms que una corriente directa de
1 Amperio.
Potencia en sistemas alternos. El factor de potencia. En corriente alterna la potencia entregada depende de la naturaleza de la carga conectada al circuito y más concretamente del desfase que provoque la carga entre la tensión y la corriente que circula por el circuito.
Si la carga es resistiva pura, la tensión y la corriente están en fase, en este caso la potencia es siempre de signo positivo (ya que tensión y corriente tienen el mismo signo en cada instante) y su valor es el producto de los valores eficaces de la tensión por la corriente.
Si la tensión y la corriente no están en fase (debido a que la carga no es resistiva pura), habrá momentos en los que tengan distinto signo, por ello la potencia será menor que en el caso anterior.
La potencia en este caso es igual al producto de la tensión por la corriente eficaces multiplicados por un factor reductor llamado factor de potencia o cos (coseno del ángulo que forman la tensión y la corriente en un circuito). Este, que siempre es menor o igual a la unidad, representa la relación entre la potencia entregada a la carga y la potencia consumida (y por tanto aprovechada) por la misma. Cuanto más pequeño sea el factor de potencia menor será la potencia aprovechada.
![]()
Esa potencia aprovechada es la potencia activa (P). Se mide en Watios [W].
La potencia aparente (S) es la que circula por los conductores y se mide en voltioamperios [VA].
![]()
La potencia reactiva (Q) es una potencia que no es consumida por la carga sino que está continuamente circulando entre la carga y el generador. Provoca pérdidas al hacer circular más corriente de la necesaria por los conductores y hace que deban sobredimensionarse. Se mide en voltioamperios reactivos [Var]
![]()
Si se conoce el valor máximo de una corriente alterna (I0) se aplica esta sobre una cierta resistencia y se mide la potencia producida sobre ella.
A continuación, se busca un valor de corriente continua que produzca la misma potencia sobre esa misma resistencia. A este último valor, se le llama valor eficaz de la primera corriente (la alterna).
Para una señal sinusoidal, el valor eficaz de la tensión es:
y del mismo modo para la corriente
la potencia eficaz resultará ser:

Es decir, que es la mitad de la potencia máxima (o potencia de pico).
La tensión o la potencia eficaz se nombran muchas veces por las letras RMS. O sea, el decir 10 Vrms ó 15 Wrms significarán 10 voltios eficaces o 15 Watios eficaces, respectivamente.
Energía Eléctrica alterna: Para efectos de este Reglamento Técnico, es el suministro eléctrico para uso doméstico ofrecido por las Empresas de Servicio Público Domiciliario Colombianas. Generalmente es entre fases de 220 ó 240 Voltios (trifásica) y entre fase y neutro de 115 ó 120 Voltios (monofásica) a 60 Hz.